NXP S32K344-T Battery Management Unit User Guide
Introduction
The S32K344-T-BOX is a compact, highly-optimized and integrated reference design board featuring the S32K3 general purpose microcontroller. This board can provide reference for a variety of typical automotive applications, such as 5G telematics box, service-oriented gateway, AVB, IO aggregator and body domain controller. It can be directly used by carmakers, suppliers and software ecosystem partners to accelerate development for shorter time-to-market.
This document describes the hardware features of the board specifications, block diagram, connectors and interfaces.

Figure 1. the Block Diagram
Features Overview
- S32K344 maxQFP172 automotive microcontroller which integrates Arm cortex-M7 lockstep core, features hardware security engine(HSE) and supports ASIL D functional safety.
- Ethernet switch SJA1110B which integrates 5 channel 100base T1, 1 channel 100base Tx, 1 channel 1GHZ SGMII SABRE connector, with RMII connection to S32K3,RGMII connection to 5G module.
- Safety SBC FS26 supplying power for S32K3 and monitoring MCU status. PMIC FS56 and PF5020 providing additional power sources for the 5G module, ethernet switch and other peripherals.
- Automotive Grade Quectel 5G module AG55xQ designed with Qualcomm SA515M chip, with C-V2X and GNSS support.(Need to buy from the vender Quectel)
- WIFI 6 support with miniPCIE interface. Verified with NXP new generation WIFI6 chip AW690.
- 6 channel CAN FD and 4 channel LIN support which can be used for gateway application.
- Audio Codec SGTL5000 and clock multiplier CS2100 and CDCE6214 for AVB support.
- E-Call support with 3.0-7.0V backup battery charger and booster controller MAX20095.
- Automotive grade accelerometer FXLS8967AF to monitor vehicle status.
- A maxim 32GB SD Card can be implemented to store the vehicle data. The SDIO protocol is emulated by FLEXIO.
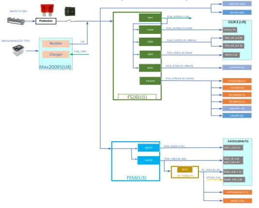
Power Supply
The S32K3-T-BOX supports maxim 28V input voltage. Below is the Power diagram.


Figure 2. the Power Diagram
Please follow below sequence to power up the device.
- Make sure the Jumper J20 is on.
- Power the board through the ECU Connector J32.
- Switch on the Power Switch SW1.

This is the connection for the main power from the ECU Connector J32.

Note: Putting the Jumper J20 on is to supply voltage for the FS26 Debug pin before the VSUP is supplied, thus the FS26 can enter Debug mode. The Debug mode are intended for use during the engineering development process and not in the production application condition or in the vehicle. The watchdog and other failsafe function are disabled in the Debug mode. If you expect the FS26 to work in normal mode, the power up sequence is not required.
Connectors and interface
Table 1. the Connectors
| Connectors | Function | Description |
| CN1 | SD Card Holder | Connect to the SD card. |
| J21 | 1×5 Header | Unused GPIO pins of S32K3. |
| J32 | ECU Connector 1 | Connect to the 5 channel 100base-T1 ethernet interface, 12V main power supply input(J32.18,19,20) and the 4.2V backup battery input(J32.11,12). |
| J33 | ECU Connector 2 | Connect to the 6 channel CAN (FD) bus and 4 channel LIN bus. |
| J40 | S32K3 JTAG Connector | 2×5 10pin JTAG Connector for S32K3. |
| J41 | Audio Jack for Line in | Connect to the microphone as the audio input for the codec. |
| J42 | Backup Battery Connector | Connect to the 4.2V backup battery(The same as J32.11,12). |
| J43 | Audio Jack for Line out | Connect to the headphone as the audio output for the codec. |
| J44 | I2C 1×4 Header | J44 and J45 are together to connect to the external audio amplifier TDF8532 RDB board for AVB application. |
| J45 | SAI 2×6 Header | J44 and J45 are together to connect to the external audio amplifier TDF8532 RDB board for AVB application. |
| J57 | SJA1110 JTAG Connector | 2×5 10 pin JTAG Connector for SJA1110. |
| J60 | 1000 base-T1 SGMII SABRE Connector | Connect to the external 1000 base-T1 ethernet PHY transceiver daughter board with SGMII interface, such as TJA1120. |
| J61 | BT 1×4 Header | Connect to the Blue Tooth module HC08 with LPUART9. |
| J69 & J70 | 5G module Connector | Connect to the Quectel A55xQ 5G module. |
| J71 | MiniPCIE Connector | Connect to the miniPCIE interface WIFI6 module. Recommend to use AW690 which has been verified by software. |
| J74 | Type C Connector | This Type C connector is to communicate with the 5G module for V2X function. |
| J75 | Sim Card Holder | Connect to the Sim card for 5G module. |
| J76 | 5G UART 1×5 Header | Connect to the PC with UART interface to interactive with the 5G module and print logs. |
| J79 | WIFI 1×6 Header | Connect to the WIFI module ESP8266 with LPUART0. |
| J82 | RJ45 Connector | Connect to the RJ45 industrial ethernet cable. |
Below is the layout of these connectors.

This is the detail definition of the ECU Connectors.

Jumper Settings
Table 2. the Jumpers
| Jumper | Type | Default Setting | Description |
| J2 | 2 pins | Closed | The connection between VIN and VBAT, can be used for current monitoring. |
| J10 | 2 pins | Open | The connection between FS26 reset pin and S32K3 reset pin. |
| J15 | 2 pins | Closed | Use FS26_VLDO2(3.3V) as the I/O input supply of FS26. |
| J16 | 3 pins | 1-2 Closed | 1-2 Closed: FS26 monitors the FS26_VLDO1. 2-3 Closed: FS26 monitors the FS26_VLDO2. |
| J17 | 3 pins | 1-2 Closed | 1-2 Closed: FS26_VTRK1 is used as the input for BB_V33. 2-3 Closed: PF5020_LDO_V33 is used as the input for BB_V33. |
| J20 | 2 pins | 1-2 Closed | Closed: FS26 will enter debug mode. Open: FS26 will enter normal mode. |
| J23 | 3 pins | 2-3 Closed | 1-2 Closed: Backup battery boost output VBATP is connected to VBAT thus the CAN and LIN PHY can be powered when the main power VIN is lost. 2-3 Closed: Backup battery boost output VBATP is connected to FS26_VPI thus the CAN and LIN PHY can not be powered when the main power VIN is lost. |
| J25 | 3 pins | 1-2 Closed | 1-2 Closed: Choose FS26_VPRE as the charging power source of the backup battery. 2-3 Closed: Choose FS56_V50 as the charging power source of the backup battery. |
| J27 | 2 pins | 1-2 Closed | The connection between main power source and the power input of the PMIC FS56. |
| J30 | 2 pins | 1-2 Closed | The connection between FS56_V50 and the power input of the PMIC PF5020. |
| J34 | 2 pins | 1-2 Closed | The connection between FS26 VCORE and the S32K3 1.5V power supply. |
| J36 | 2 pins | 1-2 Closed | The connection between FS26 LDO2 3.3V output and the S32K3 VDD_HV_A power supply. |
| J38 | 2 pins | 1-2 Closed | The connection between FS26 LDO2 3.3V output and the S32K3 VDD_HV_B power supply. |
| J47 | 2 pins | 1-2 Closed | The connection between the main power source and the battery supply voltage of the CAN PHYs. |
| J48 | 2 pins | 1-2 Closed | The connection between FS26 LDO1 5V output and the 5V voltage supply of the CAN PHYs. |
| J50 | 2 pins | 1-2 Closed | The connection between the main power source and the battery supply voltage of the LIN PHY. |
| J51 | 2 pins | 1-2 Closed | The connection between the PF5020 1.1V output and the SJA1110 1.1V power supply. |
| J53 | 2 pins | 1-2 Closed | The connection between the PF5020 3.3V output and the SJA1110 3.3V power supply. |
| J55 | 3 pins | 1-2 Closed | 1-2 Closed: Choose the output of the LDO RT9058 as the SJA1110 3.3V AO(Always On) power supply. 2-3 Closed: Choose PF5020 VSNVS 3.3V output as the SJA1110 3.3V AO(Always On) power supply. |
| J58 | 3 pins | 1-2 Closed | 1-2 Closed: Choose the PF5020 LDO1OUT 3.3V as the DB_V33 power supply. 2-3 Closed: Choose the PF5020 BUCK3 3.3V as the DB_V33 power supply. |
| J62 | 3 pins | 1-2 Closed | The connection between FS56 SW2 3.8V and the VBAT_BB, VBAT_RF of the 5G module. |
| J64 | 2 pins | 1-2 Closed | The connection between FS5020 SW1 1.8V and the RGMII_VDD of the 5G module. |
| J66 | 2 pins | 1-2 Closed | Use the 5G_V38 as the input of the LDO NCV57302 to generate 5G_V33 which will power the GNSS in the 5G module, miniPCIE WIFI6 module and eMMC. |
| J67 | 2 pins | 1-2 Closed | The connection between FS56 SW1 5V and the VBAT_CV2X of the 5G module. |
| J72 | 2 pins | 1-2 Closed | The connection between 5G_V33 and the power supply of the miniPCIE WIFI module. |
| J78 | 2 pins | 1-2 Closed | The connection between FS26 VREF and the S32K3 VREFH. |
Automotive Ethernet Switch
The S32K3-T-BOX has an automotive TSN Ethernet switch SJA1110B which mainly comprises of a configurable Ethernet switch and a programmable Arm Cortex-M7 core. It also supports advanced secure boot capability.

The QuadSPI port is connected to an external flash, the SPI_HOST interface is connected to the S32K3. The SJA1110 can be booted from the external flash(NVM Boot) or S32K3(SDL Boot) . When there is no firmware in the external flash, it will switch to SDL Boot mode automatically.
An SABRE connector with SGMII interface is designed to connect the NXP 1GHZ automotive ethernet PHY TJA1120 daughter board.
More details please check the document “SJA1110 Automotive Ethernet User Switch. pdf” .
This is the SJA1110B diagram in S32K3-T-BOX RDB.

Figure3. the Ethernet Switch SJA1110B Block Diagram
On S32K3-T-Box board, the boot mode of SJA1110B can be chosen by setting the 2 boot option pins on the dial switch S1.

Below is the Boot options of SJA1110B.
Table 3. SJA1110B Boot Options
| Boot Option 0 | Boot Option 1 | Boot Mode |
| OFF | OFF | NVM Boot |
| ON | ON | SDL Boot |
Below is the full connection of the Ethernet port on SJA1110B.
Table 4. SJA1110B Ethernet Port Connections
| SJA1110 Ethernet Port | Function | Connection |
| P1 | 100 Base-TX | RJ45 Connector |
| P2 | RMII | S32K3 |
| P3 | RGMII | 5G Module |
| P4 | SGMII | SABRE Connector |
| P5 | 100 Base-T1 | ECU Connector J32.Pin3,13 |
| P6 | 100 Base-T1 | ECU Connector J32.Pin4,14 |
| P7 | 100 Base-T1 | ECU Connector J32.Pin5,15 |
| P8 | 100 Base-T1 | ECU Connector J32.Pin6,16 |
| P9 | 100 Base-T1 | ECU Connector J32.Pin7,17 |
5G Module
S32K3-T-BOX has a 5G module AG55xQ from Quectel which supports C-V2X function and GNSS location.

Figure4. the 5G Module Diagram
This module supports both 5G NR NSA and SA modes. Adopting 3GPP Rel 15 technology, the module supports maximum 2.4 Gbps downlink and 550 Mbps uplink data rates at 5G NSA mode, and maximum 1.6 Gbps downlink and 200 Mbps uplink data rates at LTE-A. More detail please check the datasheet of AG55xQ.
J74 Type C connector is for C/V2X communication, J76 1×5 UART Header is to Connect to the PC to interactive with the 5G module and print logs.
An 8GB eMMC is designed to store the code, configuration file and other user information .etc.
The 5G module can interact with S32K3 by SPI and UART interface, and connect with the ethernet switch with an RGMII interface.
The 5G module can connect to the codec SGTL5000 with I2S interface by controlling the multiplexerdemultiplexer TS3A27518E(U38) to realize the call function. User can insert a Micro sim card to activate the 5G communication.
Since the IO voltage of the 5G module is 1.8V while S32K3 and most of the peripherals are 3.3V so the level shifters are used for these connections.
WIFI6 is supported and is connected with 5G module by miniPCIE interface. A miniPCIE connector is designed on this board and below is the PCIE pin definition. You can design your own WIFI6 miniPCIE board with the below miniPCIE pin definition. We suggest to use NXP product AW690 which is tested with S32K3-T-BOX.
Table 5. the Definition of Supported miniPCIE WIFI6 Module
| Pin Number | Definition | Pin Number | Definition |
| 1 | WAKE# | 2 | 3.3V |
| 3 | Reserved | 4 | GND |
| 5 | Reserved | 6 | Reserved |
| 7 | CLKREQ# | 8 | Reserved |
| 9 | GND | 10 | Reserved |
| 11 | REFCLK- | 12 | Reserved |
| 13 | REFCLK+ | 14 | Reserved |
| 15 | GND | 16 | Reserved |
| 17 | Reserved | 18 | GND |
| 19 | Reserved | 20 | Reserved |
| 21 | GND | 22 | PERST# |
| 23 | PERn0 | 24 | +3.3Vaux |
| 25 | PERp0 | 26 | GND |
| 27 | GND | 28 | Reserved |
| 29 | GND | 30 | Reserved |
| 31 | PETn0 | 32 | Reserved |
| 33 | PETp0 | 34 | GND |
| 35 | GND | 36 | Reserved |
| 37 | Reserved | 38 | Reserved |
| 39 | 5G_GPIO6 | 40 | GND |
| 41 | 5G_GPIO5 | 42 | Reserved |
| 43 | 5G_BT_EN | 44 | Reserved |
| 45 | 5G_BT_UART_RTS | 46 | Reserved |
| 47 | 5G_BT_UART_TXD | 48 | Reserved |
| 49 | 5G_BT_UART_RXD | 50 | GND |
| 51 | 5G_BT_UART_CTS | 52 | +3.3V |
This is the pin sequence of the miniPCIE board.

Below is the picture when 5G module is put on the S32K3-T-BOX board.

AVB Hardware
S32K3-T-BOX features the Ethernet AVB related hardware, which includes the 2 media clock generators CS2100(U10) , CDCE6214(U11) and a codec SGTL5000(U13).
The I2S interface of the codec is connected to S32K3 for AVB application by default.
An SAI(J45) interface is extended out for external audio amplifier board, such as the NXP automotive ClassD TDF853x RDB board.

Figure5. the AVB Hardware Diagram
Backup Battery E-Call Support
S32K3-T-BOX integrated a backup battery charger and boost controller chip MAX20095.
When the main power is lost, it can boost the battery to 12V to support the emergency call function. When the main power is on, the chip works as a charger for the battery.
The MAX20095 can be controlled by S32K3 through I2C interface. The charger voltage can be set to 3.0 – 7.0V. Default value is 3.6V. The current can be set up to 1A.
If you want to power the CAN &LIN PHYs using backup battery, switch the jumper J23 to 1-2 on. You can connect the battery to J42 or J32.
For more detail please check the datasheet of MAX20095.
Others
An accelerometer FXLS8967(U12) is integrated to detect the speed of the car.
A header(J61) is designed for connecting the HC-08 bluetooth module.
Header(J79) is designed for connecting the ATK-ESP8266 WIFI module.
An SD card can be inserted to store the data. The SDIO protocol is simulated by FLEXIO and controlled by S32K3.
Abbreviations Used in the Document
| Abbreviation | Description |
| T-Box | Telematics Box |
| AVB | Audio Video Bridging |
| NVM | Non-volatile Memory |
| SDL | Serial DownLoad |
| SBC | System Basic Chip |
| PMIC | Power Management IC |
| HSE | Hardware Security Engine |
| E-Call | Emergency Call |
| GNSS | Global Navigation Satellite System |
| eMMC | Embedded Multimedia Card |
| PHY | Physical Layer |
| RGMII | Reduced General Media Independent Interface |
| SGMII | Serial Gigabit Media Independent Interface |
| RMII | Reduced Media Independent Interface |
| MII | Media Independent Interface |
Revision History
| Date | Version | Description |
| 29th Apr, 2022 | 0.1 | Initial Draft |
| 13th May, 2022 | 0.2 | Uploaded the diagrams and pictures |



















