
AMERITRON RCS-4
REMOTE
COAX SWITCH
INSTRUCTION MANUAL
The Ameritron RCS-4 is a remote-controlled coaxial RF switch that may be tower or mast-mounted. The control console is located at the operating station. The advantage of the RCS-4 is that only one coax feedline is necessary to operate up to four separate antennas. No separate control cable is required. The control console contains the power supply and switching selector that sends voltage to the relay box. The front panel has four LED’s that indicate which antenna is in use. The RCS-4 operates on 117 VAC 50/60 Hz line voltage.
PLEASE READ THIS MANUAL BEFORE OPERATING THIS EQUIPMENT !
INSTALLATION
The relay box may be mounted on a tower leg, mast or building wall The mounting hardware furnished will accept a tubular mast up to 1 1/2 diameter.
If the box is mounted on a building wall discard the “U” bolt assembly and use two %” screws to attach the brackel to the wall.
The relay box must be mounted with the connectors down Do not attempt to air seal the relay box. Install drip loops below the box if the feedlines are brought in from a higher location. Lightning retarding loops area recommended precaution on all cables (see illustration).
Relay Box Cable Connections
Connect your antennas to coax connectors numbered 1-4 and note which antenna is connected to each socket. Connect a coax lead to the connector marked “CONTROL CONSOLE” This lead should be long enough to altach to the control console.
If control power fails, the relay box selects antenna “4”. It would thus be wise to put the most frequently used antenna In position 4
Control Console Connections
Locate the RCS-4 control console at a convenient location on the station operating desk.
The control console supplies 12V AC and DC control voltages. It has an internal LA fuse in the transformer secondary circuit that protects the power supply if a short circuit occurs in the feedline. Caution must be exercised when connecting the RCS-4 to prevent damage to station equipment.
Use coax to connect the “STATION” SO-239 connector to the output connector of your transceiver, amplifier or tuner Connect the coaxial line from the relay box to the “RELAY BOX” SQ-239 connector.
DO NOT CONNECT THE “RELAY BOX” CONNECTOR TO THE STATION. CONNECT IT TO THE RELAY BOX FEEDLINE ONLY. DO NOT “HOT SWITCH” THE RELAY BOX WITH POWER LEVELS OVER 100 WATTS. THERE SHOULD BE NO PIECE OF EQUIPMENT BETWEEN THE INDOOR AND OUTDOOR BOX.
OPERATION
- Plug the line cord into a 117 VAC outlet.
- Place the PWR switch in the “ON” position.
- Rotate the SELECT control and observe the lights one through four.
The switch positions are numbered on the front of the control box and a space is provided above each position so you can pencil in its designation for each antenna.
GROUNDING
The RCS-4 has small air gaps near each antenna connector on the printed circuit board to protect against lightning damage. We strongly recommend the use of lightning retarding loops in the coaxial cables near the relay box (see illustration). Remember that lightning travels through the path of least resistance. Station ground leads should be solid, large surface arca conductors. Do not use braided or stranded wire for the ground leads. Avoid sharp bends in the ground leads. Use multiple ground rods and/or radials to provide the earth termination.
LIGHTNING RETARDING LOOPS

TECHNICAL ASSISTANCE
If you have any problem with this unit first check the appropriate section of this manual. If the manual does not reference your problem or reading the manual does not solve your problem, call Ameritron at 662-323-8211. We can only help if you have your RCS-4 manual, radio manual, and information about your station available during the call.
We strongly recommend calling Ameritron with any questions, but questions can be mailed directly to Ameritron at 116 Willow Road, Starkville, MS 39759 or faxed to 662-323-9810. Be sure to send a complete description of the problem, explain how this unit is being used, and include a complete description of your station.
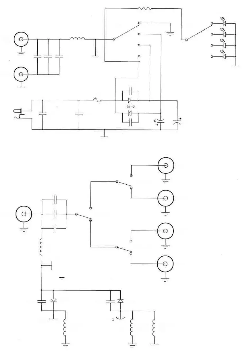
SCHEMATIC

NOTES________________________________________________
DISCLAIMER
Information in this manual is designed for user purposes only and is not intended to supersede information contained in customer regulations, technical manuals/documents, positional handbooks, or other official publications. The copy of this manual provided to the customer will not be updated to reflect current data.
Customers using this manual should report errors or omissions, recommendations for improvements, or other comments to Ameritron 116 Willow Road, Starkville, MS 39759. Phone: (662) 323-8211; FAX: (662) 323-6551. Business hours: M-F 8-4:30 CST.
AMERITRON
116 Willow Road
Starkville, MS 39759 USA
662-323-8211
LIMITED WARRANTY
Ameritron warrants to the original purchaser that this product shall be free from defects in material or workmanship for one year from the date of original purchase. During the warranty period, Ameritron (or an authorized Ameritron service facility) will provide free of charge both parts and labor necessary to correct defects in material or workmanship.
To obtain such warranty service, the original purchaser must:
- Complete and send in the Warranty Registration Card.
- Notify Ameritron or its nearest authorized service facility, as soon as possible after discovery of a possible defect, of:
(a) The model number and serial number, if any:
(b) The identity of the seller and the approximate date of purchase;
(c) A detailed description of the problem, including details on the equipment. - Deliver the product to the Ameritron or the nearest authorized service facility, or ship the same in its original container or equivalent, fully insured and with shipping charges prepaid.
Correct maintenance, repair, and use are important to obtain proper performance from this product. Therefore, carefully read the Instruction Manual. This warranty does not apply to any defect that
Ameritron determines is due to:
- Improper maintenance or repair, including the installation of parts or accessories that do not conform to the quality and specifications of the original parts.
- Misuse, abuse, neglect or improper installation.
- Accidental! or intentional damage.
All implied warranties, if any, terminate one (1) year from the date of the original purchase.
The foregoing constitutes Ameritron’s entire obligation with respect to this product, and the original purchaser and any user or owner shall have no remedy and no claim for incidental or consequential damages. Some states do not allow limitations on how long an implied warranty lasts or do not allow the exelusion or limitation of incidental or consequential damage, so the above limitation and exclusion may not apply to you.
This warranty gives specific legal rights and you may also have other rights, which vary from state to state.

AMERIITRON
116 Willow Road
Starkville, MS 39759 USA
662-323-8211
Version IA
Printed in USA


















