User Manual


Patron 60E Electric Fan Heater
IMPORTANT
READ AND UNDERSTAND THIS MANUAL BEFORE ASSEMBLING, STARTING OR SERVICING THE HEATER. IMPROPER USE OF HEATER CAN CAUSE SERIOUS INJURY. KEEP THIS MANUAL FOR FUTURE REFERENCE. FOR PROFESSIONAL USE ONLY.
IMPORTANT INSTRUCTIONS
READ ALL INSTRUCTIONS BEFORE USING THIS HEATER
- This heater is hot when in use. To avoid burns, do not let bare skin touch hot surfaces. Use handle when moving this heater. Keep combustible materials at least 6 feet (2 meter) from the front of the heater and keep them away from sides and rear
- Extreme caution is necessary when the heater is used near children or invalids and whenever the heater is left unattended
- Always unplug the heater when not in use
- Do not operate any heater with a damaged cord or plug or after the heater malfunctions, has been dropped or damaged in any manner. Return heater to authorized service facility for examination, electrical or mechanical adjustment or repair
- Do not use outdoors
- This heater is not intended for use in bathrooms, laundry areas and similar indoor locations. Never locate the heater where it may fall into a bathtub or other liquid container
- Do not run cord under carpeting. Do not cover cord with throw rugs, runners, or the like. Arrange cord away from traffic area and where it will not be tripped over
- To disconnect heater, turn controls to off, then remove plug from outlet
- Connect to properly grounded outlets only
- Do not insert or allow foreign objects to enter any ventilation or exhaust opening as this may cause an electric shock or fire, or damage the heater
- To prevent a possible fire, do not block air intakes or exhaust in any manner. Do not use on soft surfaces, where openings may become blocked
- A heater has hot and arcing or sparking parts inside. Do not use in areas where gasoline, paint or flammable liquids are used or stored
- Do not point to flammable materials
- Use heater only as described in this manual. Any other use not recommended by the manufacturer may cause fire, electric shock or injury to persons
- Always plug heaters directly into a wall outlet/receptacle. Never use with an extension cord or relocatable power tap (outlet/power strip)
- SAVE THESE INSTRUCTIONS
GENERAL INFORMATION FOR USER
- Patron electric heaters are designed for professional use.
- The heat is generated in sealed heating elements inside the inner mantle of the heater. Heated air is then distributed by an electric motor driven fan blowing air through the heater.
- Although effectively cooled by the fan, the heating elements have high surface temperatures. That is why combustible materials must be kept at a safe distance from the heater and care must be taken that no combustible particles enter the heater with the air sucked in by the fan.
- Keep the heater clean of dust at any time. Dust may cause fire when heated.
- Make sure that the fan blades may rotate unobstructed at all times.
- Do not block air intakes or exhaust in any manner.
LIMITED WARRANTY
PATRON heater products are professional construction heaters. They are warranted for twenty-four (24) months from original date of purchase. The warranty does not cover products modified outside our factory, damage or failure caused by acts of God, abuse, misuse, use on other than rated voltage, abnormal usage, faulty or improper installation, failure to provide recommended maintenance or any repairs other than those provided by an authorized PATRON service.
THERE ARE NO OBLIGATIONS OR LIABILITIES ON THE PART OF PATRON PRODUCTS INC. FOR CONSEQUENTIAL DAMAGES ARISING OUT OF OR IN CONNECTION WITH THE USE OR PERFORMANCE OF THE PRODUCT OR OTHER INDIRECT DAMAGES WITH RESPECT TO LOSS OF PROPERTY, REVENUES, OR PROFIT, OR COST OF REMOVAL, INSTALLATION OR RE-INSTALLATION.
THIS WARRANTY CONSTITUTES THE EXCLUSIVE REMEDY OF ANY PURCHASER OF EQUIPMENT SOLD BY THE MANUFACTURER AND ITS DEALERS AND DISTRIBUTORS AND IS IN LIEU OF ALL OTHER WARRANTIES, EXPRESS OR IMPLIED.
During the warranty period, Patron Products will, at its sole option, repair or replace any defective parts or products returned, freight prepaid, to Patron Products or such other location as Patron Products may designate.
Returned products must be packaged carefully, and Patron Products shall not be responsible for damage in transit. When returning parts, the owner must provide the model number of the product and the nature of difficulty being experienced. This warranty does not oblige Patron Products to bear the cost of labour in replacing any assembly, unit or component or part thereof, nor does the company assume any liability for secondary charges, expenses of removal or installing, freight or damages. There will be charges rendered for product repair after our warranty period has expired. Proof of purchase, including date, must accompany request for in-warranty service.
OPERATION
REVIEW AND UNDERSTAND ALL WARNINGS IN THIS MANUAL. THEY ARE ESSENTIAL FOR SAFE USE OF THE HEATER.
FOLLOW ALL LOCAL CODES
TO START HEATING:
- Place the heater on a stable and level surface. Make sure that no explosive or combustible fumes or dust are present.

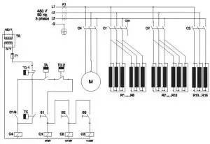
- Connect power cord of heater into 480 V / 60 Hz three phase power source. THE POWER SOURCE MUST BE EQUIPPED WITH A CIRCUIT BREAKER! See paragraph “Technical specifications” in this manual for correct amperage rating. NOTE: Check your heater to make sure it is wired for either one or three phase use.
- Set the room thermostat to a temperature above the ambient room temperature by turning the knob. Note! The heater will start heating only if the thermostat “calls for heat” meaning that it is set to higher than prevailing ambient temperature
- Select the power range by means of the switches marked S1, S2 and S3.
S1 “ON” = Partial output 24 kW (84,000 BU/h)
S1 & S2“ON” = Partial output 48 kW (164,000 BU/h)
S1 & S2 & S3 “ON” = Full output 60 kW (205,000 BU/h)
THE HEATER WILL NOW OPERATE AUTOMATICALLY, CONTROLLED BY THE THERMOSTATS.
TO STOP HEATING
- Turn the main switch into position “OFF” standby
- Let the fan run until it stops automatically – do not disconnect heater from power source!
- Disconnect the power supply plug
NOTE!
THE HEATER IS EQUIPPED WITH AN OVERHEAT LIMIT SWITCH WHICH MAY CAUSE THE HEATER TO STOP. CHECK AND REMOVE THE CAUSE FOR OVERHEATING BEFORE RESTARTING.
MAINTENANCE
WARNING!
NEVER SERVICE THE HEATER WHILE IT IS PLUGGED IN, RUNNING OR HOT. SEVERE BODILY INJURE OR ELECTRIC SHOCK MAY OCCUR. ONLY QUALIFIED PERSONS ARE ALLOWED TO OPEN HEATER FOR SERVICE. NO USER SERVICEABLE PARTS INSIDE.
- Keep heater clean. Use pressurized air to blow fan blades clean. Note! Use moderate pressure to avoid damage to fan blades
- Inspect heater before and after each use
- The bearings of the fan motor must be lubricated according to instructions on the motor
STORAGE
When not in use, the heater must be disconnected from power source, cleaned of dust and stored in a dry place.
TECHNICAL SPECIFICATIONS

SPARE PARTS DIAGRAM
PATRON 60E
Drawing 1


SPARE PARTS DIAGRAM
PATRON 60E
Drawing 2


WIRING DIAGRAM


PATRON PRODUCTS
A DIVISION OF RENTQUIP
1-800-818-1199
www.patronproducts.com
Read More About This Manual & Download PDF:
Patron 60E Electric Fan Heater User Manual – Download [optimized]
Patron 60E Electric Fan Heater User Manual – Download
Questions about your Manual? Post in the comments!




















