DELFIELD 4000P Series Compact Refrigerators and Freezers

Safety Notices
Warning
Read this manual thoroughly before operating, installing or performing maintenance on the equipment.
Failure to follow instructions in this manual can cause property damage, injury or death.
DANGER
- Do not install or operate equipment that has been misused, abused, neglected, damaged, or altered/modified from that of original manufactured specifications.
- Keep power cord AWAY from HEATED surfaces. DO NOT immerse power cord or plug in water. DO NOT let power cord hang over edge of table or counter.
- All utility connections and fixtures must be maintained in accordance with Local and national codes.
Warning
- Authorized Service Representatives are obligated to follow industry standard safety procedures, including, but not limited to, local/national regulations for disconnection / lock out / tag out procedures for all utilities including electric, gas, water and steam.
Warning
- Do not store or use gasoline or other flammable vapors or liquids in the vicinity of this or any other appliance. Never use flammable oil soaked cloths or combustible cleaning solutions, for cleaning.
Warning
- This product contains chemicals known to the State of California to cause cancer and/or birth defects or other reproductive harm. Operation, installation, and servicing of this product could expose you to airborne particles of glasswool or ceramic fibers, crystalline silica, and/or carbon monoxide. Inhalation of airborne particles of glasswool or ceramic fibers is known to the State of California to cause cancer. Inhalation of carbon monoxide is known to the State of California to cause birth defects or other reproductive harm.
Warning
- Do not use electrical appliances inside the food storage compartments of the appliance, unless they are of the type recommended by the manufacturer.
Warning
- Use caution when handling metal surface edges of all equipment.
Warning
- This appliance is not intended for use by persons (including children) with reduced physical, sensory or mental capabilities, or lack of experience and knowledge, unless they have been given supervision concerning use of the appliance by a person responsible for their safety. Do not allow children to play with this appliance.
Caution
- Use caution handling, moving and use of the R290 refrigerators to avoid either damaging the refrigerant tubing or increasing the risk of a leak. Components shall be replaced with like components. Servicing shall be done by a factory authorized service personnel to minimize the risk of possible ignition due to incorrect parts or improper service.
Notice
- Proper installation, care and maintenance are essential for maximum performance and trouble-free operation of your equipment. Visit our website www. wbtkitchencare.com for manual updates, translations, or contact information for service agents in your area.
Notice
- This product utilizes Ecomate blowing agent methyl formate
General Information
Model Numbers
- This manual covers standard units only.
- NOTE: For custom units, consult Welbilt KitchenCare at 1-844-724-CARE.
- NOTE: The prefix P on a model number indicates the use of the refrigerant propane.
| Work Top Refrigerator Bases With Stainless Steel Top & Backsplash | |
| 402P | ST4048P |
| Work Top Freezer Base With Stainless Steel Top & Backsplash |
| 403P |
| 403P-ES |
| Undercounter Refrigerator Bases With Stainless Steel Top | |
| 406P | UC4048P |
| Undercounter Freezer Base With Stainless Steel Top |
| 407P |
| 407P-ES |
| Undercounter Freezer With Subtop And 3.75” Casters |
| 407CAP |
Export Model Numbers
- This manual covers standard units only.
- NOTE: For custom units, consult Welbilt KitchenCare at 1-844-724-CARE.
- NOTE: The prefix P on a model number indicates the use of the refrigerant propane.
| Undercounter Refrigerator Bases With Stainless Steel Top |
| 406-CE |
| Undercounter Refrigerator With Subtop And 3.75” Casters |
| 406CA-CE |
| Undercounter Freezer Base With Stainless Steel Top |
| 407P-CE1 |
| 407P-CE2 |
| 407P-DHL-CE1 |
| 407P-DHL-CE2 |
| Undercounter Freezer Base With Stainless Steel Top |
| 407-CE |
| Undercounter Freezer With Subtop And 3.75” Casters |
| 407CAP-CE |
| 407CA-CE |
Serial Number Location
- The serial number on 400 series compact refrigerators and freezers is printed on the right side of the interior back wall.
- The serial tag on 4000 series compact refrigerators is located either on the left upper sidewall inside the cabinet or under the top nosing directly above the door when the door is in the closed position (right hand door when there are two doors).
- Always have the serial number of your unit available when calling for parts or service.
Warranty Information
- Visit http://www.delfield.com/warranty-to:
- Register your product for warranty.
- Verify warranty information.
- View and download a copy of your warranty.
Regulatory Certifications
Models are certified by:
- National Sanitation Foundation (NSF)
- Underwriters Laboratories (UL)
- Underwriters Laboratories of Canada (cUL)
- TUV
Installation
DANGER
- Installation must comply with all applicable fire and health codes in your jurisdiction.
- Use appropriate safety equipment during installation and servicing
Warning
- Remove all removable panels before lifting and installing.
- Do not damage the refrigeration circuit when installing, maintaining or servicing the unit.
Location
Warning
- This equipment must be positioned so that the plug is accessible unless other means for disconnection from the power supply (e.g., circuit breaker or disconnect switch) is provided.
Warning
- Adequate means must be provided to limit the movement of this appliance without depending on or transmitting stress to the electrical conduit or gas lines.
Warning
- To avoid instability the installation area must be capable of supporting the combined weight of the equipment and product. Additionally the equipment must be level side to side and front to back.
Warning
- This equipment is intended for indoor use only. Do not install or operate this equipment in outdoor areas.
Caution
- Do not position the air intake vent near steam or heat exhaust of another appliance.
- The location selected for the equipment must meet the following criteria. If any of these criteria are not met, select another location.
- Units are intended for indoor use only.
- The location MUST be level, stable and capable of supporting the weight of the equipment.
- The location MUST be free from and clear of combustible materials.
- Equipment MUST be level both front to back and side to side.
- Position the equipment so it will not tip or slide.
- Front casters MUST be locked once positioned.
- Recommended air temperature is 41° – 86°F (5° – 30°C).
- Proper air supply for ventilation is REQUIRED AND CRITICAL for safe and efficient operation. Refer to Clearance Requirements chart on page 6.
- Do not obstruct the flow of ventilation air. Make sure the air vents of the equipment are not blocked.
- Do not install the equipment directly over a drain. Steam rising up out of the drain will adversely affect operation, air circulation, and damage electrical /electronic components.
Weight of Equipment
| Model | Weight |
| 402P | 176lbs (80kg) |
| 403P | 176lbs (80kg) |
| 406P | 176lbs (80kg) |
| 406CAP | 168lbs (76kg) |
| 407P | 176lbs (80kg) |
| 407CAP | 168lbs (76kg) |
| ST4048P | 234lbs (106kg) |
| UC4048P | 236lbs (107kg) |
| Export | |
| 406-CE | 176lbs (80kg) |
| 406CA-CE | 168lbs (76kg) |
| 407P-CE1 | 176lbs (80kg) |
| 407P-CE2 | 176lbs (80kg) |
| 407P-DHL-CE1 | 176lbs (80kg) |
| 407P-DHL-CE2 | 176lbs (80kg) |
| 407-CE | 176lbs (80kg) |
| 407CAP-CE | 168lbs (76kg) |
| 407CA-CE | 168lbs (76kg) |
Clearance Requirements
DANGER
Minimum clearance requirements are the same for noncombustible locations as for combustible locations. The flooring under the appliance must be made of a noncombustible material.
DANGER
Risk of fire/shock. All minimum clearances must be maintained. Do not obstruct vents or openings.
| Back | 3.00” (76mm) |
| Top / Sides | 1.00” (25mm) |
| Bottom | 2.00” (51mm) |
- Keep the vents clean and free of obstruction.
- Legs or casters must be used and not removed.
Dimensions
| Model | Length | Depth | Height |
| 402P | 27” (69cm) | 28.5” (72cm) | 39.5” (100cm) |
| 403P | 27” (69cm) | 28.5” (72cm) | 35.5” (90cm) |
| 406P | 27” (69cm) | 28.5” (72cm) | 35.5” (90cm) |
| 406CAP | 27” (69cm) | 27.75” (70cm) | 33.25” (84cm) |
| 407P | 27” (69cm) | 28.5” (72cm) | 35.5” (90cm) |
| 407CAP | 27” (69cm) | 27.75” (70cm) | 33.25” (84cm) |
| ST4048P | 48” (122cm) | 28.5” (72cm) | 39.5” (100cm) |
| UC4048P | 48” (122cm) | 28.5” (72cm) | 35.5” (90cm) |
| Export | |||
| 406-CE | 27” (69cm) | 28.5” (72cm) | 35.5” (90cm) |
| 406CA-CE | 27” (69cm) | 27.75” (70cm) | 33.25” (84cm) |
| 407P-CE1 | 27” (69cm) | 29.4” (75cm) | 35.38” (89cm) |
| 407P-CE2 | 27” (69cm) | 29.4” (75cm) | 35.38” (89cm) |
| 407P-DHL-CE1 | 27” (69cm) | 29.4” (75cm) | 35.38” (89cm) |
| 407P-DHL-CE2 | 27” (69cm) | 29.4” (75cm) | 35.38” (89cm) |
| 407-CE | 27” (69cm) | 29.4” (75cm) | 35.38” (89cm) |
| 407CAP-CE | 27” (69cm) | 27.75” (70cm) | 33.25” (84cm) |
| 407CA-CE | 27” (69cm) | 27.75” (70cm) | 33.25” (84cm) |
| Model | Volume | Shelf Space |
| 402P 403P 406P 406CAP 407P 407CAP | 5.7Ft3 (161L) | 4.6Ft2 (43dm2) |
| ST4048P UC4048P | 10.80Ft3 (306L) | 8.0Ft2 (74dm2) |
| Export | ||
| 406-CE 406CA-CE 407P-CE1 407P-CE2 407P-DHL-CE1 407P-DHL-CE2 407-CE 407CAP-CE 407CA-CE | 5.7Ft3 (161L) | 4.6Ft2 (43dm2) |
Electrical Service
DANGER
- Check all wiring connections, including factory terminals, before operation. Connections can become loose during shipment and installation.
- Units with two power cords must be plugged into individual branch circuits. During movement, cleaning or repair it is necessary to unplug both power cords.
Warning
- This appliance must be grounded and all field wiring must conform to all applicable local and national codes. Refer to rating plate for proper voltage. It is the responsibility of the end user to provide the disconnect means to satisfy the authority having jurisdiction.
- Plug units with R290 refrigerant into a receptacle that is a minimum of 14” (36cm) above the floor.
- All electrical work, including wire routing and grounding, must conform to local, state and national electrical codes.
- The equipment must be grounded.
- A separate fuse/circuit breaker must be provided for each unit.
- The maximum allowable voltage variation is ±10% of the rated voltage at equipment start-up (when the electrical load is highest).
- Check all green ground screws, cables and wire connections to verify they are tight before start-up.
GROUND FAULT CIRCUIT INTERRUPTER
- Ground Fault Circuit Interrupter (GFCI/GFI) protection is a system that shuts down the electric circuit (opens it) when it senses an unexpected loss of power, presumably to ground. Welbilt does not recommend the use of GFCI/GFI circuit protection to energize our equipment. If code requires the use of a GFCI/GFI then you must follow the local code. The circuit must be dedicated, sized properly and there must be a panel GFCI/GFI breaker.
- We do not recommend the use of GFCI/GFI outlets to energize our equipment as they are known for more intermittent nuisance trips than panel breakers.
RATED AMPERAGES, HORSEPOWER, VOLTAGE & POWER CORD CHART
- Units with plugs are supplied with approximately 6ft (183cm) cords.
- Models 406P and 407P may be stacked using a stacking collar. In this case two 6ft (183cm) long grounded supply cords and plugs are standard.
| Model | Amps | HP | Voltage, Cycle, Phase | NEMA Plug |
| 402P | 2.6 | .18 | 115/60/1 | 5-15P |
| 403P | 4.5 | .30 | ||
| 406P | 2.6 | .18 | ||
| 406CAP | 2.6 | .18 | ||
| 403P-ES | 4.5 | .30 | ||
| 407P | 4.5 | .30 | ||
| 407P-ES | 4.5 | .30 | ||
| 407CAP | 4.5 | .30 | ||
| ST4048P | 2.6 | .18 | ||
| UC4048P | 2.6 | .18 | ||
| Export | ||||
| 406-CE | 2.6 | .18 | 230-240/50/1 |
Variable |
| 406CA-CE | 2.6 | .18 | 230-240/50/1 | |
| 407P-CE1 | 3.9 | .30 | 100-120/50-60/1 | |
| 407P-CE2 | 1.9 | .30 | 200-240/50-60/1 | |
| 407P-DHL-CE1 | 3.9 | .30 | 100-120/50-60/1 | |
| 407P-DHL-CE2 | 1.9 | .30 | 200-240/50-60/1 | |
| 407-CE | 4.5 | .30 | 230-240/50/1 | |
| 407CAP-CE | 4.5 | .30 | 200-240/50-60/1 | |
| 407CA-CE | 4.5 | .30 | 230-240/50/1 | |
Refrigeration
| Model | BTU/Hour Capacity | Heat of Rejection | Refg Charge |
| 402P | 1276 | 177 | 68g R290 |
| 403P | 922 | 542 | 68g R290 |
| 403P-ES | 922 | 542 | 68g R290 |
| 406P | 1276 | 177 | 68g R290 |
| 406CAP | 1276 | 177 | 68g R290 |
| 407P | 922 | 542 | 68g R290 |
| 407P | 922 | 542 | 68g R290 |
| 407CAP | 922 | 542 | 68g R290 |
| ST4048P | 1276 | 452 | 68g R290 |
| UC4048P | 1276 | 452 | 68g R290 |
| Export | |||
| 406-CE | 1276 | 177 | 213g R404A |
| 406CA-CE | 1276 | 177 | 213g R404A |
| 407P-CE1 | 922 | 542 | 150g R290 |
| 407P-CE2 | 922 | 542 | 150g R290 |
| 407P-DHL-CE1 | 922 | 542 | 150g R290 |
| 407P-DHL-CE2 | 922 | 542 | 150g R290 |
| 407-CE | 922 | 542 | 180g R404A |
| 407CAP-CE | 922 | 542 | 150g R290 |
| 407CA-CE | 922 | 542 | 180g R404A |
Drain Connections
- Warning
- If a refrigerated base does not have a condensate evaporator supplied, you must connect the condensate line to a suitable drain. Otherwise, water will collect on the floor, causing a potentially hazardous situation.
- Moisture collecting from improper drainage can create a slippery surface on the floor and a hazard to employees. It is the owner’s responsibility to provide a container or outlet for drainage.
Caster Or Leg Installation
DANGER
- Legs or casters must be installed and the legs or casters must be screwed in completely to prevent bending. When casters are installed the mass of this unit will allow it to move uncontrolled on an inclined surface. These units must be tethered/secured to comply with all applicable codes.
Warning
- The unit must be installed in a stable condition with the front wheels locked. Locking the front casters after installation is the owner’s and operator’s responsibility.
Warning
- Use a jack to lift the refrigeration unit off the ground just far enough to remove the leg/caster. Place blocking underneath the unit. Do not work underneath a raised unit without proper blocking. Do not lift the unit more than necessary to remove the leg/caster. Lifting the unit too far can make the unit unstable.
Caution
- All single-section units require that the swivel casters be mounted on the front and rigid casters be mounted on the rear.
- Carefully place the unit on its back.
- Located at each caster mounting location are 4 Phillips head screws, for a total of 16 screws. Remove them.
- Place a locking plate caster or leg over one of the front holes, matching the 4 mounting holes to the pre-drilled holes in the underside of the unit. Insert 4 Phillips head screws and tighten. Repeat with the other locking front caster or leg.
- Repeat step 3 with the non-locking casters or legs in the rear of the unit.
- Carefully lift the unit upright.
Caution
After installing casters, the unit must stand upright for twenty-four (24) hours before being powered up to assure oil returns to the compressor sump.
LEG LEVELING
All four legs are adjustable. Adjust each leg until the unit is stable and level left to right. If necessary adjusting the front legs slightly higher than the rear by about 1/8” (3mm) will help the door remain closed.
CASTER AND LEG MOUNTING DETAIL
A universal bolt-hole pattern is provided on the bottom of the cabinet. It will accommodate any leg or caster. Simply line up the plate holes with the corresponding cabinet holes.
NOTE: If hole pattern on caster/leg matches the one above mount it in the middle set of holes.
- 3” Caster – 3234024
- 5” Caster – 3234161
- 6” Leg – 3234791

- NOTE: If hole pattern on the caster/leg matches the one above mount it in inner set of holes.
- 2” Caster – 3234148
Loosen Freezer Compressor Bolts
- Semi-hermetic models should be loosened before operating. Loosen (but do not remove) the bolts on the compressor.
- If not done the freezer may vibrate excessively when the compressor is running,
Operation
DANGER
- Do not operate any appliance with a damaged cord or plug. All repairs must be performed by a qualified service company.
- Never stand on the unit! They are not designed to hold the weight of an adult and may collapse or tip if misused in this manner.
Warning
- Do not contact moving parts.
Warning
- All covers and access panels must be in place and properly secured, before operating this equipment.
- Overloading shelves can damage equipment or cause bodily injury.
- Overloading shelves can damage equipment or cause bodily injury.
- Do not block the supply and return air grills or the air space around the air grills. Keep plastic wrappings, paper, labels, etc. from being airborne and lodging in the grills. Failure to keep the air grills clear will result in the unsatisfactory operation of the system.
- Do not block the supply and return air grills or the air space around the air grills. Keep plastic wrappings, paper, labels, etc. from being airborne and lodging in the grills. Failure to keep the air grills clear will result in the unsatisfactory operation of the system.
- Do not throw items into the storage area. Failure to heed this recommendation could result in damage to the interior of the cabinet or to the blower coil.
Electronic Temperature Control Location & Adjustment
Location
- The Carel temperature control is mounted in a junction box on the back of the unit that includes the thermistors and power cord.
Start-up
- At initial start-up or anytime power is disconnected and then reconnected to the unit, the control will start the unit in defrost.
Defrost
- Defrost can be terminated and initiated by pressing
the snowflake button. Display freezes the last cabinet tempurature recorded until defrost is completed and the cabinet reaches set point again. - The unit can be turned on and off by pressing the on/off button on the control.
Set Point Adjustment
- To adjust the set-point temperature, press and hold the set button until the current set point appears and is blinking on the screen. Press the down or up arrows to adjust to the desired temperature. Press the set button again to save the temperature.
Factory set point:
- 407p Freezer -1.5°F
- 406p/4048 Cooler 33°F
Error Codes
- LED Flashes: This means there is a function that is being delayed by a timer/external signal or disabled by another process that is already going on. For example, the compressor icon will flash if the cabinet temperature is above the cut-in temperature, but the control hasn’t met the minimum compressor off-time.
- E0: Air probe error
- E1: Coil probe error
- LO: Low-temperature alarm (-20°F for 90 minutes)
- HI: High-temperature alarm (+20°F for 90 minutes)
- Ef: Unit operating on parameter error
- Ed: Defrost ended on timeout rather than by temperature
Controls/Programming/Settings
R290 REFRIGERATORS
- The control will initiate a defrost at start up. This defrost will continue up to 41°F or a minimum runtime of 1 minute/ maximum runtime of 75 minutes. The evaporator fans will run continually during the operation of the unit. There will be no drip time after the defrost. The compressor powers on immediately after reaching defrost termination temp.
- When the control calls for cooling, a minimum compressor on time is 2 minutes. Condensing unit/evaporator fans power on and the normal cooling cycle continues.
- Defrost will initiate after 6 hours of actual time (note: this is not running time). Display freezes the last cabinet temp recorded until defrost is completed and the cabinet reaches set point again.
FREEZERS
- Plug the unit in to begin operation. At initial start-up or anytime power is disconnected, then reconnected to the unit, the control will start the unit in defrost.
- The unit can be turned on and off by pressing the on/off button on control. The unit will begin in a defrost cycle if it is turned on at the control.
- After initializing, the control will immediately enter a DEFROST mode. The compressor and condenser fan as well as the evaporator fan will remain off until initial defrost
is complete. This initial defrost cycle may take up to 15 minutes to complete, then the freezing cycle will begin. - After initializing and the defrost cycle, the electronic temperature control will cycle the compressor, evaporator fan motor, and condenser fan motor to maintain box temperature at the control setting.
- With the doors closed, the temperature of the cabinet should reach 0°F (-18°C) on freezers in about one hour after the freezing cycle begins. The electronic temperature control constantly monitors box temperature as well as evaporator coil temperature to maintain consistent product temperatures. As an added energy-saving feature, the electronic controller will switch the evaporator fan motor on and off with the compressor and condenser fan motor.
- During normal operation the evaporator fan may cycle and/or pulse independently of the compressor. Consult the service manual or contact Technical Support at
1-844-724-CARE if you are unsure of the proper function.
Electronic Temperature Control Location & Adjustment
- The control is located in the control box at the rear of the unit. It is factory set at mid-range to maintain about -3°F (-18°C) box temperature. To adjust for colder temperatures, press and hold the set button until the current set point appears and is blinking on the screen. Press the down arrow to adjust to the desired temperature.
- Press the set button to save the temperature.
- To adjust for warmer temperatures, press and hold the set button until the current set point appears and is blinking on the screen. Press the up arrow to adjust to the desired temperature. Press the set button to save the temperature
Freezer Automatic Defrost
- The control is set to defrost every 5 hours. The maximum defrost duration is 35 minutes.
Freezer Manual Defrost
- If a manual defrost is desired, simply unplug the unit for several seconds, then plug unit back in. This will cause the control to re-initialize and then enter a defrost cycle.
- The unit can also be put into a manual defrost by pressing and holding the snowflake button on the control.
- When the control enters the defrost mode, whether manual or automatic, it switches on the compressor and condenser fan motor, and energizes the hot gas solenoid to warm the evaporator coil and melt all frost accumulated during the previous refrigeration cycle. The control will continue the defrost cycle for a MAXIMUM of 35 minutes depending on the amount of frost accumulated on the evaporator coil.
- After the defrost cycle is complete, the control returns to a normal refrigeration cycle, however, the evaporator fan motor will not switch on for two minutes AFTER
the compressor and condenser fan motor has begun operating.
EVAPORATOR FAN OPERATION
| Cooling Cycle | Defrost Cycle | ||
| Compressor On | Compressor Off | Compressor Off Refrig. / On Freezer | |
| Evap Fan | Evap Fan | Evap Fan | |
| R290 Refrigerators | On | On | On |
| R290 Freezer | On | Off | Off |
Maintenance
DANGER
- It is the responsibility of the equipment owner to perform a Personal Protective Equipment Hazard Assessment to ensure adequate protection during maintenance procedures.
- Failure to disconnect the power at the main power supply disconnect could result in serious injury or death. The power switch DOES NOT disconnect all incoming power.
- Disconnect electric power at the main power disconnect for all equipment being serviced. Observe correct polarity of incoming line voltage. Incorrect polarity can lead to erratic operation.
Warning
- Never use sharp objects or tools to remove ice or frost. Do not use mechanical devices or other means to accelerate the defrosting process.
- When using cleaning fluids or chemicals, rubber gloves and eye protection (and/or face shield) must be worn.
- When cleaning interior and exterior of unit, care should be taken to avoid the front power switch and the rear power cord. Keep water and/or cleaning solutions away from these parts.
- Never use a high-pressure water jet for cleaning or hose down or flood interior or exterior of units with water. Do not use power cleaning equipment, steel wool, scrapers or wire brushes on stainless steel or painted surfaces.
- Maintenance and servicing work other than cleaning as described in this manual must be done by an authorized service personnel.
- Over shelves and other items mounted to the top of the counters should never be installed in the field due to the potential damage to the refrigeration system.
Responsibility
- You are responsible for maintaining the equipment in accordance with the instructions in this manual. Maintenance procedures are not covered by the warranty.
| Maintenance | Daily | Weekly | Monthly | After Prolonged Shutdown | At Start-Up |
| Interior | X | X | X | ||
| Gasket | X | X | X | X | |
| Exterior | X | X | X | ||
| Drain | X | X | X | ||
| Condenser Coil | X | X | X | ||
| Casters | X | X | X |
Interior Cleaning
- The interior can be cleaned using soap and warm water. If this isn’t sufficient, try ammonia and water or a nonabrasive liquid cleaner.
PREVENTING BLOWER COIL CORROSION
- To help prevent corrosion of the blower coil, store all acidic items, such as pickles and tomatoes, in seal-able containers. Immediately wipe up all spills.
Exterior Cleaning
Caution
- Never use an acid based cleaning solution on exterior panels! Many food products have an acidic content, which can deteriorate the finish. Be sure to clean the stainless steel surfaces of ALL food products.
- Clean the area around the unit as often as necessary to maintain cleanliness and efficient operation.
- Wipe gasket and surfaces with a damp cloth rinsed in water to remove dust and dirt from the outside of the unit. Always rub with the “grain” of the stainless steel to avoid marring the finish. If a greasy residue persists, use a damp cloth rinsed in a mild dish soap and water solution. Wipe dry with a clean, soft cloth.
- Never use steel wool or abrasive pads for cleaning. Never use chlorinated, citrus based or abrasive cleaners.
- Stainless steel exterior panels have a clear coating that
is stain resistant and easy to clean. Products containing abrasives will damage the coating and scratch the panels. Daily cleaning may be followed by an application of stainless steel cleaner which will eliminate water spotting and fingerprints. Early signs of stainless steel breakdown are small pits and cracks. If this has begun, clean thoroughly and start to apply stainless steel cleaners in attempt to restore the steel. - Wipe casters with a damp cloth monthly to prevent corrosion.
DRAIN
- Each unit has a drain located inside the unit that removes the condensation from the evaporator coil and routes it to an external condensate evaporator pan. Each drain can become loose or disconnected during normal use. If you notice water accumulation on the inside of the unit, be sure the drain tube is connected to the evaporator drain pan.
- If water is collecting underneath the unit, make sure the end of the drain tube is in the condensate evaporator. The leveling of the unit is important as the units are designed to drain properly when level. Be sure all drain lines are free of obstructions.
Cleaning the Condenser Coil
- In order to maintain proper refrigeration performance, the condenser fins must be cleaned of dust, dirt and grease regularly. It is recommended that this be done monthly.
- If conditions are such that the condenser is totally blocked in a month, the frequency of cleaning should be increased. Clean the condenser with a vacuum cleaner or stiff brush. If extremely dirty, a commercially available condenser cleaner may be required.
- Failure to maintain a clean condenser coil can initially cause high temperatures and excessive run times. Continuous operation with a dirty or clogged condenser coil can result in compressor failure. Neglecting the condenser coil cleaning procedures will void any warranties associated with the compressor and cost to replace the compressor.
Doors/Hinges
- Over time and with heavy-use doors, the hinges may become loose. If this happens, tighten the screws that mount the hinge brackets to the frame of the unit. Loose or sagging doors can cause the hinges to pull out of the frame, which may damage both the doors and the hinges. In some cases this may require qualified service agents or maintenance personnel to perform repairs.
Door Adjustment
- If the door needs lowering at the handle, use a 5/16” (8mm) wrench to loosen the hinge screws and install a spacer outside of the hinge. Tighten the screws.

- If the door needs to be higher at the handle, use a 5/16” (8mm) wrench to loosen the hinge screws and install a spacer inside of the hinge. Tighten the screws.

Troubleshooting
Problem -> Cause -> Correction Chart
| Problem | Cause | Correction |
| Cabinet not running | Fuse blown or circuit breaker tripped. | Replace fuse or reset circuit breaker. |
| Power cord unplugged. | Plug in power cord. | |
| Thermostat set too high. | Set thermostat to lower temperature. | |
| Main power switch turned off. | Turn main power switch on. | |
| Cabinet in defrost cycle. (Freezer models) | Wait for defrost cycle to finish. | |
| Condensing unit runs for long periods or continuously | Excessive amount of warm product placed in cabinet. | Allow adequate time for product to cool down. |
| Prolonged door openings or door(s) ajar. | Make sure door(s) are closed when not in use. Avoid prolonged door openings. | |
| Door gasket(s) not sealing properly. | Check gasket condition. Adjust door or replace gasket if necessary. | |
| Dirty condenser coil. | Clean the condenser coil. | |
| Evaporator coil iced over. | Turn unit off and allow coil to defrost. Make sure thermostat is not set too cold. Also, check gasket condition. | |
| Cabinet temperature is too high | Thermostat set too high. | Set thermostat to lower temperature. |
| Poor air circulation in cabinet. | Re-arrange product to allow proper air circulation. | |
| Exterior thermometer is out of calibration. | Re-calibrate thermometer. | |
| Excessive amount of warm product placed in cabinet. | Allow adequate time for product to cool down. | |
| Prolonged door openings or door(s) ajar. | Make sure door(s) are closed when not in use. Avoid prolonged door openings. | |
| Dirty condenser coil. | Clean the condenser coil. | |
| Evaporator coil iced over. | Turn unit off and allow coil to defrost. Make sure thermostat is not set too cold. Also, check gasket condition. | |
| Cabinet is noisy | Loose part(s). | Locate and tighten loose part(s). |
| Refrigerator is freezing product | Thermostat is set too low. | Set thermostat to higher temperature. |
| Dirty condenser coil. | Clean the condenser coil. | |
| Not enough cabinet clearance for proper refrigeration system operation. | Move cabinet or make other adjustments to gain proper cabinet clearances. | |
| Compressor will not start | Low voltage to cabinet. | Check and correct incoming voltage to cabinet. |
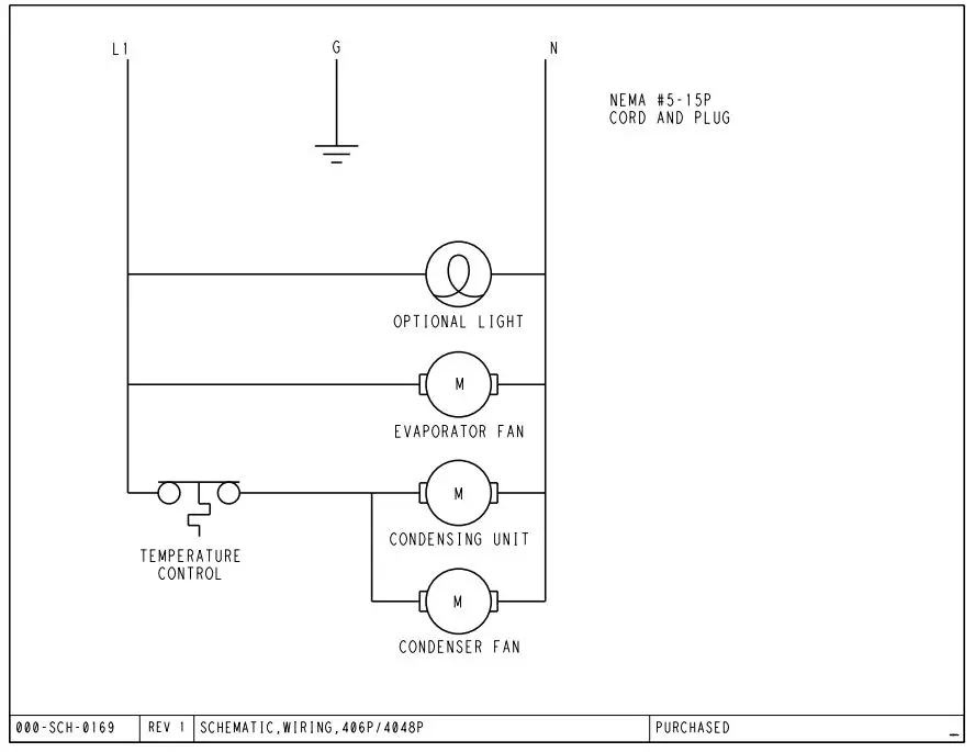
406P and 4048P Wiring Diagram
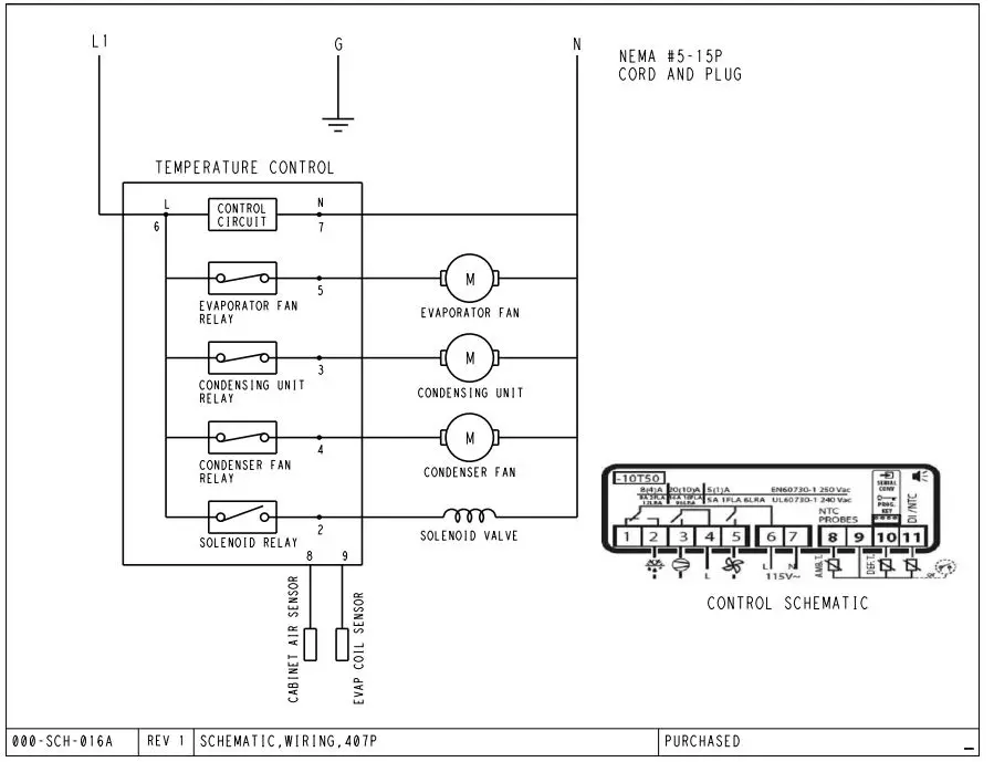
407P Wiring Diagram
- DELFIELD
- 980 SOUTH ISABELLA ROAD, MOUNT PLEASANT, MI 48858
- 800-733-8821 WWW.DELFIELD.COM
- Wellilt offers fully-integrated kitchen systems and our products are backed by KitchenCare® aftermarket parts and services.
- Welbilt’s portfolio of award-winning brands includes Cleveland™, Convotherm®, Crem®, Delfield®, fitkitchen®, Frymaster®,
- Garland®, Kolpak®, Lincoln®, Manitowoc®, Merco®, Merrychef® and Multiplex®.
- Bringing innovation to the table
- welbilt.com
- ©2019 Welbilt Inc. except where explicitly stated otherwise. All rights reserved. Part Number 9294045C 03/22






















