MICRO SWITCH EX Series Explosion-proof Limit Switches
Series
Explosion-proof Limit Switches
![]()
![]()
![]()
2813
⚠️WARNING PERSONAL INJURY DO NOT USE these products as safety or emergency stop devices or in any other application where failure of the product could result in personal injury. Failure to comply with these instructions could result in death or serious injury. |
⚠️WARNING IMPROPER CONDUIT THREAD USE DO NOT USE any other conduit thread than the one identified on the product. Verify that the mating threaded fitting is identical with the conduit thread shown on the product nameplate. Failure to comply with these instructions could result in death or serious injury. |
GENERAL INFORMATION
The flame paths of Honeywell’s MICRO SWITCH EX explosion proof switches cool exploding gases below the ignition temperature before they reach explosive gases surrounding the housing. The enclosed basic switch is accessible when the cover is removed. EX series products are NEMA 1 rated and therefore are not recommended for use in areas when they will be subjected to liquid splash.
EX series products are listed by Underwriters’ Laboratories and CSA for use in hazardous locations NEMA 7, Class I, Groups C & D, and NEMA 9, Class II, Group E, F, and G. This includes vapors
of ethyl ether, gasoline, petroleum, alcohol, acetone, lacquer solvent, natural gas, and atmospheres charged with grain dust, metal dust, carbon black, coal, or coke dust. Select EX listings are also listed for Class I, Group B (hydrogen) atmospheres.
Issue 11 50009662
⚠️DANGER EMISSION OF HOT PARTICLES Joint surfaces must be thoroughly cleaned before closing. Failure to comply with these instructions could result in death or serious injury. |
IMPORTANT: All EX series products comply with UL Standard: UL 894 and UL 1203, CSA Standard: C22.2 no. 25-1966, C22.2 no. 30-M1986. EX series products also meet NEMA 1 enclosure requirements.
Select EX Series products also meet the European Hazardous Locations Designation: Exd IIB + H2 T6 Gb category II 2 G, KEMA 04ATEX2312X and complies with the European Directive on Equipment and Protective Systems Intended for Use in Potentially Explosive Atmospheres (2014/34/EU) commonly referred to as the ATEX Directive. Compliance with the Essential Health and Safety Requirements has been assured by compliance with EN60079-0:2009 and EN60079-1:2007. EX series products have an ATEX temperature range of –40 °C to 70 °C [–40 °F to 158 °F], and when used within the maximum voltage and current specified on the product will have no heating problems.
EX AND EXHT Series products also meet the Brazilian hazardous locations designation:
Ex d IIB+H2 T6 Gb
-40 °C < Tamb +70 °C
Ex d IIB+H2 T2 Gb
-40 °C < Tamb +204 °C
and comply with INMETRO requirements.
Compliance with Essential Health and Safety Requirements has been assured by compliance with
ABNT NBR IEC 60079-0:2008
ABNT NBR IEC 60079-1:2009
ABNT NBR IEC 60529:2011
Please refer to certificate number TÜV 14.0554 X for conditions of safe use.
The EXHT Series products have an ATEX temperature range of -40 °C to 204 °C [-40 °F to 400 °F] and meet the European Hazard Locations Designation: Exd IIB + H2 T2 Gb category II 2 G. Select EX and EXHT Series products also meet the IEC Scheme for Explosive Atmospheres IEC Ex Certification (IEC Ex
MICRO SWITCH EX Series ISSUE 11 50009662 MICRO SWITCH EX Series ISSUE 11 50009662
KEM 08.0027X) for Ex d IIB + H2 T6 or T2 Gb environments and are compliant with IEC 60079-0:2007 and IEC 60079-1:2007.
NOTICE ATEX INSTALLATION INSTRUCTIONS Cable connection The cable entry device shall be certified in type of protection flameproof enclosure “d”, suitable for the conditions of use and correctly installed. For ambient temperatures above 60 °C [140 °F], cables and cable glands suitable for a temperature of at least 80 °C [176 °F] are required. Conduit connection A certified sealing device in type of protection flameproof enclosure “d”, such as a conduit seal with setting compound shall be provided immediately to the entrance of the enclosure. For ambient temperatures over 60 °C [140 °F], suitable heat resistant wiring and setting compound in conduit seal shall be used. Blanking elements of unused apertures shall be certified in type of protection flameproof enclosure “d”, suitable for the conditions of use and correctly installed |
INSTALLING THE SWITCH
A mounting bracket (15PA85-EX) is furnished at no extra cost with most EX switches. This permits all rotary operated switches to be mounted from top, bottom, back or right end. Plunger switches may be mounted on back, bottom or right end with this standard bracket. For top mounting of plunger switches, bracket 15PA86-EX must be purchased separately. The double conduit switch also has an auxiliary bracket (included) which permits two-hole mounting from top, back or bottom. Direct mounting is by means of two 10-32 NF tapped holes on the top, back or bottom. Any mounting bracket that does not interfere with the explosion-proof protection of the enclosure can be used on these products.
15PA85-EX
Fasten bracket to switch with screws furnished. Bracket may be secured to mounting surface with 0.250 inch machine screws.
15PA86-EX
Fasten bracket to top of switch with screws furnished. Bracket
may be secured to mounting surface with 0.250 inch machine screws.

Note: Catalog listing EX-AR20 can be mounted using Honeywell system sensor bracket OSYEXP or PIBVEXP without interfering with the explosion-proof protection of the enclosure.
ELECTRICAL RATINGS
Electrical ratings of EX switches depend on the type of basic switch enclosed in the housing. Ratings are shown on page 4 along with letter keys (A, B, C, D, E, F, G) shown in table of listings on page 4.
WIRING INSTRUCTION
Use up to size #14 AWG solid or stranded wires to connect to the pressure-type connector terminals. Use green wires for ground leads, red wires for NC leads, blue wires for NO leads, and black for common leads.
NOTICE FOR ATEX APPLICATIONS As ambient temperature approaches 60 °C [140 °F], cable entry can be 70 °C [158 °F] or higher and cable branching can be 80 °C [176 °F] or higher, making it important to select cable that meets these requirements. |
ADJUSTING THE ROLLER ARMS
The roller lever assembly is adjustable through 360° at any of 1,980 positive lock positions at intervals of approximately 0.2°.
To adjust the roller lever to the desired position, hold the hexagon washer with a wrench and loosen lock nut sufficiently to disengage the serrations. Hold shaft in position by means of the hexagon washer so that no torque will be applied to the internal parts of the unit when the lock nut is tightened or loosened. Failure to do so may result in damage to the enclosed switching mechanism.
Moving lever one serration forward or backward with respect to serrations on fluted washer changes the position of the lever approximately 8.2° (see sketch at end of section).
Moving lever and fluted washer, as a unit, one serration forward or backward with respect to serrations on the hexagon washer changes position of the lever 8°. Moving the lever one serration in one direction, and the lever and fluted washer, as a unit, one serration in the other direction, changes position of the arm approximately 0.2°.
After positioning lever arm, tighten lock nut sufficiently to prevent slippage of arm, but avoid over tightening.
NOTICE Excessive tightening will also deform the hexagon serrated washer and cause lever assembly to bind. |
NOTICE For conduit sizes available, refer to installation drawing EX SERIES, CHART 1. |
NOTICE Each conduit opening is labeled separately on the product to confirm proper thread style. Use a proper mating threaded fitting that is identical with the conduit thread shown on the conduit label. |
NOTICE Switches with more than one conduit opening must have any unused conduit openings plugged with the pipe fittings enclosed with the product. Fittings must be installed flat to 2 mm [0.08 in] max. overflush with the switch housing. |
NOTICE Refer to product nameplate for date code. DATE CODE is YYXX. YY is the last two digits of the year of manufacture, and XX is the week of manufacture of the product. |
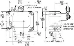
MOUNTING DIMENSIONS
Roller Arm – Single Conduit

Roller Arm – Double Conduit

NOTE: The yield stress of bolts to fasten the enclosure together is according to drawing, EX SERIES CHART 1.


Straight Plunger One-way Roller Arm Low Force Rod

STRAIGHT PLUNGER ACTUATION Do not actuate by cams or slides or by any other device which will impart side thrust to the plunger. Use straight “push” action in the direction of the plunger motion. Do not oil this plunger mechanism. Sufficient grease of the proper type is assembled in the plunger during manufacture to last the lifetime of the switch. Additional grease, oil, water or fine abrasive may cause jamming or electrical failure.

2 sps.honeywell.com/ast Advanced Sensing Technologies 3
MICRO SWITCH EX Series ISSUE 11 50009662 MICRO SWITCH EX Series ISSUE 11 50009662
REPLACING BASIC SWITCH
1. Observe this notice:
NOTICE Disconnect power supply circuit before opening switch. |
2. Remove cover of housing, disconnect the lead-in wires, loosen screws holding the basic switch, then remove the basic switch.
3. Place replacement switch in the insulator, insert the screws, and place basic switch in the housing.
4. Tighten the screws and connect the lead-in wires.
5. Be sure small compression spring is returned to its position between the top of the basic switch and the internal lever (or above internal lever in the case of the CCW actuated switches).
ELECTRICAL RATINGS
A UL and CSA listed: L96
15 amps, 125, 250 or 480 Vac;
1/8 Hp, 125 Vac; 1/4 Hp, 250 Vac;
1/2 amp, 125 Vdc; 1/4 amp,
250 Vdc
B UL and CSA listed: L23
20 amps, 125, 250 or 480 Vac;
10 amps, 125 Vac “L”; 1 Hp,
125 VAC, 2 Hp, 250 VAC; 1/2 amp,
125 VDC; 1/4 amp, 250 Vdc
C UL and CSA listed: L59
10 amps, 125 or 250 VAC; 0.3 amp,
125 Vdc; 0.15 amp, 250 Vdc
D UL and CSA listed: L9
10 amps, 125, 250 or 480 Vac;
1/2 amp, 125 Vdc; 1/4 amp,
250 Vdc
E UL listed: L22
1 amp, 125 Vac
F UL and CSA listed: L110
3 amps, 125 or 250 VAC
1/10 HP, 125 Vac; 1/16 HP, 250 Vac
G UL and CSA listed: L35
5 amps, 125, 250 or 480 Vac;
1/2 amp, 125 Vdc; 1/4 amp 250 Vdc
ATEX TEMPERATURE RATINGS
-40 °C to 204 °C [-40 °F to 400 °F] |
-40 °C to 70 °C [-40 ° F to 158 °F] |
T2 EXHT Series T6 EX Series

A ground screw is provided for convenient grounding.





















