
110cm Tower Fan with Water Tank and Wi-Fi Connectivity
Instruction Manual
Model no.: HTFE35WF

Please read and store these instructions in a safe place for future reference.
Models and Specifications
Model No.: HTFE35WF
Rated voltage: 220-250V~
Rated frequency: 50Hz
Input Power: 35W

| A: REAR-TOP COVER B: TOP SHELL C: REAR SHELL D: FRONT SHELL E: REAR BASE F: FRONT BASE G: FRONT TOP COVER H: CONTROL COVER I: FRONT NET HANDLE J: HANDLE | K: REMOTE CONTROL SLOT L: FRONT NET M: REAR NET N: WATER BOX COVER O: WATER BOX HANDLE P: PERFUME BOX Q: DECORATIVE COVER R: WATER LEVEL WINDOW S: PLUG T: POWER SUPPLY CORD |
Assembly
- Spin 3 screws (Picture 1) out from the turnplate.
- Align with the rear base and turnplate screw, then spin into 2 screws. (Picture 2)
- Align with the front base and turnplate screw, then spin into 1 screw. (Picture 3)
- Press the power cord into the line deduction. (Picture 4)

Operation
| Manual Interface
| App Interface
|
- Turning your device on and off
A. Pressing the ON button will turn the indicator light on, preparing your device for use
B. Pressing the same OFF button will turn the indicator off, showing your device is now off.
C. Holding the ON/OFF button for 3-5 seconds will cause the appliance to begin its pairing process.
App Operation
A. Press the
button to turn the unit On or Off. - Oscillation Left/Right
A. Press the SWING button once to begin oscillation, the Left/Right Oscillation indicator will turn on.
B. Hold down the SWING button to turn off oscillation, stopping the device and turning the indicator off.
App Operation
A. Press the
button to begin oscillation. Pressing the button again will stop the oscillation in its immediate position. - Timer
Pressing the TIMER button will allow you to set the timer between 1-8 hours. While the timer is on, the according light will be illuminated.
App Operation
A. Press the
button to open the settings. Then choose the ‘Cancel’ tab to set the timer to your desired length.
- Speed
This appliance features three wind levels; Low, Medium, High. Pressing the SPEED button will allow you to choose between these three options. The according indicator will present your current speed level.
App Operation
A. You can adjust the speed of the appliance by moving the slider present on the app as indicated.
- Cool Function (Cold Air)
A. Press the COOL button once to begin producing cold air, ensuring that the water tank is filled moderately.
B. Pressing the COOL button twice will stop this function.
App Operation
A. Press the
button. Check the ‘Coolbox green to start the cooling function. Tick this option off to stop the Cool function.
- Natural and Sleep Modes
By repeatedly pressing the MODE button, you may choose between Natural Wind Mode, Sleep Mode, and Normal Mode. The according to mode will be indicated on the control board as it illuminates.
App Operation
A. Press the
button to select between Natural and Sleep mode. - Automatic On/Off Schedule (App Exclusive)
Press the
button to add a schedule. Choose the time you would like the appliance to automatically turn On and Off. Shown below.
- Filling the Water Tank
A. Pull out the drawer located on the backside of the unit (Image 1). Or open the top cover of the unit (Image 2).
B. Using a pitcher or container. fill until the indicated MAX line. Be sure to fill the tank halfway above the MIN line to ensure the water pump functions properly.
Connecting your device through Wi-Fi
A. Download the GAF SmartLife App by scanning the QR code. You may also download the application by searching GAF SmartLife in the Apple App Store or Google Play Store.
![]() | ![]() |
B. After successfully downloading the application, sign up to GAF SmartLife by selecting Sign Up and register using either your email or phone number
C. You will then receive a verification code according to how you have registered. After entering the verification code, sign in.
D. Ensure that the appliance is in pairing mode, to do so, hold the power button for 3-5 seconds until the unit makes a noise. Ensure that the indicator is also blinking as this will indicate it is now in pairing mode.
E. Referring to Image 1, press the “ + “ to add your appliance.
F. On the next screen, choose your appliance from the range of Heating and Cooling appliances. In this specific case, the appliance will be Cooling. Refer to Image 2.
G. When prompted, enter your Wi-Fi password. If you are not already connected to any Wi-Fi networks, you will also be prompted to enter the name of the network. Refer to Image 3.
H. After your device and appliance have been paired, follow the on-screen instructions to complete your setup. Refer to Image 4.


Safety Precautions
This appliance can be used by children that are 8 years old and above. Persons with reduced physical, sensory and mental capacities or those with a lack of experience and knowledge may use the appliance if they are given proper supervision or instructions concerning the use of the appliance in a safe way and also understands the hazards involved in operating this appliance.
Children should not play with the appliance. Cleaning and user maintenance must only be undertaken by children above the age of 8 and given proper supervision.
- Keep the appliance and its cord out of reach of children that are less than 8 years old.
- Never insert any part of your body, pencils, or any other object through the holes of the plastic shell.
- To prevent the risk of fire and electric shock, do not use the appliance near the windows.
- The power plug must be removed from the power socket before cleaning, servicing, maintenance, and when moving the appliance.
- The fan should be placed on a flat and stable surface when operating to prevent overturning.
- Do not place the appliance in a wet place, e.g. bathrooms, etc.
- Do not use the appliance in a cooking location in order to avoid grease and unwanted stains on the plastic components of the appliance.
- If the power cord is damaged, it must be replaced by the manufacturer or a service agent and similarly qualified persons in order to avoid hazards.
- This appliance is not compatible with 5GHz Wi-Fi, and will only connect to devices on 2.4GHz Wi-Fi.
WARNING: To reduce the risk of fire and electric shock, do not use this fan with any solid-state speed control device. Ensure that the appliance has been unplugged from the power outlet before performing any maintenance or cleaning.
To clean the appliance:
- Ensure that you have disconnected the cord from the power supply before cleaning, and move the machine to a location where water can be drained promptly.
- Please wipe the body of the appliance with a soft dry cloth when cleaning.
- Do not apply wax or polish as these may react with the product and cause discoloration.
Maintenance
To access the filter, loosen the screw as seen in Image 2. Then, remove the front grille by pressing the tab positioned above the grille (Image 3). Using the finger tab on the top of the filter, pull the filter towards you and remove the grille (Image 4).

CAUTION: Weekly cleaning of your tower fan and filter to keep it in the best working condition is highly recommended. Replace your filter every 3-6 months.
Important: If you see mold on the filter or notice a musty smell, stop the operation of the device and clean the filter before any future use. Soak the filter with equal parts of water and white vinegar, allowing it to sit for 45-60 minutes. Rinse with warm water, wring out and let dry.
Unit Cleaning
When the fan is not in use, it should be cleaned and stored in a safe place.
To prepare for cleaning, operate the unit until there is no longer any water in the water tank. Alternatively, you can hold the appliance over a sink and carefully drain the water out to avoid splashing or spilling.
If you notice the water tank is dirty, use a small, bendable brush (i.e. toothbrush, bottle brush, etc.) and carefully clean the inside of the tank until clean. Rinse clean with warm water afterward.
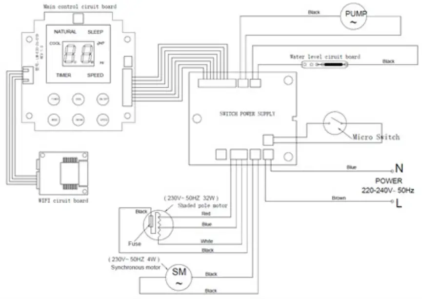
Circuit Diagram

Disposal and Recycling
This sign means that the appliance should not be disposed of alongside normal household waste. As there are separate collections facilities for Waste Electrical and Electronic Equipment, disposed of this appliance accordingly.
Please contact your retailer, distributor, or local council for further details on the handling and disposal of electronic goods.
Owing to the constant development of our products on grounds of both functionality and design, we reserve the right to change the product without preceding notice.


button to turn the unit On or Off.
button to begin oscillation. Pressing the button again will stop the oscillation in its immediate position.
button to open the settings. Then choose the ‘Cancel’ tab to set the timer to your desired length.

button to select between Natural and Sleep mode.
button to add a schedule. Choose the time you would like the appliance to automatically turn On and Off. Shown below.




















