Parrot Uncle F6296110V 52 Inch Indoor Chandelier Ceiling Fan

WARNING: SHUT POWER OFF AT FUSE OR CIRCUIT BREAKER
SAFETY TIP
- To avoid possible electric shock, turn off the electricity at the main fuse box or circuit panel before you begin the fan installation or before servicing the fan or installing accessories.
- Read all instructions and safety information carefully before installing your fan and save these instructions.
- Make sure all electrical connections comply with local codes or ordinances and the National Electrical Code. If you are unfamiliar with electric wiring, please use a qualified and licensed electrician.
- Make sure you have a location selected for your fan that allow clear space for the blades to rotate, and at least seven (7) feet of clearance between the floor and the fan blade tips. The fan should be mounted at least thirty (30) inches from walls or other upright structures.
- WARNING: The outlet box and ceiling support joist used must be securely mounted, and capable of supporting at least 100 pounds. To reduce the risk of fire, electric shock or personal injury, mount to the outlet box marked acceptable for fan supported and use mounting screws provided with the outlet box. The box must be supported directly by the building structure.
- WARNING: To reduce the risk of fire, electric shock or personal injury, mount to outlet box marked “acceptable for fan support” and use mounting
screws provided with the outlet box most outlet boxes commonly used for the support of lighting fixtures are not acceptable for fan support and may need to be replaced. Consult a qualified electrician if in doubt. - Electrical diagrams are for reference only. Light kits that are not packed with the fan must UL listed and marked suitable for use with the model fan you are installing. Switches must be UL. general use switches. Refer to the instructions packaged with the light kits and switches for proper assembly.
- After installation is complete, check that all connections are absolutely secure.
- After making electrical connections, spliced conductors should be turned upward and pushed carefully up into outlet box. The wires should be spread apart with the grounded conductor and the equipment-grounding conductor on one side of the outlet box.
- WARNING: To reduce the risk of electrical shock and fire, do not use this fan with any solid-state fan speed control device, or rheostat.
- Do not separate the reverse switch until the fan has come to a complete stop.
- Do not insert anything into the fan blades while they are rotating.
- WARNING: To reduce the risk of personal injury, do not bend the blade brackets (also referred to as “flanges”) during assembly or after installation. Do not insert objects in the path of the blades.
- To avoid personal injury or damage to the fan and other items, be cautious when working around or cleaning the fan.
- Do not use water or detergent when cleaning the fan or fan blades. A dry dust cloth or lightly dampened cloth will be suitable for most cleaning.
NOTE: The important safety precautions and instructions appearing in the manual are not meant to cover all possible conditions and situations that may occur. It must be understood that common sense and caution are necessary factors in the installation and operation of this fan.
NOTE: This product is not intended for use by persons (including children) with reduced physical, sensory or mental capabilities are different or are impaired, or lack of experience or knowledge, unless such persons are supervised or trained to operate the appliance by a person responsible for their safety.
NOTE: Children should be supervised to ensure that they do not use appliances as a toy.
Accessories Required
Pls check whether above accessories are completed or not? Yes,and install.

INSTALLATION





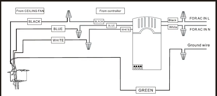
- The motor white wire to the white “TO MOTORN” wire from Recevier with a wire nut.
- The motor black wire to the black”to motor L” wire from Receiver with a wire nut.
- The lamp blue wire to the blue”to Light” wire from Receiver with a wire nut.
- The white wire from Outlet Box to the red”AC in N” wire from Receiver with a wire nut.
- The black wire from Outlet Box to the red”AC in L” wire from Receiver with a wire nut
Connect the supply ground wire to green ground wir om canopy and the green ground wire from the hanger bracket together using a wire nut.
Tuck all wire nuts and wires carefully up into the Outlet Box.EXCEPT antenna.which should remain outside Outlet Box





OPERATING YOUR FAN
Tum on the power and check the operation of the fan. The fan pull chain controls the fan speed as follows:
1 pull-High,2 pulls-Medium,3 pulls-Low,4 pulls-off
The appropriate speed settings for warm or cool weather depends on factors such as the room size. ceiling height, and number of fans.
The slide switch (XX) the direction of the blades: forward (switch down) or no verse (switch up).
NOTE; Wait for the fan to atop before reversing the direction of the blade rotation
- A. warm weather-(Forward) A Downward airflow creates a cooling effect. This allows you to set your air conditioner on a higher setting without affecting your comfort.
- B. Cool weather-(Reverse) An upward airflow moves warm air off the ceiling. This allows Reverse you to set heating unit on a lower setting without affecting your comfort.

AFTER INSTALLATION
WOBBLE”
The fan blades have been adjusted in the factory to minimize any wobble
NOTE:CEILING FANS TEND TO MOVE DURING OPERATION DUE TO THE FACT THAT THEY ARE MOUNTED ON A RUBBER CROMMET. IF THE FAN WAS MOUNTED RIGIDLY TO THE CEILING, IT WOULD CAUSE EXCESS VIBRATION. MOVEMENT OF A FEW CENTIMENTERS
IS QUITE ACCEPTABLE AND DOES NOT SUGGEST ANY PROBLEM
TO REDUCE THE FAN WOBBLE: PLEASE CHECK THAT ALL SCREWS WHICH SECURED THE MOUNTING
BRACKET AND DOWNROD ARE SECURE.
BALANCING A WOBBLING CEILING FAN:
For your convenience, a Balancing Kit is included; please follow this procedure when balancing the fan:
- Check that all blade and blade arm screws are secure.
- Most fan wobbling problems are caused when blade levels are unequal. Check this level by selecting a point on the ceiling above the tip of one of the
blades. Measure this distance.Rotate the fan until the next blade is positioned for measurement. Repeat for each blade. The distance deviation should be equal within 1/8″(0.32cm). - Use the enclosed Blade Balancing Kit if the blade wobble is still noticeable.
- If the blade wobble is still noticeable, interchanging two adjacent (side by side) blades can redistribute the weight and possibly result in smoother operation. WARNING: TO REDUCE THE RISK OF PERSONAL INJURY, DO NOT BEND THE BLADE ARM WHILE INSTALLING, BALANCING THE BLADES, OR CLEANING THE FAN. DO NOT INSERT FOREIGN OBJECTS BETWEEN ROTATING FAN BLADES.
NOISE
When it is quiet(especially at night) you may hear occasional small noises. This is normal. Please allow a 24-hour “breaking-in” period, most noises associated with a new fan disappear during the time.
CARE AND CLEANING
- Periodic cleaning of your ceiling fan is the only maintenance required. Use a soft brush or lint free cloth to avoid scratching the paint finish. Please make sure to turn off electricity power before you clean your fan
- Do not use water when cleaning your ceiling fan. It could damage the motor or the blades and create the possibility of an electrical shock.
- Motor has permanently lubricated ball bearing. No need to oil
NOTE: MAKE SURE THE POWER IS OFF AT THE ELECTRICAL PANEL BOX BEFORE YOU ATTEMPT ANY CLEANING OR REPAIRS.



















