BG ELECTRICAL WPB12-01 Weatherproof IP55 13 Amp Sockets Fused Connection Unit

WIRING & OPERATING INSTRUCTIONS
IP55 WEATHERPROOF PRODUCTS
TECHNICAL HELPLINE:- 03300 249 279
SAFETY WARNING
Before use please read carefully and use in accordance with these safety wiring instructions. Before commencing any electrical work ensure the supply is switched off at the mains. Either by switching off the consumer unit or by removing the appropriate fuse.
Wiring should be in accordance with the latest edition of the IET regulations (BS 7671)
If in doubt consult a competent electrician.
Wire Identification – Twin & Earth Cable
Note – As from 1 st April 2004 new colour codes for hard wire installations was introduced.
- EARTH = Green/Yellow Sleeving
- NEUTRAL= BLACK (pre Apr 04) / BLUE (after Apr 04)
- LIVE = RED (pre Apr 04) / BROWN (after Apr 04)
To prevent fire hazard always use cable of the correct rating, size and type for the application.
INSTALLATION INSTRUCTIONS
Choose position of product and cable entries.
The cable entries should be made using a 20mm diameter cutter and the cable inserted via suitable glands or conduit.
For side top or rear entry the lowermost drain hole position must be drilled out using a 5mm drill. Only 1 drain hole position should be drilled.
For bottom entl)’ a drain hole must not be drilled in the rear box, but a drain hole should be drilled at the lower most point of the conduit run.
For rear entl)’ a channel around the cable entl)’ is provided to accept a bead of sealant (not supplied) for extra sealing protection.
To ensure the weatherproof rating is maintained, sealant (not supplied) should be used around the screw holes.
NOTE
The drilling out of a drain hole will reduce the IP rating of the product.
The rear box should be attached to a suitable flat surface using No.8 screws.

Before fitting front assembly check that the gasket seal is fitted correctly to the base.
Connect the wiring to the terminals of the accessory, please consult the appropriate wiring diagram below.
After wiring fit front assembly to the rear box using the screws supplied, DO NOT OVERTIGHTEN.
Switch power back on and check product is working and that cover closes correctly.
Switches can be operated without opening the cover; sockets require the cover to be opened (Sockets are not IP rated in use).
1 & 2 GANG 2 WAY SWITCH WIRING

1 GANG UNSWITCHED SOCKET WIRING

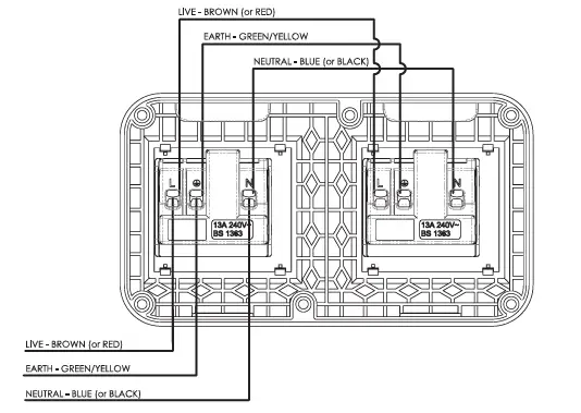
2 GANG UNSWITCHED SOCKET WIRING

2.Smm• cable should be used to link the 2 sockets (not supplied).
1 GANG SWITCHED SOCKET WIRING

2.Smm• cable should be used to link the switch to the socket (not supplied).
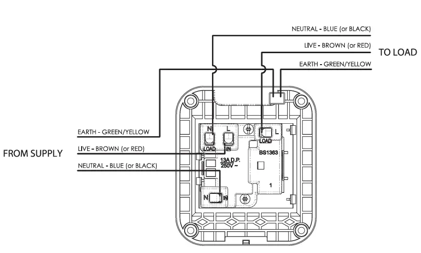
SWITCHED FUSED CONNECTION UNIT

BATCH CODE EXPLANATION
yyWxx: Manufacturing date code; year of manufacturing (yy) and week of manufacturing r,Nxx)
ENCLOSURES
Mounting point dimensions

ENVIRONMENTAL PROTECTION
This symbol is known as the “Crossed-out Wheelie Bin Symbol”. When this A symbol is marked on a product or battery. It means that it should not be
disposed of with your general household waste. Some chemicals contained – within electrical/electronic products or batteries can be harmful to health and the environment. Only dispose of electrical/electronic/battery items in separate collection schemes, which cater for the recovery and recycling of materials contained within. Your co-operation is vital to ensure the success of these schemes and for the protection of the environment.
ENCLOSURES
Mounting point dimensions





















