BARNES 2SEV-L Series 2 Inch Spherical Solids Handling Vortex, Single Seal

DESCRIPTION
SUBMERSIBLE NON-CLOG SEWAGE PUMP DESIGNED FOR TYPICAL RAW SEWAGE APPLICATIONS

| MODEL NO | PART NO | HP | VOLT/PH | Hz | RPM (Nom) | NEMA START CODE | INSUL. CLASS | FULL LOAD AMPS | LOCKED ROTOR AMPS | CORD SIZE | CORD TYPE | CORD O.D inch (mm) |
| 2SEV1522L | 104187 | 1.5 | 240/1 | 60 | 3450 | A | F | 13.5 | 31.5 | 12/3 | SOW | 0.610 (15.5) |
| 2SEV1592L | 104188 | 1.5 | 200/240/3 | 60 | 3450 | C | F | 10.4/9.8 | 27.0 | 14/4 | SOW | 0.600 (15.2) |
| 2SEV1542L | 104189 | 1.5 | 480/3 | 60 | 3450 | F | F | 5.2 | 13.5 | 14/4 | SOW | 0.600 (15.2) |
| 2SEV1552L | 105774 | 1.5 | 600/3 | 60 | 3450 | F | B | 3.8 | 11.0 | 14/4 | SOW | 0.600 (15.2) |
| 2SEV2022L | 104190 | 2.0 | 240/1 | 60 | 3450 | C | F | 15.6 | 42.0 | 12/3 | SOW | 0.610 (15.5) |
| 2SEV2092L | 104191 | 2.0 | 200/240/3 | 60 | 3450 | J | F | 10.8/10.0 | 30.0 | 14/4 | SOW | 0.600 (15.2) |
| 2SEV2042L | 104192 | 2.0 | 480/3 | 60 | 3450 | J | F | 5.5 | 15.0 | 14/4 | SOW | 0.600 (15.2) |
| 2SEV2052L | 105775 | 2.0 | 600/3 | 60 | 3450 | J | B | 4 | 12.0 | 14/4 | SOW | 0.600 (15.2) |
OPTIONAL – Temperature sensor cord for 3 phase models is 14/3 SOW, 0.530 (13.5mm) O.D.
IMPORTANT!
- PUMP MAY BE OPERATED “DRY” FOR EXTENDED PERIODS WITHOUT DAMAGE TO MOTOR AND/OR SEALS.
- INSTALLATIONS SUCH AS DECORATIVE FOUNTAINS OR WATER FEATURES PROVIDED FOR VISUAL ENJOYMENT MUST BE INSTALLED IN ACCORDANCE WITH THE NATIONAL ELECTRIC CODE ANSI/NFPA 70 AND/OR THE AUTHORITY HAVING JURISDICTION. THIS PUMP IS NOT INTENDED FOR USE IN SWIMMING POOLS, RECREATIONAL WATER PARKS, OR INSTALLATIONS IN WHICH HUMAN CONTACT WITH PUMPED MEDIA IS A COMMON OCCURRENCE.
SPECIFICATION
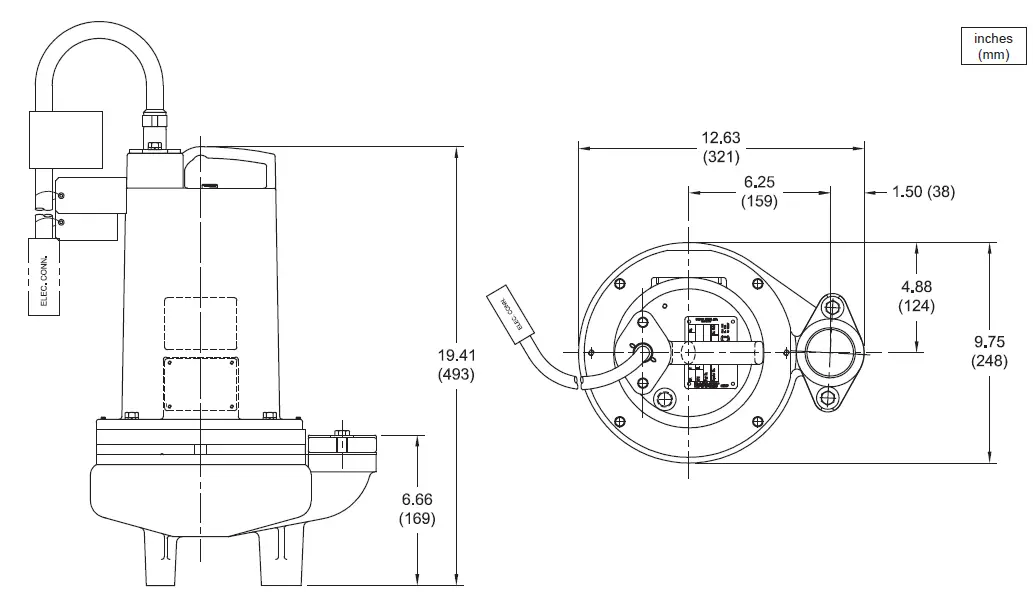
- DISCHARGE …………………………..2” NPT, Female, Vertical, Bolt-on Flange
- LIQUID TEMPERATURE…………..104°F (40°C) Continuous
- VOLUTE………………………………….Cast Iron ASTM A-48, Class 30
- MOTOR HOUSING…………………..Cast Iron ASTM A-48, Class 30
- SEAL PLATE ………………………….Cast Iron ASTM A-48, Class 30
- IMPELLER:
- Design …………………Vortex, open, with pump out vanes on back side. Dynamically balanced, ISO G6.3
- Material ……………….85-5-5-5 Cast Iron
- SHAFT …………………………………..416 Stainless Steel
- SQUARE RINGS………………………Buna-N
- HARDWARE……………………………300 Series Stainless Steel
- PAINT……………………………………..Air Dry Enamel
- SEAL:
- Design …………………Single Mechanical
- Material………………..Carbon/Ceramic/Buna-N
- CORD ENTRY………………………….20 ft. (6m) Cord. Quick connect custom molded for sealing and strain relief
- SPEED……………………………………..3450 RPM (Nominal)
- UPPER BEARING…………………….Single Row, Ball, Oil lubricated
- Load…………………….Radial
- LOWER BEARING……………………Single Row, Ball, Oil lubricated
- Load…………………….Radial & Thrust
- MOTOR:
- Design …………………NEMA L -Single Phase, NEMA B -Three phase Torque Curve, Oil Filled, Squirrel Cage Induction
- Insulation……………..Class B /Class F on selected models
- SINGLE PHASE……………………….Permanent Split Capacitor (PSC) Includes Overload Protection in Motor
- THREE PHASE………………………..200-240/480 is Tri-Voltage. 600V. Requires Overload Protection to be included in control panel
- OPTIONAL EQUIPMENT…………..Seal Material, Impeller Trims, Additional cord, Normally Closed Temperature Sensors with cord for 3 phase pumps (Requires relay in control panel).
- RECOMMENDED:
- Accessories…………..Break Away Fitting (BAF) Check Valve Control Panel
- Seal Kit PN ………….130181
- Service Kit PN……….130208
Performance Curve
1.5 & 2.0HP, 3450RPM, 60Hz

Testing is performed with water, specific gravity 1.0 @ 68º F @ (20ºC), other fluids may vary performance
- USA: (937) 778-8947
- Canada: (905) 457-6223
- International: (937) 615-3598
WARNING:
CANCER AND REPRODUCTIVE HARM – WWW.P65WARNINGS.CA.GOV


















