Dish Service HT-34 Dual Sanitizer Dishwashing Machine
Instruction Manual
208v/240v, Single-phase, 90amps (dual 60a/30a), Neutral
High Temp Dishmachine
Listed by UL #E68594, NSF/ANSI 3, ASSE 1004 #933, Mass. License P3-0111-306
If you have questions, call 800-922-2178 or visit our website at www.AmericanDish.com
HT-34 Dual Sanitizer Dishwashing Machine
DANGER
The electrical power supplied to this machine is an imminent hazard that could result in severe bodily injury or death if not properly installed or hooked up correctly. When working in the control box or on electrical parts, always disconnect power and tag-out before servicing. Replace cover to control box and other protective covers when fi nished servicing this equipment.
CAUTION
READ Manufacturer’s Manual before Using this Product. For your safety read and observe all cautions shown throughout these instructions. While performing installations described in this booklet, wear approved Personal Protective Equipment, including Safety Eye-Wear.
There are potentially hazardous situations when working with industrial cleaning chemicals for dishmachines. See chemical manufacturer’s MSDS sheets and safe practices for handling and installing chemical feeders and supply containers.
NOTICE
#1 Before you begin: American Dish Service provides this information as a service to our customers. Keep all instructions for future reference. ADS reserves the right to alter or update this information at any time. Should you desire to make sure that you have the most up-to-date information, we would direct you to the appropriate document on our web site:
www.americandish.com. Set out below are the specifi cations and requirements that you must use and follow to properly install the type or types of equipment listed above. It is your obligation as the customer to ensure that the machine is installed safely and properly, and when completed, the machine is left in proper and safe working order. Electrical, Plumbing, and Chemical hookup should be performed by a qualifi ed professional who will ensure that the equipment is installed in accordance with all applicable Codes, Ordinances, and Safety requirements. Failure to follow the installation instructions could void the warranty. ADS assumes no liability or control over the installation of the equipment. Product failure due to improper installation is not covered under the ADS Warranty.
#2 This equipment is considered a heavy use item. It is not rated for outdoor use.
#3 Do not install spray arms until machine is fl ushed with water. When this machine is connected to power, it will normally fi ll with water and complete one cycle. Do this without the spray arms.
Dump that water out before installing spray arms. Draining the water will fl ush installation debris from the tank and pump; this prevents damage to spray arm bearings. To drain, pull the pump fi lter out of the sump.
#4 Important—Dishmachines must be installed to allow for servicing of motor and plumbing. Do not install chemical dispensers on the top of the control box or machine.
#5 WATER HEATERS or boilers must provide the minimum temperature of 120°F required by the machine listed above, which has a minimum demand of 47.2 gallons per hour. These specifi cations are for the dishmachine only, which typically accounts for 70% of a restaurant’s hot water demand.
For HOT WATER SANITIZING, an additional booster heater must be installed to reach 180°F minimum for the fi nal rinse. This booster will require a rise of 70° for 47.2 gallons per hour. #6 INSPECT FOR DAMAGE—If you receive a damaged dishmachine, do not sign “Clear” but write “Damaged” on the documents.
ELECTRICAL SECTION
The electrical power supplied to this machine is an imminent hazard that could result in severe bodily injury or death if not properly installed or hooked up correctly.
NOTICE
Before powering up the machine, CHECK ALL ELECTRICAL SCREW TERMINALS in the control box on top of the machine and the heater box. Screws can loosen in transit. Loose connections on high amp load terminals will cause wire burning and component damage during operation and will not be covered under ADS warranty. The term “Clean Circuit” means the electrical circuit breaker supplies no other devices, motors, machines, or lights.

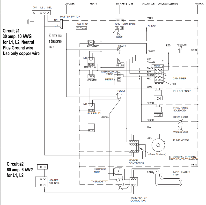
HT-25/34 208/240v, Single-phase 90a, (dual circuits of 60a & 30a plus Neutral)
IT IS RECOMMENDED THAT THIS EQUIPMENT BE INSTALLED USING NEW CIRCUIT BREAKERS.
ORDERING INSTRUCTIONS—Machines with heaters are voltage specifi c, order according to the actual voltage available at the installation (see kW chart in the Appendix).

FIRST CIRCUIT—The power supply of 208 volts, single-phase, for the 30-amp connection must consist of two 10-gauge wires for L1, L2, one Neutral and one suitable green ground wire. The 30-amp breaker or fuses must be a clean circuit to the machine. This circuit is for the motor and control circuit. Attach the 10-gauge wires to terminals marked L1, L2, Neu, and GND on the upper 4-terminal main distribution block in the control box.
SECOND CIRCUIT—This second circuit is for the tank sustainer heater, which uses the 60-amp circuit.
The 60-amp breaker or fuses must be a clean circuit to the machine. Attach a minimum of 6-gauge wires to terminals marked L1, L2 on the lower 2-terminal main distribution block in the control box, then tighten all wires. ADS has provided two 1”conduit holes (1 3/8”actual size) for each electrical service in the back of the control box. This model has 120v control circuit and components.
FOR 240 VOLT— If power is 240v, see kW rating chart at the back of the manual for correct heater sizing and available ADS heater elements. Specifying the correct voltage should be done at the time of ordering.
EXCEPTIONS—HT-25/34 with booster combo is NOT AVAILABLE in single-phase, this model will use a stand-alone booster with its own electrical service for a minimum of 12 kW single-phase, requiring 90amps on 208v.
PLUMBING SECTION
#1 TANKLESS WATER HEATERS can be problematic for commercial dishmachines. The ADS model HT-25 dishmachine require heated water 47.2 gallons per hour at 20 psi as measured at the fi nal rinse manifold, with a minimum temperature of 120°F. It has been the experience of ADS that tankless supply systems require multiple units plumbed in sequence with a recirculation loop to achieve proper pressure and temperature.
Check with the tankless water heater manufacturer, they may recommend a storage tank to guarantee proper fl ow and line pressure to the machine. Failure to provide adequate water quantity, pressure and temperature to the machine will cause the machine to function improperly and is not the responsibility of ADS. Improperly installing ADS equipment in this manner could void the warranty. All costs associated with providing an adequate water supply to the machine is the sole responsibility of the user.
#2 DRAIN SIZE—Gravity drain lines are 2” pipe size. Do not use reducing adapters for drain lines, always use same diameter pipe or larger. Close pump petcocks if equipped.
#3 A PRESSURE REDUCING valve with by-pass should be installed before the booster heater if the line pressure is 50 psi or above. This is according to booster manufacturer’s instructions.
#4
BURN HAZARD from hot water from pumped sprays or plumbing leaks.
#5
ELECTRICAL SHOCK HAZARD on bare electrical terminals in the thermostat box or control box.
#6 HOODS—Follow all local plumbing and mechanical codes. IMC 2012, section 507.2.2 requires Type II hoods for all commercial dishwashers except where the heat and moisture loads are incorporated into the building’s HVAC systems or dishwashing equipment designed with separate heat and moisture removal systems. A door-type, single- rack, hot-water sanitizing dishwasher is rated at 4770 Btu/h by table 5E, ASHRAE Research Project #1362, 8/5/2008. ADS DOES NOT SPECIFY BUILDING HVAC VALUES.
Hot Water Sanitizer Connection
Flush the building’s water lines before connecting to the dishmachine to avoid fouling the inlet water solenoid. For high temp sanitizing this inlet water line must come from a stand-alone booster heater.
Connect ¾” MPT water supply line to a 12kW booster and a ½” MPT line to the top of the dishmachine inlet manifold when using a stand-alone booster. The requirement at the dishmachine is 180°F minimum at 20 PSI during fi nal rinse, with a demand of 47.2 GPH. The pressure is measured at the pressure gauge mounted next to the pressure reducing valve in the inlet plumbing on top of the machine’s hood. To adjust pressure, turn adjustment screw atop the valve counter-clockwise to decrease pressure.
Chemical Sanitizer Connection
For chemical sanitizing the hot water line will come directly from the building’s water heater. Connect ½” MPT water supply line to the inlet manifold. The requirement at the dishmachine is 120°F minimum at 20 PSI during fi nal rinse, with a demand of 47.2 GPH. The pressure is measured at the pressure gauge mounted next to the pressure reducing valve in the inlet plumbing on top of the machine’s hood. To adjust pressure, turn adjustment screw atop the valve counter-clockwise to decrease pressure. A chemical dispenser must be added that has a third pump for chlorine.
Drain Requirements
ADS provides a 2” copper drain manifold for the tank and scrap box, the manifold is shipped strapped to the pallet of the dishmachine. After installation, attach the drain manifold using the rubber “no-hubs” on the manifold. To prevent clogging, run drain lines as straight as possible. Do not plumb with tight radius elbows or 180° bends. Use of fl oor sinks for drains can cause fl ooding. Do not use reducing adapters for drain lines, always use 2” diameter pipe or larger. Always run gravity drain lines downhill.

DISPENSER HOOK-UP
You must wear approved safety eye-wear before connecting chemicals equipment. Commercial cleaning chemicals are highly concentrated; they can cause damage to mechanical and electrical parts of the dishmachine. Do not mount dispensers on top of the control box or run chemical lines over controls or plumbing. Always secure chemical lines and check regularly for leaks. If not properly handled, chemicals can cause serious bodily injury. In the event of chemical contact to skin or eyes; wash immediately with fresh water and seek medical attention.
There is NO CHEMICAL DISPENSER included with this model. Chemical dispensers must be provided and installed prior to operation. The installation of the dispenser is typically provided by the chemical supplier.
DE-LIME SWITCH
The de-lime switch is placed inside of the control box to avoid unauthorized operations. Because of potentially hazardous gas resulting from the combination of chlorine with acid solution, only authorized trained individuals should be allowed to de-lime a commercial dishmachine.
INSTRUCTIONS FOR USING THE DE-LIME FEATURE ON A HT-25 are fi rst turn off the machine then empty all water out of the machine by removing the pump fi lter/drain plug. After all water has emptied out, replace the pump fi lter/drain plug and fi ll the machine with fresh water by turning on the master switch. After the tank is fi lled and fi ll water has shut off, add the de-lime acid to the tank water. Turn on the de-lime switch to operate the pump motor. READ THE DIRECTIONS ON THE CONTAINER FOR CORRECT CONCENTRATION OF THE CHEMICAL. TYPICAL CONCENTRATION LEVELS 1:20 to 1:60.
Let the machine run long enough to return the inside of the machine to the appearance of shinny metal surfaces. Then empty and refi ll the tank with fresh water. It is best to de-lime more often with milder acid solutions than waiting until there is heavy build up of white minerals, then trying to remove the build up with very strong acid concentrations. Using too strong of an acid solution or running it for very long periods of time will erode the metal of the impeller because it is spinning in the acid solution. If the fi nal rinse arms are clogged with mineral deposits, remove from the machine and soak them in a pan with lime remover.

ADS provides two (2) ports, 1/8” IPS female threads in the fi nal rinse mixing chamber for dispenser check valves. Probe hole (7/8”) is provided in the wash tank for probe installations (install probe before operating the machine). Detergent hole (7/8”) is provided for bulk-head fi tting (install fi tting before operating machine).
NOTE: Before turning on the water, if the chemical dispenser has not been installed, plug the probe and chemical delivery holes in the wash tank and plug the mixing chamber injection ports.
HT-25/34, single-phase provides 120v dispenser signals. Connect to chemical dispenser terminal blocks located on the left-hand side of the control box, look for yellow decal labeled detergent and rinse. The dispenser wash signal comes from the 4th cam on the cam timer. This cam can be adjusted so a signal for detergent can be set for a certain time or limit during the cycle. The rinse signal comes from the 3rd cam, it last for 10 seconds and is not adjustable. The 5th cam is a spare for future features.
TESTING FOR TEMPERATURE—For high temp sanitizing, the measurement is taken at the manifold for a minimum of 180°F, NOT in or at the sprays. If tapes are used to verify temperature, then only 165°F labels should be used, this is the temperature required on the surface of the plates–NOT 180°F. This is according to the NSF/ANSI Standard 3 test protocol.
TYPE OF CHEMICALS—Use only commercial grade low-energy chemicals. For proper operation, use non-foaming detergents and buffered sanitizers. Do not wash gold, pewter, silver, or silver-plate with chlorine based sanitizers. High concentrations of chlorine sanitizers and caustic detergents will cause damage to metals and welds. Do not exceed 50 parts-per-million (PPM) “free” or available chlorine, using higher than 50 ppm will be dependent on local health requirements, however, the increased chlorine will
result in higher corrosion of metal parts. The resulting damage from overusing chlorine is not covered under the ADS warranty. Purpose-built ware-washing dispensers are needed to properly meter chemicals for wash and rinse. These dispensers are not included with this model but must be provided by the company that provides the ware- washing chemicals. Manually adding industrial chemicals to the dishmachine is unsafe and not approved.
HARD WATER—Water softeners should be used to correct hard water conditions. Treating hard water conditions with acid solutions in the machine is discouraged. Hard water is often treated with more expensive dishmachine chemicals, but it is more effective and less destructive to the metal when the water is softened before it is used by the dishmachine.
CHECK LIST PRIOR TO INITIAL START UP
Open doors and remove all packaging, including cardboard supports found under the wash tank heater.
Do not dispose of packing material until you remove spray arms. Packing materials contain the installation manual, QC check sheets; upper and lower wash and rinse arms. Prior to connecting the main power supply, tighten all wire connections looking for those that loosened during shipping or moving. Before turning on the water, if the chemical dispenser has not been installed, plug the probe and chemical delivery holes in the wash tank and plug the mixing chamber injection ports. Turn on the water supply. Check and correct any leaks throughout the machine. After the fi rst fi ll and completed cycle, drain the tank then install wash and rinse spray arms, both upper and lower. They are interchangeable top to bottom.
Verify incoming water temperatures and fi nal rinse pressure (20 psi during fi nal rinse). Remove any of the white protective fi lm from stainless surfaces such as doors or panels.
DISHMACHINE OPERATIONAL TESTS
WARNING
BURN HAZARD FROM HOT WATER Do not open doors while machine is in cycle. Doing so could result in serious bodily injury from spraying hot water and chemicals.
To operate, connect the breaker for main power and turn “ON” the dishmachine master switch. Water will automatically fi ll to an operational level. After several cycles when fi nal rinse water increases the tank water level, the tank water will overfl ow to the scrap box. Place a rack of dishes in the machine, close the door and the cycle will begin.
The wash temperature is maintained by a sustainer heater. Record tank temperature during the initial tests. There are two gauges mounted under the control box. Gauges are marked Wash/Final Rinse.
Wash tank temperature should be 140°F for chemical sanitizing and 160°F for hot water sanitizing. If tank temperatures are low, increase by adjusting the heater thermostat located behind the wash motor.*
Increase temp by turning center rod of the thermostat counter clock-wise or turn to left. Adjust thermostat in small increments (1/4 turn). Heater is switched off when water levels are low and the fi ll has been activated. Final rinse temperatures are 120°F for chemical sanitizers, and 180°F for hot water sanitizing. To increase the fi nal rinse temperatures turn up the thermostat on the booster heater or water heater respectively. Do not set a booster heater above 195°F. ADS DOES NOT SPECIFY BUILDING HVAC VALUES.
“FLOAT” AND SWITCH—the fl oat will not actually fl oat. It is heavier than water but it weighs less in water than in air. This difference allows the return spring in the fl oat switch to push out against the lever, which raises the fl oat in water. In air the fl oat weight will overcome the switch spring tension and drop down. The fl oat switch (#291-3014) is specifi cally made with this spring tension so the water control system will operate correctly. Do not replace with a timer switch even though they look the similar.

HT-25 WASH ARM BEARING REPLACEMENT OR CLEANING

Showing repair of loose end cap when tab on the cap has been forced close or bent on material such as seeds or tooth picks.
APPENDIX
089-9336—HT-25 Parts Manual
089-9452—Wire diagram
089-9405—Service Manual
089-9435—Brochure
089-9370—Wall Chart
089-9419—Spec Sheet
089-9376—Installation Manual HT-25 single phase
HT-25 Single Tank High Temp
| Voltage | Phase | Full Load Amps |
| 208v | 1 | 52.7a |
| 240v | 1 | 47.3a |
Heaters are voltage specifi c, meaning voltage makes a difference in the wattage output of the heater. The following chart will list the wattage (kW) output for various available 3-phase voltages. Also listed are the ADS tank heaters available to match those voltages.
| 8kW 208v * (391-9002) | 200 volts | 7.4 kW | 37.0a | 1-ph |
| 208 volts | 8.0 kW | 38.5a | 1-ph | |
| 220 volts | 8.95 kW | 40.7a | 1-ph | |
| 240 volts | 10.6 kW | 44.4a | 1-ph | |
| 8kw 240v (391-9005) | 200 volts | 5.56 kW | 27.8a | 1-ph |
| 208 volts | 6.01 kW | 28.9a | 1-ph | |
| 220 volts | 6.72 kW | 30.5a | 1-ph | |
| 240 volts | 8.0 kW | 33.3a | 1-ph | |
| 12kW 220v (291-9002) | 200 volts | 9.92 kW | 49.6a | 1-ph |
| 208 volts | 10.73 kW | 51.6a | 1-ph | |
| 220 volts | 12.0 kW | 54.5a | 1-ph | |
| 240 volts | 14.28 kW | 59.5a | 1-ph |
ADS WIRE CHART (LADDER)
MODEL: HT-25/34
For Single-Phase, 208v – 240v, Neutral

Copyright ADS Installation Manual
Model ADC-44 Single-Phase,
Revision 3.0, 6/7/2013

















