LUDLUM 44-183-1 Shielded GM Detector Instructions
Ludlum Model 44-183 and 44-183-1
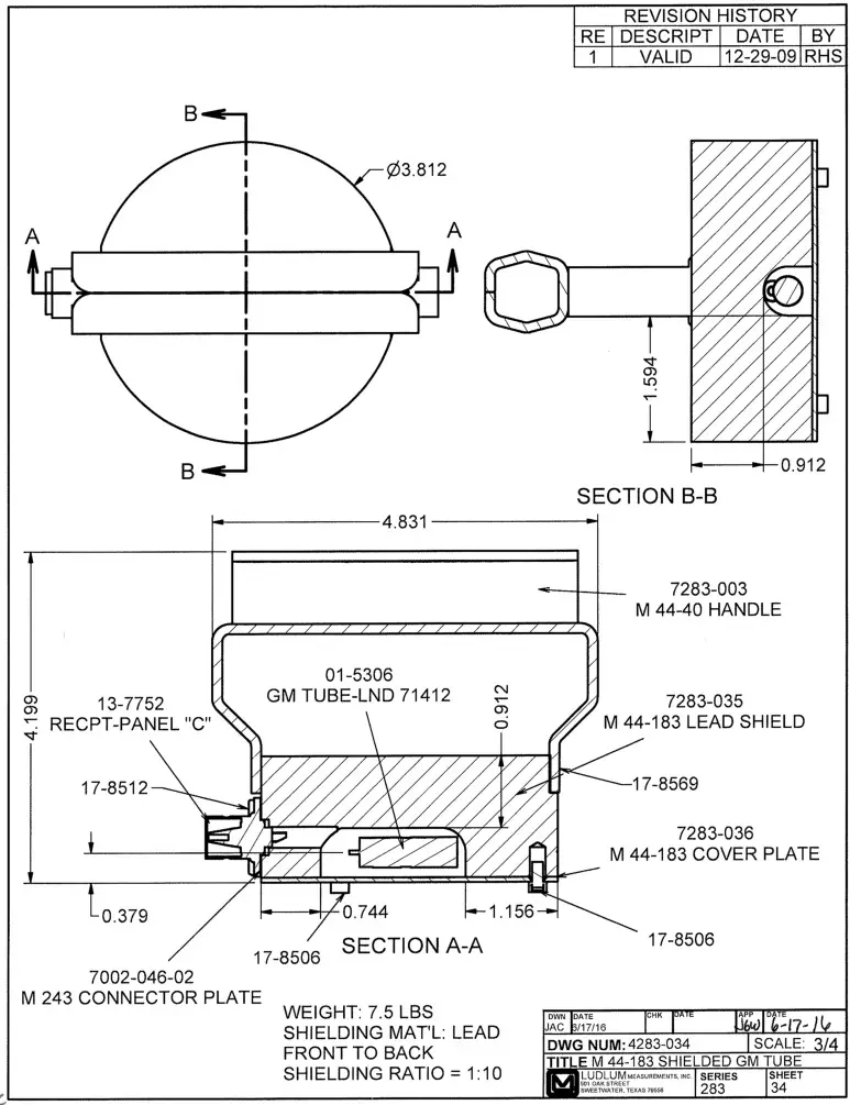
Shielded GM Detector
May 2023


GENERAL
The Model 44-183 is a lead shielded GM (Geiger-Mueller) detector capable of detecting gamma radiation. The Model 44-183-1 is the same as the Model 44-183, except that it uses a different GM tube with a different range (see specifications).
The lead shield attenuates the background and unwanted radiations, providing a collimated response.
Three nylon feet hold the unit off the surface to protect the window and holder from contamination. The nylon feet are secured by screws, which can be easily replaced if they become contaminated.
The GM detector is contained in a housing, which may be removed from the lead shield. Removing the three screws fastening the nylon feet to the lead base allows the detector to be removed from the shield.
The GM detector operates at 550 volts. The recommended instrument input sensitivity is approximately 30 mV or higher to keep the detector from double pulsing. The double pulse is caused by the size of the after pulse exceeding the instrument threshold.
The Model 44-183 or 44-183-1 will operate with any of the Ludlum instruments or equivalent instruments that provide 550 V and an input sensitivity of approximately 30 mV or higher.
SPECIFICATIONS
- DETECTOR RANGE WITH DTC:
For Model 44-183: 10 Sv/h to 100 mSv/h (1 mR/hr to 10 R/hr)
For Model 44-183-1: 40 Sv/h to 400 mSv/h (4 mR/hr to 40 R/hr) - DETECTOR RANGE WITHOUT DTC:
For Model 44-183: 10 Sv/h to 20 mSv/h (1 mR/hr to 2 R/hr)
For Model 44-183-1: 40 Sv/h to 60 mSv/h (4 mR/hr to 6 R/hr) - DETECTOR: GM, energy-compensated
- ENERGY RESPONSE: within 15% of true value
- SENSITIVITY ( 137 Cs): 0.17 cps/Sv/h (100 cpm/mR/hr)
- FRONT-TO-BACK SHIELD RATIO ( 137 Cs): 10:1
- H.V. OPERATING RANGE: 550 Vdc
- OPERATING VOLTAGE: recommended 550 V
- INPUT SENSITIVITY: -30 mV 10 mV
- DEAD TIME: typically 50 microseconds
- CONSTRUCTION: aluminum and lead with powder-coated finish
- CONNECTOR: series “C”
- TEMPERATURE RANGE: -20 to 50 °C (-4 to 122 °F)
- SIZE: 10.7 x 12.2 x 12.7 cm (4.2 x 4.8 x 5.0 in.) (H x W x L)
- WEIGHT: 3.3 kg (7.3 lb)
PARTS LIST

DRAWINGS AND DIAGRAMS
Model 44-183 Shielded GM Tube, Drawing 283 x 34



















