CO-Z PBT-SSPD-34 Pet Bathtub User Manual
Warning
Please completely clean the bathtub and keep it dry after use. Clean with neutral soaps or detergents, and don’t use abrasive or corrosive detergents and bleach. Don’t use metal cleaning supplies such as stainless steel scrubbers or bristles to avoid scratches on the bathtub.
Specifications
Size: 34”*19”*40”
Weight: 60lbs
Part list

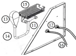
| Item# | Part Description | Qty |
| 1 | Bathtub | 1 |
| 2 | Back plate | 1 |
| 3 | Left and right plates | 2 |
| 4 | Step ladder | 1 |
| 5 | Bathtub base | 1 |
| 6 | Sliding door | 1 |
| 7 | M8 hex nuts | 24 |
| 8 | M8 screws | 24 |
| 9 | Faucet | 1 |
| 10 | Faucet water pipe connection screws | 2 |
| 11 | Shower head | 1 |
| 12 | Shower hose | 1 |
| 13 | Soap basket | 1 |
| 14 | Cold and hot water inlet pipes | 2 |
| 15 | Sewage filter | 1 |
| 16 | Pad | 1 |
| 17 | Rubber pad | 1 |
| 18 | Drain protector | 1 |
| 19 | Sewer hose | 1 |
Installation
The main body of the bathtub
- As the picture shows, place the bathtub on the base and tighten all screws. (The picture below shows how to tight screws.)
- Place the back, left and right plates onto the bathtub and tighten screws (The picture below shows how to tight screws.)
- Tighten screws to joint right, left and back plates (The picture below shows how to tight screws.)
- Place the pet grooming arm at the top of the right and left plates and tighten screws to fix it (The picture below shows how to tight screws.)
- Slide the step ladder to the bottom of the bathtub

The way to install a screw (altogether 24 holes)

The main body of the bathtub
- loosen screws on the soap basket, adjust the position of where to install the basket and then tighten screws
- Install the faucet to the water inlet from the two holes on the right plate, then set up the faucet water pipe connection screw on the other side and tight it
- Connect hot and cold water inlet pipe to the faucet water pipe, and tighten screws to avoid leaking
- Connect the shower head to shower hose and the shower hose to the faucet

Sewer
- Place the pad and then install sewage filter in the order the picture shows
- Outside of the bathtub, install rubber pad, drain protector and then sewer hose (Raw material is recommended to avoid leaking.)

After the installation, please adjust the feet to stabilize the bathtub.
Keep the end of the drain pipe at a lower place so that sewage can be discharged smoothly.

Thanks for your purchase. Any questions please don’t hesitate to contact us, we’ll resolve all your problem ASAP. Customers are always the best teachers for us to keep growing!
Should you have any questions or concerns, please do not hesitate to contact us by emailing: [email protected].



















