
Impact Drill
FDV 16VB2
Keep for future reference
~ Handling instructions
GENERAL POWER TOOL SAFETY WARNINGS
WARNING
Read all safety warnings, instructions, illustrations, and specifications provided with this power tool.
Failure to follow all instructions listed below may result in electric shock, fire and/or serious injury.
Save all warnings and instructions for future reference.
The term “power too!” in the warnings refers to your mains-operated (corded) power tool or battery-operated (cordless) power tool.
- Work area safety
a) Keep the work area clean and well-lit.
Cluttered or dark areas invite accidents.
b) Do not operate power tools in explosive atmospheres, such as in the presence of flammable liquids, gases or dust.
Power tools create sparks that may ignite dust or fumes.
c) Keep children and bystanders away while operating a power tool.
Distractions can cause you to lose control. - ‘Electrical safety
a) Power tool plugs must match the outlet. Never modify the plug in any way. Do not use any adapter plugs with earthed (grounded) power tools.
Unmodified plugs and matching outlets will reduce the risk of electric shock.
b) Avoid body contact with earthed or grounded surfaces, such as pipes, radiators, ranges, and refrigerators.
There is an increased risk of electric shock if your body is earthed or grounded.
c) Do not expose power tools to rain or wet conditions.
Water entering a power too! will increase the risk of electric shock.
d) Do not abuse the cord. Never use the cord for carrying, pulling or unplugging the power tool.
Keep cord away from heat, oil, sharp edges or moving parts.
Damaged or entangled cords increase the risk of electric shock.
@) When operating a power tool outdoors, use an extension cord suitable for outdoor use. |
The use of a cord suitable for outdoor use reduces the risk of electric shock.
f) If operating a power tool in a damp location is unavoidable, use a residual current device (RCD) protected supply.
The use of an RCD reduces the risk of electric shock. - Personal safety
a) Stay alert, watch what you are doing, and use common sense when operating a power tool.
Do not use a power tool while you are tired or under the influence of drugs, alcohol or medication.
A moment of inattention while operating power tools may result in serious personal injury.
b) Use personal protective equipment. Always wear eye protection. Protective equipment such as a dust mask, non-skid safety shoes, hard hat or hearing protection used for appropriate conditions will reduce personal injuries.
c) Prevent unintentional starting. Ensure the switch is in the off-position before connecting to a power source and/or battery pack, picking up or carrying the tool.
Carrying power tools with your finger on the switch or energizing power tools that have the switch on invites accidents.
d) Remove any adjusting key or wrench before turning the power tool on. A wrench or a key left attached to a rotating part of the power tool may result in personal injury.
e )Do not overreach. Keep proper footing and balance at all times.
This enables better control of the power too! in unexpected situations.
f) Dress properly. Do not wear loose clothing or jewelry. Keep your hair and clothing away from moving parts.
Loose clothes, jewelry or long hair can be caught in moving parts.
g) If devices are provided for the connection of dust extraction and collection facilities, ensure these are connected and properly used.
The use of dust collection can reduce dust-related hazards.
h) Do not let familiarity gained from the frequent use of tools allow you to become complacent and ignore tool safety principles.
A careless action can cause severe injury within a fraction of a second. - Power tool use and care
a) Do not force the power tool. Use the correct power tool for your application.
The correct power tool will do the job better and safer at the rate for which it was designed.
b) Do not use the power tool if the switch does not turn it on and off. Any power tool that cannot be controlled with the switch is dangerous and must be repaired.
c) Disconnect the plug from the power source and/or remove the battery pack, if detachable, from the power tool before making any adjustments, changing accessories, or storing power tools. Such preventive safety measures reduce the risk of starting the power too! accidentally.
d) Store idle power tools out of the reach of children and do not allow persons unfamiliar with the power tool or these instructions to operate the power tool. Power tools are dangerous in the hands of untrained users.
e) Maintain power tools and accessories. Check for misalignment or binding of moving parts, breakage of parts and any other condition that may affect the power tool’s operation. If damaged, have the power tool repaired before use. Many accidents are caused by poorly maintained power tools.
f} Keep cutting tools sharp and clean.
Properly maintained cutting tools with sharp cutting edges are less likely to bind and are easier to control.
g) Use the power tool, accessories and tool bits etc. in accordance with these instructions, taking into account the working conditions and the work to be performed.
Use of the power tool for operations different from those intended could result in a hazardous situation.
h) Keep handles and grasping surfaces dry, clean and free from oil and grease. Slippery handles and grasping surfaces do not allow for safe handling and control of the tool in unexpected situations. - Service
a) Have your power tool serviced by a qualified repair person using only identical replacement parts.
This will ensure that the safety of the power tool is maintained.
CAUTION
Keep children and infirm persons away.
When not in use, tools should be stored out of reach of children and infirm persons.
DRILL SAFETY WARNINGS
- Wear ear protectors when impact drilling. Exposure to noise can cause hearing loss.
- Use auxiliary handle(s), if supplied with the tool. Loss of control can cause personal injury.
- Hold power tool by insulated gripping surfaces, when performing an operation where the cutting accessory may contact hidden wiring or its own cord. Cutting accessory contacting a “live” wire may make exposed metal parts of the power tool “live” and could give the operator an electric shock.
PRECAUTIONS ON USING DRILL
- Wear ear protectors with impact drills. Exposure to noise can cause hearing loss.
- Use auxiliary handles supplied with the tool. Loss of control can cause personal injury.
- Hold power tool by insulated gripping surfaces, when performing an operation where the cutting accessory may contact hidden wiring or its own cord. Cutting accessory contacting a “live” wire may make exposed metal parts of the power tool “live” and could give the operator an electric shock.
SYMBOL
WARNING
The following show symbols used for the machine. Be sure that you understand their meaning before use.
To reduce the risk of injury, users must read the instruction manual.
SPECIFICATIONS
| Voltage | 220 V — | |
| Power Input | 550 W | |
| No-load speed | 0 – 2900 /min | |
| Capacity | Steel | 13 mm |
| Concrete | 16 mm | |
| Wood | 25 mm | |
| Weight (without cord) | 1.6 kg | |
STANDARD ACCESSORIES
In addition to the main unit (1 unit), the package contains the accessories listed in below.
Side handle![]() | 1 |
Depth stopper![]() | 1 |
Chuck wrench![]() | 1 |
Plastic case![]() | 1 |
APPLICATION
- By combined actions of ROTATION and IMPACT: Boring holes in concrete, marble, granite, tile, and similar materials.
- By ROTATIONAL action: Boring holes in metal, wood and plastic. Tightening wood screws.
PRIOR TO OPERATION
- Power source
Ensure that the power source to be utilized conforms to the power requirements specified on the product nameplate. - Power switch
Ensure that the power switch is in the OFF position. If the plug is connected to a receptacle while the power switch is in the ON position, the power tool will start operating immediately, inviting serious accidents - Extension cord
When the work area is removed from the power source. Use an extension cord of sufficient thickness and rated capacity. The extension cord should be kept as short as practicable. - Fixing the side handle
Attach the side handle to the mounting part.
Rotate the side handle grip in a clockwise direction to secure it.
Set the side handle to a position that is suited to the operation and then securely tighten the side handle grip. - Mounting and dismounting of the bit Fit the drill bit into the chuck and use the chuck wrench to secure it, tightening the chuck by each of the three holes in turn. (Fig. 1)

- Selecting the appropriate drill bit
© When boring concrete or stone Use the drill bits for concrete.
© When boring metal or plastic Use an ordinary metalworking drill bit.
© When boring wood Use an ordinary woodworking drill bit. However, when drilling 6.5 mm or smaller holes, use a metalworking drill bit. - Selecting the driver bit
Screw heads or bits will be damaged unless a bit appropriate for the screw diameter is employed to drive in the screws. - Check the rotational direction (Fig. 2) –
The bit rotates clockwise (viewed from the rear side) by pushing the R-side of the push button.
The L-side of the push button is pushed to turn the bit counterclockwise. (The ¢L} and (R) marks are provided on the body.). - CAUTION
Never change the direction of bit rotation during operation.
Turn the power switch OFF before changing the direction of bit rotation; otherwise, the motor will burn.
Always use with clockwise rotation, when using It as an impact drill. - IMPACT to ROTATION changeover (Fig. 3)
The impact drill can be switched from IMPACT (impact plus rotation) to ROTATION (rotation only) by simply sliding the change lever. When boring concrete, stone, tile or similar board materials, slide the change lever right. The drill head impacts against the material while continuing to rotate.
When boring metal, wood or plastic, slide the change lever fully to the left. The drill simply rotates as an ordinary electric drill.
CAUTION
Do not use the impact drill in the IMPACT mode if the material can be bored by rotation only. Such action will not only reduce drill efficiency, but may also damage the drill tip.
When changing over, ensure the change lever Is slid as far as it will go.
HOW TO USE
- Pressure
Drilling will NOT be accelerated by placing heavy pressure on the drill. Such action will only result in a damaged drill bit, decreased drilling efficiency and/or shortened service life of the drill. - Using a large diameter drill bit
The larger the drill bit diameter, the larger the reactive force on your arm. Be careful not to lose control of the drill because of this reactive force. To maintain firm control, establish a good foothold, hold the drill tightly with both hands, and ensure that the drill is vertical to the material being drilled. - When drilling completely through the material
When the drill bit bores completely through the material, careless handling often results in a broken, drill bit or damage to the drill body itself due to the sudden movement of the drill. Always be alert and ready to release pushing force when drilling through the material. - Switch operation
© When the trigger is depressed, the tool rotates. When the trigger is released, the tool stops.
© __ The rotational speed of the drill can be controlled by varying the amount that the trigger switch is pulled. Speed is low when the trigger switch is pulled slightly and increases as the trigger switch is pulled more.
© __ The desired rotation speed can be pre-selected with the speed control dial.
Tum the speed control dial clockwise for higher speed and counterclockwise for lower speed. (Fig. 4)
© _ Pulling the trigger and pushing the stopper, it keeps the switched-on condition which is convenient for continuous running. When switching off, the stopper can be disconnected by pulling the trigger again.
CAUTION
Drill at a maximum rotation speed when drilling wooden materials. - When driving wood screws
(1) Selecting a suitable driver bit Employ plus-head screws, if possible, since the driver bit easily slips off the heads of minus-head screws.
(2) Driving in wood screws
© _ Prior to driving in wood screws, make holes suitable for them on the wooden board. Apply the bit to the screw head grooves and gently drive the screws into the holes. © _ After rotating the screwdriver at low speed for a while until a wood screw is partly driven into the wood, squeeze the trigger more strongly to obtain optimum driving force.
CAUTION
© Exercise care in preparing a hole suitable for the wood screws taking the hardness of the wood into consideration. Should the hole be excessively small or shallow, requiring much power to drive the screw into it, the thread of the wood screw may sometimes be damaged.
© Do not drive machine screws.
MAINTENANCE AND INSPECTION
- Inspection the drill bit Continued use of a worn and/or damaged drill bit will result in reduced drilling efficiency and may seriously overload the drill motor. Inspect the drill bit often and replace it with a new bit as necessary.
- Inspecting the mounting screws Regularly inspect all mounting screws and ensure that they are properly tightened. Should any of the screws be loose, retighten them immediately. Failure to do so could result in serious hazards.
- Maintenance of the motor unit winding is the very “heart” of the power tool. Exercise due care to ensure the winding does not become damaged and/or wet with oil or water.
- Servicing Consult an authorized Service Center in the event of power tool failure.
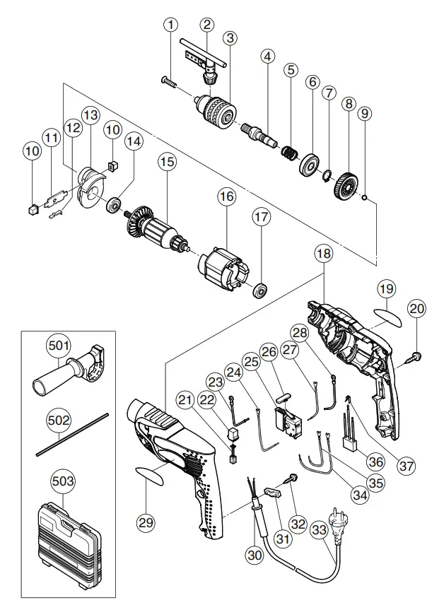
- Service parts list
CAUTION Repair, modification, and inspection of HiKOKI Power Tools must be carried out by a HiKOKI Authorized Service Center. This Parts List will be helpful if presented with the tool to the HiKOKI Authorized Service Center when requesting repair or other maintenance. In the operation and maintenance of power tools, the safety regulations and standards prescribed in each country must be observed.
SERVICE PARTS LIST
![]() |
Koki Holdings Co., Ltd.
110
C99126429 F
2021:10F





CAUTION




















