HERSCHEL 6kW Soft Start Unit
Installation Guide

ELECTRICAL EQUIPMENT:
Waste electrical products should not be disposed of with household waste. Please recycle where facilities exist.
IMPORTANT NOTICE TO PURCHASER:
Before utilizing the product, user should determine the suitability of the product for its intended use. HERSCHEL INFRARED LTD expressly disclaims the implied warranties and conditions of merchantability and fitness for a particular purpose. In no case shall HERSCHEL INFRARED LTD be liable under any legal theory, including but not limited to contract or strict liability, for any direct, indirect special, incidental or consequential damages resulting from product use.
Original instructions covering 6kW Soft Start controllers produced 102021 onwards.
IMPORTANT SAFETY PRECAUTIONS

READ THESE INSTRUCTIONS CAREFULLY AND KEEP FOR FUTURE REFERENCE
Failure to observe these instructions will invalidate the warranty.
WARNING
TO REDUCE THE RISK OF FIRE, ELECTRIC SHOCK OR INJURY:
- Isolate the mains supply before commencing any work on the unit. Failure to do so could result in serious injury or fatality.
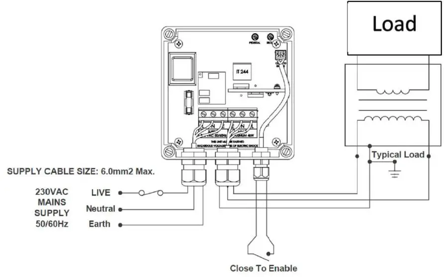
- The unit is fitted with three cable glands. The first gland on the left is for the mains supply the second is for the Load the small gland on the right is for the enable input. Only one cable should be fitted per gland to prevent degrading the unit’s IP rating.
- The mains supply connects to the terminal block marked ‘LINE’. Connect the supply LIVE to the ‘L’ terminal, NEUTRAL to the ‘N’ terminal and EARTH to the ‘E’ terminal.
- The load connects to the terminal block marked ‘LOAD’. Connect the load LIVE to the ‘L’ terminal, NEUTRAL to the ‘N’ terminal and EARTH to the ‘E’ terminal.
- If an external enable signal is used it should be connected to the terminal block marked ‘ENABLE’. If no enable input is needed a wire link should be inserted into the Enable terminal.
IMPORTANT
- Ensure all earth wires are connected to maintain earth continuity.
- Check all wiring and make sure the cable glands are tightened.
SAVE THESE INSTRUCTIONS.
INTRODUCTION:
The Soft Start is a controller designed to be used on both inductive and resistive loads found in Herschel Infrared space heaters. The soft start is used to help eliminate high inrush current. This helps protect the Load from getting damaged and eliminates nuisance MCB trips.
The Soft Start has a predetermined ramp up time of 1 to 5 seconds. You can also adjust the start of the voltage sine wave to achieve zero cross to eliminate the possibility of radio noise on startup. The range of this adjustment is 0-40%.
The unit can be installed passively on an existing circuit waiting for current before activating.
Alternatively the unit can be wired directly with a switch allowing the unit itself to only activate the current when the switch is used (on and off).
INSTALLATION:
The Soft start unit should be positioned with the three fixed cable glands facing down and securely fixed via the four mounting holes accessible from the front of the unit. Round cable is recommended to avoid water ingress. To ease installation, a mounting template is provided opposite to locate the 4 mounting hole centres.

When wall mounting, the unit must be orientated with the cable glands facing down.
WIRING:
It is recommended that installation and maintenance of this equipment should be done with reference to the current edition of the I.E.E. wiring regulations (BS7671) by suitably qualified/trained personnel. These regulations contain important requirements regarding safety of electrical equipment (for International Standards refer to I.E.C/ directive IEC950).

COMMISIONING:
To adjust Voltage Cross:
The unit should be set to Zero Cross unless there is an operational reason to alter this. Ensure the rotating control marked “Pedestal” (top right) is rotated fully anti-clockwise.
To adjust the soft-start ramp-up time:
Set the rotating control marked “Secs” to a value between 1 and 5 seconds(where fully anti-clockwise is 1 second and fully clockwise is 5 seconds).
To use the Soft Start with a switch:
In normal passive operation, the soft start will activate when current is detected.
To prevent this and have the soft start unit itself become a switch, then fit a simple on/off switch across the two terminals marked “ENABLE”.
Commissioning:
Replace the lid and switch on the mains supply to the unit. The soft start should start once it has been powered on if the link is fitted or when the ENABLE switch has been engaged.
TROUBLESHOOTING
Warning!
Isolate the mains supply before commencing any work on the unit. Failure to do so could result in serious injury or fatality.
Problem: System doesn’t Start
Solution:
- Check the mains supply to the unit is switched on.
- Check Enable Link Is Fitted.
- Check the LINE and LOAD wiring connections to the unit and the Load.
- Contact your supplier.
NOTE:
It is recommended that installation and maintenance of this equipment should be carried out by suitably qualified personnel, with reference to the current edition of the I.E.E. Wiring Regulations BS7671. The regulations contain important requirements regarding the safety of electrical equipment.
WARRANTY:
Register your product here: https://www.herschel-infrared.co.uk/customer-service/warranty-registration/
The Herschel Soft Start is guaranteed against failure due to faulty materials or workmanship for two years from date of purchase. In the unlikely event of failure of the unit within this time, the unit must be returned to the supplier for repair or replacement. The guarantee is invalid if the correct installation instructions as given in this leaflet have not been adhered to. Refer to Herschel Infrared Ltd’s warranty policy for full details. See https://www.herschel-infrared.co.uk. Note your serial number for future reference:



















