
TeQno Folding Mobility Scooter
User Manual

Version: 2019-April-24th
WARNING
Warning! Do not, under any circumstance, climb a slope greater than the maximum climbing angle (3 degrees) with this power mobility. Any attempt to climb a slope steeper/greater than 3 degree may put your power mobility in an unstable position and cause it to tip. When on any sort of an incline or decline slope, never place the power mobility in freewheel mode. MAX CLIMBING ANGLE: 3 Degree! Don’t operate this power scooter if it is behaving abnormally or erratically.
Electrically powered scooter Class A (EN 12184)
Intend Use:
Moving of adult disabled persons by self-driving. Maximum user weight: 120 kg;
The product is not intended for visually impaired people. The drivers need to be mentally and physically suitable to drive the scooters. The fingers need to work functionally. The device can’t be used by children until age of 12. The driving distance will be reduced if the power scooter is used frequently on slopes, on rough ground or to climb curbs. The scooter is not for use as a seat in the motor vehicle.
All adjustments can be adjusted by both occupant and assistant. This vehicle is suitable for land and/or air transport.
WARNING
- This power scooter (S11DL) may come to a sudden stop at any time during operation;
- Don’t operate your power scooter without completely reading and understanding this user manual!
- Do not operate the scooter with depleted batteries, since the occupant could be stranded.
- The end user is NOT allowed to change the parameter.
- The occupant can switch off the key to stop the scooter for any emergency stop
- Please remove the battery package from the scooter unit before long term storage
- Do not operate this power scooter (S11DL) if it is behaving abnormally or erratically
- The stopping distance on slopes can be significantly greater than on level ground
S11DL should be turned off prior to entering or exiting the seat. Make sure the scooter is fully unfolded before driving.
Environmental conditions may affect the safety and performance of your power scooter. Water and extreme peratures are the main elements that can cause damage and affect performance.
Rain, Sleet, and Snow
If exposed to water, your power scooter is susceptible to damage to electronic or mechanical components. Water can cause electronic malfunction or promote premature corrosion of electrical components and frames.
Temperature
Some of the parts of the power scooters are susceptible to changes in temperature. The controller can only operate in temperature that ranges between ‐25°C ~ 50°C.
At extreme low temperatures, the batteries may freeze, and your power scooter may not be able to operate. In extremely high temperatures, it may operate at slower speeds due to a safety feature of the controller that prevents damage to the motors and other electrical components. The scooter seat is tested according to EN1021 regarding resistance to ignition, but it is recommended to avoid users of flame near the scooters and smoking during sitting on the scooter.
Class A
Driving restrictions. Do not try to drive in stairs Do not drive into the sea. Be careful in rough terrain Be careful on slippery roads.
SAFETY INSTRUCTION
Do not leave your hands and legs off the scooter when driving. | Never operate the scooter while you are under the influence of alcohol. |
Never use electronic radio transmitters such as walkie‐talkies, or cellular phones. | Make sure that there are no obstacles behind you while reserving your scooter. |
Do not make a sharp turn or a sudden stop while riding your scooter. | Do not ride your scooter in traffic. |
Do not attempt to climb curbs greater than the limitation show on Technical Specification | Do not allow unsupervised children to play near this equipment while the batteries are charging. |
Do not rider your scooter in snow in order to avoid accidents on a slippery road. |
WARNING
Don’t operate your scooter for the first time without completely reading and understanding this user manual.
- Don’t operate scooter on public streets and roadways. Be aware that it may be difficult for traffic to see you when you are seated on the scooter. Obey all local pedestrian traffic rules. Wait until your path is clear of traffic, and then proceed with extreme cautions.
- To prevent injury to yourself or others, always ensure that the power is switched off when getting on or off of the scooter.
- Always check that the drive wheels are engaged (drive mode) before driving. Do not switch off the power when the scooter is still moving forward. This will bring the chair to an extremely abrupt stop.
- Do not use this product or any available optional equipment without first completely reading and understanding these instructions. if you are unable to understand the warnings, cautions or instructions, contact a healthcare professional, the dealers or technical support before attempting to use this equipment, otherwise, injury or damage may occur
- There are certain situations, including some medical conditions, where the scooter user will need to practice operating the scooter in the presence of a trained attendant. A trained attendant can be defined as a family member or care professional specially trained in assisting a scooter user in various daily living activities. Consult with your physician if you are taking any medication that may affect your ability to operate your scooter safely.
- Do not attempt to lift or move a power scooter by any of its removable parts including the armrests, seats or shrouds. Personal injury and damage to the power chair may result.
- Never try to use your scooter beyond its limitations as described in this manual.
- Please do not sit on your scooter while it is in a moving vehicle.
- Keep your hands away from the wheels (tires) while driving scooters. Be aware that loose-fitting clothing can become caught in the drive tires.
- Consult your physician if you are taking prescribed medication or if you have any certain physical limitations. Some medications and limitations may impair your ability to operate scooters in a safe manner.
- Be aware when the drive mode is unlocked or locked.
- . Don’t remove anti-tipper if there is any tipper equipped with the scooter.
- Contact with tools can cause electrical shock and do not connect an extension cord to the AC/DC converter or the battery charger.
- Do not attempt to lift or move your scooter by any of its removals parts, such as the armrests, seats, or shroud.
- When climbing an incline, don’t drive at an angle up the face of the incline. Drive your scooter straight up the incline. This greatly reduces the possibility of a tip or a fall.
- Don’t climb a slope steeper than the scooter’s limitation.
- Don’t attempt to have your scooter proceed backward down any step, curb or another obstacle. This may cause the scooter to fall or tip.
- Always reduce your speed and maintain a stable center of gravity when cornering sharply. Don’t corner sharply when driving scooters at higher speeds.
- Operating in rain, snow, salt, mist conditions and on icy or slippery surfaces may have an adverse affect on the electrical system.
- Never sit on your scooter when it is being used in connection with any type of lift or elevation product. Your scooter is not designed with such use in mind and any damage or injury incurred from such use is not the responsibility of Heartway.
- . Surfaces of the power scooter that can come into direct contact with the occupant’s skin and/or assistant’s skin during normal use and that are within occupant reach shall not exceed 41 °C. The motor surface can reach temperatures greater than 41°C after driving. Do not touch these parts when disassembling the scooter or wait until the motor is cooled down.
- The programming of the controller shall only be carried out by personnel, which is authorized by the manufacturer. Wrong programming can result in safety hazards for the occupant I
- If the power scooter is switched off while driving on the horizontal at a maximum speed at 10 km/h, it will come to a stop with a maximum stopping distance of 2 m. Please consider this distance when driving.
- Drive-wheel needs to be switched to engaged mode while transporting the power scooter with a car or airplane.
- Surface temperatures can increase when exposed to external sources of heat.
Modifications
Heartway Medical Product has designed and engineered power scooters to provide maximum utility. However, under no circumstances should you modify, add, remove, or disable any part or function of your power scooter. Personal injury and damage to the power chair may result. Do not modify your power scooter in any way not authorized by Heartway. Do not use accessories if they have not been tested or approved for Heartway products.
Inspections prior to using your power scooter:
- If equipped with pneumatic tires, please check for proper tire inflations.
- Please check all electrical connections and make sure they are tight and not corroded.
- Please check all harness connections and make sure they are secured properly.
- Please check the brakes.
Weight limitation.
- Please refer to the specifications table for weight capacity information. Power scooter is rated for a maximum weight capacity.
- Stay within the specified weight capacity for your scooter. Exceeding the weight capacity voids your warranty. Heartway will not be held responsible for injuries or property damage resulting from failure to observe weight limitations.
- Don’t carry passengers on scooters. Carrying passengers on scooters may affect the center of gravity, resulting in a tip or a fall.
Tire inflation
- If your scooter is equipped with pneumatic tires, it is necessary to check the air pressure at least one time a week.
- Proper inflation pressures will prolong the life of your tires and ensure a smooth operation while riding.
- Do not under-inflate or over‐inflate your tires. It is critically important that 30‐35 PSI (206‐241 kPa) tire pressure be maintained in pneumatic tires at all times.
- Inflating your tires from an unregulated air source could over‐inflate them, resulting in a burs tire.
Temperature
- Some of the parts of the power scooters are susceptible to change in temperature. The controller can only operate in temperature that ranges between ‐25°C ~ 50°C.
- At extremely low temperatures, the batteries may freeze, and your power scooter may not be able to operate. In extremely high temperatures, it may operate at slower speeds due to a safety feature of the controller that prevents damage to the motors and other electrical components.
ELECTROMAGNETIC INTERFERENCE (EMI)
The rapid development of electronics, especially in the area of communications, has saturated our environment with electromagnetic (EM) radio waves that are emitted by television, radio and communication signals. These EM wave are invisible and their strength increases as one approach the source. All electrical conductors act as antennas to the EM signals and, to varying degrees, all power scooter s and scooters are susceptible to electromagnetic interference (EMI). The interference could result in abnormal, unintentional movement and/or erratic control of the vehicle. The United States Food and drug administration (FDA) suggests that the following statement be incorporated to the user’s manual for all power scooter like the S11DL. Power scooters may as susceptible to electromagnetic interference (EMI), which is interfering with electromagnetic energy emitted from sources such as radio stations, TV stations, amateur radio (HAN) transmitters, two‐way radios, cellular phones and alarm systems of shops. The interference (from radio wave sources) can cause the power scooter to release its brakes, move by itself or move in unintended directions. It can also permanently damage the powered scooter’s control system. The intensity of the EM energy can be measured in volts per meter (V/m).Each powered scooter can resist EMI up to a certain intensity. This is called “immunity level”. The higher the immunity level the greater the protection. At this time, current technology is capable of providing at least 20 V/m of immunity level, which would provide useful protection against common sources of radiated EMI.
Following the warnings listed below should reduce the chance of unintended brake release or powered scooter movement that could result in serious injury:
- Do not turn on hand‐held personal communication devices such as citizens band (CB) radios and cellular phones while the powered scooter is turned on.
- Be aware of nearby transmitters such as radio or TV stations and try to avoid coming close to them.
- If unintended movement or brake release occurs, turn the powered scooter off as soon as it is safe.
- Be aware that adding accessories or components, or modifying the powered scooter, may make it more susceptible to interference from radio wave sources (Note: It is difficult to evaluate the effect on the overall immunity of the powered scooter).
- Report all incidents of unintended movement or brake release to the powered scooter manufacturer, and note whether there is a radio wave source nearby.
TURN OFF YOUR POWERED SCOOTER AS SOON AS POSSIBLE WHEN EXPERIENCING THE FOLLOWING:
- Unintentional scooter movements
- Unintended or uncontrollable direction.
- Unexpected brake release
The FDA has written to the manufacturers of power scooters asking them to test new products to be sure they provide a reasonable degree of immunity against EMI. The FDA requires that a powered scooter should have an immunity level at least 20 V/m, which provides a reasonable degree of protection against more common sources of EMI. The higher the immunity level the greater the protection. Your powered scooter has an immunity level of 20 V/m which should protect against common sources of EMI. Warning: The scooter itself can disturb the performance of the electromagnetic fields such as emitted by alarm systems of shops.
TECHNICAL SPECIFICATIONS
| MODEL | S11DL |
| WEIGHT CAPACITY | 120 KGS |
| SEAT: TYPE/SIZE | 16″ Fish‐on |
| DRIVE WHEEL | 228mmx65mm(9″x2.5″) |
| FRONT CASTER (WHEEL) | 200mmx50mm(8″x2″) |
| REAR CASTER (ANTI‐TIPPER) | YES |
| MAX SPEED | 10 KM/H |
| BATTERY SPECIFICATIONS | 24V 11.5Ah Li‐Polymer |
| BATTERY RANGE | 15KM |
| CHARGER TYPE | 2.5 Amp Charger |
| CONTROLLER TYPE | DYNAMIC Rseries 50A |
| MOTOR TYPE | 21:1 270W 4400RPM |
| WEIGHT: W/ BATTERY | 33.4kgs(73.5 lbs) |
| WEIGHT: W/O BATTERY & SEAT | 25.7kgs( 56.5 lbs) |
| TURNING RADIUS | 780mm |
| SUSPENSION | INDIGO SUSPENSION |
| LENGTH | 910mm |
| WIDTH | 600mm |
| HEIGHT | 900mm |
| Folded Size | 800mm*480mm*600mm |
| SEAT WIDTH | 395mm |
| SEAT HEIGHT | 400mm |
| SEAT DEPTH | 330mm |
| BACK HEIGHT | 330mm |
| WHEELBASE | 620mm |
| GROUND CLEARANCE | 30mm |
| FOOTRESTS | 330mm |
ADJUSTMENTS
It is very easy to fold your S11DL scooter automatically.
S11DL power scooter has an aluminum alloy body and can be easily folded to fit in the car for transportation/storage. It also has easy-to-use controls and adjustable tiller positioning. To Fold The Scooter
- Switch off and exit the scooter
- Fold the backrest down
- If the scooter has been switched off longer than 5 minutes then switch the scooter on and off (the keyless remote does not need to be present)
- The folding button on the scooter tiller should now be illumiated red. Press the button for one second and release.
The scooter will start folding and will automatically stop when complete

To Unfold The Scooter
- Switch the scooter on and off (the keyless remote does not need to be present)
- The folding button on the scooter tiller should now be illuminated red. Press the button for one second and release.
- The scooter will start unfolding and will automatically stop when complete.
- Flip up the backrest (see photo)
(Arm‐Rest: Optional Accessory)

WARNING
- PLEASE TURN OFF THE POWER BEFORE FOLDING/UNFOLDING THE POWER SCOOTER
- Ensure the backrest is folded and there are no obstructions under the seat or behind the tiller before folding. Otherwise, this may cause damage or injury.
- Pinch Point—Be aware of fingers when folding and un‐folding power scooter
DANGER
PINCH POINTS WATCH YOUR HANDS
- Never open the battery box. If you have any questions, please contact your local authorized dealer or technical support for further support and assistance.
- The power scooter needs to be folded properly before any transporting.
- Do not press the FOLD or UNFOLD button whilst the scooter is folding or unfolding, unless there is an emergency such as an obstruction. Pressing the buttons will cause the scooter to stop mid-cycle and will not be fully folded or unfolded.
OPERATION OF CONTROL PANEL
The power scooter is simple to operate. However, we recommend that you read carefully the following instructions to become familiarized with your new vehicle.
A Word of Caution: Before you turn the power on, always be aware of the environment that surrounds you to select your desired speed. For indoor environments, we recommend that you select the slowest speed setting. For outdoor operation of this vehicle we recommend that you select a speed that is comfortable for you to control it safely. The following steps are required to operate your vehicle safely with the controller‐can use for S11DL
Braking – Electromagnetic Brake. Release the wigwag paddle completely, and the electromagnetic brake will be activated automatically and the scooter will stop.
Lights. Press the light switch to turn on the headlight. Press light switch again to turn the light off.
Note: the light will only operate if the scooter is switched on at the ignition.
Battery Gauge.
The battery gauge on the tiller console shows the remaining power:
7 – 10 segments lit (red, orange and green): 60% ‐ 100% capacity
4 ‐ 6 segments lit (red and orange): 30% ‐ 60% capacity
1 ‐3 segments lit (red only): 0 – 30% capacity
We recommend that the scooter is charged as soon as possible once only red segments (0% ‐ 30% capacity) to reduce the risk of you becoming stranded and to ensure battery longevity.
| Icon: | Display. The following icons will illuminate the dash display |
| Headlights. The headlights are switched on. Press the Lights button to switch the lights on and off. |
| Directional Display. This shows that the wigwag paddle is moving the scooter forwards. | |
| Directional Display. This shows that the wigwag paddle is moving the scooter in reverse. |
![]() | Turning Signal Display. This shows when the scooter is turning sharply left or right. |
![]() | Display. This shows when the scooter has detected an error state. |
| Power Eye. The power eye will flash in operation if the keyless remote is not in range. |
Time / Odo (Trip) / Temperature Display.
Press the mode button to access the three modes below:
- Time (Clock). To set the time, press the MODE and SET key together when the time is showing. Press the LIGHTS button to increase the hour and press the SET button to increase the minutes. When the correct time is set, press MODE to return.
- Odo (Trip). This will show the distance traveled. Press the SET button to reset this.
- Temperature. This will show the ambient temperature. Press the SET button to toggle between ºC and ºF.
Laser Guidance Lights
The scooter comes with two laser guidance lights which are designed to highlight the safe perimeter of the scooter during low light. The lights normally operate automatically when the scooter is switched on. To switch the laser lights OFF, press the LIGHTS and MODE button together whilst the scooter is switched on. Repeat the
process to switch the laser lights back on.
Keyless Remote Pairing
The keyless remote is automatically paired to the scooter. In the event of the remote or its battery being replaced, it must be paired to the scooter.
To pair the remote to the scooter.
- First press ON/OFF button on the scooter, with the keyless remote out of range.
- Then press the MODE button, which will illuminate the HEADLIGHT icon.
- Bring the remote close to the tiller dash. Once pairing is complete the HEADLIGHT icon will flash and the whole display will illuminate.
Keyless Remote Un‐pairing
- Press the ON/OFF button on the scooter, with the keyless remote out of range.
- Then press the MODE button for five seconds until the HEADLIGHT icon switches off.
- Press the ON/OFF button again
Free‐Wheeling:

- The motors are designed to engage the electromagnetic brakes when the vehicle is not in use or when the power is OFF. They also have a manual feature that allows them to “free‐wheel” so the scooter can be moved without turning it on. Free‐wheeling is accomplished by adjusting the free‐wheeling levers to the free‐wheeling position.
WARNING
- Never free‐wheel S11DL on a slope. Never free‐wheel the motors while operating your vehicle.
- Always remember to engage the motors before turning the power ON.
- Do not attempt to disengage the drive motors while seated on your S11DL. Personal injury may result. Ask your attendant for assistance.
- Do not disengage the drive motors while on an incline. This power mobility could roll uncontrollably on its own, causing personal injury.
Electromagnetic Brakes:
Your power scooter comes with Electromagnetic Brakes., i.e. an automatic magnetic disc safety brake which is also known as a Fail‐Safe brake. The electro‐magnetic Brakes are automatic and work when the power scooter is ON but in a steady state (i.e. Wigwag is released to the neutral position), even when the scooter is on a slope. The Electromagnetic Brakes will also be set whenever the power scooter is OFF, but the motor levers are in the engaged (vertical) position.
Parking brake:
There is an automatic parking brake function included in the electromagnetic brake. The scooter will stop when the motor is engaged and the power switch is off or when the power switch is on and the wigwag is in the neutral position. If the scooter is in the freewheel mode (motor is disengaged), you can use the manual parking brake function by moving the engaging/disengaging lever back into the engaged position by an attendant.
Thermal Protection:
Your power scooter controller is equipped with a safety system called thermal rollback. A built‐in circuit monitors the temperature of the controller and motor. In case of the excessive heat of the controller and motor, the controller will cut off the power to allow the electrical components to cool down. Although your power scooter will resume its normal speed when the temperature returns to a safe level, we recommend waiting for 5 minutes before restarting to allow the components to cool down.
BATTERY & CHARGING INSTRUCTION
| Item | Specification | Descriptions | Remark | ||
| 1 | Article Number | HT-01B | |||
| 2 | Material | CGR 18650PD | |||
| ‘ | PCM | 75-HA | |||
| 4 | Configuration | 7S4P | |||
| ’11 | Pack Nominal Capacity | 11.52Ah | |||
| 6 | Pack Nominal Voltage | 25.1V | |||
| 7 | Charge Max Volatage(V) | 29.4V | |||
| S | Charge Current | <6A | |||
| 9 | Discharge Max Current | <30•4 | |||
| 10 | Operating Current | 12A | |||
| IR(mc2) | <100m t-2 | ||||
| 11 | Thermistor | Charge Mode | 0 –I-45t | ||
| Discharge Mode | —20 —+60t | ||||
| 12 | Depletion Circuit | Inde Mode : <600uA | |||
| Sleep Mode : <100pA | |||||
| 13 | Circuit Fuse | Charge | 7.5A | ||
| Discharge | 30A | ||||
| 14 | Connector | Charge | 3P1 | ||
| Discharge | 3PIN. | ||||
| 15 | Charge Over Voltage | 4.3V .-:. 0.02ViCELL | |||
| 16 | Under Voltage | 3V t 0.02V/CELL | |||
| 17 | Short Protect | OUT(+).(-) External release | |||
| 18 | Weight | a 031Cgs | |||
WARNING
If the power scooter is not in use, we recommend that the batteries are charged periodically.
Note: Do not use any automotive batteries. They are not designed to handle a long, deep discharge and also are unsafe for use in a power scooter. The useful life of a battery is quite often a reflection of the care it receives.
- DO NOT operate this scooter with depleted batteries since the occupant could be stranded
- Please remove the battery package from the scooter unit before long term storage .
Handling at assembly
- In case of adding strong shock to battery or dropping battery, do not use the battery
- In case of distorting battery, do not use the battery
Storage
- It shall be kept in shipping condition (within 40%~60% SOC or 25V~26V voltage range for long period
- It is recommended to inspect the battery pack every 6 months to ensure the battery pack is at the best status for long-term storage. If the battery pack is out of the storage condition, specified in 1), it shall be charged or discharged to the recommended storage condition.
- It shall be kept in dry condition of low humidity, especially be free from high temperature
- Do not storage the battery near any heat sources nor in a place subject to direct sunlight to storage in a warehouse
Prohibition clause
- Do not throw the battery into fire, nor heat the battery
- Do not disassemble nor modify the battery pack
- Do not leave the battery in a place of high temperature (60 C or more)
- Do not immerse battery in water nor leaving in high moisture
- Do not add strong shock nor drop the battery
- Do not solder lead directly to the battery body.
- Do not hear nor solder the terminals of the battery
CHARGING INSTRUCTIONS
BATTERY CHARGER
The battery charger takes the standard wall outlet voltage (alternating current) and converts it into DC voltage (direct current). The batteries use a direct current to run your power scooter. When the batteries are fully charged, the amperage from the charger is almost at zero. This is how the charger maintains a charge but does not overcharge the battery.
Note 1: The batteries cannot be charged if they were discharged to nearly zero voltage.
Note 2: The power scooter meet the requirement of ISO 7176‐14:2008 and ISO 7176‐21:2003.
Note 3: Only use the battery charger type which was provided by the supplier. The use of any different type of charger can be hazardous and need the approval of the manufacturer.
Description
NL07‐25HT is a smart charger specially designed for Li‐ion battery packs composed of 7cells in series.
Electrical Specifications:
- Input : 100~240VAC, 50/60 Hz Output: 29.4V± 0.2V 2.5Adc ± 10%
- Charger output: The charger is preset by the factory for charging 7 cells Li‐ion battery pack. Charging mode: (1) Constant current (CC) mode: at beginning of charging, a 2.5Adc±10% (I(ave) ) constant charging current to charge the pack until the pack voltage reaches to 29.4V± 0.2V. (2) Constant Voltage (CV) mode: the output will keep 29.4V±0.2V constant through the end of charging.
- Pre‐charge state: When the battery voltage is lower than 21V±1V, will start the pre‐charge first. The charge current is 20% of CC charge current: 0.5Adc ± 10%.
- Re‐charge state: When the fully‐charged battery voltage drops lower than 28.3V± 0.5V,the charger will start a new charge cycle.
Note: Only use the battery charger which was provided by the power scooter supplier. The use of any different type of charger can be hazardous and need the approval of the manufacturer.

The Indicator Signal chat
| Signal Indicator | POWER | STATUS (dual color LED) |
| *Stand-by, *End of aunt | CUII)Little RED | Calbtala GREEN |
| *Pre-chaw state *Charger %WIC | ON | Constant REL) |
| *Over anent *Over vein ge over temperature | ON | Nash between RED and GREEN every second |
| *Zero Pottage pie-charge state *Shutt circa | ON | Flash bonen RED and 0REENRL11:16nwUREL N:496ith |
Mechanical Specification
- Dimension: 167*74*37 mm.
- Weight: 490g approx.
- Charger output: 3‐pin connector. (Pin 1‐Positive; Pin 2‐ Negative; Pin 3‐ XXX )
- AC socket: Standard 2‐p oblong
- AC cable: National wall plug type upon request.
Operation procedures:
- Attention! Connect the charger first to AC power *before* connecting the battery to the charger. Plug into AC mains the “power on” indicator will be on and the “Status” indicator will be GREEN, then connect the battery pack to a charger.
- If short circuit at the output is found, the “Status” indicator will flash between RED (16ms) and GREEN (496ms).The flash will be there until the system is reset and the short part is removed.
- During charging, the “Status” indicator turns on RED. When full, it turns on GREEN
- To avoid the case of failed battery pack, when the charger stays in the pre‐charge stage longer than 5 hours, it will stop charging and the “Status” indicator will be pulsed with a one second to indicate pre‐charge error.
- During charging, user can remove the battery from the charger any time as he/she wants. Users also could start to charge the battery at any time. The charger is able to determine the best cut‐in point where the charging process is starting to. In case of problems, please check the battery pack and repeat the above steps. If the problem persist, please contact your authorized dealer for assistance.
Check before Proceeding:
- Make sure the battery pack is compatible with NL07 before connecting.
- The 4‐pin connector of the output cable is pre‐set at the factory. Do not swap their connections which may cause serious hazards.
- NL07 charger is designed for use only with METCO battery packs and is not recommended for use with other battery packs. Battery packs from other manufacturers must be approved by METCO before using this charger to charge.
- NL07 is a precise tool and should be kept away from high-power EMI radiating devices.
Attention!! Never use this charger to charge a non‐rechargeable battery.
WARNING
- Always charge your batteries in well-ventilated areas.
- The charger is intended for indoor use only. Please protect it from moisture.
- For maximum performance, it is recommended that you replace both batteries at the same time if the batteries are weak.
- If the power scooter will not be used for a long period of time, arrange to have the batteries recharge at least once every month to avoid deterioration of the batteries.
- Can we use a different charger? Please understand that chargers are selected specifically for particular applications and matched to the type and size of specific batteries. In order to charge your power scooter safely and efficiently,we recommend the use of the charger supplied as original equipment with your Heartway product only. Any charging
method resulting in batteries being charged individually is prohibited.
Note:
A) Always charge your batteries in well-ventilated areas.
B) The charger is intended for indoor use only. Protect from moisture.
C) For maximum performance, it is recommended that you replace both batteries at the same time if the batteries are weak.
D) If the scooter will not be used for a long period of time, arrange to have the batteries fully charged for at least once every month.
According to the battery type and condition of the batteries, batteries usually can be fully charged in 4‐10 hours. This will be indicated when the status light in the battery charger side panel turns green. Charging the battery longer than necessary will not harm the battery. We recommended that you charge the batteries for 8 to 10 hours after daily use. Do not charge the batteries for more than 24 hours.
Note: There is a battery circuit diagram labeled on the frame. Please refer this diagram before you assemble the battery.
BATTERY MAINTENANCE INSTRUCTION
- Read through the charger operating instructions before using it.
- Make sure you charge the battery every time after you use the power scooter
- If the charger indicates red light, please kindly check if the charger is defective or if the cable wiring connection is poor.
- Please keep the battery terminals clean otherwise the charging condition will be poor.
Handling at assembly
- In case of adding strong shock to battery or dropping battery, do not use the battery
- In case of distorting battery, do not use the battery Storage
- It shall be kept in shipping condition (within 40%~60% SOC or 25V~26V voltage range for long period
- It is recommended to inspect the battery pack every 6 month to ensure the battery pack is at the best status for long-term storage. If the battery pack is out of the storage condition, specified in 1), it shall be charged or discharged to the recommended storage condition.
- It shall be kept in dry condition of low humidity, especially be free from high temperature
- Do not storage the battery near any heat sources, nor in a place subject to direct sunlight to storage in a warehouse Prohibition clause
- Do not throw the battery into fire, nor heat the battery
- Do not disassemble nor modify the battery pack
- Do not leave the battery in a place of high temperature (60 C or more)
- Do not immerse battery in water nor leave in high moisture
- Do not add strong shock nor drop the battery
- Do not solder lead directly to the battery body.
- Do not hear nor solder the terminals of the battery
MAINTENANCE & REPAIR
Your power scooter is designed for minimal maintenance. However, like any motorized vehicle it requires routine maintenance. To keep your S11DL for years of trouble‐free operation, we recommend you follow the following maintenance checks as scheduled.
DAILY CHECKS
- Visual check on the conditions of tires
- Inspect the battery condition meter on the controller to determine if batteries need to be charged.
MONTHLY CHECKS
- Visually inspect the controller harnesses. Make sure that they are not frayed, cut or have any exposed wires.
SEMI‐ANNUAL CHECKS
Check the motor brushes. We recommended that your authorized dealer inspect the brushes every six months or sooner if your power scooter is not operating smoothly. If the inspection determines excessive wear on the brushes, they must be replaced or motor damage will result.
CHECK
- Make sure to keep the controller clean while protecting it from rain or water. Never hose off your power scooter or place it in direct contact with water.
- Keep wheels free from lint, hair, sand and carpet fibers.
- Visually inspect the tire tread. If less than 1mm (1/32”), please have your tires replaced by your local dealer.
- All upholstery can be washed with warm water and mild soap. Occasionally check the seat and back for sagging, cuts and tears. Replace if necessary. Do not store your scooter in damp or humid conditions as this will lead to mildew and rapid deterioration of the upholstery parts.
- All moving mechanisms will benefit from simple lubrication and inspection. Lubricate using petroleum jelly or light oil. Do not use too much oil, otherwise small drips could stain and damage carpets and furnishings etc. Always perform a general inspection of the tightness of all nuts and bolts.
Disposal of Your Power Scooter/ Batteries
Your power scooter/batteries must be disposed of according to applicable local and national statutory regulations. Contact your local waste disposal agency or authorized dealer for information on the proper disposal of power scooter packaging, metal frame components, plastic components, electronics, batteries, neoprene, silicone, and polyurethane materials.
Cleaning and Disinfection
- Use a damp cloth and mild, non‐abrasive cleanser to clean the plastic and metal parts of your power scooter. Avoid using products that may scratch the surface of your power scooter.
- If necessary, clean your product with an approved disinfectant. Make sure the disinfectant is safe for use on your product before application. Follow all safety instructions for the proper use of the disinfectant and/or cleaning agent before applying it to your product. Failure to comply may result in skin irritation or premature deterioration of upholstery and/or power scooter finishes.
- Follow all safety instructions for the proper use of the disinfectant and/or cleaning agent before applying it to your product. Failure to comply may result in skin irritation or premature deterioration of upholstery and/or scooter finishes.
BATTERY TERMINAL CONNECTIONS
- Make certain that the terminal connections remain tight and uncorroded.
- The batteries must sit flat in the battery wells.
- The battery terminals should face towards the inside of the scooter.
WIRING HARNESSES
- Regularly check all wiring connections.
- Regularly check all wiring insulation, including the charger power cord, for wear or damage.
- Have your authorized dealer repair or replace any damaged connector, connection, or insulation that you find before using your scooter again.
AXLE BEARINGS AND THE MOTOR/TRANSAXLE ASSEMBLY
These items are all pre‐lubricated, sealed, and require no subsequent lubrication.
WHEEL/TYRE REPLACEMENT
If your scooter is equipped with pneumatic tires and you have a flat tire, you can have the tube replaced. If your scooter is equipped with a solid tire insert either the solid insert or the entire wheel must be replaced depending on the model. Contact your authorized dealer regarding replacement wheels for your scooters.
TROUBLESHOOTING & FAULT REPAIR
Dynamic 50 AMP CONTROLLER: Your power scooter is fitted with the DYNAMIC controller, which continuously monitors the operating conditions of your power scooter. If it detects a problem it will indicate with an error message by flashing light on the power ON/ OFF light. You must count the number of the flash, and see the list to check what kind of error has happened according to the number)
If, when powered up, there is an error with the system, then the status indicator will flash red. The number of flashes will indicate the type of error. These are described in the table below.
| Flash | Description | Meaning |
| 1 | Battery Low | The batteries are running low. • Recharge the batteries. |
| 2 | Low Battery Fault | The batteries have run out of charge. • Recharge the batteries. • Check the battery and associated connections and wiring. |
| 3 | High Battery Fault | The battery voltage is too high. This may occur if overcharged &/or travelling down a long slope. If traveling down a slope, reduce your speed to minimise the amount of regenerative charging. |
| 4 | Current Limit lime-out or Controller too hot | The motor has been exceeding its maximum current rating for too long. • The scooter may have stalled. Turn the controller off, leave for a few minutes and turn it back on again. • The motor may be faulty. Check the motor and associated connections and wiring. |
| 5 | Park Broke Fault | Either a park brake release switch is active or the park brake is faulty. • Check the park brake and associated connections and wiring. • Ensure any associated switches are in their correct positions. |
| 6 | Drive Inhibit | Either a Stop function is active or a Charger Inhibit or OONAPU condition has occurred. • Release the Stop condition (seat raised etc.) • Disconnect the Battery Charger • Ensure the throttle is in neutral when turning the controller on. • The Throttle may require re-calibration. |
| 7 | Speed Pot Fault | The throttle, speed limit pot, SRW or their associated wiring may be faulty. • Check the throttle and speed pot and associated connections and wiring. |
| 8 | Motor Voltage Fault | The motor or its associated wiring is faulty. • Check the motor and associated connections and wiring. |
| 9 | Other error | The controller may have an internal fault. • Check all connections & wiring. |
Note:
If you experience any technical problems, it is recommended that you check with your local dealer before attempting to troubleshoot on your own. The following symptoms could indicate a serious problem with your power scooter. Contact your local dealer if any of the following arises:
| Motor Noise | Frayed harnesses | Cracked or broken connectors |
| Uneven wear on any of the tires | Jerky motion | Pulling to one side |
| Bent or Broken wheel assembly | Does not power up | Powers up, but does not move |
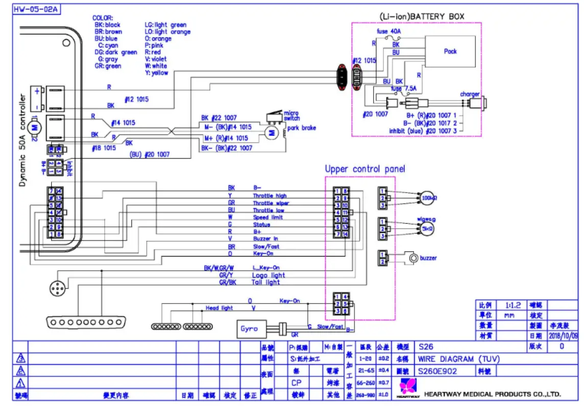
CIRCUIT DIAGRAM

BOM LIST DRAWING

| 1. FRONT FENDER 2. FRONT-WHEEL AXLE WELDING(R) 3. FRONT WHEEL BRACKET 4. STEERING STEM WELDIN G 5. MAT FRONT UPPER COVER 6. FRONT FRAME WELDING 7. TURNING COUPLING(OUTER) 8. COUPLING BOLT 9. RUBBER BUMPER 10. TURNING COUPLING(INNER) 11. FRONT LOWER COVER SPACER 12. BEARING FRONT INNER TUBE 13. WIGWAG ASSEMBLY 14THROTTLE ASSEMBLY 16. HANDLE 18. TOP COVER 19. LASER ADAPTER WIRING 20. FRONT STEERING SHROUD 21. LASER WRING | 22. METAL BUTTON 23SWITCH WIRING 24. PUSH TUBE 25. WELDING 26. ROTATING 27. INNERTUBE 28HANDLEBAR 29. LOCKING KNOB 30. FRONT FENDER 31. HEADLIGHT 32. WIRING FRONT 33. WHEEL AXLE WELDING 34. FRONT INNER RIM 35. FRONT TYRE DUST 36. COVER OUTER RNA WHEEL CAP 30WIGWAG ASSEMBLY 36. SPEED ADJUSTING KNOB 37. KEYLESS HANDLE REAR 38. COVE S PEED 39. POTENTIOMETER WRING 40. BUZZER |
| 41. HANDLE GRIP 42MAIN WIRING 43. ANTI-TIPPING WHEEL 44. HANDLE TUBE WELD 45. METAL BUTTON 46ADAPTER WIRING 47. ELECTRIC FOLDING CONTROL 48. GYROSCOPE WIRING 49. LOWER BODY COVER 50. WRING POSITIONING 52. PIN DC PLANETARY 53GEAR MOTOR WIRING 55TRANSAXLE 56. FRAME WELDING 57ACTUATOR 58. ELECTRIC FOLDING CONTROL | 59. WRING REAR BUMPER 60. STARLIGHT 61. SEAT ASSY 62. SEAT ARMREST 63. CROSS THE INNER R 64. CROSS THE GUTTER R 66. SLIDING TUBE SEAT 67. OUTER 68. FRAME WELDING 69. REAR INNER RIM 70. REAR TYRE REAR INNER 71.TUBE BUTTON TUBE WELDING 72. SEAT WITHIN THE FRAMEWORK WEI 73 .SEAT ARMREST 74. SPRING PIN ASSEMBLY |
WARRANTY DECLARATION
Quality/ Warranty Declaration Heartway will provide warranty parts, according to Heartway warranty replacement policy, to the importers/distributors/dealers, if the amaged/defective parts are found or reported during the warranty coverage period. However, the warranty coverage does not cover/apply to normal wear and tear or damage ue to accident, abuse, misuse, modification, water, pets, children, improper storage or acts of God. The warranty becomes effective on the date of PO container’s arrival date n/at the importers’ seaports.
Heartway’s Warranty as follows:
- Frame: Two‐year limited warranty
- Controllers: One‐and‐a‐half‐year limited warranty
- Electronic Components and Charger: One‐year limited warranty
- Warranty Exclusion. The following items are not covered by warranty.
| Motor brushes | Wheel Tires | Arm Pads |
| Seat Cushion | Fuses / Bulbs | Tiller Cover |
| Rear Shroud | Front Shroud | Batteries and Consumable parts |
Any damage or defect of any nature occurring from the misuse, abuse of the product, improper operation or improper storage is not to be covered. The warranty is to start from the date of arrival of our products. Normally, the average lifespan of a scooter will last 5‐year long. Heartway will be able to provide the spare‐part support for five-year-long after scooters are purchased.
Note: If you encounter a damaged or cracked battery; please enclose it in a plastic bag and call the local authorized dealers immediately for instructions on disposal and recycling.
S11DL![]()
Year of Production: 2018
Manufacture Address: HEART WAY — TAIWAN
Headway Medical Products Co., Ltd.
No.18, Jingke Central 1st Rd.,
Nantun Dist Taichung City 40852, Taiwan (R.O.C.)
Maximum User Weight: 120 Kgs
Do not leave your hands and legs off the scooter when driving.
Never operate the scooter while you are under the influence of alcohol.
Never use electronic radio transmitters such as walkie‐talkies, or cellular phones.
Make sure that there are no obstacles behind you while reserving your scooter.
Do not make a sharp turn or a sudden stop while riding your scooter.
Do not ride your scooter in traffic.
Do not attempt to climb curbs greater than the limitation show on Technical Specification
Do not allow unsupervised children to play near this equipment while the batteries are charging.
Do not rider your scooter in snow in order to avoid accidents on a slippery road.


















