EACHINE TXC23 VTX
5.8G ISM band simulation VTX

Product Instruction Manual
Product specifications
- Model: EACHINE TXC23 VTX
- Input voltage: DC 6-36V
- Output voltage: 5V/1A
- 12V/PIT@30mA
- 12V/25mW@140mA/16dBm
- 12V/200mW@190mA/24.5dBm
- 12V/600mW@280mA/28dBm
- 12V/800mW@330mA/30dBm
- Antenna interface:MMCX
- Output power: PIT / 25mW / 200mW / 600mW / 800mW switchable
- Frequency: 5.8GHz 6 bands, 48 channels
- Size: VTX(28mm x 28mm x 1.6mm)
- Externai Expansion Board(36mm x 36mm x 1.6mm)
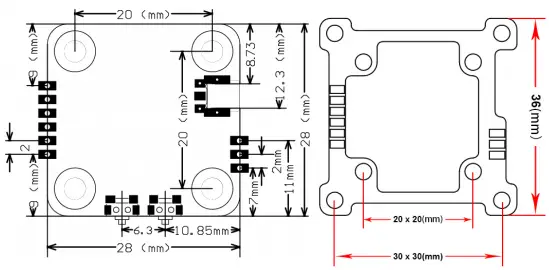
Product dimensions


![]()
- Make sure the antenna is already installed at output before powering up, to avoid damaging the internal components.
- Please note that the input voltage is within the specified range and wiring is correct, to avoid damaging the internal components.
- Under high-power work, the temperature of VTX surface is high. No touching to avoid burning your fingers.
- Click the button to switch power. The power of this VTX is switched and cycled in the order of PIT→25mw→200mw→600mw→800mw.
- Press and hold the button for more than 2 seconds to switch directly to PIT from the current transmit power;
- Click the button to switch channels, and the channel switches and cycles in the order of CH1, CH2, CH3…CH8 on the basis of the current channel;
- Press and hold the button for over 2 seconds , and the band switches and cycles in the order of A→B→E→F→R→L on the basis of the current band;

Eachine TXC23 VTX User Manual – Download [optimized]
Eachine TXC23 VTX User Manual – Download


















