
USER MANUAL
LPS500A-MM-LC-R3, LPS500A-MM-SC-R3, LPS500A-SM-10K-LC-R3
10/100/1000B-T TO 1000B-X POE PSE GBE MEDIA CONVERTER
24/7 TECHNICAL SUPPORT AT 1.877.877.2269 OR VISIT BLACKBOX.COM

SAFETY INFORMATION
CAUTION: Circuit devices are sensitive to static electricity, which can damage their delicate electronics. Dry weather conditions or walking across a carpeted floor may cause you to acquire a static electrical charge.
To protect your device, always:
- Touch the metal chassis of your computer to ground the static electrical charge before you pick up the circuit device.
- Pick up the device by holding it on the left and right edges only.
SPECIFICATIONS
TABLE 1-1. SPECIFICATIONS
| SPECIFICATION | DESCRIPTION |
| Compliance | |
| Standards | IEEE802.3u 10/100BASE-TX, 100BASE-FX IEEE802.3z/ab 1000BASE-T IEEE802.3af/at Power over Ethernet |
| Certifications | FCC Part 15 Class A; CE Mark |
| Data Transfer Rate | |
| Speed | 1000 Mbps, 100 Mbps, 10 Mbps |
| Forwarding Rate | 14,880 pps, 148,800 pps, 1,488,000 pps |
| Flow Control | |
| Full duplex | IEEE802.3x compliant for full duplex |
| Half-duplex | Backpressure flow control for half-duplex |
| Cable | |
| UTP | CAT5 cable (up to 328 ft. [100 m]) |
| Fiber | 50/125, 62.5/125 or 100/140 μm multimode; 8.3/125, 8.7/125, 9/125 or 10/125 μm singlemode |
| Indicators | |
| LEDs | POWER, PoE, TP LNK/ACT, SPD, FX LNK/ACT, ALRM, 15.4 W, 30 W |
| Power | |
| PSE | Supports “Endpoint” via TP pin 1, 2, 3, 6 |
| PoE Power Capacity | 802.af: 15.4 W; 802.at: 30 W |
| Power Requirement, AC Line | 100 to 240 VAC, 47 to 63 Hz |
| Power Consumption | Max. up to 65 W |
| Environmental | |
| Operating Temperature | 32 to 122° F (0 to 50° C) |
| Humidity | 5% to 95% |
| Mechanical | |
| Connectors | LPS500A-MM-LC-R3: (1) RJ-45 PoE, (1) pair of multimode LC; LPS500A-MM-SC-R3: (1) RJ-45 PoE, (1) pair of multimode SC; LPS500A-SM-10K-LC-R3: (1) RJ-45 PoE, (1) pair of singlemode LC |
| Dimensions | 1.6” H x 6.2” W x 5.2” D (4.0 x 15.8 x 13.3 cm) |
NOTE: For connecting this device to a router, bridge, or switch, refer to the corresponding device’s user manual.
OVERVIEW
INTRODUCTION
The unmanaged PoE PSE Media Converter is a next generation Ethernet media converter offering one gigabit per second performance. It is used in Ethernet copper to fiber media conversion applications over long distances. The media converter delivers one (10M/100M/1G) RJ-45 with one PoE port (supports 802.3af/at up to 15.4 W/30 W) and one GbE SC or LC port. The converter provides high hardware performance and environment flexibility for Ethernet applications.
AVAILABLE MODELS
Three models are available:
- LPS500A-MM-LC-R3: TP to Multimode Fiber Media Converter with RJ-45 and LC connectors
- LPS500A-MM-SC-R3: TP to Multimode Fiber Media Converter with RJ-45 and SC connectors
- LPS500A-SM-10K-LC-R3: TP to Singlemode Fiber Media Converter with RJ-45 and SC connectors
FEATURES
- RJ-45 link supports IEEE 802.3ab 1000BASE-T Gbps Ethernet over twisted-pair cable
- Fiber link supports IEEE 802.3z 1000BASE-X Gbps Ethernet over fiberoptic cable
- Provides IEEE 802.4at maximum 30 W Power over Ethernet (PoE)
- DIP switch sets PoE, LFP, and normal/cut-through configurations
- Power over Ethernet (PoE): The PoE converter provides PoE power and supports various PoE PD device types (IP-phone, IP camera, WiFi-AP) for end users to eliminate an extra power cable to these devices
- Link Fault Passthrough (LFP): When this is enabled, the UTP receiver is passed to the fiber transmitter to make the media converter
appear transparent to the end devices that are connected. It uses LFP to indicate when far-end fault issues occur. If a fault occurs, the end devices indicate a failure for troubleshooting.
WHAT’S INCLUDED
Your package should contains the following items. If anything is missing or damaged, contact Black Box Technical Support at 877-877-2269 or [email protected]
- 10/100/1000BASE-T to 1000BASE-X PoE PSE GbE Media Converter
- AC Power Cord
HARDWARE DESCRIPTION
Figures 2-1 and 2-2 show the front and back panel sof the converter. Table 2-1 describes the components.
FRONT PANEL

FIGURE 2-1. POE PSE MEDIA CONVERTER FRONT PANEL
BACK PANEL

FIGURE 2-2. POE PSE MEDIA CONVERTER BACK PANEL
TABLE 2-1. CONVERTER COMPONENTS
| NUMBER IN FIGURE 2-1 OR 2-2 | SIGNAL | DESCRIPTION |
| 1 | (1) RJ-45 PoE connector | Links to Powered Device (PD) |
| 2 | (6) TP LEDs: PoE, TP LNK/ACT, SPD, ALRM, 15.4 W, 30 W | Indicates twisted-pair port status |
| 3 | (2) FX LEDs: Power, FX LNK/ACT | Indicates fiber port status |
| 4 | LPS500A-MM-LC-R3 : (1) multimode LC connector: LPS500A-MM-SC-R3: (1) multimode SC connector; LPS500A-SM-10K-LC-R3: (1) singlemode LC connector | Links to Gigabit fiber network |
| 5 | (1) 3-prong power connector | Links to 100 to 240 VAC, 47 to 63 Hz power |
INSTALLING THE CONVERTER
PSE TP-Fiber Converter with Powered Device (PD)
- Connect the PSE media converter to an AC power source.
- Install the UTP media cable to the IEEE 802.3af PD converter.
FIGURE 3-1. MEDIA CONVERTER CONNECTIONS
NOTE: It can work as a pure converter that connects to the non-PoE converter. - Install the media cable for network connection.
WARNING:
- Verify that the AC input conforms to your country AC power requirement and then insert the power plug.
- Ensure that the power of PSE device is turned on
- Install the media cable for network connection
TABLE 3-1. CONNECTOR FUNCTIONS
| CONNECTOR | FUNCTION |
| TP Port | 10/100BASE-TX: Auto-Negotiation Auto-MDIX flow control for Full-Duplex backpressure for Half-Duplex |
| 1000BASE-TX: Auto-Negotiation mode Auto-MDIX only for Auto-Negotiation flow control for Full-Duplex only | |
| Fiber Port | 1000BASE-SX/LX (SC/LC) with flow control NOTE: Link partner must be 1000FDX with flow control |

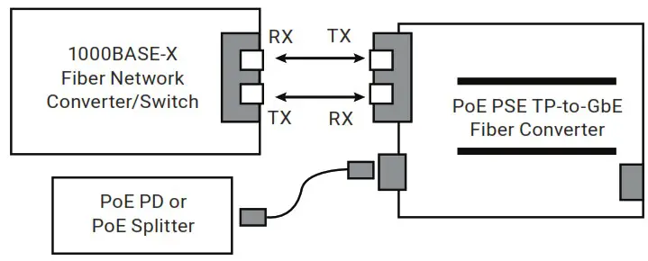
FIGURE 3-2. PSE TO PD OR POE SPLITTER
FIGURE 3-3. ENDPOINT PSE RJ-45 MALE CONNECTOR
NOTE: IEEE802.3af assigns pairs on the RJ-45 connector and Cat.5 cable of Endpoint PSE.
Endpoint : -48V via TP pin 1, 2, 3, 6
WDM SINGLE FIBER MODEL
The TP-Fiber converter is specially designed with an optic Wavelength Division Multiplexing (WDM) model that can transport a bidirectional full duplex signal over a single fiber simultaneously.
TABLE 4-1. SINGLE-FIBER TX/RX WAVELENGTH
| SINGLE-FIBER MODEL | TX/RX WAVELENGTH |
| 1310-nm singlemode 10 km | TX (Transmit) 1310 nm RX (Receive) 1550 nm |
| 1550-nm singlemode 10 km | TX (Transmit) 1550 nm RX (Receive) 1310 nm |
NOTE: The 1310 nm and 1550 nm models must be installed in pairs, i.e., install 1310 nm model at one end and 1550 nm model at the other one.

FIGURE 4-1. POWER FROM PSE TO PD
LINK FAULT PASSTHROUGH
The LFP (link fault passthrough) in a TX/FX converter application is controlled by the software and instantly takes effect. Link status on one port is propagated to the other port to notice the remote nodes. If the TP port is unplugged, this converter stops transmission on the fiber port. This causes the remote fiber node link to fail. An LED shows the link failure on both TP and fiber ports. If the fiber link fails, this converter restarts auto-negotiation on the TP port but always stays in the link failure state. This causes the remote TP node link to fail. An LED also shows the link failure on both TP and fiber ports. Refer to Figure 5-1 shown below for the normal status when the link succeeds.
Also refer to Figure 5-2 and Figure 5-3 for the error status when TP Cable A, Fiber Cable B, or Fiber Cable C fails to connect.
NOTE: Link fault pass through (LFP) function only takes effect as S1-Bit2 (see Figure 5-4) is enabled. Disabled S1-Bit2 will turn this media converter into a general one.


NOTE:
Black circle: Indicates LNK/ACT LED Lit
Open circle (black outline): Indicates LNK/ACT LED Off
NOTE: The LFP (Link Fault Passthrough) function can work with different link partners (for example: Fiber port on Switch). It does not need both converters with the same model in pairs.
LED DESCRIPTION
TABLE 6-1. LED INDICATORS
| LED | COLOR | FUNCTION |
| FX LNK/ACT | Green | Lit when fiber connection is good Blinks when packet is forwarding on fiber port |
| TP LNK/ACT | Green | Lit when TP connection is good Blinks when packet is forwarding on TP port |
| TP SPD | Green/Yellow | Green lit when TP speed is 1000 Mbps Yellow lit when TP speed is 100 Mbps Off when TP speed is 10 Mbps |
| PWR | Green | Lit when power is coming up Off when power was turned off |
| PoE | Green/Red | Lit green when PoE power is active Lit red when PoE feeling was disrupted (In case of over-temp or over-current) Off when PoE power was turned off |
| ALRM | Red | Lit red for Alarm |
| 15.4 W | Green | Lit when PD Class Type is Class 0–3 |
| 30 W | Green | Lit when PD Class Type is Class 4 |

FIGURE 7-1. RESET BUTTON AND S1–BIT 1, 2, 3 CONFIGURATION AND SETTING
Reset: Once S1-1, S1-2 is changed, press this button to activate the setting
S1-1 Bridge mode : Cut through (default) or Normal
S1-2 LFP : LFP enabled(default) or disabled
S1-3 PoE ON/OFF : Enable(default) or disable
NOTES:
- S1-1: Cut through mode support jumbo frame size max. up to 9216 bytes. Normal mode max. frame size up to 2048 .bytes
- S1-3: Must be set to PoE ON while power supplies to PD.
CABLE CONNECTION PARAMETER
1000BASE-SX/LX networks only support full-duplex mode. The Switch based Media Converter breaks up TP and Fiber segments’ collision domain to extend the cabling distance.
- UTP Cables: CAT5, or above CAT5e class
- UTP cables UTP Cable Limitations: Max. Length up to 328 feet (100 m)
- Fiber Cables:
- 1000BASE-SX: 50/125, 62.5/125, or 100/140m multimode
- 1000BASE-LX: 8.3/125, 8.7/125, 9/125 or 10/125m singlemode
TABLE 8-1. FIBER CABLE LIMITATIONS
| LED | MULTIMODE FIBER | SINGLEMODE FIBER | ||
| 1000BASE-SX (850 NM) | BANDWIDTH MHZ-KM | DISTANCE | BANDWIDTH MHZ-KM | DISTANCE |
| 260 | 220 m | 400 | 500 m | |
| 200 | 275 m | 500 | 550 m | |
| 1000BASE-LX (1310/1550 NM) | Single-Mode Fiber 9/125μm: 2Km Single-Mode Transceiver 1310nm: 10/30Km Single-Mode Transceiver 1550nm: 50Km | |||
TABLE 8-2. SINGLE-FIBER TX/RX WAVELENGTH
| SINGLE-FIBER MODEL | TX/RX WAVELENGTH |
| 1310-nm singlemode 10 km | TX (Transmit) 1310 nm RX (Receive) 1550 nm |
| 1550-nm singlemode 10 km | TX (Transmit) 1550 nm RX (Receive) 1310 nm |
NOTE: The 1310 nm and 1550 nm models must be installed in pairs, i.e., install 1310 nm model at one end and 1550 nm model at the other end.
APPENDIX A: REGULATORY INFORMATION
A.1 ELECTRONIC EMISSION NOTICES
This equipment has been tested and found to comply with the FCC Part 15, Subpart B, Class A and protection requirements of European Emission Standard as follows:
EMI Comply with FCC Part 15 Class A & CE Mark Approval
LVD EN 62368-1
Safety UL and others by request
A.2 FCC CLASS A STATEMENT
This equipment generates, uses, and can radiate radio-frequency energy, and if not installed and used properly, that is, in strict accordance with the manufacturer’s instructions, may cause interference to radio communication. It has been tested and found to comply with the limits for a Class A computing device in accordance with the specifications in Subpart B of Part 15 of FCC rules, which are designed to provide reasonable protection against such interference when the equipment is operated in a commercial environment. Operation of this equipment in a residential area is likely to cause interference, in which case the user at his own expense will be required to take whatever measures may be necessary to correct the interference. Changes or modifications not expressly approved by the party responsible for compliance could void the user’s authority to operate the equipment. This digital apparatus does not exceed the Class A limits for radio noise emission from digital apparatus set out in the Radio Interference Regulation of Industry Canada.
APPENDIX B: DISCLAIMER/TRADEMARKS
B.1 DISCLAIMER
Black Box Corporation shall not be liable for damages of any kind, including, but not limited to, punitive, consequential, or cost of cover damages, resulting from any errors in the product information or specifications set forth in this document and Black Box Corporation may revise this document at any time without notice.
B.2 TRADEMARKS USED IN THIS MANUAL
Black Box and the Black Box logotype and mark are registered trademarks of Black Box Corporation.
Any other trademarks mentioned in this manual are acknowledged to be the property of the trademark owners.
NOTES ________________
1.8 7.877.2269
BLACKBOX.COM
NEED HELP?
LEAVE THE TECH TO US
LIVE 24/7 TECHNICAL SUPPORT
1.877.877.2269

© COPYRIGHT 2021. BLACK BOX CORPORATION. ALL RIGHTS RESERVED.
LPS500A-MM-LC-R3_USER_REV2.PDF




















