
Please read the user‘s manual carefully before the installation and the first operation of the amplifier.
SPECIFICATIONS | VRX82A |
Subwoofer | 20 cm (8“) |
| Passive Radiator | 20 cm (8“) |
| Output Power RMS | 1 x 200 W |
| Output Power Max | 1 x 400 W |
| Lowpass Filter | 50 – 150 Hz @ 12/18dB/Octave |
| Subsonic Filter | Fixed at 15 Hz |
| Phase Shift | 0° / 180° |
| Bass Boost | 0 – 12 dB @ 45 Hz |
| Operating Voltage | +12 V (9 – 15 V), negative ground |
| Fuse Rating | 25 A |
| Dimensions (B x H x L) | 280 x 140 x 520 mm |
All specifications are subject to change
IMPORTANT NOTES PRIOR TO INSTALLATION
- This device is only suited for a 12-volt system with negative ground.
- The radiated heat while operation requires sufficient air circulation at the place of installation.
It is very important that the heat sink fins do not have contact with any metal parts or any surfaces which could impair air circulation.
The amplifier may not be installed in small closed locations or spaces without air circulation.
We recommend the installation in the vehicle’s trunk. Ensure sufficient protection against vibrations, dust, and dirt. - Ensure that the input and output cables are sufficiently separated from the power supply cables.
Otherwise, interferences may occur. - Ensure the accessibility of the fuse and the operating elements after installation.
- The reliability and performance of the amplifier depend on the quality of installation. Preferably consult an expert to install the system.
- Avoid any damage or removal of the components of the vehicle like wires, cables, board computers, seat belts, gas tank,s or the like.
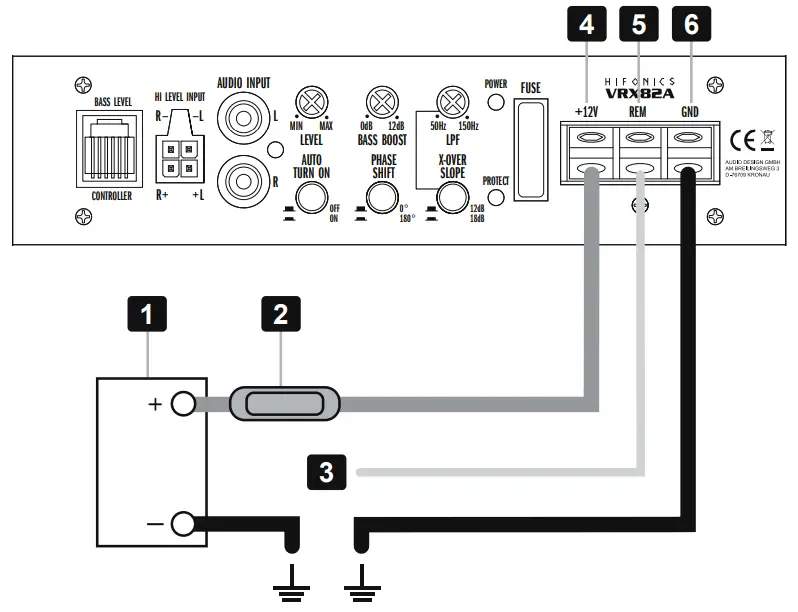
POWER SUPPLY AND TURN-ON-CONNECTION
ATTENTION: Before you start with the installation, disconnect the ground connection from the vehicle’s battery in order to prevent short
circuits.
The power wiring which is usually installed in onboard car networks is not sufficient for a power amplifier‘s demands. Make sure that the power wires to GND and to the +12 V terminal have been sufficiently specified.
First, connect the GND terminal [ 6 ] of the amplifier to an appropriate ground connection at the chassis.
To ensure a good connection, residue dirt and dust from the connection point. A loose connection may cause malfunctions or interferences noise and distortion.
Then connect the +12 V terminal [ 4 ] of the amplifier with the battery by using an appropriate cable including an in-line fuse. This fuse [ 2 ] should be located very close to the battery [ 1 ]; for safety reasons not more than 30 km away. Only insert the fuse when the installation, including the connection of the loudspeakers, has been accomplished.
Then connect the remote turn-on-wire [ 3 ] from the head unit with the amplifier‘s REM terminal [ 5 ].
A cable with a cross-section of 0.5 mm 2 is adequate.
If the device fuse [ FUSE ] is defective, it must be replaced with an equivalent one.

AUDIO SIGNAL CABLES
When installing the audio cables between the RCA outputs of the head unit and the RCA inputs of the amplifier [ 7 ], the audio and power supply cables should, if possible, not be routed along the same side of the vehicle. We recommend a separated installation, e.g. routing the power cable through the cable channel on the left side and the audio cables through the cable channel of the vehicle on the right side or vice versa. This prevents interferences due to crosstalk into the audio signal.
HIGH-LEVEL INPUTS & AUTO TURN ON
The high-level inputs under HI LEVEL INPUT [ 8 ] are suitable to connect the device input with speaker wires if your head unit is not equipped with pre-amplifier RCA outputs. Extend therefor every regarding speaker cable from your head unit with appropriate speaker cables from your car audio retailer to the mounting location of the amplifier. Then connect each matching loudspeaker cable with the cables of the included High-Level Input jack.
CAUTION: Never use the high-level inputs and the RCA inputs at the same time. This may damage the device seriously.
AUTO TURN ON
Push the AUTO TURN ON switch [ 9 ] to the ON position. The amplifier detects now a voltage rise (6 Volts) over the connected input signal on the HI LEVEL INPUT [ 8 ] when the head unit will be switched on. Hence, the amplifier will also be turned on. As soon as the head unit will be turned off, the amplifier turns also automatically off. In this case, the turn-on connection [ 3 ] is not needed.
NOTE: The AUTO TURN ON function usually works with 90% of all head units, because they are equipped with ”High Power”-outputs. Only with a few older and still existing head units the Auto Turn-On function is not working.
INPUT SENSITIVITY
Turn the LEVEL [ 10 ] controller of the amplifier to the MIN position. Then turn the volume controller of the head unit to 80 – 90% of its full setting. Now turn LEVEL [ 10 ] clockwise until you hear some distortion. Then turn back LEVEL [ 10 ] slightly until you hear a cleaner sound.

VARIABLE BASS BOOST
By using the BASS BOOST controller [ 11 ] you are able to increase the bass enhancement from 0 to 12 dB.
ATTENTION: Use the BASS BOOST wisely!
PHASE SHIFT SWITCH
The PHASE SHIFT switch [ 12 ] allows switching the phase from 0° to 180° to match the output signal with the vehicle’s interior acoustic.
VARIABLE LPF FILTER
Set the desired crossover frequency by using the controller LPF [ 13 ]. Thus that, only the frequencies below the chosen crossover frequency will be amplified and the subwoofer plays more precise and efficient. With the X-OVER SLOPE switch [ 14 ] the slew rate of the LPF filter can be set. The slew rate determines whether the filtered out frequencies should be attenuated normal (12dB) or high (18dB).
BASS LEVEL REMOTE CONTROLLER
With tha included bass level cable remote controller [ 16 ] allows adjusting the bass level e.g. out of the driver’s seat. Connect the remote controller and the BASS LEVEL CONTROLLER terminal [ 15 ] with the enclosed
cable.
PROTECTION CIRCUIT
The POWER LED [ 17 ] lights up green if the amplifier is in operation.
The PROTECT LED [ 18 ] lights up red when the amplifier is overheated, or a short circuit occurs respectively a too low impedance load is connected to the speaker outputs. If this event, the internal built-in protection circuit shuts down the amplifier automatically. The amplifier should work again properly after you have solved
the problems.

TROUBLESHOOTING
If you are having problems after installation follows the Troubleshooting procedures below.
Procedure 1:
Check Amplifier for proper connections.
Verify that POWER LED lights up green. If this is the case, skip to Step 3, if not continue.
- Check the in-line fuse on battery positive cable. Replace if necessary.
- Check fuse(s) on the amplifier. Replace if necessary.
- Verify that the Ground connection is connected to clean metal on the vehicle’s chassis. Repair/replace if necessary.
- Verify there are 9 to 16 Volts present at the positive battery and remote turn-on cable. Verify quality connections for both cables at the amplifier, stereo, and battery/fuse holder. Repair/replace if necessary.
- Check that the AUTO TURN ON switch is in the ON position and the HI LEVEL INPUT is connected correctly if you don’t use the RCA inputs AUDIO INPUT.
Procedure 2:
PROTECT LED lights up red.
- If the PROTECT LED lights up, this is a sign of driving the device at very high power levels without adequate airflow around the device. Shut off the system and allow the device to cool down. Check that the vehicle charging system is maintaining proper voltage.
If the previous items do not solve the problem, a fault may be in the device.
Procedure 3:
Check Amplifier for audio output.
- Verify good RCA input connections at stereo and amplifier. Check the entire length of cables for kinks, splices, etc.
Test RCA inputs for AC volts with stereo on. Repair/replace if necessary.
Procedure 4:
Check Amplifier for a popping noise while turning on.
- Disconnect the input signal to the amplifier and turn the amplifier on and off.
- If the noise is eliminated, connect the remote lead of the amplifier to the source unit with a delay turn-on module.
Procedure 5:
Check Amplifier if you experience excess Engine Noise.
- Route all signal-carrying wires (RCA, speaker cables) away from power and ground wires.
OR
- Bypass any and all electrical components between the head unit and the amplifier(s). Connect stereo
directly to the input of the amplifier. If the noise goes away the unit being bypassed is the cause of the noise.
OR
- Remove existing ground wires for all electrical components. Reground wires to different locations.
Verify that grounding location is clean, shiny metal free of paint, rust, etc.
OR
- Add secondary ground cable from negative battery terminal to the chassis metal or engine block of vehicle.
OR - Have alternator and battery load been tested by your mechanic? Verify good working order of vehicle electrical system including distributor,
spark plugs, spark plug wires, voltage regulator, etc.

Audio Design GmbH Am Breilingsweg 3 · D-76709 Kronau/Germany
Tel. +49 7253 – 9465-0 · Fax +49 7253 – 946510
www.audiodesign.de – www.hifonics.de
© Audio Design GmbH, All Rights Reserved

















