REBEL SERIES PUMPS
Operational and Installation Guidelines
RV Water System Pumps
53REBEL-JRV – 3.2GPM – 12VDC
54REBEL-JRV – 4.0GPM – 12VDC
55REBEL-JRV – 5.3GPM – 12VDC
55REBEL-65C – 120/60VAC with plug
53REBEL-JRV Rebel Series Pumps
Please read the following instructions before attempting an installation. When properly installed, Rebel Series pumps can be used in virtually any existing RV.
If you prefer to have the pump professionally installed, contact Remco (1-800-228-2481) to locate your nearest authorized service center.
Warning
The 5-chamber Rebel Series pumps are more powerful than most existing RV water pumps and, as a result, may draw more current (Amps) than the pump(s) they replace. It is imperative that any power supply, fuses/circuit breakers, wiring, switches, connectors, or controllers that are used to supply 12 VDC to the pump are adequately sized. Inadequately sized components may overheat, causing an electrical fire.
When installing a REBEL Series pump, positive voltage (+12VDC) must be connected to the REBEL’s red lead wire.
If you are uncertain with respect to any of this information, Remco highly recommends that a qualified technician perform your installation and determine the existing polarity of your current wiring.
Maintenance Tips
- Never operate the pump in an atmosphere where flammable gases may be present, since arcing at the motor brushes or switch contacts may cause an explosion.
- After extended operation, or if malfunctioning, metal surfaces of the pump may become hot and cause burns if touched. If this occurs, disconnect electrical power and wait 30 minutes before touching pump.
- Never mount the pump where the surface temperature of the motor or the controller (200° F maximum) may cause ignition of the surrounding materials.
- Do not wrap the pump with an insulating material or enclose it so tightly that air circulation around the pump is prevented. The pump will generate approximately the same amount of heat as a 75 watt light bulb.
- The pump should be mounted in a dry location away from any heat source(s).
- Pumphead materials are designed for use with water only and should never be used with petroleum products. Chlorine will deteriorate the parts in the pump. Always rinse the system with fresh water after sanitizing to help prolong the life of the parts.
- The pump is equipped with a pressure sensing demand switch which controls the maximum operating pressure as set at the factory. Never subject the pump to pressures above 90 PSI maximum.
- Always consider electrical shock hazards when working with and handling electrical equipment. If uncertain in your abilities, please consult an electrician.
- It is necessary to use a screen filter between the water holding tank and the pump to prevent debris from entering the pump.
Particulate matter may cause the valves inside the pump to stick open. This filter needs to be cleaned on a regular basis, or it will restrict water to the pump. - Winterizing the pump: If water is not drained from the system during freezing temperatures, damage to the pump and the plumbing is likely:
a. Drain the water holding tank.
b. Chlorine will deteriorate the parts in the pump. Always rinse the system with fresh water after sanitizing to help prolong the life of the parts.
c. Open all faucets and run the pump to expel all water
d. Disconnect inlet and outlet fittings and run pump to remove residual water from the pump.
e. Leave fittings disconnected from pump.
Installation Procedure
Installer qualifications
If you intend to install a Rebel Series pump without professional assistance, you should clearly be “handyman” competent enough to do simple low voltage electrical wiring, crimp connectors, obtain voltage measurements, understand polarity as well as schematics which illustrate relay connections. Additionally, you should be comfortable with water system plumbing, installing hose clamps, using Teflon tape, and removing/re-tightening compression fittings. A typical Rebel installation takes between 1 – 2 hours and requires the following:
Basic Tools
Flashlight, Voltmeter, Wire Stripper/Crimper, Standard Screwdriver, Phillips Screwdriver, Hose cutter, 8˝ Crescent Wrench, bucket, towels.
Depending on the RV’s layout, electrical, and plumbing configurations, additional hardware may be needed for a successful pump installation.
Electrical Supplies
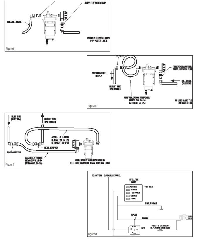
Relay, associated connectors, wire, electrical tape, and mounting hardware may be needed. For plumbing the pump to rigid (polybutylene or PEX) tubing, a flexible connector hose is strongly recommended for the pressure side. If the Rebel pump is mounted at a different location than the old pump, flexible connector hoses will be required on both the inlet and outlet side. A screen-filter should always be used between the RV water tank and the pump.
Planning the installation
- Determine whether or not your RV is currently using an ‘Intellitec’ pump controller (i.e. three or more “momentary” type switches which can be used to turn the pump on/off.). There are at least four (4) different types of Intellitec controllers currently in use, but not all of them can be used with the Rebel RV. Specifically, only a four terminal, 10 or 15 Amp rated Intellitec controller can be used to directly control the Rebel RV. Intellitec 7 Amp, 3 Amp or non-rated controllers should NEVER be used to switch the load of the Rebel RV.
The Intellitec controllers are typically located in the pump compartment (on some Fleetwood vehicles, however, they are located near the circuit breaker panel under the refrigerator). Once you’ve located the controller, before taking anything apart, make a sketch of the existing wiring including the colors of the wires and how they are attached. If you do have an Intellitec controller that does not say either “10 Amp” or “15 Amp” on the label, then you must either:
a. Replace it with a 10 or 15 Amp rated controller. For your convenience, Intellitec’s phone number is 1-800-251-2408.
b. Procure a 40 Amp rated relay (through either a local automotive store or directly through the Remco catalog, product number 20-267-6040-REM) to augment your existing controller. Please refer to Figures 3, & 4, page 4 and Figure 8, page 5. - Determine whether or not your present wiring is capable of supplying 10 Amps without generating an excessive voltage drop.
For a 10 Amp load, 14 AWG can typically be used up to 10 ft distances, 12 AWG up to 20 ft distances, and 10 AWG for distances of more than 20 ft. You can also determine if your wiring is adequate by using a Voltmeter, as follows:
a. Probe inside the wire nuts that connect the existing pump.
b. Write down voltage at pump with all valves closed and pump inactive. This is your nominal battery voltage.
c. Open a faucet or faucets so you get the pump running continuously.
d. Measure the voltage again at the pump wirenuts.
e. Note the running voltage.
f. Subtract the running voltage from the nominal voltage. This is your “voltage drop.”
If the voltage drop with your existing pump (typically 5 Amps) exceeds 1 Volt you will need to pull a new heavier (10-12AWG) ‘hot’ wire to the pump AND use a 40 amp relay (referenced in section 1b above) to connect your Rebel pump (see Figures 1 and 2, page 4).
Typically, if your RV uses one (1) switch to control the pump, the wiring is short and should prove sufficient. If your RV has two (2) rocker-style switches, you will see significant voltage drops and thus both the relay and the new heavier “hot wire” will be required.
Locate the battery and the fuse box for the pump. Identify which fuse protects the pump. Determine the source of power from which it will be simplest to pull a hot wire to the pump. Plan the routing of the wire and approximate the length of wire required. - Determine the optimal location for the Rebel RV. If possible, plan to position the Rebel pump horizontally, with its rubber feet resting on a “floor-like” surface rather than mounted on a wall. Never mount the pump in an area where gasoline vapors are present, as the motor may get hot (up to 200° F) after extended running. Locate the Rebel pump at least one inch away from any wall surface. In most cases, you’ll be able to mount the Rebel pump very close to where the old pump was located.
- Survey the existing plumbing and identify the suction line (i.e. the line going from the water holding tank to the pump). For the quietest possible operation of the Rebel pump, you should try to isolate the pump mechanically from your RV’s typically hard Polybutylene or PEX tubing. If your RV is currently plumbed with soft-walled, reinforced hose (see Figure 5, page 5), then your system should be perfectly sufficient as is. By installing a piece of IAPMO approved cold water hose (such as ‘Accuflex’
Series 136) between the pump outlet port and your RV’s hard plumbing, you will achieve the quietest possible pump operation.
Remco also offers, as an optional accessory, a 39˝ long pre-assembled hose with fittings (Remco product number 25-174) that will adapt directly to the Rebel RV and your existing plumbing. Please refer to Figures 6 & 7, page 5. - At the end of your survey you should have determined how to wire the Rebel pump. Your alternatives are illustrated in Figure
1, page 4 (“no change,” also applicable for single switch systems), Figures 2, 3 or 4, page 4 or Figure 8, page 5. You should also have determined how to plumb the pump. Your options are Figures 5, 6 or 7, page 5. Always make sure you have all hardware needed before you start the actual installation.
The 55REBEL-65C is an AC pump for connecting to a normal 115V house circuit. The previous instructions apply to this pump as well, with the exception of the power supply.
Note: To reduce the risk of electrical shock, this pump must be plugged into a ground-fault circuit interrupter protected electrical outlet.
Installation
- Using Voltmeter, determine polarity of the wiring to the existing pump(s). Unfortunately, there is no standardized color scheme for RV wiring (most RVs, however, seem to use red for the positive lead and black for the negative lead). Regardless of your specific configuration, positive voltage (12VDC) must be connected to the RED leadwire of the Rebel pump.
- Turn power “off” to existing pump(s).
- Open a faucet, bleed off all existing pressure, then close the faucet again.
- Disconnect the main power to the pump (either at battery or fuse panel).
- Remove the wire nuts from the leads to the old pump.
- Steps 1 and 2 of the earlier ‘Installation Planning’ section should have determined the applicable wiring method. As appropriate, wire the Rebel pump as per Figures 1, 2, 3, 4 or 8, pages 4-5.
- Connect outlet adapters
a. [For old pump outlets connected to hose, as in Figure 5, page 5] Insert O-ringed end of (Qest) threaded adapter into outlet port (marked with arrow pointing away from pump) of the Rebel pump. Lock fitting in place by pushing down retainer slide.
b. For old pump outlets directly connected to hard tubing, as in Figure 6, page 5]. Insert the O-ringed elbow fitting of the Accuflex hose adapter (sold separately) into the outlet port of the Rebel pump. Lock fitting in place by pushing down retainer. - Connect inlet adapters
a. [If the Rebel pump is to be directly plumbed to the existing inlet filter/fitting, as in Figures 5 and 6, page 5]. Insert the O-ringed end of threaded adapter into the pump’s inlet port (look for arrow pointing towards the center of the pumphead). Lock fitting in place by pushing down retainer slide.
b. [If the Rebel pump is to be remote mounted, as in Figure 7, page 5]. Insert the O-ringed elbow fitting of the Accuflex hose adapter (sold separately) into the inlet port of the Rebel pump. Lock fitting in place by pushing down retainer slide. - Remove the mounting screws from the old pump.
- Place a towel under the inlet port (suction side) of the existing pump(s) and quickly remove the connecting fitting/filter.
- Re-attach the filter/inlet fitting to the applicable adapter on the inlet side of the Rebel pump.
- If an Accuflex hose adapter is used on the outlet side (see Figures 6 and 7, page 5), place the other end of the hose adapter up high. This should stop water from being siphoned out.
- Place a towel under the outlet port (pressure side) of the existing pump(s) and remove the connecting fitting.
- Remove the old pump.
- Position the Rebel pump into its intended mounting place.
- Drive the mounting screws (Remco recommends #10 screws, 1.5˝ long, to be used with washers) into the floorboard. Be sure to stop just as the screw heads touch the washers so you do not compress the rubber mounting grommets.
- Bleeding prep
a. [If you are plumbing per Figure 5, page 5] Place a bucket under your plumbing system’s pressure hose, have an assistant open two inside faucets and drain water from the pressure line. Connect the pressure hose fitting to the Qest adapter on the pump outlet side.
b. [If you are plumbing per Figures 6 or 7, page 5] Place the open end of the Accuflex tubing from the Rebel outlet port into the bucket. - Reconnect the main power to the pump/relay using fuse box or battery.
- Have an assistant briefly power up the pump using one of the RV’s standard “pump switches”.
- Water should be flowing into the bucket (see Figures 6 and 7, page 5) or into the sinks (see Figure 5, page 5).
- Allow Rebel RV to run for 10-15 seconds to get rid of all air inside the pump, then power down the pump.
- Coil the Accuflex outlet tubing (pulsation dampener) and connect the pressure side Qest fittings. Use tie-wraps if necessary to insure that the tubing will not rattle.
- Power up the pump again and check for leaks. Tighten fittings where necessary.
- Your pump should now be ready for use. Power down the pump when there is no need for water.


TROUBLESHOOTING GUIDE
Rebel RV Series
- PUMP DOES NOT RUN
Cause Solution Tripped thermal protector/blown fuse Check fuse. If motor is overheated, allow it to cool down prior to restart. Faulty wire connection or power source Check battery/power supply, polarity, main switch and wiring. Pressure switch malfunctioning. Please contact factory, 1-800-228-2481. Motor malfunctioning Replace pump. Pump and/or motor is frozen Thaw pump and system and check for damage. The pump/motor may become damaged when a frozen pump is started. - PUMP RAPIDLY CYCLES ON/OFF WITH WATER DEMAND
Cause
Solution
Hydraulic pulsations Install pulsation dampener. P/N 25-174 (elbow fittings) P/N 25-175 (straight fittings) Restriction on outlet side of pump, resulting in too much back pressure Check inline filter, if any. - PUMP RAPIDLY CYCLES ON/OFF WITHOUT WATER DEMAND
Cause
Solution
Leak on outlet side of pump Check tightness of hose connections, check hose for possible damage. Fill valve bypassing to tank Replace fill valve. Debris under valves Flush pump in nominal flow direction. To flush pump: Turn on all the hot and cold faucets all the way and let the water run for a few minutes. - PUMP DOES NOT PRIME
Cause
Solution
Water tank empty Fill up tank. Leak on inlet side of pump Check tightness of hose connections at pump, filter, and tank. Check valves at inlet side. Debris under valves Flush pump in nominal flow direction. To flush pump: Turn on all the hot and cold faucets all the way and let the water run for a few minutes. Perforated diaphragm Please contact factory, 1-800-228-2481. Inlet or outlet plumbing restricted Check plumbing. Water should free flow from tank at 2 GPM minimum. - PUMP LEAKS
Cause Solution
Perforated diaphragm Please contact factory, 1-800-228-2481. Inlet/outlet fittings leak Replace O-rings and/or fittings. - UMP KEEPS RUNNING WHEN WATER IS NO LONGER DEMANDED
Cause Solution
Diverter valve in “fill” mode Close and/or rotate any valve used for filling water tank. Water tank empty Fill up tank. Leak on outlet side of pump Check tightness of hose connections; check hose for possible damage. Air leak on inlet side of pump Check tightness of hose connections. Check inlet hose, filter, and valves for possible damage. Purge air. Low voltage to pump Change battery/power supply. Check wire gauge. - OW FLOW/PRESSURE
Cause Solution
Leak on inlet side of pump Check tightness of hose connections, check hose for possible damage. Air in pump Purge air. Low voltage to pump Change battery/power supply. Check wire gauge. Debris under valves. Flush pump in nominal flow direction. To flush pump: Turn on all the hot and cold faucets all the way and let the water run for a few minutes. Motor malfunction Replace pump. - PUMP IS EXCESSIVELY NOISY
Cause Solution
Pump is plumbed directly to rigid tubing Install pulsation dampener. P/N 25-174 (elbow fittings) P/N 25-175 (straight fittings) Restrictive inlet, pump is cavitating Check plumbing. Water should free flow from tank at 2 GPM minimum. Pump head loose on motor Tighten screws. Pump mounting is loose Tighten screws. Pump mounting is too rigid Use flexible tubing and make sure the dampening rubber feet are used. Defective motor/drive Replace pump. - LECTROMAGNETIC INTERFERENCE
Cause Solution
Noise can be heard in Stereo System, or TV picture affected when pump is running Install EMI filter in line with pump. P/N 21-256 Operation of Heating/Cooling System changes when pump is running Install EMI filter in line with pump. P/N 21-256
Standard Warranty
REMCO warrants its products to be free from defects in material and workmanship on all products sold by REMCO for resale or for use in purchasers’ own business or original equipment manufacturer. Under normal use, maintenance and service (rental use excluded) the following terms apply:
For all REMCO products, the warranty will last for a period of one (1) year from date of manufacture, or one (1) year use with proof of purchase, with the exception of the Aquajet pumps, which is two (2) years. REMCO’s obligation under this warranty shall be limited to replacing or repairing, at REMCO’s discretion, any such product or part which must be returned to REMCO’s factory with a Return Material Authorization number (RMA), transportation charges approved by REMCO or prepaid, and which, pon
examination, is found to REMCO’s satisfaction to have been defective under the terms of this warranty. No credit will be allowed against future purchases for items returned as defective under the terms of REMCO’s warranty. REMCO warrants all pump series to be free from material and workmanship defects (under normal use and service) for a period of one (1) year from the date of manufacture, or one (1) year use with proof of purchase, with the exception of the Aquajet pumps, which is two (2) years. This warranty does not extend to any products which have been altered or modified outside the REMCO factory; to any products that have not been properly maintained; nor to units that are returned in an unassembled condition. Furthermore, the warranty does not extend to pumps that are non-compliant with REMCO’s Engineering Standards. This includes, but is not limited to, pumps ordered without an integral pressure control mechanism. The warranty guarantees that products will perform to REMCO’s flow and pressure specifications throughout the life of the warranty. The warranty does not cover wear, appearance, misuse, abuse, misapplication or external water damage. If the returned product is found not to be defective under the conditions of this warranty, a charge will be made for repair or replacement.
Brush wear may be limited to 1000 hours or less.
This is a Limited Warranty. It covers the product only and the extent of the coverage is limited to the cost of the product. As the manufacturer has no control over shipping, handling and installation, the warranty cannot cover water damage, or any other damage, caused by a leak or other malfunction.
THIS WARRANTY IS IN LIEU OF ALL WARRANTIES, EXPRESSED OR IMPLIED, INCLUDING IMPLIED WARRANTIES OR WARRANTIES OF MERCHANTABILITY AND/OR FITNESS FOR A PARTICULAR PURPOSE. NO PERSON IS AUTHORIZED TO GIVE ANY OTHER WARRANTY OR ASSUME OBLIGATION OR LIABILITY ON REMCO’S BEHALF. REMCO SHALL NOT BE LIABLE FOR ANY INDIRECT, INCIDENTAL, PUNITIVE OR CONSEQUENTIAL DAMAGES OF ANY KIND INCURRED BY THE REASON OF THE USE OR SALE OF ANY DEFECTIVE PRODUCT AND PART. THIS WARRANTY SHALL BE GOVERNED BY THE LAWS OF THE STATE OF MINNESOTA, WITH ANY DISPUTE OR CLAIM VENUED OR HEARD IN THE STATE OF MINNESOTA.
The Standard For Professional Grade Diaphragm Pumps.
www.remcoindustries.com



















