FS-VK-G4P Digital Proportional Radio Control System
User Manual 
WARNING:
This product is only for 15 years old or above
Thank you for purchasing our product, an ideal radio system for beginners or experienced users.
In order to ensure your safety, and the safety of others, read this manual carefully before using this product. If you encounter any problem during use, refer to this manual first. If the problem persists, contact your local dealer or visit our service and support website: www.flysky-cn.com
Safety
Safety Symbols
Pay close attention to the following symbols and their meanings. Failure to follow these warnings could cause damage, injury or death.
| • Not following these instructions may lead to serious injuries or death. | |
| • Not following these instructions may lead to major injuries. | |
| • Not following these instructions may lead to minor injuries. |
Safety Guide
- Do not use the product at night or in bad weather like rain or thunderstorm. It can cause erratic operations or loss of control.
- Do not use the product when visibility is limited.
- Do not use the product on rain or snow days. Any exposure to moisture (water or snow) may cause erratic operation or loss of control.
Interference may cause a loss of control. To ensure the safety of you and others, do not operate in the following places:- Near any site where other radio control activity may occur
- Near power lines or communication broadcasting antennas
- Near people or roads
- On any body of water when passenger boats are present
- Do not use this product when you are tired, uncomfortable, or under the influence of alcohol or drugs. Doing so may cause serious injury to yourself or others.
- The 2.4GHz radio band is limited to line of sight. Always keep your model in sight as a large object can block the RF signal and lead to loss of control.
- Do not touch any part of the model that may generate heat during operation, or immediately after use. The engine, motor, or speed control, may be very hot and can cause serious burns.
- Misuse of this product may lead to serious injury or death. To ensure the safety of you and your equipment, read this manual and follow the instructions.
- Make sure the product is properly installed in your model. Failure to do so may result in serious injury.
Make sure to disconnect the receiver battery before turning off the transmitter. Failure to do so may lead to unintended operation and cause an accident.- Ensure that all motors operate in the correct direction. If not, adjust the direction first.
- Make sure the model stays within the system’s maximum range to prevent loss of control.
Introduction
Transmitter Overview
![]() | ![]() |
| [1] | Panel flip cover | [10] | Wheel angle, the maximum rotation of the steering wheel is 35 degrees from center to left or right (CH1) |
| [2] | Steering reverse switch (ST.REV) | [11] | Throttle trim (TH.TRIM ) |
| [3] | Power indicator LED (R. LED) | [12] | Steering D/R (ST.D / R ) |
| [4] | Status indicator green LED (G.LED) | [13] | Power switch |
| [51 | Two-colors LED battery power level display (Car battery) | [14] | Base, 4 *M battery compartment |
| [6] | Lanyard hole | [15] | Three-position switch (CH3) |
| [7] | Bind button (BIND) | [16] | Key Switch SW2 (CH4) [Please operate this function by flipping] |
| [8] | Throttle reverse (TH.REV) | [17] | Throttle trigger has a total throw of 12 degrees, 12.5 degrees forward, and 12.5 degrees backward (CH2) |
| [9] | Steering trim (ST.TRIM ) |
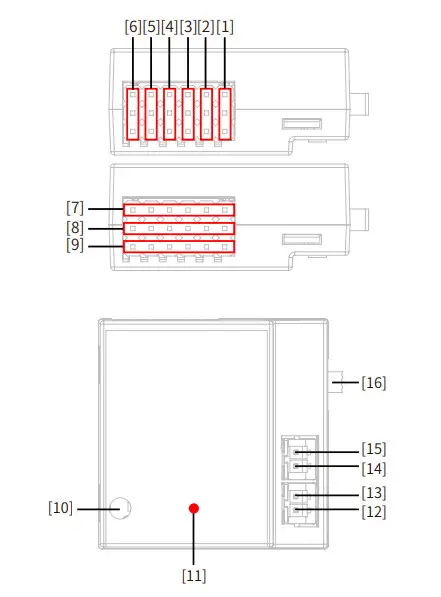
Receiver Overview

| [1] | CH1 | [9] | Signal end |
| [2] | CH3 | [10] | Antenna |
| [3] | CH4 | [11] | LED |
| [4] | Headlight interface | [12] | Motor interface “M-“ |
| [5] | Left turn signal light interface | [13] | Motor interface “M+” |
| [6] | Right turn signal light interface | [14] | Battery cable interface”-“ |
| [7] | Power cathode | [15] | Battery cable interface”-F” |
| [8] | Power anode | [16] | Power switch |
Getting Started
Before the operation, install the battery and connect the system as instructed below.
Transmitter Battery Installation
| • Only use specified batteries (X4 AA batteries). | |
| • Do not open, disassemble, or attempt to repair the battery. | |
| • Do not crush/puncture the battery, or short the external contacts. | |
| • Do not expose yourself to excessive heat or liquids. | |
| • Do not drop the battery or expose it to strong shocks or vibrations. | |
| • Always store the battery in a cool, dry place. | |
| • Do not use the battery if damaged. |
Battery Type: AA
- Open the battery compartment cover.
- Insert 4 AA batteries with the correct polarity. Make sure it is connected with the correct polarity to avoid damage.
- Replace the battery compartment cover.
Low battery alarm: When the battery is lower than 4.2v, the G.LED on the panel will flash slowly.
Instructions
After setting up, follow the instructions below to operate the system.
Power On
Follow the steps below to turn on the transmitter:
- Check to make sure that that battery is fully charged and installed correctly.
- Toggle the switch to the [ON] position. When active the R.LED will be lit.
- Power on the receiver.
• For safety always powers on the transmitter before the receiver.
| Note | • Operate with caution in order to avoid damage or injury. |
| Note | • Make sure that the throttle is at its lowest position and the switches are set to their up position. |
LED Indicator
- R.LED: The red power indicator;
- G.LED:
The green status indicator; - Car battery: Two-colors light for battery power level display (hereinafter referred to as D3)
• When the battery power level is high, the D3 green keeps on.
• When the battery power level is medium, the D3 orange keeps on.
• When the battery power level is low, the D3 red keeps on.
• When the battery power level is off, the D3 red slow flash
• When the receiver drops the code, the two-colors light is off.
Binding
The transmitter and receiver have already been bound at the factory.
However, if the receiver needs to be replaced or additional receivers are bound to follow these steps:
- Turn on the transmitter while holding the bind button to enter binding mode. G.LED will start flashing quickly.
• Once in binding mode release the BIND button. - The receiver will power on and wait for 1 second, if without connection, it will enter into the binding state automatically;
- Once binding is successful the LED of the receiver will keep on, and the G.LED will off.
Note: When binding, put the transmitter into the binding state first, then the receiver.
- Applicable to the FS-VK-G4P transmitter and the VK-R4A receiver. Different receivers have different binding procedures. For more information, visit the FLYSKY website for manuals and other related information.
- Product information is updated regularly, please visit our website for more information.
Stick Calibration
This function is used to set the neutral position for the throttle and wheel.
Every transmitter is calibrated before leaving the factory, however, if recalibration is required, please follow these steps:
- Turn and hold the wheel as far clockwise as it will turn, hold the throttle all the way forward, then turn on the transmitter in calibration mode.
• The R.LED and G.LED will flash twice.
• Car Battery, the D3 yellow keeps on. - Calibrate wheel: Turn the wheel completely clockwise, then completely counterclockwise.
• When calibration is completed the R.LED will be off.
• Car Battery, the D3 red keeps on. - Trigger calibration: Pull the trigger back and then forward as far as it will go.
• When calibration is completed the G.LED will be off.
• Car Battery, the D3 Green keeps on. - Both Wheel and rigger are Calibration passed.
• The two-color light is off. - Once calibration is completed, press the bind key to save and exit.
Power Off
Follow the steps below to turn off the system:
- Disconnect the receiver power.
- Toggle the transmitter’s power switch to the OFF position.
| • Make sure to disconnect the receiver power before turning off the transmitter. Failure to do so may lead to damage or serious injury. |
System Functions
This section focuses on the functions and how to use them.
Channel Description
The transmitter outputs a total of 4 channels, which are allocated as follows:
- CH1: Steering wheel
- CH2: Throttle trigger
- CH3: Three-position switch
- CH4: Key switch
Note: By default, the output of CH4 is 1000us, after which pressing the button will toggle between 1000 and 2000us.
Channel Reverse
This function is used to adjust each channel’s direction of movement in relation to its input.
The ST.REV/TH.REV switches are the reverse buttons for CH1 and CH2. If the switch is up it indicates reverse, and the down indicates normally.
Trims
The ST.TRIM is the trims for CH1 (steering) and can be multiplexed as Trims of CH3 and CH4. For multiplexing switching mode, see [5.5 Mode Switching].
TH.TRIMis the trims for CH2(throttle).
Adjustment range: -120us- + 120us, each step is 4us;
ST.TRIM + / TH.TRIM +: increase adjustment step;
ST.TRIM- / TH.TRIM-: Decrease adjustment step.
LED Indicator:
- When using the trim keys the G.LED will flash slowly on short presses and quickly on long presses.
- When the fine adjustment value is at the midpoint, the G.LED will flash twice slowly.
- When the fine adjustment value is at both ends (+ 120us / -120us), the trim adjustment is at its maximum and as such G.LED will not flash(if the fine adjustment value has been adjusted to + 120us, then press ST.TRIM + / TH.TRIM + key is invalid and G.LED has Instructions)
D/R
ST.D / R is for servo travel adjustment, which can be multiplexed as CH2 (throttle), CH3, or CH4 servo travel adjustment, see [5.5 Mode Switch] for multiplex switching mode;
Adjustment range: 0-120%(the default is 100%), the step is 5%.
ST.D / R +: increase servo travel.
ST.D / R -: decrease servo travel.
LED Indicator:
- When using the trim keys the G.LED will flash slowly on short presses and quickly on long presses.
- When the ratio value is at both ends (0/120%), the ST.D / R button is at its maximum, and as such G.LED will not flash(if the ratio value has been adjusted to 120%, then press the ST.D/R+ key invalid and G.LED has Instructions)
Mode Switching
This function is for reusing the ST.TRIM and ST.D / R buttons for different channels (see [5.3 Trims], [5.4 D/R).
Function setting:
Under normal power-on, quickly press the Bind button twice (within 1 Sec) to cycle through modes 1, 2, 3, and 4. The default setting when powering on is mode 1.
Mode 1: G.LED flashes slowly once, ST.TRIM is CH1 fine adjustment, and ST.D / R is servo travel adjustment.
Mode 2: G.LED flashes twice slowly, ST.TRIM is CH1 fine adjustment, ST.D / R is CH2 servo travel adjustment.
Mode 3: G.LED flashes three times slowly, ST.TRIM is CH3 fine adjustment, ST.D / R is CH3 servo travel adjustment.
Mode 4: G.LED flashes slowly four times, ST.TRIM is CH4 fine adjustment, ST.D / R is CH4 servo travel adjustment.
Failsafe
This function protects the user by preventing the model from behaving unexpectedly if the signal is lost.
The transmitter is default set as no signal output when facing malfunction as the Failsafe Protection.
Beginner Mode
Beginner mode is designed for people new to the hobby.
In this mode, the throttle will be limited to 50 percent, The channel range defaults to 1250~1500~1750us.
Setup:
To switch between beginner and normal modes, first press and hold the channel 4 button and Turn the handwheel to the bottom counterclockwise, then turn on the transmitter.
Note: By default, the system is set to normal mode. The LED will flash slowly for 3 seconds during power on if the system is set to beginner mode.
VK-R4A Receiver Function Instructions
VK-R4A based on ANT protocol is a three-in-one receiver with ESC and LED light group control board. It has an external single antenna, can output PWM signal and light control signal, can implement two-way transmission, adopts automatic binding, and has a compact design, which can be adapted to various models.
Attentions
- Make sure the product is installed and calibrated correctly, failure to do so may result in serious injury.
- Please carefully check each power device and car frame instructions to ensure the power matching is reasonable before use. Avoid damaging power system due to incorrect matching.
- Do not let the external temperature of the system exceed 90 ℃ /194 ℉ , because high temperatures will damage the power system.
- Make sure the receiver’s battery is disconnected before turning off the transmitter, failure to do so may lead to unintended operation or loss of control.
- After use, remember to disconnect the battery and the ESC. If the battery isn’t disconnected, the ESC will consume electric energy all the time even if it is off. It will discharge completely if connect the battery for a long time, thus resulting in the failure of the battery or the ESC. We are not responsible for any damage caused by this!
- Make sure the receiver is mounted away from motors or any device that emits excessive electrical noise.
- Keep the antenna of the receiver at least 1cm away from conductive materials such as carbon or metal.
- Do not power on the receiver during the setup process to prevent loss of control.
Use Guidance
- Connect related equipment.
• Make sure the ESC is off before connection. Connect the motor with M+ and M- of ESC.
Connect the steering servo to the 3Pin interface marked with “ST” of ESC (- + S connected correspondingly). Connect the battery with the positive and negative poles of ESC correspondingly.
Tips:
If the rotation direction is not correct during running, exchange the two wires connecting the motor and ESC.
Normal boot, identification throttle midpoint
- After connecting related equipment as step 1, turn on the radio first, and move the throttle trigger to the neutral position. Turn on the switch of ESC at last. The receiver will automatically recognize the battery type when it is powered on again. Then it can run it.
Notes:
a. The ESC can be run after completing self-inspection (about 3 seconds) if power is on, otherwise, it cannot be operated normally.
b. If there is no power output and the red light of ESC flashes quickly after power on, please check whether the throttle trim of the transmitter is set to the “0” position, the receiver will automatically recognize the midpoint of the trim throttle after restarting;
c. If the rotation direction is not correct during running, exchange the two wires connecting the motor and ESC.
d. To make sure everything is ok, please turn on the transmitter first and finally turn on the ESC, turn off the ESC first and finally turn off the transmitter.
Instruction on the binding of the receiver
If you need to bind the receiver again, please refer to [4.3 Binding]
Notes:
- Set the transmitter to its binding state first, and then set the receiver to its binding state. If the binding is not completed within 10s, the indicator light of the receiver will enter its slow flashing state.
- If re-binding is successful, all the settings of the car lights will be restored to their default values.
Protection Function Description
- Low voltage protection
The low-voltage protection value is 6.3V.
When the ESC detects that the battery voltage reaches the low-voltage protection value for 2 seconds, the output power of the ESC will be halved, that is, the ESC will operate at 50% of the output power. The ESC will cut off the output completely after a few seconds, and the red light of the ESC will blink in the cycle. After triggering the low-voltage protection, please replace the battery or fully charge the battery before use.
Note: If it is easy to trigger the low voltage protection during use, it is probably caused by the insufficient discharge capacity of the battery. Please replace the battery with a higher discharge rate to test. - Overheat protection
When the internal temperature of the ESC reaches the preset value (110 ℃ /230 ℉ ) of the manufacturer and lasts for 2 seconds, the ESC will directly cut off the output, and all car lights flash promptly,
Note: If ESC is easy to trigger the overheat protection, it is usually because the configuration is unreasonable, that is, the ESC cannot meet the vehicle configuration requirements, please reduce the vehicle load or replace the ESC with a higher power. - Signal loss protection
When the ESC detects that the throttle signal is lost for 0.1s, it will automatically cut off the output and the red light will flash quickly. - Self-check display:
All car lights will be on for 1S when the receiver is powered on.
Alarm for battery power
This receiver provides an alarm for the battery power level. You can observe the color of the LED indicator on the transmitter to learn about the battery power level in real-time. When the battery power level is too low, you need to charge in time.
- When the battery power level is high, the color of the LED indicator is green, and the LED indicator is always on.
- When the battery power level is medium, the color of the LED indicator is orange, and the LED indicator is always on.
- When the battery power level is low, the color of the LED indicator is red, and the LED indicator is always on.
- When the battery power level is ultra-low, the color of the LED indicator is red, and the LED indicator is in a flashing slow state.
Notes:
- When the battery power level is ultra-low, the throttle of the model car has no output, but the direction can be controlled.
- When the battery power level is not ultra-low, the model car can be controlled normally.
Car light control
The car light control has mainly implemented the changeover of lighting states and lighting modes by setting the transmitter.
- Car light control
The left and right turn signal lights of the model car are controlled by rotating the hand wheel of the transmitter, while the headlight control is done by toggling the CH3 key on the transmitter.
• When the hand wheel is rotated clockwise or counterclockwise, i.e. when the model car is turned to the left or right, the turn signal light is in a slow flashing state.
• When the CH3 key on the transmitter is located at the leftmost end, the headlight is off. When the CH3 key is located at the middle position, the headlight is on. When the CH3 key is located at the rightmost end, the headlight is in a fast flashing state. - Modes of the car light control
Press the CH4 button on the transmitter to switch the working mode of the car light control. One mode is switched while you press the CH4 button once. That is, turn signal light mode, emergency light mode, sharp flash mode, and off mode are switched in turn.
• Turn signal light mode: In this mode, the turn signal light is in a slow flashing state when the model car turns. The turn signal lights are always off when the model car doesn’t turn.
• Emergency light mode: In this mode, the turn signal lights are in a synchronous and slow flashing state regardless of whether the model car turns or not.
• Sharp flash mode: In this mode, the turn signal lights are in a synchronous and fast flashing state regardless of whether the model car turns or not.
• Off mode: In this mode, the turn signal lights are always off regardless of whether the model car turns or not.
Note: Every time the receiver is turned on, the mode of the car light control is in turn signal light mode.
Failsafe
This function is used to protect the safety of the model and the operator when the receiver cannot normally receive the signal from the transmitter and is out of control. The receiver defaults that the throttle channel is fixed to be out of control and enters the brake state. After other channels are out of control, the receiver has no signal output. If you set it on the transmitter, it will output according to the set value.
Product Specifications
This section contains the FS-VK-G4P transmitter and VK-R4A receiver specifications.
Transmitter Specifications( FS-VK-G4P)
| Product Model | FS-VK-G4P |
| Channels | 4 |
| Model Type | Car, Boat |
| RF | 2.4GHz |
| RF Power | <20dBm |
| 2.4GHz Protocol | ANT |
| Distance | >150m (ground) |
| Channel Resolution | 1024 |
| Battery | 6V DC 1.5AA*4 |
| Charging Interface | NO |
| Life time | According to battery type |
| Low Voltage Warning | <4.2V |
| Antenna Type | Built-in single antenna |
| Data Interface | No |
| Temperature Range | -10°C —+60°C |
| Humidity Range | 20-95% |
| Online Update | No |
| Color | Black |
| Size | 160*193*97mm |
| Weight | 220g |
| Certification | CE, FCC ID: N4ZG4P00 |
Receiver Specifications (VK-R4A)
| Product Model | VK-R4A |
| Applicable motor | 280/370 brushed motor 2T or RPM < 30000 @7.4V |
| Main applications | 1/16,1/18 On-road, Buggy, SCT, Truck, and Rock Crawler |
| LiPo/NiMH Cells | 2 LiPos or 5-7 NiMH cells |
| Continuous / peak current | 10A/ 50A |
| Parameter setting | Transmitter |
| PWM Channels | 4 |
| RF | 2.4GHz |
| 2.4GHz Protocol | ANT |
| RF Power | <20dBm |
| Distance | >150m (ground) |
| Antenna Type | External single antenna |
| RSSI | No |
| Data Interface | PWM |
| Temperature Range | -10°C —+60°C |
| Humidity Range | 20-95% |
| Online Update | No |
| Weight | About 11g |
| BEC Output | 5V/1A |
| Size | 33.3*33.3*14.8mm |
| Certification | CE, FCC ID: N4ZVKR4A00 |
Troubleshootings
| Trouble(s) | Possible Causes | Solution(s) |
| The motor cannot start and the indicator light is not on after power on. | 1. The ESC has no working voltage. 2.The switch of ESC or ESC itself is damaged | 1.Check whether there is any connection problem between the battery and ESC and whether there is faulty welding of the relevant plug. 2. Return to factory for inspection and treatment. |
| The motor cannot start and the red LED flashes quickly after power on. | The midpoint of throttle channel of radio is shift or changed | Adjust the throttle channel of the radio to match the existing neutral point (until the red light does not flash). |
| When forwarding the car by radio, it reverses. | 1. The connection sequence ESC and the motor line between output line of. 2. The throttle direction of the radio is wrongly set | 1. Exchange the position of two lines of the motor. 2. Set throttle direction of radio to the’ opposite direction |
| The motor suddenly stops rotating during rotation. | 1.The throttle signal is lost. 2.The ESC enters low voltage protection or overheat protection of battery | 1.Check radio and receiver. 2. The red light of the ESC will flash in a single cycle. Please check the battery voltage and the temperature of ESC. |
| When the motor starts, it accelerates rapidly, and the motor is stuck or stops. | 1. Battery discharge ‘ is insufficient capacity s insufficient 2. The rotation speed of 2. the motor is too fast, the gear ratio is not reasonable. | 1. Replace the battery with a strong discharge capacity. 2. Replace the low-speed motor, or increase the reduction ratio. |
Package Contents
Transmitter*1(FS-VK-G4P)
Receiver*1(VK-R4A)
Certification
DoC Declaration
Hereby, [Flysky Technology co., ltd] declares that the Radio Equipment [FS-VK-G4P] is in compliance with RED 2014/53/EU.
The full text of the EU DoC is available at the following internet address: www.flysky-cn.com.
CE Warning
The antenna(s) used for this transmitter must be installed to provide a separation distance of at least 20 cm from all persons and must not be co-located or operating in conjunction with any other transmitter. End-users and installers must be provided with antenna installation instructions and transmitter operating conditions for satisfying RF exposure compliance.
Appendix 1 FCC Statement
This equipment has been tested and found to comply with the limits for a Class B digital device pursuant to part 15 of the FCC rules. These limits are designed to provide reasonable protection against harmful interference in a residential installation. This equipment generates, uses and can radiate radio frequency energy and, if not installed and used in accordance with the instructions, may cause harmful interference to radio communications. However, there is no guarantee that interference will not occur in a particular installation. If this equipment does cause harmful interference to radio or televison reception, which can be determined by turning the equipment off and on, the user is encouraged to try to correct the interference by one or more of the following measures:
- Reorient or relocate the receiving antenna.
- Increase the separation between the equipment and receiver.
- Connect the equipment into an outlet on a circuit different from that to which the receiver is connected.
- Consult the dealer or an experienced radio/TV technician for help.
To assure continued compliance, any changes or modifications not expressly approved by the party responsible for compliance could void the user’s authority to operate this equipment.
This equipment complies with Part 15 of the FCC Rules. Operation is subject to the following two conditions:
- This device may not cause harmful interference.
- This device must accept any interference received, including interference that may cause undesired operation.
Caution!
The manufacturer is not responsible for any radio or TV interference caused by unauthorized modifications to this equipment. Such modifications could void the user’s authority to operate the equipment.
- The antenna(s) used for this transmitter must be installed to provide a separation distance of at least 20 cm from all persons and must not be co-located or operating in conjunction with any other transmitter. End-users and installers must be provided with antenna installation instructions and transmitter operating conditions for satisfying RF exposure compliance.
- Move all your channels to the desired position.
- Select [All channels] and then [Yes] in the confirmation box.
Environmentally friendly disposal
Old electrical appliances must not be disposed of together with the residual waste, but have to be disposed of separately. The disposal at the communal collecting point via private persons is for free. The owner of old appliances is responsible to bring the appliances to these collecting points or to similar collection points. With this little personal effort, you contribute to recycling valuable raw materials and the treatment of toxic substances.
CAUTION
RISK OF EXPLOSION IF BATTERY IS REPLACED BY AN INCORRECT TYPE.
DISPOSE OF USED BATTERIES ACCORDING TO THE INSTRUCTIONS
FCC Statement
This device complies with part 15 of the FCC rules. Operation is subject to the following two conditions: (1) this device may not cause harmful interference, and (2) this device must accept any interference received, including interference that may cause undesired operation.
Changes or modifications not expressly approved by the party responsible for compliance could void the user’s authority to operate the equipment.
NOTE: This equipment has been tested and found to comply with the limits for a Class B digital device, pursuant to part 15 of the FCC Rules. These limits are designed to provide reasonable protection against harmful interference in a residential installation. This equipment generates uses and can radiate radio frequency energy and, if not installed and used in accordance with the instructions, may cause harmful interference to radio communications. However, there is no guarantee that interference will not occur in a particular installation. If this equipment does cause harmful interference to radio or television reception, which can be determined by turning the equipment off and on, the user is encouraged to try to correct the interference by one or more of the following measures:
- Reorient or relocate the receiving antenna.
- Increase the separation between the equipment and receiver.
- Connect the equipment into an outlet on a circuit different from that to which the receiver is connected.
- Consult the dealer or an experienced radio/TV technician for help.
The device has been evaluated to meet general RF exposure requirements. The device can be used in portable exposure conditions without restriction.
www.flysky-cn.com
Copyright ©2021 Flysky Technology co., ltd
Release date: 2021-06-15
FCC ID:
N4ZG4P01
FCC ID: N4ZVKR4A00




















