STEGO Type CS/CSL 028 User Guide
WARNING
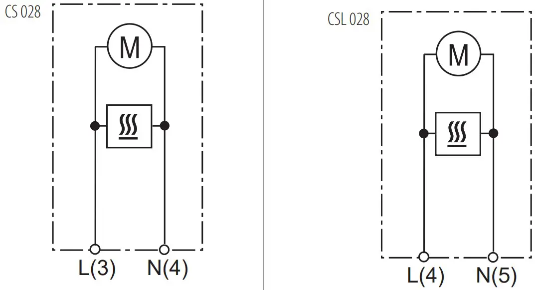
There is a risk of personal injury and equipment damage if the connection values are not observed or polarity is incorrect!
WARNING
Hot surfaces following commissioning! Risk of injury!
Safety considerations
- Installation must only be performed by qualified electrical technicians in observation of the respective national power-supply guidelines (IEC 60364).
- The safety measures according to VDE 0100 are to be ensured.
- The technical specifications on the type plate must be strictly observed!
- The user of the heater must ensure through installation that components which are mounted above the air outlet grating are not damaged by the hot outlet air.
- The device must be connected to mains via an all-pole disconnecting device (with contact gap of at least 3 mm in the switched-off state).
- The device must not be operated in environments with aggressive atmospheres.
- The device is to be installed vertically (air blow direction upwards).
- No changes or modifications must be made to the device.
- In the event of any damage to or malfunction of the heating unit, the device must not be repaired or put into operation (dispose of the heating unit).
- Dismantle the heater only after it has cooled down.
Attention! The heater must not be mounted on flammable materials (e.g. wood, plastic etc.).
Attention! The heater must always be operated together with the fan! DANGER OF OVERHEATING!
USAGE
Heating units are used to prevent the development of condensation and drops in temperature in control cabinets. The heaters must only be used in stationary, sealed housings for electrical devices. Heating units without an integrated thermostat should be connected in series to a suitable thermostat for temperature control. Heating units must not be used for the heating of rooms.
Instructions


| 6.3A (T) 150/250W – 120/230V | |
| 6.3A (T) 400W – 120V | |
| 10A (T) 400W – 230V | |
![]() | 13.8m³/h (150W – 120/230V) |
| 45m³/h (250/400W – 230V) | |
| 54m³/h (250/400W – 120V) | |
![]() | AC 230V, 50/60Hz |
| AC 120V, 50/60Hz | |
![]() | max. 90%rH |
| -45 … +70°C | |
| (-49 … +158°F) | |
![]() | 0.3kg (150W) |
| 0.5kg (250/400W) |
Notice
The manufacturer accepts no liability in the case of failure to observe this brief instruction, improper use and changes or damage to the device.






















