KOHLER K-8298 Elongated Bidet Toilet Seat Owner

Features
- Hybrid heater provides continuously heated water for consistent comfort.
- Heated seat with five adjustable temperature settings.
- Stainless steel wand with automatic UV-light self-sanitization.
- LED lighting illuminates the bowl to serve as a nightlight.
- Ergonomically designed side panel offers larger control buttons for comfortable control.
- Front and rear wash modes provide warm water for cleansing.
- Adjustable water temperature and water pressure.
- Choose oscillating or pulsating spray.
- Warm-air drying system with adjustable temperature settings.
- Automatic deodorization with carbon filter for odor control.
- Quiet-Close™ functionality to prevent seat from slamming.
- Grip-Tight bumpers hold seat firmly in place.
- Quick-Release™ functionality allows seat to be removed easily from toilet for convenient cleaning.
- Ergonomically designed for comfortable seating.
Material
- Plastic construction.
Installation
- Requires connection to toilet water supply line. All hoses and connections are included.
Included Components
- Additional Components:
- Inlet water supply hose
- Seat mounting bracket
- T-fitting
Codes/Standards
- ASME A112.4.2/CSA B45.16
- UL 1431
- CSA C22.2 No. 64
- CSA C22.2 No. 68
KOHLER® Intelligent Toilet and C3® Cleansing Seat Three-Year Limited Warranty
- See website for detailed warranty information.
Available Colors/Finishes
Color tiles intended for reference only.
Color Code Description
0 White
96 Biscuit

Required Electrical Service
One dedicated circuit required, protected with Class A Ground- Fault Circuit-Interrupter (GFCI). Outside North America, this device may be known as a Residual Current Device (RCD). 120 V, 15 A, 60 Hz
Technical Information
All product dimensions are nominal.
- Seat shape type: Elongated
- Seat front type: Closed-front
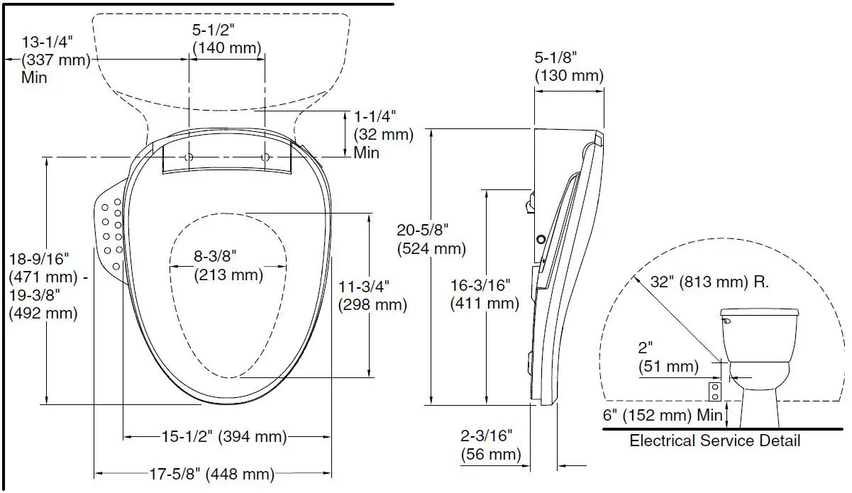
- Seat-mounting holes: 5-1/2″ (140 mm)
- Power cord length: 43″ (1092 mm)
Notes
Install this product according to the installation guide. Connect the seat to a cold water supply of drinking quality water at a pressure of 20 psi – 80 psi (139 kPa – 551 kPa). Do not install this seat in a location where: (1) water might be splashed on the product or (2) excessive moisture, high humidity levels, or condensation is present. This will avoid damage to the electronic components.
CAUTION
Risk of property damage. A single extension cord may be used provided the cord “Type” begins with “SJ”, 12 gauge, grounded (12/3), no longer than 25 feet, and plugged into a GFCI outlet. Promptly replace any extension cord that exhibits any sign of damage. To avoid possible product malfunction, do not plug in the seat until instructed to do so. Locate the recepticle at least 6″ (152 mm) above the floor, and within a 32″ (813 mm) radius measured 2″ (51 mm) from the bowl ledge.
1-800-4KOHLER (1-800-456-4537) Kohler Co. reserves the right to make revisions without notice to product specifications. For the most current Specification Sheet, go to www.kohler.com. 11-4-2021 04:36 – US/CA



















