Badu® Stream II
SwimJet System
Package A (with square cover)
With a BaduStream II SwimJet system, there is something for everyone. This versatile swim jet system is available in several different packages to satisfy a variety of exercise styles and budgets. The BaduStream can be configured with one, two, or three jets. Its compact low profile swim jets fit flush against your pool wall.
Features
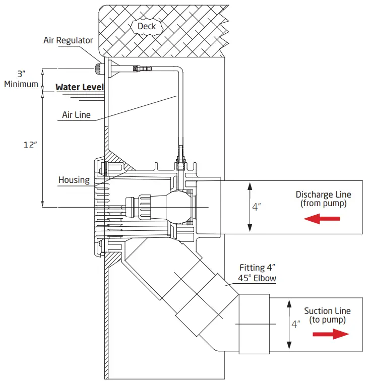
- Patented flush-mounted jet housing for minimum visibility.
- Anti-entrapment cover (8-1/4” x 8-1/4”) provides undetectable suction. (Round or Square covers available)
- Adjust the flow with a simple turn of the jet nozzles, and quickly adapt to any swimmer’s pace.
- Air regulator venturi allows for an exhilarating white-water effect.
- Underwater LED Touch Button with 50 ft. cable installs in a standard 1.5” return fitting, and allows for easy control from inside the pool.
- Control from outside the water with our intuitive BADUConnect App via WiFi.
- Comes with our proven 21-80 4HP pump, robustly designed for durability and maximum flow.
- The system includes nozzle adjustment tools to help set the jet nozzles in position for optimum performance.
- Optional pulsating massage hose that can be attached to the jet nozzle.
- Optional winter cover kit.
Installation Specifications
The BaduStream is normally incorporated into the design, but it can be added to any pool at a later date. The BaduStream has no protruding parts, ensuring pool users’ safety. All BaduStream systems include an LED touch button with 50’ cable (mounts in all standard 1.5” return fitting), Speck controller, and Speck 4 HP pump. 4” or 6” plumbing is required, depending upon the package chosen.
- The BaduStream requires a clear unobstructed area within the swimming pool that is 8 ft wide x 15 ft long x 3 ft deep to work effectively.
- The BaduStream should be installed within 30 ft. of the pump with a 4” pipe and minimal fittings for optimum performance. If the distance to the pump is greater than 30 ft., then a 6” pipe should be used.
All BaduStreams are provided with installation instructions for various pool construction types: new and existing gunite or concrete pools, pools with liners, steel wall pools, and fiberglass pools.
Read all instructions before installing.
Color Options

Round covers are available in black, gray, and white.
Trademarks and Certifications

Applications
The BaduStream will instantly transform your pool and give you multiple options for aquatic exercise, therapy, massage, and just plain fun. Our BaduStream can be used for swimming, jogging, walking in place, massage, boogie boarding, and more.
Side View
NOTE: Patented combined suction and discharge fitting does not require main drains.
Consult your physician before attempting any strenuous exercise. This product may not be challenging or satisfying for all levels of exercise.
8125 Bayberry Road, Jacksonville, Florida 32256 USA
Phone: (904) 739-2626
Fax: (904) 737-5261
Website: www.speck-pumps.com
REV. 12/2021


















