Down4Sound JP83 8300 WATT RMS Class D Amplifier Owner’s Manual
FEATURES
- STRAPPABLE DIGITAL MONOBLOCK AMPLIFIER
- STABLE INTO 1OHM MONO LOAD
- HIGH SPEED MOSFET POWER SUPPLY
- VARIABLE LOW PASS FILTER
- VARIABLE SUBSONIC FILTER
- VARIABLE BASS BOOST
THESE AMPLIFIER AWESOMENESS WAS BROUGHT TO YOU BY, JP , JACOB SCOTT, SHANE EKSTROM & TEAM DOWN4SOUND
- 4 WAY PROTECTION CIRCUITS
( THERMAL, HIGH & LOW VOLTAGE, SPEAKER SHORT AND DC ) - BLUETOOTH REMOTE CONTROL ( REMOTE BASS KNOB WITH VOLTMETER, AMPLIFIER TEMPERATURE AND CLIPPING INDICATOR )
- HIGH PURITY COPPER PRINTED CIRCUIT BOARD
- 0 GAUGE POWER / GROUND TERMINALS.
SPECIFICATIONS
| Rated Power Output | JP33 | JP43 | JP63 | JP83 |
| RMS power, lohm | 3300W x 1 | 4300W x 1 | 6300W x 1 | 8300W x 1 |
| RMS power, 2ohms | 2300W x 1 | 2300W x 1 | 4300W x 1 | 6300W x 1 |
| RMS power, 4ohms | 1200W x 1 | 1300W x 1 | 2300W x 1 | 3300W x 1 |
| RMS power, 2ohm Linked | 7000W x 1 | 9000W x 1 | 13500W x 1 | 20000W x 1 |
| Frequency Response | 14Hz – 260Hz | 14Hz – 260Hz | 14Hz – 269Hz | 14Hz – 271Hz |
| Low Pass Filter | 35Hz – 250Hz | 35Hz – 250Hz | 35Hz – 250Hz | 35Hz – 250Hz |
| Subsonic Filter | 10Hz – 50Hz | 10Hz – 50Hz | 10Hz – 50Hz | 10Hz – 50Hz |
| Phase | 0° – 180° | 0° – 180° | 0° – 180° | 0° – 180° |
| Input sensitivity | 6V – 0.2V | 6V – 0.2V | 6V – 0.2V | 6V – 0.2V |
| signal to Noise Ratio | 96dB < | 89dB < | 91dB < | 92dB < |
| T.H.D @ 4ohm | less than 0.10/0 | less than 0.10/0 | less than 0.1% | less than 0.1% |
| Working voltage | 9V -16V | 9V – 16V | 9V – 16V | 9V – 16V |
| Single unit fuse rating | 350A | 400A | 700A | 900A |
| Strapped fuse rating | 700A | 8400A | 1400A | 1800A |
| Length (inches) | . 13.78 | 15.75 | 19.68 | 23.62 |
| Width x height (inches) | 9.37 x 2.64 | 9.37 x 2.64 | 9.37 x 2.64 | 9.37 x 2.64 |
All features are subject to change in the continuing effort to improve the products without notice.
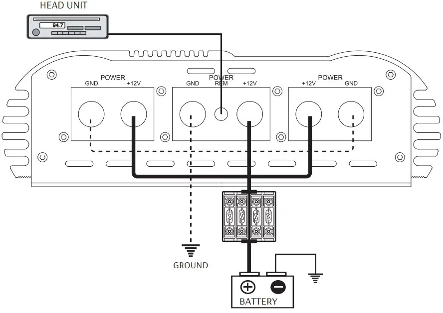
POWER CONNECTIONS

The JP33 & JP43 have 2 (two) Power & Ground inputs The JP63 & JP83 have 3 (three) Power & Ground inputs Attach the correct cables and wires accordingly.
Caution
THE JP33, JP43, JP63 & JP83 are not supplied with internal fuses. Make sure you install an in-line fuse holder from the POSITIVE terminal of battery.
+12V POWER
Connect the +12V terminal of the amplifier to the positive terminal of the battery using the same diameter as the ground cable, making sure you install in-line fuse holder, approximately 11 inches to 16 inches ( 300 mm to 400 mm ) from the positive terminal of battery, making surethat there is no fuse in the holder
GROUND ( GND )
Disconnect the battery and connect the GND (ground) terminal to the car’s chassis.
Keep this cable as short as possible (not longer than 20 inches ).
Making sure that the connection with the chassis is rust free and clear of paint or grime.
With high power amplifiers, It is best to connect ground to negative ( ) battery terminal.
REMOTE ( REM )
Connect the REM terminal of the amplifier to the power antenna terminal or the dedicated remoteturn on using 12 or 16 ga. electrical wire.
SINGLE UNIT’S SPEAKER CONNECTION
SPEAKER CONNECTION 1.
ALL SPEAKER CONNECTION & AMPLIFIER ADJUSTMENTS ARE THE SAME FOR THE JP 33, 43, 63, & 83
Caution
Minimum working impedance is 1ohms Any impedance (load) lower than 1ohms can damage the amplifiers
SPEAKER CONNECTION 2.
INPUT CONNECTIONS
SINGLE INPUT CONNECTION
STRAPPABLE POWER ( REM ) CONNECTION
SLAVE AMPLIFIER
STRAPPABLE SPEAKER CONNECTION
STRAPPABLE INPUT & SPEAKER CONNECTION
Set Output master/input slave switch to output master on master amplifier. Set Output master/input slave switch to input slave on slave amplifier. Connect RCA from master amplifier to slave amplifier
Caution
In Strappable connection, Minimum working impedance is 2ohms. Any impedance(load) lower than 2ohms can damage the amplifiers
SLAVE AMPLIFIER
Using a strappable configuration, the MASTER amplifier has total control over the SLAVE amplifier.
When using dual amplifier to operate subwoofer, the positive terminal of the subwoofer’s voice coil must be connected to the positive terminal of the MASTER Amplifier and the negative terminal of the subwoofer’s voice coil must be connected to positive terminal of the SLAVE Amplifier.
When hooking two amplifiers to it, please check the power handling capabilities of your subwoofers they are not exceeded.
BLUETOOTH REMOTE CONTROL

- 7-Segment LED display It displays Volt / °F / °C / Volume Level
- Pushing switch to change Volt / °F / °C display Pushing 3 seconds for pairing between BT remote control and amplifier.
- CLIP starts to blink when THD is over 3%
- PAIR ( GREEN) LED is on when BT remote pairs with amplifier
- Remote Et Amplifier Turn on / off by pushing
Turn level from 0 to 100
Pushing 3 seconds for Sleep ( SLP ) or ALL mode change
Sleep ( SLP ) mode displays 10 seconds then, go into sleep mode
All mode displays always
Sleep mode is default when BT turns on - C type connector for power from car or portale power bank.
Bluetooth Remote control working manual.
- Power on : Pushing #5 potentiometer then, display dIS (DISCONNECTION ) dIS is displayed before pairing or disconnecting the pairing.
- Pairing
Pushing #2 for 2 ~ 3 seconds for pairing. Then, display SCN then, display volt as below
Alter 10seconds of displaying volt then, go into sleep mode. Once touch #2 or #5 , then live again
[ SLEEP MODE is default -10 seconds display ]
PAIR LED ( Green ) is lit when it is paired. When If is off, try pair again. - ALL mode ( displaying LED is always on )
Pushing #5 for 3 seconds, then changed from Sleep mode to All mode by displaying ALL then, to display Volt.
When pushing #2 switch then, display change from Volt, ℉ and℃. When turning #5, then display value of level for 10 seconds, then change to volt. at All mode, Display is always on . ALL mode consumes baery lot so when you use ALL mode, beer use C type connector for power supply from car or check power status from portable power bank. - SLEEP mode ( Displaying 10 seconds then go into sleep mode )
At All mode, Pushing #5 for 3 seconds, then changed All mode to Sleep mode
When pushing #5, display SLP then, display volt then, sleep mode in 10 seconds. - Fahrenheit / Celsius display
On the display of voltage, push #2 one time, then display Fahrenheit for 10 seconds then, to sleep mode On the display of voltage, push #2 twice , then display Celsius for 10 seconds then, to sleep mode - dIS ( Disconnection ) & Err ( Error ) display
On the display of dIS, try pairing again and move bluetooth remote control close to amplifier On the display of Err, It is malfunction and try by replaving bluetooth remote control or Bluetooth module in amplifier - link mode ( master /slave connection mode )
Due to Remote turn on / off fuction on BT remote control,
In Link mode, Bluetooth remote control at master amplifier works only. So please do not use Bluetooth remote control for slave amp
In Link mode, Please connect REM from master amplifier to Slave amlifier for REMOTE turn on / off feature. so when Bluetooth remote control turns off remote then, master amp and slave amp both are off.
If master and slave amp REM is not connected each, Slave amp is not off even master amp is REM turned off from BT remote control.- Master amp is power connected ( Slave should be disconnected ), then pair with Bluetooth remote.
- Slave amp is power connected, REM is connected from master amp.
- BT remote control master amp in link mode.
TROUBLE SHOOTING
The JP33, JP43, JP63 & JP 83 amplifiers have STATE OF THE ART protection features to prevent any damage from misuse or faulty conditions. If the amplifier senses excessive heat, short circuited speakers DC or voltage, the protection indicator will light, and the system will be turned off. In order to check the problem, you shouldturn all level down and all power off and carefully check the installation for wiring mistakes or short, checkthe subwoofer too. Sometimes spiders rip and they short the coil.
If amplifier shuts down due to excessive heat, it will work once it cools down. Check Bluetooth remote the temp meter on hot days, and after extensive us. Before removing your amplifier, refer the list below and follow the suggested procedures.
NO OUTPUT
- Check remote turn-on voltage at amplifier and headunit, when remote turn-on voltage is low orno turn-on voltage, amplifiers will remain off.
- Check fuses at the baery side or external fuses and all wire connections.
- Check RCA Input is properly connected.
AMPLIFIER SHUT DOWN ( PROTECTION )
- Please check POWER, GND and REMOTE wire connection and other wires for proper connection.
- When input voltage greater then 4V DC is present at the amplifiers RCA input, the amp will go into DC protect. In this case, remove the RCA input cable.
Check whether the amplifier comes out of the protection. if it does, you will need to replace the headunit or signal processing source. - If amplifier overheats, the thermal protection will turn off the amp. Amplifier will be back to work after cooling down a lile bit. Please install amplifier with beer ventilation to allow it to cool.
- JP33, JP43, JP63 and JP83 have minimum working impedance of 1ohm as single unit and 2ohm for strappable connection.
- P33, JP43, JP63 and JP83 working voltage is 9V – 16Volts.
- Make sure Chassis and Remote use same GROUND.
DISTORTION & NOISE
- Please readjust amplifier input gain level which is printed on endplate.
- Make sure there is a good ground connection for amplifier and headunit.
- Use sufficiently shielded RCA interconnects and good RCA routing. Avoid running RCA signal wires near power cables.
- Check all ground connections of all other audio equipment.
POOR BASS RESPONSE
- Check speaker wiring and reverse polarity.

















