2000.4 4 Ohm 2000 Watt 4 Channel Powersports Amplifier
Owner’s Manual
INTRODUCTION
DEAR CUSTOMER,
CONGRATULATIONS ON ACQUIRING A PRODUCT WITH THE HIGHEST QUALITY AND TECHNOLOGY!
You have just purchased a SounDigital product of the highest technology and quality, so we thank you for your confidence.
SounDigital products are made with raw materials of the highest quality standards, and the most modern processes, equipment, and technology are used in their production.
In this manual, you will learn about the product, its features, and its characteristics, in order to obtain the best result and to be able to enjoy your music with SounDigital quality and power.
To better understand and take advantage of all the functions of the product and use it safely, read this manual carefully and if you have any questions, consult our support by email [email protected].
FEATURES
- Resistant to moisture, water splash, and dust;
- Compact design;
- Conformal coated circuit board;
- Variable crossover with LP / FULL / HP selector switch;
- High-efficiency Class D;
- Robust construction, resistant to vibrations and bumps;
- IP64 Rating.
PACKAGE CONTENTS
- 1 EVOPS Amplifier
- 1 Installation quick guide with warranty card
- 1 Allen wrench 2mm
- 1 Allen wrench 2.5mm
- 1 Allen wrench 3mm
- 1 Soundigital promotional black sticker
- 1 Soundigital promotional white sticker
SAFETY INSTRUCTIONS
To prevent injuries to the user or damage to the amplifier, read all safety instructions written in this manual;
If you are insecure about the installation of this equipment, get in touch with our tech support or with a professional specializing in car audio/vessel audio installation;
Before proceeding with the installation of any electric equipment on your vehicle/vessel, unplug the negative (-) terminal of the battery to avoid fires, injuries, or damages;
Use your sound system safely. Continuous exposure to sound pressures over 85dB may cause irreversible hearing damage;
This equipment is for use in DC voltage batteries between 12.6 and 14.4 volts. Before installing the equipment, check the voltage of the batteries;
Choose a ventilated place to install the amplifier ;
Mount the amplifier in a secure way. Avoid mounting it on metallic parts of the vehicle/vessel, because it may cause ground looping (noise);
Make sure that the location chosen for the amplifier installation does not affect the operation of the vehicle/vessel;
Please select a dry location to mount your amplifier. The products are designed to operate in humid environments but direct contact with water can damage the amplifier.
When passing cables through metallic walls, use rubber O-rings to avoid cable cutting and short-circuits.
Clean the amplifier periodically with a brush or dry cloth to assure the thermal efficiency of the heatsink.
This product may reach temperatures over 60°C/140°F. Make sure it is cold before touching it;
Be careful when making holes in the vehicle/vessel. Make sure you are not making holes in the fuel tank, brake lines, boat hull or electrical cables of the vehicle/vessel;
Make sure the cables are properly secured throughout the installation;
Wear gloves, safety glasses, and all necessary PPE during the installation of SounDigital amplifiers.
THIS “WARNING” SIGN ALERTS THE USER OF IMPORTANT INFO. NOT FOLLOWING THIS INSTRUCTION MAY CAUSE INJURIES TO THE USER OR DAMAGE TO THE EQUIPMENT.
TECHNOLOGIES
DYNAMIC THERMAL MANAGEMENT – DTM

The DTM* is a dynamic thermal management system that always maintains high efficiency of the amplifier by accelerating the thermal exchange of electronic components with the heatsink
ULTRA COMPACT PCB

An intelligent layout, with great use of the PCB area and the use of modern components with reduced structure, guarantee SounDigital products a compact design, at the same time robust and with excellent thermal efficiency.
ROBUST CONSTRUCTION
Thinking about the application of power sports, the product has an extremely robust assembly, both the correction points and the layout of the plate were designed to withstand high vibrations, bumps, and impacts.
VIBRATION ABSORPTION DEVICE
SounDigital added a new device to the EVOPS products which act like shock absorbers reducing the impact of vibration on the electronic circuit board, thereby increasing the life and reliability of the amplifiers.

POWER SUPPLY

SounDigital amplifiers are known for their low consumption of batteries, and this feature was improved on the EVOPS Line. The new I-POWER SUPPLY is even more modern, which replaces the old toroidal transformers with a new generation of “EE” core transformers that deliver efficiency above 90% *, ensuring more hours of sound without battery recharge.
*Efficiency measured at power supply only
MARINIZATION WITH PROTECTION INDEX IP64
The product is protected against the ingress of dust particles and water droplets from all sides, beyond that, the plate receives a conformal coating treatment to protect the components from moisture.
ASSEMBLING AND DISASSEMBLING THE PLASTIC SEALS


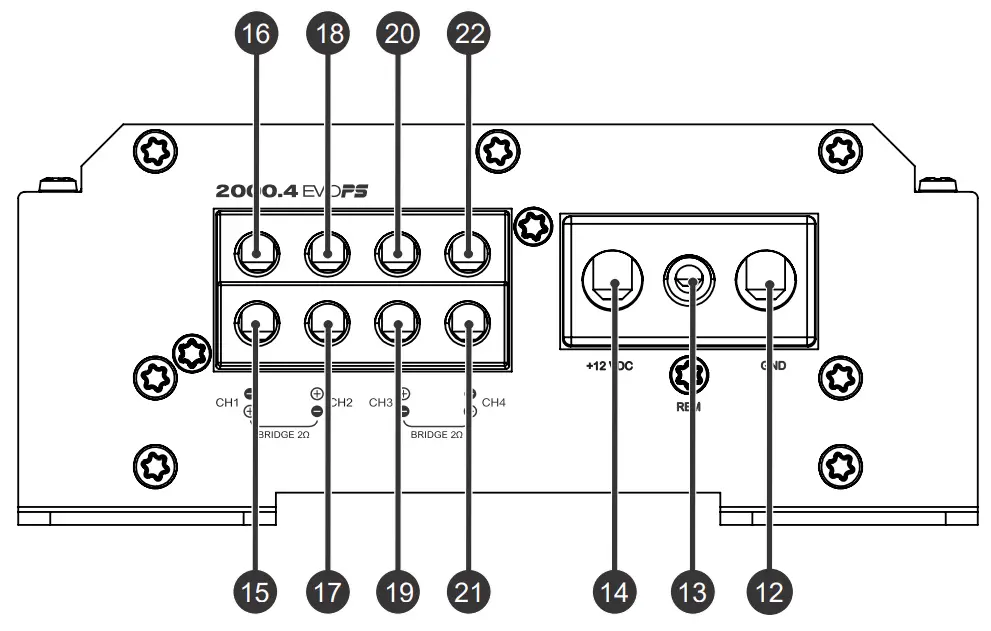
PANELS DESCRIPTION

| 1 | CH1/CH2 | Variable crossover control – 45Hz to 850Hz |
| 2 | CH3/CH4 | |
| 3 | CH1/CH2 | Crossover Switch Low Pass – Full – High Pass |
| 4 | CH3/CH4 | |
| 5 | CH1 | Audio input – RCA connector |
| 6 | CH2 | |
| 7 | CH3 | |
| 8 | CH4 | |
| 9 | CH1/CH2 | Variable Gain Control |
| 10 | CH3/CH4 | |
| 11 | – | Power ON LED indicator (Blue) |

| 12 | – | Negative power supply connector (GND) |
| 13 | – | Remote power supply connector (REM) |
| 14 | – | Positive power supply connector (+12VDC) |
| 15 | CH1 | Positive speaker connector Negative speaker connector |
| 16 | ||
| 17 | CH2 | Negative speaker connector Positive speaker connector |
| 18 | ||
| 19 | CH3 | Negative speaker connector Positive speaker connector |
| 20 | ||
| 21 | CH4 | Positive speaker connector Negative speaker connector |
| 22 |
ELECTRICAL DIMENSIONING AND AUDIO INPUTS
ELECTRICAL DIMENSIONING
For proper operation of your SounDigital amplifier, you need the proper dimensioning of the electrical system and the cables used.
The table below shows the minimum section of GND cables, +12VDC cables, and speaker output cables according to the power generated by the amplifier.
| 2000 WRMS | POWER CABLE GROUND CABLE | 21mm² – 4 AWG |
| SPEAKER CABLE | 2 x 2mm² – 12 AWG |
We recommend the use of ONLY OFC (Oxygen Free Copper) Cables on the installation of our products.
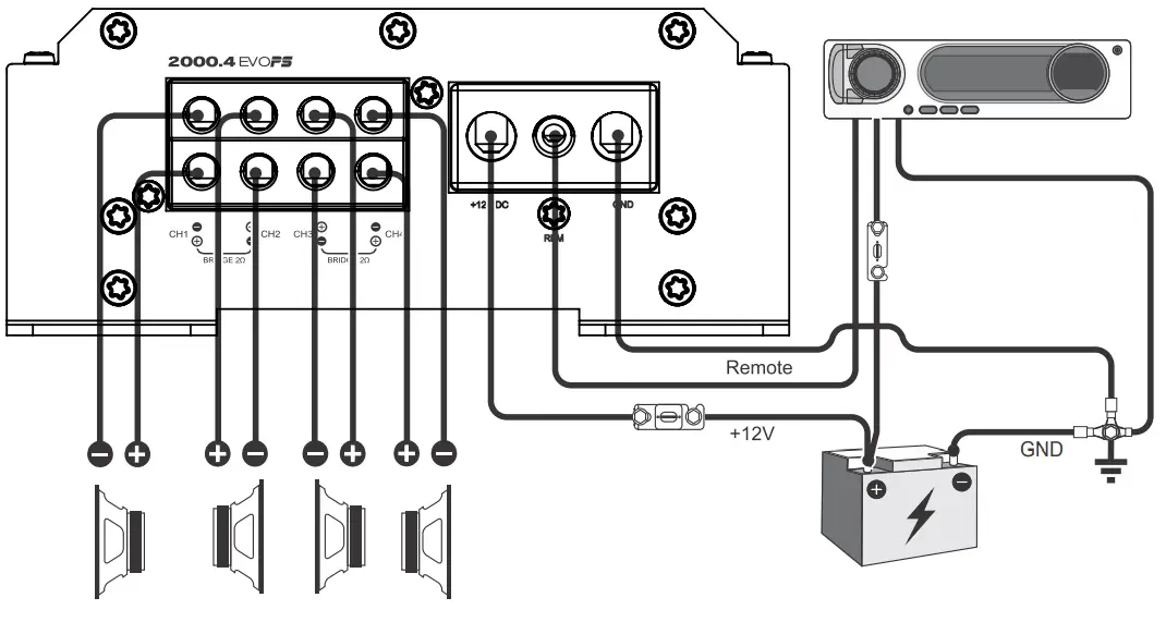
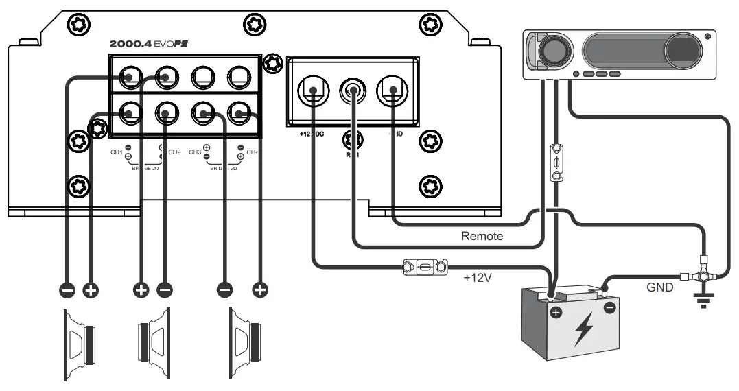
INSTALLATION SEQUENCE
BEFORE PROCEEDING WITH THE INSTALLATION, UNPLUG THE NEGATIVE TERMINAL FROM ALL OF THE BATTERIES, TO AVOID FIRE, DAMAGE TO THE AMPLIFIER AND THE USER HIMSELF
- Mount the amplifier in such a way you have access to the connectors;
- Install the power cables in the vehicle/vessel properly, starting from the battery to the fuse holder or circuit breaker, use the cable with the appropriate size. Make all connections, and install fuse holders or circuit breakers, but without placing the fuses or with the circuit breakers in the “Off” position.
THE MAX: DISTANCE FOR THE INSTALLATION OF THE FUSE/CIRCUIT THE BREAKER IS ONE FOOT (30 CM) AWAY FROM THE BATTERY
- Connect the power cables to the amplifier, observing the polarity. Connect all the positive cables from the fuse holder or circuit breaker to the positive connector of the amplifier and all the negative power cables from the batteries to the negative connector of the amplifier;
- The ground cable must be as short as possible and must be connected to the negative connector of the battery or vehicle chassis in case of metallic chassis;

- Install the signal input cables in a proper way, distant from the power cables;
- Connect the RCA or the high signal input cables to the head unit and amplifiers;
- Install the audio output cables with the appropriate section, distant from the power and audio input cables;
- Connect the audio output cables to the amplifier and speakers respecting the positive (+) and negative (-) polarities;
- Install the remote cable with the power cables, using a 1.5mm² (15 AWG) cable or thicker;
- Connect the remote power cable to the amplifier’s “REM” terminal at the main unit’s remote power output;
- Before powering the system, verify all the connections and make sure there are no mistakes or short-circuits on the power and ground cables;
- Reconnect the ground of the batteries;
- Check if the head unit is turned off and then place the fuses in the fuse holders or switch the circuit breakers on;
- Turn on the main unit and the amplifier will turn on the “On” LED indicating that it is in operation.
WIRING DIAGRAM
4 CHANNEL WIRING DIAGRAM
See “Audio Inputs” on page 8

- Check the minimum speaker impedance at specs table
3 CHANNEL WIRING DIAGRAM
See “Audio Inputs” on page 8

2 CHANNEL WIRING DIAGRAM

- Check the minimum speaker impedance at the specs table
GAIN SETTING
- Necessary equipment:
- Digital AC voltmeter;
- Media with sine wave test tone 60Hz recorded at 0db;
- Screwdriver 1/8″ ( for the gain set)
Set up procedure
- This procedure is the same for both gain controls;
- Turn the gain control all the way down
- Disconnect the output cables from the amplifier outputs;
- Turn off all processing (bass, treble, loudness, EQ, etc.);
- Set the source unit volume to 3/4 of full volume.
- Set the source unit’s fader control to the center position;
- Set the crossover selector switch in “F”
- Use a 60Hz sine wave
- Connect the AC voltmeter to the speaker output connectors of the amplifier. Make sure you test the voltage at the correct connectors (+ and –);
- Increase the gain control until the target voltage is observed with the voltmeter (see the chart below);
- Once you have adjusted the amplifier to its correct voltage output, turn off the source unit and reconnect the speaker(s)
- Download the tracks for setup in https://soundigitalusa.com/tracks-for-setup/
| MODEL | STEREO / POWER | BRIDGE / POWER | STEREO OUTPUT VOLTAGE | BRIDGE OUTPUT VOLTAGE |
| 1 Ω/ 500W | 2Ω/ 1000W | 22.4 V | 44.8 V | |
| 2Ω / 500W | 4Ω/ 1000W | 31.6 V | 63,2 V |
CROSSOVER SET UP

“F” All the frequencies are reproduced;
“LP ” Set in the variable control on Low Pass Function;
“HP ” Set in the variable control on High Pass Function.
- Selector switch to “F” position (Full Range): All the frequencies are reproduced.

- Selector switch to “HP” – Set in the variable control between 45Hz and 850Hz (“A”) where you want to perform the high pass cut filter;

- Selector switch to “LP” – Set in the variable control between 45Hz and 850Hz (“B”) where you want to perform the low pass cut filter;

TECHNICAL SPECS
| PARAMETERS | 2000.4 2Ω | 2000.4 4Ω |
| Power RMS Bridge @ 2Ω* | 2 X 1000W | N/A |
| Power RMS Bridge @ 4Ω* | 2 X 660W | 2 x 1000W |
| Power RMS @ 1Ω* | 4 X 500W | N/A |
| Power RMS @ 2Ω* | 4 X 330W | 4 X 500W |
| Power RMS @ 4Ω* | 4 X 217W | 4 X 330W |
| Frequency Response (-3dB) | 5Hz ~ 22kHz | 5Hz ~ 22kHz |
| Low Pass filter (12dB/oct) | 45Hz ~ 850Hz | 45Hz ~ 850Hz |
| High Pass filter (12dB/oct) | 45Hz ~ 850Hz | 45Hz ~ 850Hz |
| Operating Voltage | 8V ~ 16V | 8V ~ 16V |
| SNR | 90dB | 90dB |
| Input Sensitivity | 0.2 ~ 4V | 0.2 ~ 4V |
| Current Draw (Music) | 85A | 85A |
| Current Draw (Max) | 171A | 171A |
| Total Efficiency | 81% | 81% |
| Damping Factor (@100Hz nominal impedance) | 200 | 200 |
| Stereo Minimum Impedance | 1Ω | 2Ω |
| Bridge Minimum Impedance | 2Ω | 4Ω |
| Fuse (music) | 100A | 100A |
| Recommended battery | 100Ah | 100Ah |
DIMENSIONAL DATA

POWER SPORTS
EVOP5
![]()
WWW.SOUNDDIGITALUSA.COM
SOUNDDIGITALUSA
SOUNDDIGITALUSA






















