SONY DCR-HC17E Digital Video Camera Recorder

NON MS model: DCR-HC17E/HC19E/HC21/HC21E/HC22E MS model: DCR-HC32/HC32E/HC33/HC33E
- For ADJUSTMENTS (SECTION 6), refer to SERVICE MANUAL, ADJ (9-876-782-51).
- For INSTRUCTION MANUAL, refer to SERVICE MANUAL, LEVEL 1 (9-876-782-41).
- For MECHANISM ADJUSTMENTS, refer to the “DV MECHANICAL ADJUSTMENT MANUAL VIII Z (Z200/Z210/Z300/Z310) MECHANISM
- Reference No. search on printed wiring boards is available.
- Table for differences of function of each model.
- TO TAKE OUT A CASSETTE WHEN NOT EJECT (FORCE EJECT)
- HELP: Sheet attachment positions and procedures of processing the flexible boards/harnesses are shown.
On the VC-376/377 boards
This service manual provides the information that is premised the circuit board replacement service and not intended repair inside the VC-376/377 boards.
Therefore, schematic diagrams, printed wiring boards, mounted parts location and electrical parts list of the VC-376/377 boards are not shown.
REPREPAIR PAIR PARARTS LISTTS LIST
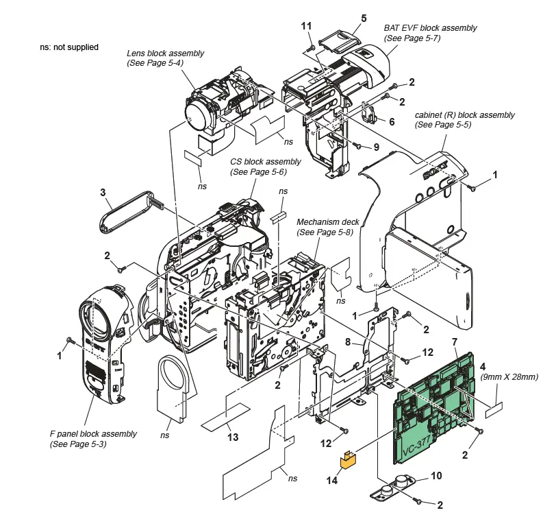
EXPLODED VIEWS
OVERALL ASSEMBLY

F PANEL BLOCK
ns: not supplied

CAUTION :
For the part of 55 : TAPE (A) (3-080-272-01), cut WOVEN (T0.25), FABRIC NON (3-941-343-21) into the desired length and use it.
LENS BLOCK
ns: not supplied

CABINET (R) BLOCK
ns: not supplied

(Note) Be sure to read “2-4. The Method of Attach-ment of FP-185 Flexible Board” on page 2-8.
CAUTION 1 :
For the part of 160 : TAPE (BT) (2-349-851-01), cut WOVEN (T0.25), FABRIC NON (3-076-631-01) into the desired length and use it.
CAUTION 2 :
For the part of 168 : TAPE (A) (3-080-272-01), cut WOVEN (T0.25), FABRIC NON (3-941-343-21) into the desired length and use it.
CS BLOCK
ns: not supplied

BAT EVF BLOCK
ns: not supplied

MECHANISM DECK
ns: not supplied

LS CHASSIS BLOCK ASSEMBLY

MECHANICAL CHASSIS BLOCK ASSEMBLY

Checking supplied accessories

The components identified by mark 0 or dotted line with mark 0 are critical for safety. Replace only with part num-ber specified.


















