GIRA 2479 00 Terminal Strip 6-Gang 230 V

Product Information: Terminal Strip, 6-gang 230 V 2479 00
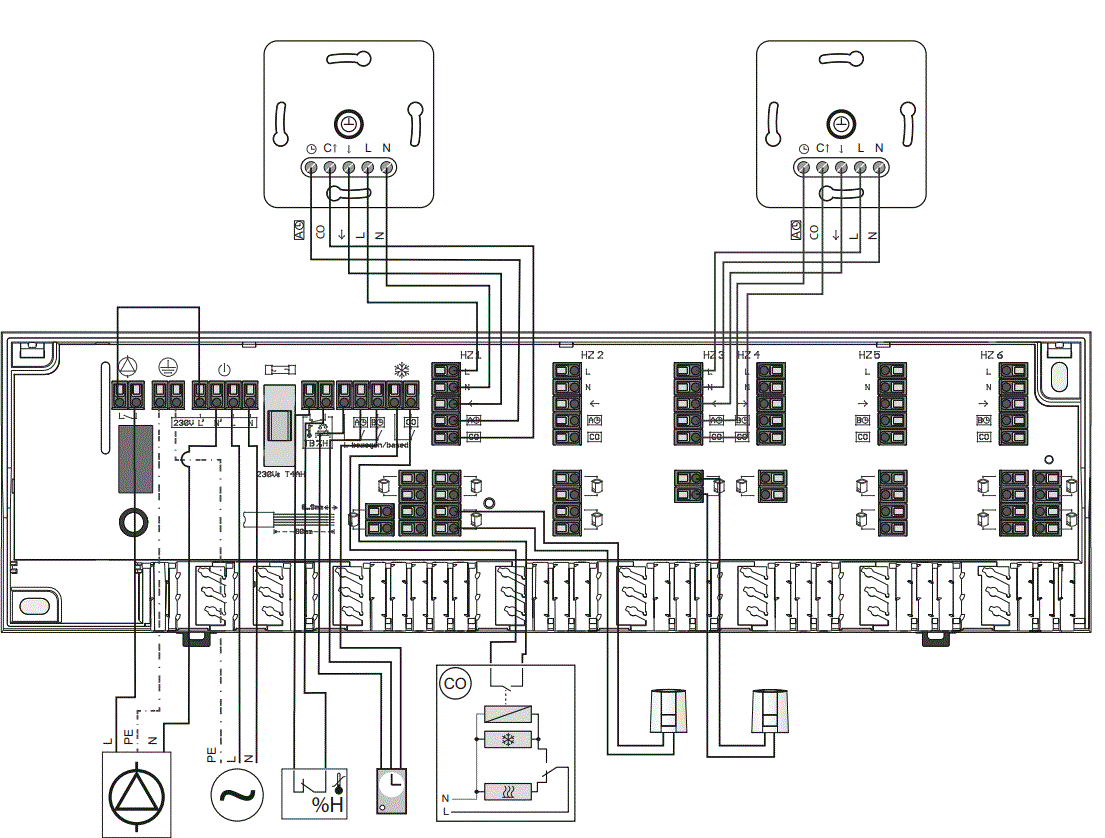
The Terminal Strip, 6-gang 230 V 2479 00 is an electrical device manufactured by Gira Giersiepen GmbH & Co. KG Elektro-InstallationsSysteme. This product is intended to set up a single-room control with up to 6 heating zones for heating and cooling systems. It can connect up to 15 servos and 6 room temperature controllers, servos with NC (normally closed) operation, and an external timer. It can also connect to a pump, a heating/cooling switchover, a temperature limiter, or dew point sensor. The product is for fixed installation only.
Device Components
- Pump connection
- Protective conductor connection
- Power supply
- Fuse
- Temperature limiter or dew point sensor
- Lowering temperature (ECO) via master clock
- Heating/cooling mode switchover
- Room temperature controller connection
- Strain relief
- Servo connection
Technical Data
- Operating voltage: 230 V
- Power consumption: N/A
- Protection: N/A
- Number of heating zones: Up to 6 zones
- Connectible servos: Up to 15 servos
- Switch-on current per servo: N/A
- Pump control switching capacity: N/A
- Operation: Fixed installation
- Ambient temperature: N/A
- Storage temperature: N/A
- Ambient humidity: N/A
- Temperature ball thrust test: N/A
- Pollution level: N/A
- Rated surge voltage: N/A
- IPC class according to EU 811/2013: N/A
- Protection class: N/A
- Protection type: N/A
- Mode of action: N/A
- Clampable conductor cross-section: N/A
- Dimensions (H x L x D): N/A
Safety Information
Electrical devices may only be installed and connected by a qualified electrician. Serious injury, fire, or damage to property is possible if these instructions are not followed. Danger of electric shock. Isolate before working on the device or load. In doing so, take all circuit breakers supplying dangerous voltage to the device or load into account. These instructions are an integral part of the product and must remain with the end customer.
Warranty Information
The warranty is provided in accordance with the statutory requirements via the retailer. Please submit or send faulty devices postage paid and with a fault description to your sales representative (retailer / installation company / electronics retailer). They will forward the devices to the Gira Service Centre.
Product Usage Instructions
Installation
- Disconnect the device and cover any live parts before installation.
- Remove the cover of the terminal strip.
- Mount the terminal strip in a fixed installation.
Electrical Connection
DANGER: Risk of death from electric shock. Disconnect the device. Cover any live parts.
A qualified electrician should perform all electrical connections.
- A temperature limiter/dew point sensor can be connected on contact TB/%H. If this contact is not used, it must be bridged (performed at the factory). As soon as a connection is made at contact TB/%H, the bridge must be removed. The temperature limiter/dew point sensor must be designed as a normally closed contact.
- The connected room temperature controller and servos must match the connected supply.
- The cable cross-sections must measure 1.5 mm² for connecting the power supply.


Connection Diagram
For more detailed information, please refer to the user manual provided with the product.
Intended use
The terminal strip is for
- setting up a single-room control with up to 6 heating zones for heating and cooling systems,
- connecting up to 15 servos and 6 room temperature controllers,
- connecting servos with NC (normally closed) operation,
- connecting to an external timer,
- connecting to a pump, a heating/cooling switchover, a temperature limiter or dew point sensor,
- fixed installation.
Device components

- Pump connection
- Protective conductor connection
- Power supply
- Fuse
- Temperature limiter or dew point sensor
- Lowering temperature (ECO) via master clock
- Heating/cooling mode switchover
- Room temperature controller connection
- Strain relief
- Servo connection
Warranty
The warranty is provided in accordance with the statutory requirements via the retailer.
Please submit or send faulty devices postage paid and with a fault descrip-tion to your sales representative (retailer / installation company / electronics retailer).
They will forward the devices to the Gira Service Centre.



















