sentiotec CP-RB-090 Concept R Black
About this instruction manual
Carefully read these instructions for installation and use, and keep them near the sauna. This ensures that you can refer to information about your safety and the operation at any time.
These installation and operating instructions can also be found in the downloads section of our website: www.sentiotec.com/downloads.
Symbols used for warning notices
In these instructions for installation
and use, a warning notice located next to an activity indicates that this activity poses a risk. Always observe the warning notices. This prevents damage to property and injuries, which in the worst case may be fatal.
The warning notices contain keywords, which have the following meanings
DANGER: Serious or fatal injury will occur if this warning notice is not observed.
WARNING: Serious or fatal injury can occur if this warning notice is not observed.
CAUTION: Minor injuries can occur if this warning notice is not observed.
ATTENTION: This keyword is a warning that damage to property can occur.
Other symbols
This symbol indicates tips and useful information.
- Do not cover
- Read the operating instructions
Important information for your safety
The Concept R sauna heater has been produced in accordance with the applicable safety rules and regulations. However, hazards may occur during use. Therefore adhere to the following safety information and the specific warning notices in the individual chapters.
Intended use
The Concept R sauna heater is intended solely for heating sauna cabins, in conjunction with a sauna control unit which does not include a remote start function. The Concept R sauna heater can also be used with a sauna control unit with a remote start function, but only in conjunction with the optional safety shutdown feature (CP-R-SWL). The Concept R sauna heater can also be used in public saunas, but only in conjunction with the optional safety shutdown feature (CP-R-SWL). Any use exceeding this scope is considered improper use. Improper use can result in damage to the product, severe injuries or death.
Safety information for the installer
- Installing and connecting the sauna heater may only be performed when the power supply is disconnected.
- Installation may only be performed by a qualified electrician or similarly qualified person.
- A fully disconnecting all-pole isolating device compliant with overvoltage category III must be fitted on site.
- Always use silicone cables that are heat-resistant up to 150 °C to connect the sauna heater.
- Only install one sauna heater in the cabin. The Concept R sauna heater must not be used together with other sauna heaters in
a sauna cabin. - The roof and walls of the sauna cabin must be manufactured from low-resin, untreated or thermally treated wood, e.g. Nordic spruce, hemlock, pine or fir, or from laminated wooden materials. If laminated wooden materials are used, make sure that the adhesive used in them does not give off formaldehyde. If other materials than wood are used in the sauna cabin, these materials must be heat-resistant and corrosion-resistant and must not cause any negative effects on the health of the sauna users.
- The height of the sauna cabin must be at least 2.0 m.
- Observe the specifications on volumes and on ventilation of the sauna cabin in chapter 10. Technical data.
- When positioning the sauna heater, observe the minimum safety distances (see chapter 4.2. Safety distances).
- Also comply with the regulations applicable at the installation location.
- For your own safety, consult your supplier in the event of problems that are not explained in sufficient detail in the installation instructions.
Safety information for the user
- The device must not be used by children under 8 years of age.
- The device may only be used by children over 8 years of age, by persons with limited psychological, sensory or mental capabilities or by persons with lack of experience/knowledge under the following conditions:
- They are supervised.
- They have been shown how to use the device safely and are aware of the hazards that could occur.
- Children must not play with the device.
- Children under 14 years of age may only clean the device if they are supervised.
- For health reasons, do not use the sauna when under the influence of alcohol, medication or drugs.
- Never operate the sauna heater without sauna stones, as this can cause fires.
- Make sure that no flammable objects have been placed on the sauna heater before the sauna control unit is switched on.
- Heat up the sauna heater for half an hour BEFORE using the sauna for the first time. Do NOT remain in the sauna cabin during this period. Then ventilate the sauna cabin well (see 5.2. Heating for the first time on page 20).
- Never touch the sauna heater while it is operating. The surfaces of the sauna heater and sauna stones become extremely hot.
- For your own safety, consult your supplier in the event of problems that are not described in sufficient detail in the user instructions.
Product Description
Scope of delivery
- Sauna heater
- Instructions for installation and use
Accessories

Product functions
The Concept R sauna heater is a Finnish sauna heater and makes it possible to produce a typical Finnish sauna climate of 80 to 100 °C with an air humidity of approximately 10%.
Installation and connection
Take the following points into account when positioning and connecting the sauna heater
WARNING: Danger of electric shock
- The sauna heater may only be installed and connected when the power supply is disconnected.
- The electrical connection may only be performed by a qualified electrician or similarly qualified person.
- A fully disconnecting all-pole isolating device compliant with overvoltage category III must be fitted on site.
- The Concept R sauna heater is a free-standing heater. It does not need to be attached to the floor or sauna wall.
- Do not place the sauna heater on a floor made from an easily flammable material such as wood or plastic. Suitable flooring includes ceramic tiles, for example.
Installation location and sensor position
Position the heater centrally in front of the air intake opening in the cabin wall. Observe the safety distances to the cabin wall specified in Fig. 1 and Fig. 2. Install the temperature sensor with excess temperature cut-out to the cabin wall above the centre of the sauna heater. Maintain a distance of 15 cm to the sauna cabin roof.
If there is sufficient ventilation, the Concept R sauna heater can also be set up as a free-standing device. In this case, fit the temperature sensor to the cabin roof above the centre of the heater.
Safety distances
Observe the minimum safety distances specified in Fig. 1 and Fig. 2.


Adjusting the height
The Concept R sauna heater has height-adjustable feet. The height can therefore be set between 715 mm and 725 mm. Each foot can be set individually, making it possible to adapt the sauna heater to uneven floors.
- Loosen the sauna heater foot using an open-ended spanner (13 mm).
- Lift the sauna heater slightly and turn the foot to the right to reduce the height. Turn to the left to increase the height.
- Retighten the foot using the open-ended spanner.
Connection diagram for 400 V 3N~

- Sauna control unit
- Temperature sensor with excess temperature cut-out
- Sauna heater, 9 kW or 10.5 kW
- Power supply
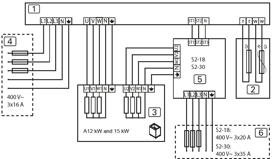
Fig. 4: Connection diagram for Concept R 12 kW and 15 kW (CP-RB-120 / CP-RB-150)

- Sauna control unit
- Temperature sensor with excess temperature cut-out
- Concept R sauna heater, 12 kW or 15 kW
- Sauna control unit power supply
- Power booster
- Booster power supply
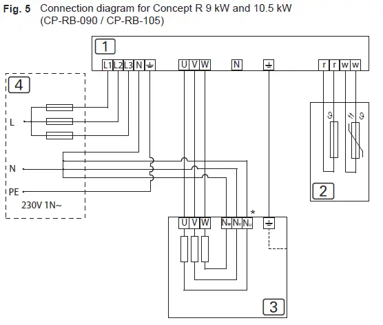
Connection diagram for 230 V 1N~

- Sauna control unit
- Temperature sensor with excess temperature cut-out
- Sauna heater, 9 kW or 10.5 kW
- Power supply
- Remove the copper bridge
Wiring diagrams



Electrical connection

- Unscrew screws 3 and 4 with a screwdriver.
- Unscrew screws 1 and 5 with a screwdriver.
- Remove the cover plate 2.
Connection of Concept R 9 kW and 10.5 kW (CP-RB-090 / CP-RB-105)

- Guide the connection cable through the feed-through 6.
- Connect the connectors of the connection cable to the U – V – W – N – PE terminals of the sauna heater and to the applicable sauna control unit terminals. Observe the installation instructions for the sauna control unit when doing so.
- Reattach the cover panel 2 to the heater.
Connection of Concept R 12 kW and 15 kW (CP-RB-120 / CP-RB-150)
- Guide the connection cable for the sauna control unit through the feedthrough 8.
- Connect the connectors of this connection cable to the U1 – V1 – W1 – N – PE terminals on the connector block 9 and to the applicable sauna control unit terminals. Observe the installation instructions for the sauna control unit when doing so.
- Guide the booster cable through the feed-through 7.
- Connect the connectors of the booster cable to the U2 – V2 – W2 – N – PE terminals on the connector block 6 and to the applicable booster terminals. Observe the installation instructions of the booster when doing so.
- Reattach the cover panel 2 to the heater.

- Connector block for the booster
- Feed-through for the booster cable
- Connector block for the sauna control unit
- Feed-through for the connection cable for the sauna control unit
Commissioning
Filling the stone container
WARNING: Risk of fire due to overheating
If the sauna heater is used without sauna stones, the cabin walls will become extremely hot. This could cause fires.
- NEVER operate the sauna heater without the sauna stones.
The amount of stones suited to your heater output can be found in chapter 10. Technical data (see page 25).
- Wash the stones thoroughly using water and a brush before use. Do not use any cleaning additives.
- Before filling the heater with the sauna stones, check them for foreign objects and remove any remaining packaging.
- Place the stones in the stone container. Stack the sauna stones loosely so that air can flow through the gaps.
- Make sure that the sauna stones do not protrude beyond the edge of the stone container.
Heating for the first time
CAUTION
Formation of smoke and odours when heating up for the first time Materials used during the manufacturing process will be present on the new heating elements. These evaporate when the sauna heater is heated up for the first time. This produces smoke and an unpleasant odour. Breathing in the fumes or smoke can be harmful to your health.
Perform the following steps when operating the sauna heater for the first time and if the heating elements for the sauna heater have been replaced. This prevents damage to health due to the fumes and smoke produced when heating for the first time.
- Select the highest possible temperature on the sauna control unit.
- Heat up the sauna heater for half an hour. Do NOT remain in the sauna cabin during this period.
- Allow the sauna cabin to ventilate thoroughly after heating for the first time.
- If no smoke or odours form the next time the sauna heater is heated, you can start to use the sauna.
If smoke or odour is produced again, leave the sauna cabin immediately and repeat the initial heating up process followed by ventilation.
Operation
WARNING: Risk of fire
Combustible objects that are placed on the heater will ignite and cause fires.
- NEVER place combustible objects on the sauna heater.
- Make sure that NO flammable objects have been placed on the heater before operating it.
Operating the sauna heater
A sauna control unit is used to operate the sauna heater. For information on how to operate the sauna control unit, read the operating instructions for the device used. Please note that only sauna control units without a remote start function are permitted for use with the Concept R sauna heater.
With the optional safety shutdown feature (CP-R-SWL), the Concept R sauna heater is also suitable for sauna control units WITH a remote start function.
Infusion
At the end of the sauna session, you can pour an infusion of water over the stones. Pour water over the stones using a sauna ladle. The water evaporates and the humidity in the sauna cabin increases. When pouring water over the stones, observe the following points:
- Only use tap water. Sea water, hard water and chlorinated water can damage the sauna heater.
- Only use fragrances and essential oils that are suitable for use in saunas. Follow the manufacturer’s instructions on the packaging of the scented substance.
- Do not pour the water onto the stones too quickly. Only this way will all the water evaporate completely.
Maintenance
Extended periods of non-use
Moisture can accumulate in the heating rods in humid ambient conditions or during long periods of non-use. This is a physical process and not a manufacturing fault. Accumulation of moisture in the heating rods can lead to the FI circuit breaker being triggered. In this case, contact an electrician to correct the fault (see chapter 9. Problem-solving by the installer).
Heat the sauna heater for approximately 15 minutes every 5 to 6 weeks. This prevents moisture from building up on the heating rods during extended periods of non-use.
Cleaning the sauna heater
Make sure that the ventilation openings are free of lint and dust. This prevents the air circulation in the sauna heater from being restricted and prevents the device from overheating.
Changing the sauna stones
Sauna stones are subject to stress by the water poured on them, and by large fluctuations in temperature which occur during use. The sauna stones can become weak and brittle. Check the sauna stones at regular intervals and replace the stones at least once a year.
WARNING: Risk of fire due to overheating
- If the sauna heater is used without sauna stones, the cabin walls will become extremely hot. This could cause fires.
- NEVER operate the sauna heater without the sauna stones.
- Remove the old sauna stones.
- Clear the stone container of limescale deposits, dust and other contamination.
- Wash the stones thoroughly using water and a brush before use. Do not use any cleaning additives.
- Before filling the heater with the sauna stones, check them for foreign objects and remove any remaining packaging.
- Place the stones in the stone container. Stack the sauna stones loosely so that air can flow through the gaps.
- Make sure that the sauna stones do not protrude beyond the edge of the stone container.
Disposal
- Please dispose of packaging materials in accordance with the applicable disposal regulations.
- Used appliances contain reusable materials as well as hazardous substances. Therefore, do not dispose of your used appliance with household waste, but rather do so in accordance with the locally applicable regulations.
Problem-solving by the installer
Baking out of the heating rods
Moisture can accumulate in the heating rods in humid ambient conditions or during long periods of non-use. This is a physical process and not a manufacturing fault. Under certain circumstances, the accumulation of moisture in the heating rods can lead to the FI circuit breaker being triggered.
In this case, it is necessary to bake out the sauna heater under the supervision of an electrician. To do this, the protective function of the FI circuit breaker must be switched off. The baking out procedure takes approximately 10 minutes. The safety function of the FI circuit breaker must subsequently be reactivated. If the problem persists, consult your supplier.
Technical data
The dimensions of the various power rating versions can be found in Fig. 6 and Fig. 7.


CONTACTS
CENTRAL EUROPE
- sentiotec GmbH Division of Harvia Group
- Wartenburger Straße 31, A-4840 Vöcklabruck
- T: +43 (0) 7672/22 900-50 | F -80 |
- [email protected]
- www.sentiotec.com



















