
Model
LED Wall light – C7-L™
INSTRUCTION MANUAL
IMPORTANT: READ
CAREFULLY AND KEEP.


Made in China
Residential use only
Indoor and outdoor use
INCLUDED HARDWARE
| ITEM | DESCRIPTION | QUANTITY |
![]() | Mounting bracket | × 1 |
![]() | Wire connector | × 3 |
| Junction box screw | × 2 | |
![]() | Washer | × 2 |
| Decorative screw | × 2 | |
![]() | Light fixture | × 1 |
STEP-BY-STEP INSTALLATION

CAUTION
WARNING:
Risk of electrical shock. Turn off the circuit breaker at the panel.
Switch off the main electrical supply from the fuse box/circuit breaker before installing the unit or doing any maintenance.
CAUTION
If using a dimmer, it must be LED-compatible.
IMPORTANT
The installer and/or user must read, understand and follow these instructions before installing the product. This product must be properly installed before it is used. If instructions are not followed, the manufacturer will not be held responsible for any problems or product malfunction. Failure to follow installation and/or operating instructions voids the warranty. We recommend that this product be installed by a certified electrician. In some states or provinces, it is a legal requirement for this type of product to be installed by a certified electrician, according to the electrical and building codes in effect in the region where the product is used.
MINIMUM CLEARANCE
Plan the desired height

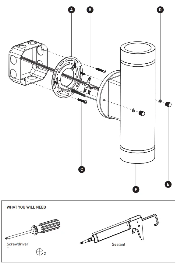
MOUNTING BRACKET INSTALLATION

TUNABLE WHITE TECHNOLOGY (CCT)

CONNECTING THE WIRES AND FINAL INSTALLATION

FOR OUTSIDE INSTALLATION:
6. Apply sealant to seal the sides and top of the light fixture to the wall. TO ALLOW MOISTURE TO DRAIN, DO NOT SEAL THE BOTTOM SIDE OF THE BACKPLATE.
Restore electrical power.

REPLACEMENT PARTS
| Description | Artika # |
| General Hardware Kit | WAIT |
TO ORDER REPLACEMENT PARTS, PLEASE CONTACT CUSTOMER SERVICE.
CANADA (IC)
Operation is subject to the following two conditions:
- this device does not cause interference, and
- this device must accept any interference received, including interference that may cause undesired operation.
USA (FCC)
WARNING:
Any changes or modifications to this unit not expressly approved by the party responsible for compliance could void the user’s authority to operate the equipment. This device complies with Part 15 of the FCC Rules. Operation is subject to the following two conditions: 1. this device does not cause harmful interference, and 2. this device must accept any interference received, including interference that may cause undesired operation.
NOTE: This equipment has been tested and found to comply with the limits for Class B digital devices, pursuant to part 15 of the FCC Rules. These limits are designed to provide reasonable protection against harmful interference in a residential installation. This equipment generates, uses, and can radiate radio frequency energy and, if not installed and used in accordance with the instructions, may cause harmful interference to radio or television reception. However, there is no guarantee that interference will not occur in a particular installation. If this equipment causes harmful interference to radio or television reception, which can be determined by turning the equipment off and on, the user is encouraged to try to correct the interference by one or more of the following measures:
- Reorient or relocate the receiving antenna.
- Increase the distance between the equipment and the receiver.
- Connect the equipment to an outlet on a circuit that the receiver is not connected to.
- Consult the dealer or an experienced radio/TV technician for help.
WARRANTY
Artika For Living Inc. is proud to offer you a three-year (3) limited warranty on manufacturing defects from the date of purchase for residential use only. The warranty is extended to the original owner in the US, Canada, Mexico, the UK, Iceland, France, and Spain and is non-transferable. It does not apply to retailers, commercial applications, or establishments. The original sales receipt is required for all warranty claims. The remedy under this limited warranty shall be a product or part replacement at Artika’s discretion as provided herein and may not exceed the original purchase price. This warranty is valid only on products installed in accordance with the building code and laws in effect in the region where the unit is being used, as well as in accordance with the provided instruction manual. It does not cover products installed incorrectly or subjected to abnormal use. You may be required to return the product(s) or component part(s) for inspection and verification. Normal wear and tear, misuse, negligence, vandalism, improper maintenance (surface damage due to chemical interaction or cleaning agents including, but not limited to, scouring pads, use of cleaners containing abrasives, alcohol, or other organic solvents), improper handling, accident, abuse, fire, flood, theft, acts of God, neglect, or alteration of the product will not be covered under this limited warranty. It excludes any accessories that accompany the product including, but not limited to bulbs or batteries. This warranty does not cover handling, labor, transportation, or any other cost associated with the installation or replacement of the product. This limited warranty is valid in the country of purchase and for products sold by Artika-authorized retailers only.
Artika for Living Inc. will not be held responsible for any direct or consequential damages or injuries related to the use of this product arising from improper use or installation of this product.
Please visit www.artika.com to discover more about Artika for Living Inc.

Artika For Living Inc.
1756, 50th Avenue
Montréal (Lachine), Québec
Canada H8T 2V5
1-866-661-9606
[email protected]
www.artika.com



















