SIEMENS HI921 Heat Detector

These instructions are written in accordance with the installation guidelines of NFPA 72, National Fire Alarm Code, and CAN/ULC-S524, The Installation of Fire Alarm Systems.
CAUTION
- DO NOT install this detection device until all construction is completed.
- DO NOT store this detection device where it can be contaminated by dirt, dust, or humidity.
DETECTOR PLACEMENT
Locate Model HI921 on the ceiling, at least 4 inches from the side walls. For an ideal, smooth ceiling condition, place the detectors at a maximum center spacing of 50 feet (2500 square feet). Actual job conditions must determine detector spacing. Consider environmental factors including ambient temperature fluctuation, and the nature of the fire hazard. Room or area configuration and ceiling type (sloped or flat, smooth or beamed) also dictates placement.
Drawings provided or approved by Siemens Industry, Inc., or by its authorized distributors are extremely important. The detector placements shown on these drawings were chosen after a careful evaluation of the area that is protected. Siemens Industry, Inc.’s extensive experience in the design of the system assures the best detector placement by following these drawings. Sound engineering judgment by qualified personnel must be followed.
TEMPERATURE – HUMIDITY – PRESSURE
The temperature range for the HI921 detector is 32°F (0°C) to 100°F (38°C). The thermal alarm temperature depends on the parameter selected. Use the detector in environments where the humidity does not exceed 95%(non-condensing). Normal changes of atmospheric pressure do not affect detector sensitivity.
LED INDICATOR OPERATION
The Model HI921 contains an LED indicator capable of flashing either one of three distinct colors: green, yellow, or red. The microprocessor-based detector monitors the following:
- Internal sensors and electronics Based on the results of the monitoring, the LED indicator flashes the following:
Flash Color Condition Flash Interval (Seconds) Green * Normal supervisory operation. 10 Yellow Detector is in trouble and needs replacement. 4 Red Alarm 1 No Flashes Detector is not powered, or replacement is needed. – * LED can be turned off. Please follow the corresponding description of the Panel used.
DETECTOR PROGRAMMING
Each detector must be programmed to respond to an address between 001 – 252. To program the detector address, use the Model DPU Device Programming Unit. Refer to the DPU Manual, P/N 315-033260. Record the loop and device number (system address) for the detector on the detector label and on the base to prevent installing the detector in the wrong base. The optional DPU label printer can be used for this purpose. Each detector provides pre-programmed parameter sets which can be selected by the panel. Follow the corresponding description of the panel used.
- Fixed temperature 135 °F (57 °C)
- Fixed temperature 145 °F (63 °C)
- Fixed temperature 155 °F (68 °C)
- Fixed temperature 165 °F (74 °C)
- Fixed temperature 174 °F (79 °C)
Rate-of-rise detection:
- 15 °F/min (8.3 °C) at fixed 135 °F (57 °C)
- 15 °F/min (8.3 °C) at fixed 174 °F (79 °C)
Additionally, the detector can be configured by some panels to have a low temperature warning at 40 °F (4.4 °C).
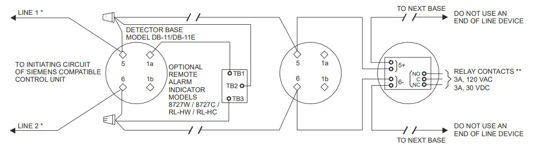
WIRING
The HI921 supports two operation modes: polarity insensitive mode and isolator mode. The Detector can be wired for either mode (refer to Figure 2 and 3). During the isolator mode, the built-in dual isolators will work at both sides of the Detector to isolate the line short in front or behind the device.
When the HI921 is wired in polarity insensitive mode, Line -6 and -5 can be either line of the loop. When the HI921 is wired for Isolator mode, the positive line needs to be connected to 1b and the negative line to 6. The next device needs to be connected to 1b and 5. The Line Isolator is located between connector 6 and 5.
NOTICE
Ensure that the panel supports Isolator mode for the HI921 product version 17. Isolator mode must not be used with a HI921 product version <17. You will find the product version number on the detector label.
DETECTOR MOUNTING
To ensure proper installation of the detector head into the base, be sure the wires are properly dressed at installation:
- Position all wires flat against the base.
- Take up all slack in the outlet box
- Route wires away from connector terminals.
TO INSTALL DETECTOR HEAD
- Rotate detector counterclockwise while gently pressing on it until the detector seats fully into base.
- Then rotate the detector clockwise until it stops and locks in place. Insert optional locking screw (Order Model LK-11).
TO REMOVE DETECTOR HEAD:
- Loosen locking screw, if installed. Then rotate the detector counterclockwise until stop is reached.
- Pull detector out of base.
DETECTOR TESTING
Only qualified service personnel should test. To assure proper operation of the detector, the Functional Test should be conducted. The minimum test schedule may be found in the current edition of NFPA 72 for installations in the U.S. The detectors can be tested individually using the DPU. Refer to the DPU Manual, P/N 315-033260
MAINTENANCE
No special maintenance procedures are required for the HI921. The control unit automatically indicates the trouble message for any detector. The detector may require replacement.
CAUTION
Under no circumstances is the detector head to be disassembled. No repairs should be attempted.
DO NOT PAINT
The detector is marked DO NOT PAINT. This is intended to prohibit painting during routine maintenance of the occupancy which can affect proper operation of the detector.
Polarity insensitive wiring:

Isolator mode wiring:
- The relay contacts are shown after System reset, which represents the non-alarm condition.

- Wire size: maximum 14 AWG, minimum 18 AWG (Wire larger than 14 AWG can damage the connector)
In the device line, up to 30 of any compatible devices in polarity insensitive mode with 20 ohms max line resistance can be isolated between two modules in isolator mode in a Class A Style 6 wiring. In the device line, up to 30 of any compatible devices in polarity insensitive mode with 20 ohms max line resistance can be isolated behind one module in isolator mode in a Class B Style 4 wiring.HLIM isolator module and SBGA-34 sounder base cannot be used in the same loop with the modules in isolator mode.
FCC Statement
WARNING!
Installation and usage of equipment not in accordance with the instructions manual may result in:
- Radiation of radio frequency energy
- Interference to radio communications
- Install and use equipment in accordance with the installation instructions manual
- Read the following information
This equipment generates, uses, and can radiate radio frequency energy and if not installed and used in accordance with the instructions manual, may cause interference to radio communications. It has been tested and found to comply with the limits for a Class A computing device pursuant to Part 15 of FCC Rules, which are designed to provide reasonable protection against such interference when operated in a commercial environment. Operation of this equipment in a residential area is likely to cause interference in which case the user at his own expense will be required to take whatever measures may be required to correct the interference.
Siemens Industry, Inc. Smart Infrastructure 8, Fernwood Road Florham Park, New Jersey 07932 www.siemens.com/buildingtechnologies Siemens Canada Limited Smart Infrastructure 2 Kenview Boulevard Brampton, Ontario L6T 5E4 Canada © Siemens Industry, Inc. Data and design subject to change without notice.


















