BLAUPUNKT Central Lock Gun Installation Guide

INTRODUCTION
Proper system planning is vital in order to maximize the device’s performance and road safety. Plan your installation carefully to avoid compromising performance reliability of the system. Consult an authorized Blaupunkt delaler for installation or reparation. Read the manual carefully before operating the device for the first time.
Safety Notes
- Please understand the structure of your car door clearly before installation. Please make sure the central lock gun is compatible for your car door locking system and ensure that the installation will not affect the window.
- Please raise and lower the windows several times to make sure that there is no scrathing occurred after installing the system.
- Please do not immerse the central lock gun in liquid or let it get wet. Please do not expose it under the sunlight at the high temperature.
- The product is consist of sophisticated electronic materials, please do not attempt to dissamble or take apart it by yourself. Please refer to the experienced or qualified professional staff.
This manual may be updated from time to time without any notice.
Disclaimer
In no event shall Blaupunkt be liable for any direct, indirect, punitive, incidental, special consequential damages to property or life and whatsoever arising out of or connected with the use or misuse of our products.
USA & CANADA: This product is not intended for sale in the United States and Canada. If purchased in the U.S. or Canada, this product is purchased on as-is
basis. No warranty, whether expressed or implied is provided in the U.S. or Canada.
Recycling and Disposal
Do not dispose of your old unit in the household trash! Use the return and collection systems available to dispose of the old device
STRUCTURE & FUNCTIONS

Functions
- Sealed Housing
- Motor
- 360 ° Rotation Head
- Wires
SPECIFICATION
CLG 2.0 CLG 5.0
- Type : 2-Wire • Type : 5-Wire
- Operating Voltage : 12V • Operating Voltage : 12V
- Actuating Force : 3.0±0.2kg • Actuating Force : 3.0±0.2kg
- Endurance (up & down) : 100,000+times • Endurance (up & down) : 100,000+times
- Movement Stroke : 18±2mm • Movement Stroke : 18±2mm
- Load Current : 0.18A±10% • Load Current : 0.18A±10%
- No-load Current : 0.14A±5% • No-load Current : 0.14A±5%
- Operating Temperature Range : -20°C~+70°C • Operating Temperature Range : -20°C~+70°C
- Material : Metal, Plastic & ABS • Material : Metal, Plastic & ABS
- Wire Length : 160mm • Wire Length : 160mm
- Dimension/Size (LxWxH) : 140x60x30mm • Dimension/Size (LxWxH) : 140x60x30mm
- Weight : 0.088kg • Weight : 0.097kg
INSTALLATION INSTRUCTION
Front Door Driver-seat (The same operation as the similar back door)
- Remove the door panel, put the actuator and metal piece on the metal board stablilize. Then, put the connecting stick into the right hole and connect it straight down to the actuator and spot.

- Then, pull the stick inside and check whether it moves with the other locks or not.

Front Door Vice-Driver Seat (The same operation as the similar back door)
- Remove the door panel, put the actuator and metal piece on the external metal board stabilize. Then, put the connecting stcik into the left hole and then pull the stick into the left hole.

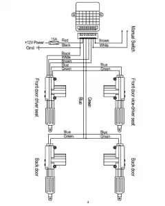
WIRING DIAGRAM
1 Master 3

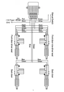
WIRING DIAGRAM
2 Master 2

TROUBLESHOOTING
If any of the following problem occur, please resort to Troubleshooting for the possible solutions. Consult Blaupunkt authorized dealer if problem persist.
Problems | Solutions |
| Central lock gun is not working. | Check for the wires connection and fuse. |
| Replace with a new central lock gun. |

Designed and engineered by Blaupunkt Competence Centre





















