PHILIPS and TEMRO EVOCHARGE Concealed 4 Inch Pedestal

Maintenance and Safety
IMPORTANT SAFETY INSTRUCTIONS – PLEASE DO NOT DISCARD THESE INSTRUCTIONS
READ THE INSTRUCTIONS COMPLETELY. FAILURE TO FOLLOW INSTALLATION INSTRUCTIONS MAY RESULT IN PROPERTY DAMAGE, INJURY, OR DEATH. THE MANUFACTURER ASSUMES NO LIABILIY FOR CLAIMS RESULTING FROM THIS.
DANAGERS, WARNINGS, CAUTIONS, AND NOTICES ARE DEFINED PER ANSI Z535
DANGER: TO AVOID FIRE, SHOCK, OR DEATH: TURN OFF POWER AT CIRCUIT BREAKER OR FUSE AND TEST THAT POWER IS OFF BEFORE WIRING
WARNING: ELECTRIC SHOCK: NO OPERATOR SERVICEABLE PARTS INSIDE. REFER SERVICING TO QUALIFIED PERSONNEL
- VERIFY WITH LOCAL AUTHORITIES THAT THE LOCATION WHERE THE PEDESTAL IS TO BE INSTALLED IS FREE FROM UNDERGROUND PIPLINES OR ELECTRICAL EQUIPMENT
- DO NOT USE THIS PRODUCT IF INPUT POWER WIRES IS FRAYED, BROKEN INSULATION, OR ANY OTHER SIGNS OF DAMAGE
CAUTION: THE ELECTRICAL VEHICLE SUPPLY EQUIPMENT (EVSE) PEDESTAL MUST BE WIRED PER THE NATIONAL ELECTRICAL CODE (NEC) AND LOCAL CODES
- THE EVSE CHARGING STATION AND ELECTRICAL WIRING SHOULD BE INSTALLED BY AN ELECTRICIAN IN ACCORDANCE WITH THE LOCAL ELECTRICAL CODES AND REGULATIONS
- GROUNDING: TO ENSURE THE SAFE OPERATION OF THE PEDESTAL, IT MUST BE CONNECTED TO A GROUNDING CIRCUIT COMPLIANT WITH LOCAL BUILDING CODES
- HANDLE PARTS WITH CARE. ALWAYS USE PROPER PERSONAL PROTECTIVE EQUIPMENT (PPE) DURING THE INSTALLATION
NOTICE
- RUN DEDICATED BRANCH CIRCUITS (ONE BREAKER PER EVSE CHARGING STATION), AS PER NEC 625 AND LOCAL BUILDING CODES
- WHEN MOUNTING THE PEDESTAL IN PARKING SPACES OR PARKING GARAGES, APPROPRIATE ANTI-COLLISION PROTECTION MUST BE INSTALLED. REFERENCE LOCAL BUILDING CODES
- TO ENSURE THAT THE EVSE CHARGING STATION AND PEDESTAL ARE INSTALLED PER AMERICANS WITH DISABILITIES ACT (ADA) STANDARDS FOR ACCESSIBLE DESIGN GUDELINES, REFER TO CODE OF FEDERAL REGULATIONS DOCUMENT 28 CFR PART 36, SECTIONS 4.2 AND 4.4
- IF YOU HAVE QUESTIONS ABOUT THE INSTALLATION, CONTACT EVOCHARGE TECHNICAL SUPPORT. IF YOU ARE UNSURE ABOUT A PROCEDUREDO NOT ATTEMPT TO PERFORM IT
- THIS INSTALLATION INSTRUCTION SOLELY FOR THE PEDESTAL. DEPICTIONS OF THE EVOCHARGE EVSE ARE FOR REFERENCE ONLY. REFER TO THE EVOCHARGE EVSE INSTALLATION MANUAL INCLUDED WITH CHARGER UNIT OR AVAILABLE ON EVOCHARGE.COM
Overview

Technical Data and Specifications
Standards and Certifications:
Compliant with Americans with Disabilities Act (ADA) recommended charger connect height of less than 48” and greater than 24”
| Description | Specification |
| Weight lbs. [kg] | |
| Pedestal | 15 [6.8] |
| Enclosure | |
| Material | Aluminum |
| Approximate Dimensions Inches [mm] | |
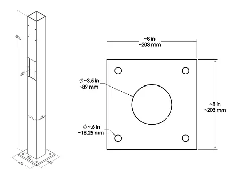
| Height x Width x Depth | 52 [1320] x 4 [101] x 4 [101]; Base: 0.5 [13] x 8 [203] x 8 [203] |
| Wall Thickness | 0.125 [3] |
| Distance Between Center of Mounting Holes | 6 [152] |

Included Parts and Required Tools (Single charger install)

Required Tools (Not Included): T30 & T20 Torx Bit, 7/16” & 1/2″ Socket/Ratchet, and Torque Wrench
Additional Parts Required (Not Included): EVSE, Stainless Steel Anchor Bolts, Stainless Steel Hex Nuts and Washer, 1-inch x 90-Degree and Straight* Liquid Tight Adaptor, 1-inch Flexible Liquid Tight, and Silicone Sealant
Part is not referenced in this installation manual. Refer to EVSE installation manual
Pedestal Installation
Anchor and Conductor Installation Wet Concrete:
The installer can use a prefabricated anchor included with the installation kit offered by EvoCharge (EVC0901) or use stainless steel L or J type anchor bolts with a diameter no greater than ½ inch. Reference Figure 2 for bolt spacing.

The requirements below are the manufacturer’s minimum recommendations only. The location, dimensions, and composition of the concrete pad for supporting the pedestal should always comply with local building codes.
Use an electrical conduit of the appropriate size to bring the electrical cables to the center of the concrete anchors. Pull conductors from the service equipment to the pedestal installation site, leaving 5 feet of wire exposed. Reference Figure 3.
Hex nuts and washers are to be placed on the anchor bolts below the pedestal to adjust the vertical alignment, should the concrete pad not be level. A gap will be present between the concrete pad and pedestal base. Seal the gap with silicone sealant. Apply silicone per the manufacturer’s recommendations. Reference Figure 4.

Grounding: Verify grounding requirements with state, local, and national electrical codes and standards.

Pedestal Assembly
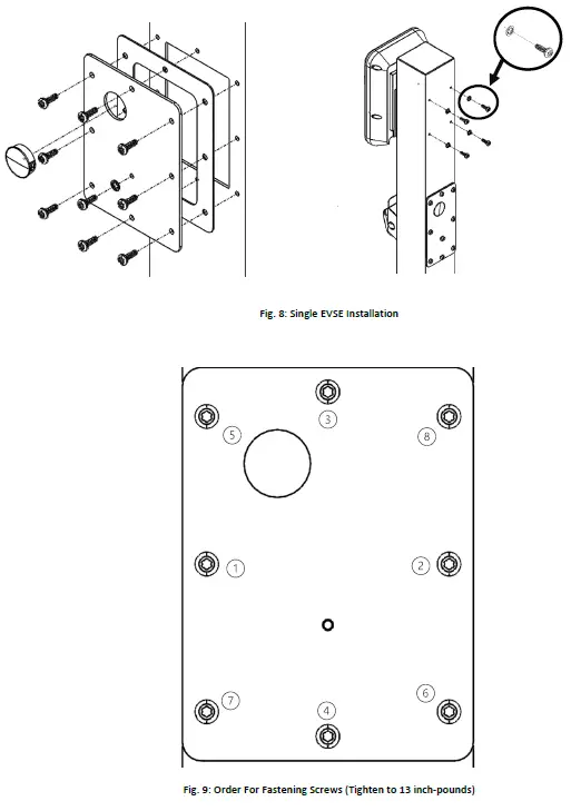
Conduit and Liquid Tight Adaptors are sold separately in the installation kit (EVC9001). Insert the 90-degree Liquid Tight Adaptor into the access cover, as shown in Figure 7 (left). Tighten the locking nut to manufacture’s recommend torque value. When installing the thread forming screws, follow the sequence in Figure 9 and tighten all screws to 13 inch-pounds.

Installing Access Panel for Single EVSE Installation:

Top Cap:

Mounting EVSE:


Install Conduit:
Use the fabricated conduit included with the installation kit (EVC0901). Otherwise, cut the Flexible Liquid Tight Conduit to the required length to properly engage adaptors.

Warranty
The EvoCharge warranty statement is located on the website at evocharge.com/warranty



















