SIMPSON 39P361E-02 Tumble Dryer

EX. VIEW DRAWING 2510
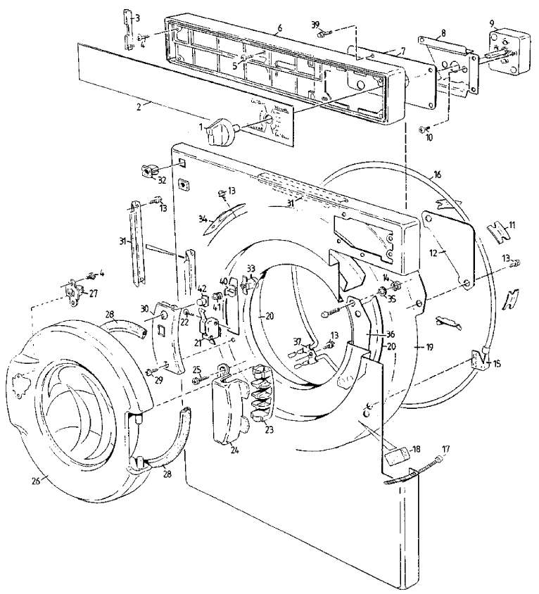
FRONT PANEL ASSEMBLY
MODELS:
- 39P361E*02; 39P362E*02
- 39S367E*02; 39P452E*02
- 39S456E*02; 39S457E*02

MODEL
- 39S505E*02

EX. VIEW DRAWING 2281
WRAP, DRUM, AND MOTOR ASSEMBLY

MODEL: 39S505E*02
EX. VIEW DRAWING 2276
BACK PANEL ASSEMBLY

ACCESSORIES
Flexible Venting Kit
Part N° 0015 040 000
Kit consists of:
Adaptor & Flexible Duct Assy. Screws Instructions
NOTE:
Individual components are not available as spare parts.
Castor Kit
Part N° 0015 004 030
Kit consists of:
Castors, Screws, N°10 x 3/8″, Pan.PD., Washers, 3/16″ Ext. Shakeproot
N.P.N.
- Part N° 0701 002 010
- Part N° 0706 003 007





















