Reliable Vivio-500GC Garment Steamer

WHAT’S IN THE BOX
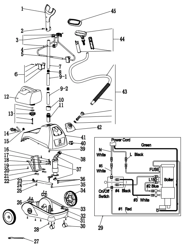
PARTS IDENTIFIER
- Brush (removable)
- Steam head
- Handle
- Hanger
- Steam Hose
- Rod set (supports steam hose)
- Bottle
- Rod set holder
- Body of steamer
- Wheels
- Casters
INTRODUCTION
RELIABLE. RIGHT THERE WITH YOU. At Reliable, we do what we love, and take pride in doing it right. You want what’s best for the people, places and things that matter in your life – from where you live to what you wear. So do we. From the start, we approach every product with a craftsman’s attention to detail and passion for making it right. Quality, functionality, design and customer service play an equally important part in delivering what’s right for you.
With its vigorous, firm stance the 500GC was designed to withstand the rigor of daily retail use while presenting a totally new, fresh face that will fit into any modern retail or home environment.
For your safety and to fully enjoy the advantages of this product, please take a few minutes to read all the important safeguards and care instructions. Keep this manual handy and review the product warranty for your reference.
THANK YOU FOR YOUR PURCHASE. PLEASE SHARE YOUR RELIABLE PRODUCT EXPERIENCE BY POSTING AN ONLINE REVIEW ON THE WEBSITE FROM WHICH YOU PURCHASED. WE GREATLY APPRECIATE IT!
IMPORTANT SAFETY INSTRUCTIONS
Your Reliable Vivio 500GC steamer is made for professional and home use. Please follow these basic instructions to ensure your safety:
- Read all instructions before using the steamer.
- In order to prevent harm, when the steamer begins to steam, be sure to face the steam head away from your body.
- Use the steamer only for its intended use.
- To protect against electrical shock, do not immerse the steamer in water or other liquids.
- To disconnect the plug from the wall outlet, gently remove the plug (do not pull on the cord).
- Do not allow the cord to touch a hot surface. After use, allow to completely cool before storage.
- When filling with water, emptying or while not in use, always make sure that the steamer is disconnected.
- Make sure the power switch is in the off position when plugging or unplugging the unit from the wall circuit.
- Before turning the power switch on, make sure the water bottle has been filled.
- Do not operate the garment steamer with a damaged cord, plug or if the steamer has been dropped or damaged. This will void any and all warranties. Please contact the place of purchase for repair procedure.
- Close supervision is necessary for any steamer being used by or near children. Do not leave the steamer unattended while connected
- Burns could occur from touching hot metal parts, hot water, or steam. Use care when you turn a steam appliance upside down – there may be hot water in the reservoir.
- Never steam near a person’s body, as the steam is extremely hot.
- If an extension cord is necessary, use a 15 amp rated cord. Cords rates for less amperage may overheat. Care should be taken to arrange the cord so that the cord cannot be pulled or tripped over.
- To reduce the likelihood of a circuit overload, do not operate another high wattage appliance on the same circuit.
FEATURES & PERFORMANCE
- One-gallon (3.8L) water capacity
- Heavy-duty brass heating element
- Super-flex steam hose
- Bottle won’t fall off steamer
- No need to empty steamer after each use
- Automatic shut-off feature with thermal fuse
- Stores upright in a small space
- Steam head – 2x the thickness of other brands
- Removable brush
- Metal head with wood handle
- Easy roll casters for maneuverability
HOW TO STEAM
Fabric care professionals know and appreciate the value of steam for gently de-wrinkling all type of fabrics. Fabric steaming is fast and safe, and has a myriad of applications including clothing, upholstery, (auto and home) window fashions, and linens. Your Reliable Vivio 500GC garment steamer has been designed to provide the best quality steam for these tasks. Here are a few tips:
- It is important to make sure that the steam hose is in an upright (vertical) position so that any condensation can flow back to the steamer. If you do have to steam in a low position it is suggested that you frequently lift the steam head up so that the hose is extended.
- For very long articles, like pants or coats, it might be helpful to put the garment on the Vivio’s available hanger.
- This will allow you to steam higher up, and reduce the chance of condensation forming in the steam hose.
- It may be helpful to gently pull the bottom of the garment (hem) to allow the steam to penetrate the fabric and release the wrinkles. This may be particularly useful at the seam of a garment.
- It is not necessary to “push” the steam head onto the fabric. Lightly touching the material is all that is usually needed. For fabrics with a nap (corduroy, velvet, velour), the brush that is included with the Vivio 500GC model is very helpful for refreshing the fabric while protecting the nap of the fabric.
- Some garments may react better if they are steamed from the inside.
- Retail clothing stores know the advantage of having a garment steamer on the sales floor, ready for quick touch ups to make the garment look like new again. While you can easily store the Vivio 500GC when not in use (the water should be drained from the unit if it will be stored for a long period of time) the best way to use the steamer is like the pros. Have it in a convenient spot where you will use it the most frequently. For some people that would be in their laundry room, for others it’s in their bedroom. Because the Vivio 500GC heats up so quickly (less than one minute) it is the perfect solution to the un-wearable wrinkled blouse or sweater. Plug it in, turn it on, sixty seconds later a few waves of the steam head and you are looking your best everyday.
ASSEMBLY INSTRUCTIONS
- The 3-piece rod set that holds up the steam head needs to be screwed together. When done, place the rod set into the rest that holds it in place and tighten until secure.
With the supplied wrench (found underneath the unit), attach the hose to the body of the steamer and tighten until it is snug.- Place the yoke/rest onto the top of the rod set.

- The hook needs to be attached to the rod set using the screw provided. Use this hook to rest the removable hanger.

INSTRUCTIONS FOR USE
Vivio 500GC is easy to use, and easy to set up.
- The clothing clips can be added or removed from the hanger.
- Remove the cap from the water bottle. Fill the water bottle with regular tap or distilled water; replace the cap and invert the bottle, placing it in the body of the steamer.
- Always make sure there is water in the bottle. DO NOT ALLOW THE STEAMER TO RUN DRY.
- Turn the unit on, wait for about sixty seconds for the steam to start.
- It is a good idea to periodically pour old water out of the steamer to avoid mineral build-up.
NOTE: If rinsing the unit does not improve the performance, the steamer may require more thorough cleaning. This must be done by an authorized service center only, or the warranty will be void.
TROUBLESHOOTING
Do not operate the garment steamer with a damaged cord, plug or if the steamer has been dropped or damaged. To avoid risk of electric shock, do not disassemble or attempt to repair the unit on your own. Return the unit to Reliable Corporation (see warranty) for examination, repair or replacement.
PARTS LIST
RELIABLE CORPORATION 3-YEAR PRODUCT
WARRANTY POLICY FOR THE VIVIO GARMENT
STEAMER 500GC
Reliable Corporation (“Reliable”) warrants to the original purchaser of the garment steamer noted above from Reliable (the “Vivio”) that for a period of three (3) years from the date of purchase it will be free from defects in materials and workmanship when utilized for normal household use by the original purchaser only.
Subject to the conditions and limitations set forth herein, Reliable will either repair or replace any part of a Vivio that proves defective by reason of improper workmanship or materials. If the defective Vivio is no longer available and cannot be repaired effectively or replaced with an identical model, Reliable shall replace the defective machine with a current Reliable machine of equal or greater value. Replacement products will be provided by Reliable on an exchange basis, and will be either new or refurbished to be functionally equivalent to new. If Reliable is unable to replace a Vivio, it will refund the current value of that Reliable machine at the time the warranty claim is made.
This limited warranty does not cover any damage to the Vivio that results from improper installation, accident, abuse, misuse, unreasonable use, natural disaster, abnormal mechanical or environmental conditions or any unauthorized disassembly, repair or modification. This limited warranty does not extend to any indirect, consequential or incidental damages that may be suffered by a user from the use of the Reliable Vivio, including without limitation, any liability for third party claims for damage, and is limited to the amount paid by the original purchaser for the Vivio with respect to which this limited warranty protection applies. This limited warranty does not apply with respect to products that have been altered or for products not purchased directly from Reliable or a dealer authorized by Reliable to sell the Reliable Vivio.
This limited warranty is the only warranty that applies to the Reliable Vivio garment steamer, supersedes any and all terms that may be contained in any other document or purchase order and may not be altered or amended except expressly in writing by Reliable.
To obtain a repair or replacement under the terms of this warranty, please contact our customer service group at 1 800 268 1649 or at s[email protected]. You will be required to submit an original receipt via fax or e-mail. The receipt must reflect that you are the original purchaser, the product was bought directly from Reliable or from an authorized Reliable dealer and that the warranty claim is being made in compliance with the terms set out in this document or any subsequent document issued by Reliable in connection with this policy. You will be issued a return authorization number (RA#) and asked to ship the defective product together with proof of purchase and RA#, prepaid insured to the following address: Reliable Corporation,5–100 Wingold Ave, Toronto, ON M6B 4K7.
Freight collect shipments will be refused. The risk of loss or damage in transit will be borne by the customer. Once Reliable receives the defective product, it will initiate the repair or replacement process.
If you have any questions regarding this warranty, you may write to: Reliable Corporation 100 Wingold Avenue, Unit 5 Toronto, Ontario Canada M6B 4K7 www.reliablecorporation.com
FAQs
Every time you use a Reliable Vivio-500GC steamer, what should you do?
Make sure the water level in the tank is exactly right. Find out what kinds of materials you can steam. If you are unsure about a material, look at the fabric care labels for advice. Handle delicate materials with care. Give your steaming clothing time to dry once it has been wrinkled.
What qualities should a Reliable Vivio-500GC clothing steamer have?
Power is measured in Watts, a unit of power. Heat Things Up. Important deciding variables are the water tank, autonomy, and heat up time. The autonomy increases with the number of clothing you can steam simultaneously.
How frequently should the Reliable Vivio-500GC steamer’s water be drained?
Alternatively put, don’t let water sit in your steam appliance for longer than 30 days. Every 30 days, you should dump the water from your steam appliance, as recommended.
Reliable Vivio-500GC clothes steamer: How effective is it?
With a steamer, almost any fabric may be efficiently dewrinkled; compared to ironing, steaming requires less time and effort and takes up less space (especially if you use a handheld steamer). In addition, steaming provides a number of other benefits over ironing, some of which are even medically connected.
When using the Reliable Vivio-500GC steamer, how long should you stay underneath?
Never steam for longer than 10 to 15 minutes in a single session. You can attempt steam inhalation again two or three times each day if your symptoms continue.
What drawbacks does the Reliable Vivio-500GC steamer have?
Not appropriate for chilling. Heating temperatures of 230°C or 300°C (for saturated steam systems) (and superheated steam systems)
What wattage is required for a Reliable Vivio-500GC steamer?
The majority of the options on our list are capable of even heavy-duty garment steaming operations because to their power range of 1,000 to 2,000 watts.
Can you clean all Reliable Vivio-500GC clothes steamers?
Yes! According to the CDC, flu viruses must be destroyed by heat at a temperature of at least 167 degrees. The majority of steamers can thoroughly clean fabrics because to their heat outputs, which are typically at least 200 degrees.
Is steaming with a Reliable Vivio-500GC more efficient than ironing?
A steamer can be used in place of an iron to remove wrinkles from clothing, particularly from delicate fabrics that can’t be ironed, such silk, woollens, and items with pleating. However, ironing creates a crisp, pressed sheen whereas steaming creates a smooth, unpolished look.



With the supplied wrench (found underneath the unit), attach the hose to the body of the steamer and tighten until it is snug.





















