stryker SR-955HPC 10 Meter Mobile Amateur Transceiver or Radio User Manual
INTRODUCTION
Congratulations on your purchase of a Stryker 10 meter mobile amateur transceiver.Your Stryker is designed to provide years of enjoyment and trouble-free service. There are many features and functions designed into this transceiver. To ensure that your investment is enjoyed to its fullest extent, please take a few moments and thoroughly read this manual.
LIMITED WARRANTY
Stryker Amateur Radio warrants this product to be free of defects for a period of three (3) year from the original date of purchase. You must activate your warranty by completing the online form at http://strykerradios.com/registration form This warranty is non-transferable. This limited warranty is subject to repair or replacement of defective components only. This warranty is void if the radio has been tampered with or misused. If your Stryker Radios needs repair any time during the (3) year warranty period please visit our website: repairs.strykerradio.com to obtain an RA number. If you do need service after your warranty has expired call 910-463-5660 rates are reasonable and you can rest assured that your radio will be fixed correctly.
IMPORTANT: RETAIN YOUR SALES RECEIPT
You will need to include a copy of your original sales receipt along with your radio when sending it in for warranty repair.
INSTALLATION
Contents
Unpack and inspect your Stryker SR-955HPC for missing or damaged Components.
- 1 Stryker SR-955HPC Transceiver
- 1 Microphone
- 1 DC Power Cord with Inline Fuse (Heavy-Duty)
- 1 Mounting Bracket with Hardware
- 1 Microphone Hanger with Hardware Set
- 1 USB Programming Cable
Location
Plan the location of the transceiver and microphone brackets before starting the installation. Select a location that is convenient for operation and does not interfere with the driver or passengers in the vehicle. In automobiles, the transceiver is usually mounted below the dash panel, with the microphone bracket beside it.
Mounting
Your mobile radio is supplied with a universal mounting bracket. When mounting the bracket and radio to your car, make sure it is mechanically strong. Also provide a good electrical connection to the chassis of the vehicle. Proceed as follows to mount the transceiver:
Mount the Transceiver
After you have determined the most convenient location in your vehicle, hold the mobile radio with the mounting bracket in the exact location desired. If nothing will Interfere with mounting it in the desired position, remove the thumbscrews and use the mounting bracket as a template to mark the holes for the mounting screws. Before drilling the holes, make sure nothing behind the surface will be damaged or interfere with the installation.
Electrical Connections
The Stryker SR955 is designed to work on any 13.8 volt DC, negative ground electrical source. The condition of a vehicle’s electrical system can have a profound affect on the performance of the radio. A low battery, worn generator/alternator, or poor voltage regulator will seriously impair the performance of the transceiver. Any of the above conditions could result in a high level of receiver noise generation or a Substantial loss of the transmitter’s RF output. Make sure that all these components on your vehicle’s electrical system are in good condition prior to installing the transceiver.
- Before making any electrical connections make sure the volume (VOL) control is in the“OFF” position.
- Connect the positive (+) red wire of the DC power cord to a positive 13.8-volt source at the vehicle fuse block. If connecting to the fuse block, it is recommended that a switched power source be used so that the power to the Transceiver is disconnected when the vehicle is off. This eliminates the possibility the transceiver draining the vehicle’s battery.
- Connect the negative (-) black wire to a metal part of the vehicle’s frame, or chassis ground. Make sure that this is a good ground connection.
Antenna Connections
The Stryker SR-955 has a jack in the rear for a standard PL-259 antenna plug. If you are looking for the most range for your transmission, use a vertically polarized, quarter-wave length antenna. If antenna height is a problem, you may use a shorter, loaded-type whip antenna although you can expect some loss of transmission range. Your antenna should always be adjusted for the lowest possible SWR (1.5 or less.) To adjust your antenna for best performance, you can take advantage of your radio’s built in SWR meter. Failure to properly adjust your antenna(s) will diminish your operational range and could result in damage to your radio. Damage that results from operating with high SWRs is not covered under your factory warranty
Tuning the Antenna for Optimum SWR
Because such a wide variety of base and mobile antennas are available, this section will concern itself only with the usual types of mobile adjustable antennas.
Antenna length is directly related to signal frequency. Therefore, it must be tuned to resonate optimally throughout the frequency range of the transceiver.
Lower frequencies require a longer antenna than higher frequencies. Due to the various methods of adjusting antennas for proper SWR, we have chosen what we think is the optimum method:
A. Antennas with adjustable screws (setscrews).
- Start with the antenna extended and tighten the setscrew lightly enough so that the antenna can be lightly tapped with your finger for easy adjustment.
- Set your Stryker radio to your desired operating frequency or the center of the range of frequencies you plan to use. Press the PTT (Press-To-Talk) switch, and tap the antenna (making it shorter). The SWR meter will show a lower reading each time the antenna is tapped. By continuing to shorten the antenna, you will notice the SWR reading will reach a low point and then start rising again. This means that you have passed the optimum point for the middle frequency.
- Extend the antenna a short distance and again follow the procedure above.
- When the lowest point has been reached, switch to the lowest frequency you plan to operate on and then to the highest and compare SWR readings. They should be almost equal.
B. Antennas that must be cut to proper length.
- Follow the procedure as in A above, but adjust the length by cutting in 1⁄8″ increments until a good match is obtained.
- Be very careful not to cut too much off the antenna at one time. Once it is cut, it can no longer be lengthened.
- The whip is easily cut by filing a notch all the way around, then breaking the piece off with pliers.
NOTE:
The proper setting is achieved when the SWR is 1.5 or below and when it has the same reading for the low and high frequencies in the range you plan to use.
External Speaker
The external speaker jack (EXT) on the rear panel is used for remote receiver monitoring. The external speaker should have 8 ohms impedance and be able to handle at least four watts. When the external speaker is plugged in, the internal speaker is disabled.
Programming Jack
Using this jack and the supplied USB preprogramming cable you can change many of the default options that your radio has. Our programming software has easy to follow on screen instructions for making these changes. Our programming software is available for download via our website. Public Address
To use the transceiver as a public address system, connect an external 8 ohm speaker that is able to handle at least four watts to the PA jack on the rear panel. Direct the speaker away from the microphone to prevent acoustic feedback. Physical separation or isolation of the microphone and speaker is important when operating the PA at high output levels.
Improper Radio Adjustments
Service by unqualified technicians could result in damage to your radio. Never allow anyone to disable your radio’s modulation limiting circuitry. We have designed your radio for optimal performance and durability. Disabling this circuitry could damage your radio and potentially void your factory warranty!
For further service information please visit www.StrykerRadios.com.
Operating Guide
- FUNC: Pressing this button in for approximately three seconds allows you to access the function menu.
- Mon: The variable Mon control (talk back) is used to monitor your own voice.This can be used to compare different microphones. To increase the volume of the talk back rotate the control clockwise. To decrease rotate counterclockwise. To turn off the talk back rotate the control completely counterclockwise.
- Transmit Power or PWR – This variable control allows you to adjust your power output.
- Mode Switch: This switch allows you to operate in AM, FM, USB, LSB or PA mode. The PA feature allows the radio operator to use their radio as a public address system.
- Dimmer Switch: This switch controls the brightness for the front panel. To adjust the brightness move this switch to the left “DIM” setting and then rotate the channel selector clockwise for more light or counter-clockwise for less.
- HIC: This is the Hi-Cit Filter, once this function is enabled, the radio will cut out high frequency interference. Use is dependent on reception conditions.
- RB: This switch controls the “roger beep” circuitry. Simply put the roger beep is a tone that sounds when a radio operator un-keys their microphone. When the switch is on the RB position the roger beep is turned on. When moved the switch is moved to the middle position it is switched off.
- PRG: This switch allows you to select which roger beep is will be activated when the RB switch is on. It also allows you select if you’d like the auto squelch activated and lets you add specific channels to scanned when the scan feature is activated. See section “PRG Menu” for more details on this function.
- TSQ- This switch is used to activate the optional CTCSS module. This module is sold separately.
- CLA: Indicates what mode the clarifier is in. R would indicate receive only, R & T indicates it will function on both transmit and receive and T means only on transmit.
- Channel Display: The channel display indicates the currently selected channel.
- Echo: The Echo switch turn the echo on. A big advantage to this is you can turn it off and then back on with the switch without the need to adjust your volume & delay potentiometer. To turn the echo off simply move the switch to the middle position.
- Color: Pressing this button changes the color of the front panel and display. Each time it’s pressed it will change to a new color. Pressing this button allows you to select the color loop mode where the radio will automatically cycle through all of the colors.
- Scan: Pressing this button enables the radio to scan through all channels until it finds one that has a strong enough signal to break through the squelch threshold.
- Band: Move this switch all the way to the left and a band will be displayed on the LCD meter. To change bands rotate the channel selector until you reach the desired band, then move this switch back to the center position.
- Microphone Input: The Stryker SR955 accepts microphones with a female 4 pin connector. For further wiring information please see the next page of this manual.
- VFO: The VFO switch allows you to move through the radios entire frequency range without changing bands. To use VFO mode move this switch to all the way to the right position.
- On/Off Volume Control: Turn clockwise to apply power to the unit and to set the desired listening level. During normal operation, the VOLUME control is used to adjust the output level obtained either at the transceiver speaker or the external speaker, if used.
- Squelch: This control is used to cut off or eliminate receiver background noise in the absence of an incoming signal. For maximum receiver sensitivity it is desired that the control be adjusted only to the point where the receiver background noise or ambient backgrounds noise is eliminated. Turn fully counterclockwise then slowly clockwise until the receiver noise disappears. Any signal to be received must now be slightly stronger than the average received noise.
- Microphone Gain: Adjusts the microphone gain in the transmit and PA modes. This controls the gain to the extent that full talk power is available several inches away from the microphone.
- RF Gain: This control is used to reduce the gain of the RF (receive) amplifier under strong signal conditions. For maximum receiver sensitivity this control should be turn all the way to the right (clockwise)
- Noise Blanker / ANL Switch: When this switch is in the NB position the noise Blanker circuits NB+, NB+ANL are both active. The Noise Blanker is very effective in eleminating repetitive pulse type noise usually associated with ignition systems. The ANL position activates both the Noise Blanker and Automatic Noise Limiter (ANL) Circuitry
- Echo Volume: Varies the volume or number of echo repetitions. To increase the echo volume, rotate the control clockwise.
- Echo Delay: The Echo switch turn the echo on. A big advantage to this is you can turn it off and then back on with the switch without the need to adjust your volume & delay potentiometer. To turn the echo off simply move the switch to the middle position.
- Fin: This is the fine control for the clarifier. Please refer to the function menu section for specific options related to this control. With the clarifier in the default mode, the fine knob would be used to fine tune your receiving frequency. In general this is typically on used on SSB.
- COA: This is the coarse control for the clarifier. With the clarifier in default mode, the coarse knob would be used in conjunction with the fine knob to tune in the station you communicating with. Both knobs increase frequency when turned clockwise and decrease when turned counter clockwise.
- Channel Selector: This control is used to select the desired transmit and receive channel.
OPERATION GUIDE

For detailed descriptions of all functions please see page.
- Function Menu Button
- Monitor (Talkback)
- RF Power Output Control
- Mode Selector Control
- Dimmer Switch
- Hi-Cut Receive Filter
- Roger Beep Switch
- Program Switch
- CTCSS Switch
- Clarifier Mode
- Channel Display
- On/Off Echo Switch
- Display Color Button
- Channel Scan Button
- Band Mode Switch
- Microphone Jack
- VFO Mode Switch
- Receiver Volume
- Receiver Squelch
- Microphone Gain
- RF Gain
- Noise Blanker / NB+ (ANL)
- Echo Volume
- Echo Delay
- Fine Clarifier Adjustment
- Coarse Clarifier Adjustment
- Channel Selector
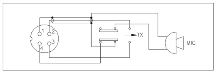
ALTERNATE MICROPHONES AND INSTALLATION
For best results, the user should select a low-impedance dynamic type microphone or a transistorized microphone. Transistorized type microphones have low output impedance characteristics. The microphones must be provided with a four-lead cable. The audio conductor and its shielded lead comprise two of the leads. The third lead is for transmit control and fourth is for receiving control. The microphone should provide the functions shown in the schematic below
WIRE MIC CABLE
Pin: Number
- Mic Cable Lead
- Audio Shield
- Audio Lead
- Transmit Control
- Receive Control

If the microphone to be used is provided with pre-cut leads, they must be revised as follows.
- Cut leads so that they extend 7/16″ beyond the plastic insulating jacket of the microphone cable.
- All leads should be cut to the same length. Strip the ends of each wire 1/8″ and tin the exposed wire.
Before beginning the actual wiring, read carefully the circuit and wiring information provided with the microphone you select. Use the minimum heat required in soldering the connections. Keep the exposed wire lengths to a minimum to avoid shorting when the microphone plug is reassembled.

To wire the microphone cable to the plug provided, proceed as follows:
- Remove the retaining screw.
- Unscrew the housing from the pin receptacle body.
- Loosen the two cable clamp retainer screws.
- Feed the microphone cable through the housing, knurled ring and washer as shown Figure 2.
Function Menu Navigation
The function menu allows you to customize many features as well as controls that your Stryker SR-955HP has to offer. To access the function menu press and hold the FUNC Button for approximately two seconds until the LCD meter displays FIN, then release the function button. Then press the FUNC button again to choose a difference function menu item. Turning the channel selector knob will change the value of the function. If you’d ike to reset all of these options to the default settings, please do the following.With the radio turned off, press and hold the FUNC, COLOR & SCAN buttons. While still pressing and holding them, power the radio on. The radio will display “REST ALL”,now release the buttons and wait for the radio to display “REST END”. Then turn the radio off and then back on, it’s now been restored to the factory software settings.
FIN: This allows you to adjust the range of your fine clarifier control. By rotating the channel selector while FIN is displayed in the function menu you can choose from the following options for this control; Off, 0.3 Khz, 0.6 Khz and 1.2 Khz. For example if you choose 0.3 Khz the fne switch will change the present frequency by±0.3K.
FinM: This features allows you to select when you want the fine clarifier control to be active. Options are: R which means the fine clarifier will only change the RX frequency, T means the fine clarifier only changes the TX frequency and R&T means it will change both the RX & TX frequency.
COA: This controls the range of the coarse clarifier adjustment. Option are; Off meaning the coarse adjustment will not function, 100 Htz, 1 Khz, 5 Khz or 10 Khz.
CHS: Channel step can be changed in this setting, option are; 1 Khz, 10 Khz, 100 Khz & 1 Mhz. This setting is used when the radio is in VFO mode.
Beep: The default setting for this is off, this function basically emits an a] udible beep when a feature is turned on or off, for example moving the NB switch to NB+ position.
TOT: This menu is used to set transmitting limit time. When pressing PTT key at a single time longer than the due time setup in advance, the radio would stop transmitting automatically and the speaker will emit a
voice prompt until the PTT key is released. Then, the radio can transmit again. Options: 30-600s Step: 30s Default: 180s
SCM: This menu is used to set the Scan mode. Options are as follows: SQ: When SQ is selected, scan would stop when a valid signal is detected. The radio would resume scanning after signal disappears for 5s. TI: When TI is selected, scan would stop when a valid signal is detected. The radio would resume scanning 5 seconds later, whether signal disappears or not. Default: SQ
SCT: Scan resume time. When the scanned signal disappears, how many seconds before it will start to scan again. Options: 5S 10S 15S.
TSR: Choose whether to enable the Transmitting SWR Protection function or not.
ON: When ON is selected, the radio will detect the SWR of your antenna. Once the SWR is beyond the SWR limit set in advance, the radio would stop transmitting automatically and the speaker will emit a voice prompt. Then, “HI S” icon will display on the LCD to remind you that the antenna SWR is too high.
OFF: When OFF is selected, the SWR Protection function is disabled.
NOTE: To protect the radio from long transmission under high SWR, the radio would automatically start SWR Protection once the SWR Value is higher than 20:1.
TDC: Choose whether to enable Voltage Protection function or not.
ON: When ON is selected, the radio will detect the supplied voltage. Once the voltage surpasses the limit that was set in advance, the radio would display “DC LO” or “DC HI” to remind you that the voltage is not in normal state. Meanwhile, the radio will prohibit transmitting and emit a beep sound.
OFF: When OFF is selected, the Power Supplying Voltage is disabled. Default: ON
LCD: This option lets you choose if you’d like to display the following
on the LCD meter. The first option is to display the model name of the radio, the second option will display the DC voltage present at the power jack and the third option will display the model name during receive and the voltage during transmit.
LOPT: This option is the the back light scan intervals, you can choose intervals, you can choose from 0.5 – 10 seconds.
COAS:When set COAS on, each adjustment of COAS is a final change, when set COAS off, each adjustment COAS is temporary change, the value will not stored after channge channel.
TTON:This feature allows you to change the transmit frequency response of the radio. You can choose from 2.0Khz 2 5Kkhz 3 0khz 3 5Khz and ,. ,. ,. 4.0Khz. We recommend the 4.0Khz option, but select whichever you prefer
RTON:This feature allows you to change the receiver frequency response of the radio. You can choose from 2.0Khz 2 5Kkhz 3 0khz 3 5Khz and ,. ,. ,. 4.0Khz. Select which option sounds best to your ears.
COMP: (On / Off) – Is a Receiver Noise Reduction Feature that can help filter out receiver interference
MIC: (DY / EL) You can use a dynamic or electret element microphone. Most microphones including the stock microphone, are dynamic.
FUNT: You can now choose how many seconds that you would like the function menu to remain visible.
Gate: On / Off) Use this feature to prevent or reduce the background noise when you are transmitting.
NR: (On / Off) Noise Reduction uses digital signal processing to measure, filter or compress continuous analog signals. As a result, it can reduce the amount of receiver noise.
VOXL: (Off – 10) The VOX feature is turned on by selecting the sensitivity level 1 – 9.
VOXT: (0.5 – 4.5) This feature allows you to avoid the sudden cut off of transmission by adding a delay at the end of speaking.
PRG Menu Navigation
CTCSS / DCS
Your new Stryker comes equipped with FM CTCSS / DCS capabilities without the need to install any additional modules.
How to use CTCSS / DCS
- Slide your switch so PRG is selected. The first option you will see is “1. RCODE”
- Next press the FUNC button, now turn the channel selector and you will have two choices, CTCSS or DCSN. If you want to select CTCSS, turn the selector so the meter shows CTCSS and then press the FUNC button
Scan – With the scan option displayed on the meter, press the FUNC button once and “Scan Add” will be displayed on the meter, pressing the FUNC button again will add your current channel to the list of channels to be scanned when the scan feature is activated. To delete a channel from the scan list do the following. When “Scan Add” is display on the meter, rotate the channel selector once to the right and “Scan Del” will be displayed. Press the FUNC button and this channel will now be deleted from the scan list.
RB – This function lets you choose from a total of 6 roger beep. When the “2.RB” is displayed on meter, press the FUNC button once. You should now see “RB 1” rotating the channel selector to the right allows you to cycle through the roger beeps (RB 1-6). To select a roger beep press the FUNC button once. Now selected roger been will be activated when the “RB – PRG” button in in the left position.
TSQ – Set CTCSS/DCS code on or off.
REP – Set offset frequency.( only available in VFO mode)
Navigation Shortcuts
To quickly change the size of the VFO step, Hold FUNC button and adjust the frequency knob, to choose the appropriate step size If you’d like to use the repeater offset feature, Hold COLOR button and adjust the frequency knob to the required offset (split).


















