Model DYN-P-4000
100g/200g/500g/2000g/6000g
Product Manual
DYN-P-4000 Uniaxial Piezoresistive Accelerometers
All rights reserved. Reproduction or issue to third parties in any form whatsoever is not permitted without written authority from the proprietors.
Product Support
If at any time you have questions or problems with the DYN-P-4000 sensors, please contact a Dynalabs engineer at:
Phone: +90 312 266 33 34 (9 a.m. to 5 p.m., UTC +3)
E-mail: [email protected]
Warranty
Our products are warranted against defective materials and workmanship for one year. Defects arising from user errors are not covered by the warranty.
Copyright
All copyrights of this manual belonging to Dynalabs products are reserved. It cannot be reproduced without written consent.
Disclaimer
Dynalabs Ltd. provides this publication “as is” without warranty of any kind, express or implied, including but not limited to, the implied warranties of merchantability or fitness for a particular purpose. This document is subject to change without notice, and should not be construed as a commitment or representation by Dynalabs Ltd.
This publication may contain inaccuracies or typographical errors. Dynalabs Ltd. will periodically update the material for inclusion in new editions. Changes and improvements to the product described in this manual may be made at any time.
Introduction
The piezoresistive accelerometers are based on micro-electro-mechanical systems (MEMS) technology. Piezoresistive accelerometers are used for high impact applications in automotive industry such as crash testing. 4000 Series Dynalabs uniaxial accelerometers feature a wide frequency range up to 5,000 Hz and excellent shock resistance up to 10,000 g. 4000 series accelerometers are lightweight. They have reliable aluminum housing with IP68 protection classs. These sensors have integrated cable with configurable length and connection options.
DYN-P-4000 sensors offer the following options;
- Custom Cable Length (5m standard cable)
- Custom Housing Material
- Custom Connector
- Base plate

General Information
2.1) Unpacking and Inspection
Dynalabs products provide adequate protection for undamaged products to be transported. Document the damages that occur indirectly during the transport and contact the customer representative.
2.2) System Components
The DYN-P-4000 has the following components:
- MEMS Sensor
- Calibration Certificate
- Product Manual
2.3) Specifications
Table 1: Specifications datasheet
| Full scale accecelerati on | (LI) | 4010 : 100 | 4020 : 2(X) | 4050 ±500 | 4200 +1000 | 4600 ±6000 |
| Sensitivity | (mV/g) | 0.6 | 0.6 | 0.3 | 0.15 | 0.15 |
| Frequency range (±5%) | (Hz) | 1.’00 | 1.4(X) | 2,000 | 4,500 | 5,000 |
| Non-linearity (fill’ scale) | (%) | I | I | 1 | 1 | 2 |
| Shock survivability | (g) | 5,000 | X) | 5,000 | 5,000 | 10,000 |
| Transverse Sensitivity | % | <3 | <3 | <3 | <3 | <3 |
| Damping Ratio | 0.9 | 0.6 | 0.6 | 0.3 | 0.3 | |
| Zero Acceleration Output | (mV) | ±25 | ±25 | ±25 | +15 | +15 |
Environmental
Table 2 Environmental specifications datasheet
| Protection Level | IP 68 |
| Operating Voltage | 10 V – 20 V |
| Operating Temperature | -40 °C to +100 °C |
| Isolation | Case isolated |
Physical
Table 3 Physical specifications datasheet
| Sensing Element | MEMS Piezoresistive |
| Housing Material | Aluminum |
| Connector (Optional) | D-Sub 9 or 15 pin, Lemo, Binder |
| Mounting | Adhesive or screw mount |
| Base plate (Optional) | Aluminum |
| Weight (without cable) | 8g |
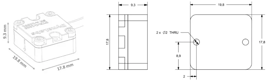
2.4) Outline Drawing
The dimensional properties of DYN-P-4000 sensors are given below.

Operation and Installation
3.1) General
The general sensor connector configuration is given below;
Cable Code/Pin Configuration:
| • Red | : V + | Power supply voltage +10 to +20 VDC |
| • Black | : Ground | Power GND |
| •X-Axis: Yellow | : Signal (+) | Positive, analog output voltage signal for differential mode. |
| Blue | : Signal (-) | Negative, analog output voltage signal for differential mode |
WARNING
Never connect the power supply and/or the power ground to yellow, and/or blue cables.
Never connect the power supply to the power ground. Always use a clean power source and check the voltage range.
Sensor Static Calibration Verification
Using gravity, voltage values are measured in the + and – directions, providing a value of 1 g.
The measurement should be made as follows;
When the sensitivity value of 4000 series sensors is used with the data acquisition system, the sensor shows +1 g with the effect of gravity in the direction of the arrow sign.

When the sensor is positioned in the opposite direction to the axis to be calibrated, the arrow shows -1g as shown below under the effect of gravity.
Using gravity, the voltage values that provide 1 g in the + and – directions are measured and compared with the catalog value. The calibration value should be close to the catalog value with a 10% tolerance. Sensor catalog sensitivity values are given in Table 1.

Declaration of Conformity
This declaration of conformity is issued under the sole responsibility of the manufacturer.
The product(s) are developed, produced and tested according to following EC- directives:
- 2014/35/EU – Low Voltage Directive (LVD)
- 2006/42/EU – Machinery Safety Directive
- 2015/863/EU – RoHS Directive
Applied standards:
- EN 61010-1:2010
- EN ISO 12100:2010
- MIL-STD-810-H-2019 (Test Methods: 501.7 – High Temperature, 502.7 – Low Temperature, 514.8 – Vibration, 516.8 – Shock)
That above mentioned products meet all the requirements of the above mentioned
standards and regulations.

Murat Aykan, Technical Manager
Ankara, 15.07.2021


















