LIGHTING THE WAY FOR SIXTY YEARS
ROY-800-GA Royston Three Light Ceiling Mount
ASSEMBLY INSTRUCTION MODEL #ROY-800-GA
WARNING:
All electrical components must be installed by a licensed electrician in accordance with the National Electric Code and the appropriate local electrical codes
You will need 3- Medium Base Bulb 40 Watts recommended 60 Watts Max.
USE LED BULBS FOR EXTENDED USE
The fixture is Dry rated
HOW TO INSTALL:
Place the fixture parts on a soft cloth-covered platform before installation of fixture.
- Install the bulb(not included) into the socket.
Screw the threaded pipe onto the coupling and secure it with a hex nut.
Place the frame over the bottom of the threaded pipe.
Place the metal washer,plastic washer, glass diffuser,hex nut and bottom cap in that order on the bottom of the frame.
Secure with finial. - Hang the safety cable onto the mounting bar and make the wire connection.
- Install the mounting bar onto the outlet box and raise the fixture up to the ceiling.
After the wire connection is complete, secure the fixture onto the mounting bar using the mounting nipple.
WARNING:This product can expose you to Lead, which is known to the State of California to cause cancer and/or birth defects or reproductive harm.For more information go to www.p65warnings.ca.gov
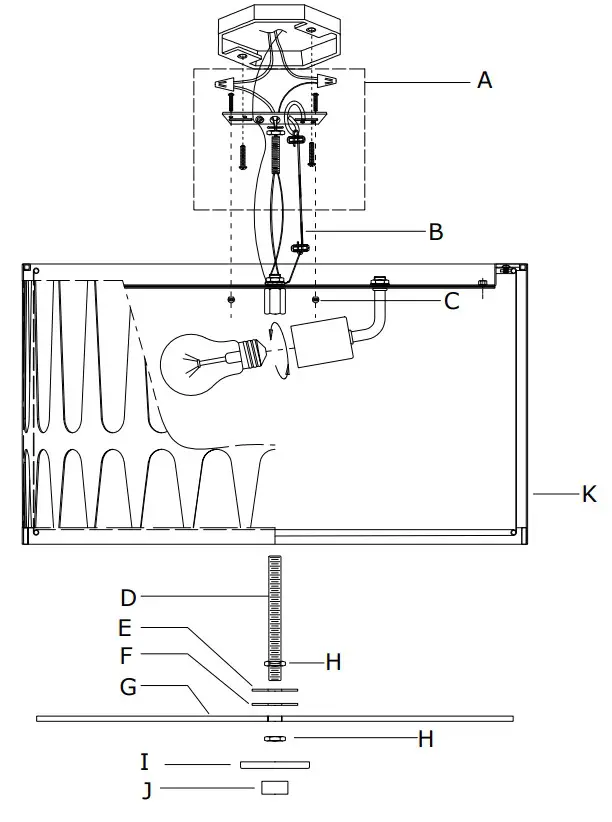
Part Number
Part Numbers
A. (1)-Mounting hardware
Wire connector x2.
Mounting bar x1.
Mounting screw x4.
Washer x1.
Hex nut x1.
Mounting Nipple x1.
B. (1)-Safety cable
C. (2)-Ball nut -XSN800GABANUT
D. (2)-Threaded nipple ; H8 7/8″
E. (1)-Metal washer
F. (1)-Plastic washer
G. (1)-Glass diffuser ; Ø17 3/8″
-XSN800DIF17.375IN
H. (2)-Hex nut
I. (1)-Bottom cap ; Ø2″
J. (1)-Finial-XSN800GAFIN
K. (1)-Frame ; Ø18″




















