
Attention:
If not obey the instruction to operate, it might cause financial loss and light injury or heavy injury.
Introduction
Product Characteristics
H12 series adopts GaoTongXiaolong 625 processor, equipped with Android embedded system, advanced SDR technology, and super protocol stack, so that the image is clearer, lower delay, far distance, stronger anti-interference, to which aircraft, robots, industrial control equipment can be applied.
Main usage and Application range
It is used for remote control operation of helicopter, fixed wing, multi-rotor wing, car, ship and other video image transmission (with optional camera), data transmission, and control of UAV flight
Spec and Parameters
| Remote Controller Parameter | |||
| Model | H12 | Channels | 12 |
| Working Voltage | 4.2V | radio-frequency power | 20DB@CE/23DB@FCC |
| Frequency | 2.400-2.483GHz | FHSS | FHSS |
| Upgrade | APP upgrade | Weight | 530g |
| Dimension | 190*152*94mm | Battery | 10000mA/H |
| Duration of Flight | 6-20 hours | Charging Port | TYPE-C |
| Application | helicopter, fixed wing, multi-rotor wing, car, ship | ||
| Receiver Parameter | |||
| Model | R12 | Channel | 12 |
| Working Voltage | 4.5-5.5V | Working current | 140MA@5V |
| Dimension | 51*41*13 | Weight | 14g |
Introduction on RC letters

Remote Controller
Long press the power button for 4 seconds to open the remote controller.
| No. | Remark | No. | Remark |
| 1 | 2.4G 3dB Antenna | 10 | Pump Switch B |
| 2 | Mode E Switch | 11 | Rotor X2、Y2 |
| 3 | Dial G | 12 | Button D |
| 4 | Return C | 13 | Dial H |
| 5 | Rotor X1、Y1 | 14 | AB Point Setting F |
| 6 | 5.5 inch Screen | 15 | Speaker |
| 7 | MIC 口 Port | 16 | SIM Card Slot |
| 8 | Multi-function Switch A | 17 | Charging Port |
| 9 | Power Switch | 18 | PPM Output |
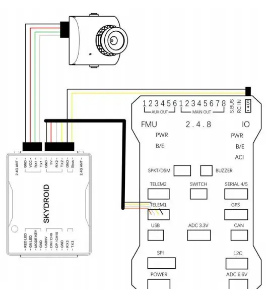
Receiver

| Name | Description | Name | Description |
| RED LED | Red Led | 2.4 ANT | Antenna |
| GN LED | Green LED | GND | Camera interface |
| MODE KEY | Mode Key | VCC | |
| GND | GND | RX1 | |
| USB 5V | USB Upgrade Interface | TX1 | |
| DM/CH9 | GND | Data Transfer Interface /CBUS | |
| DP/CH10 | 5V | ||
| GND | RX2 | ||
| RX3 | Expansion Interface | TX2 | |
| TX3 | GND | SBUS | |
| SBUS | |||
| 2.4G ANT | Antenna |
| Receiver Status light | Receiver Status |
| Solid Green light | Communication is good |
| Green light Slow flash | Disconnect from remote controller |
| Green light Quick flash | Frequency matching mode |
| Solid Red light | C.Bus mode |
| Red light Slow flash | Upgrading |
| Red light Quick flash | Self-check failed,please try again or return factory |
Environment Condition
- Environment temperature:-10°C~+55°Co
- Stock temperature:-25°C〜+70°C。
- Relative humidity:Not exceed 85%。
- Atmospheric pressure:86kPa~106kPao
- The use site is not allowed to have explosive dangerous medium, the surrounding medium should not contain corrosive metal and the gas that damage the insulation and conductive medium, not allowed to be full of water vapor and serious mold.
- The place of use should be equipped with facilities to prevent rain, snow, wind, sand and ash.
Working Condition
Power and Charging:
H12 series has a built-in integrated rechargeable lithium battery, compatible with the market standard Micro USB interface, and a power adapter of 5V specification (such as USB charger for digital products like mobile phones and cameras) for charging.
In case of smoke, odor and night leakage when charging, please do not continue to charge , and please transfer it to factory for maintenance.
Please do not charge the product in the area where the baby touches, to avoid the risk of electric shock.Do not charge the product at an environment above 60°C.
Safety
Warning:
Freshman please pay special attention to the following safety matters:
Do not fly when you are tired, drunk or in poor physical condition.
Do not fly in rain, strong wind and other bad weather!
It is forbidden to fly near high voltage lines, communication base stations, or places where people gather or move.
Do not fly in airports and other places where it is forbidden to fly!
It is forbidden to fly in crowded places, parking areas or other areas where property loss or personal injury may be caused. Before flight,please check whether the transceiving and receiving system and the aircraft are normal.
Please use a guaranteed professional charger to charge the battery.
The antenna of this product is a fragile part, avoid excessive damage under stress.
Usage and Operation

- Pre check and preparation
① Check whether the remote control power is sufficient before use.
② Before use, please check whether the antenna is placed as required to obtain the best effect.
③ Please make sure the firmware has been upgraded to the latest version for the first use.
④ users should ensure that they are not drunk, and under the influence of drugs operation. - Usage steps

Click Setting–Click System–Click Languages & input to change the language

- Bluetooth opening prompt
- WIFI Signal
- SIM card prompt window (the picture shows the state without SIM card inserted)
- Power display (charging status in the picture)
- Time display
- View background process
- Return to the main page
- Return to the previous step

- For switching the hand settings
- For checking rubber capacity
- For matching the remote controller with other receivers (the matching method is introduced below)
- For checking the image returned by thecamera
- In the advanced options, you can adjust the channels, upgrade the rocker firmware, check the signal strength, modify the receiver serial port baud rate (password needs to get from the technicians)
(1)When the receiver is powered on, the green light flashes quickly after short-circuiting GNG and MODE KEY. Open the H12Tool on the remote controller, click Frequency Matchingto start matching. The green light of the receiver will be always on when the match is successful. Quickly power on the receiver 5 times, and start the match mode for the 6th time, the green light flashes. Open the H12Tool on the remote control, click Frequency Matching to start matching. The green light of the receiver is always on after the match is successful.

- Put the rocker G, H back to the center, and then turn off he remote controller
- Long press D button to power on, and release D button after turning on the remote controller
- When calibrating the rockers, please check the rubber capacity in the H12Tool and open the auxiliary calibration.
- Long press D button to enter the calibration mode, and the remote controller will ring continuously.
- Move the right and left rockers to the maximum and minimum value in sequence. Long press D to confirm after moving.
- Restart the remote controller.
Sharing digital:
This function is not currently supported
Common Questions and Solutions
- Can other APPs be installed on the remote controller?
The remote controller terminal permissions are all open, without any special software and limited software installation andunloading. - Data transmission cannot beconnected Check whether it is connected to the remote controller at UDP type, and whether the listening port is 14551. Check whether the baud rate is normal. Check if RX TX is connected reversely (Correct way:connect RX to TX,TX to RX ).
- The remote controller keepsbeeping
When the remote controller is not successfully connected with the receiver, the remote controller will always give a promptalarm. - The remote controller sound is toolow to hear clearly
You can find the Sound option in Settings and adjust the sound in the Sound option - What else can Type-C port do besidescharging?
In addition to charging, Type-C port can also be connected to a computer for file viewing. - The remote controller has several ways to connect to the network
It can connect to the network through SIM card or WIFI
Maintenance and Repairment
Long-term storage maintenance
Store the remote controller in a dry and ventilated place, and reduce direct sunlight to prevent the battery from overheating. The recommended temperature range for storage when more than three months is between 22 and 28 degrees Celsius. Never store batteries at temperatures lower than -20 degrees Celsius or higher than 45 degrees Celsius.
Transportation and Storage
To avoid possible injury and loss, be sure to comply with the following:
Since cables and small parts may be dangerous to children, be sure to keep children away from the parts of the remote controller note
- Do not immerse the remote controller in water. If it does, please wipe it with a soft dry cloth and turn off the powerimmediately.
- It is forbidden to mechanically hit, crush, puncture the battery, and it is forbidden to drop the battery;
This device complies with part 15 of the FCC Rules. Operation is subject to the following two conditions: (1) this device may not cause harmful interference, and (2) this device must accept any interference received, including interference that may cause undesired operation. Any changes or modifications not expressly approved by the party responsible for compliance could void the user’s authority to operate the equipment.
NOTE: This equipment has been tested and found to comply with the limits for a Class B digital device, pursuant to Part 15 of the FCC Rules. These limits are designed to provide reasonable protection against harmful interference in a residential installation. This equipment generates, uses and can radiate radio frequency energy and, if not installed and used in accordance with the instructions, may cause harmful interference to radio communications. However, there is no guarantee that interference will not occur in a particular installation. If this equipment does cause harmful interference to radio or television reception, which can be determined by turning the equipment off and on, the user is encouraged to try to correct the interference by one or more of the following measures:
— Reorient or relocate the receiving antenna.
— Increase the separation between the equipment and receiver.
— Connect the equipment into an outlet on a circuit different from that to which the receiver is connected.
— Consult the dealer or an experienced radio/TV technician for help.
The device has been evaluated to meet general RF exposure requirement. The device can be used in portable exposure condition without restriction


















