intelbras PGM 8000 Security Alarm

Expander
Congratulations, you have just purchased a product with Intelbras quality and security. The PGM expander module has a relay output, giving the user the possibility to automate several devices in your home or business, such as gates, automatic curtains, lamps and much more.
Care and security
- Follow all instructions in the manual/guide for product installation and handling.
- Perform the installation in environments not susceptible to factors such as rain, fog and splashes of water.
- Wireless communication technology, when exposed to environments with high power radiation, may suffer interference and have its performance impaired. Example: locations near TV towers, AM/FM radio stations, amateur radio stations, etc.;
- Clean only the external part of the device, using only a damp cloth (do not use chemical solvents);
- Do not subject the device to excessive pressure or knocks/falls;
- Do not cover the device with adhesives, paper or inks;
- Do not expose directly to sunlight;
- Confirm that the installation site is stable and appropriate;
- Only perform configurations and installations by qualified personnel.
![]() | This product has an internal battery/battery. After its useful life, the product must be delivered to an Intelbras authorized technical assistance or directly perform the final destination environmentally appropriate avoiding environmental and health impacts. If you prefer, the battery as well as other Intelbras brand electronics without use, can be disposed of at any collection point of Green Eletron (manager of electrical and electronic waste with which we are associated). If you have any questions about the reverse logistics process, please contact us at (48) 2106-0006 or 0800 704 2767 (Monday to Friday from 8am to 8pm and Saturdays from 8am to 6pm) or via e-mail [email protected]. |
![]() | LGPD – General Law for the Protection of Personal Data: Intelbras does not access, transfer, capture, or perform any other type of treatment of personal data from this product. |
Technical specifications
| Frequency of operation | RF signal from 915 to 928 MHz |
| Modulation | DSSS BPSK 40 kbps |
| Maximum trans. power | 11 dBm |
| Transmission range¹ | 600 m with direct line of sight open field² |
| DC supply voltage | 12 Vdc to 24 Vdc |
| AC power supply | Input: 100/240 Vac ~ 50-60 Hz |
| Internal non-rechargeable battery | 3 Vdc CR2032 |
| PGM output number | 1 PGM 10 A / 125 Vac 10 A / 250 Vac |
| Operating temperature | -10 to 50 °C @ 90% of humidity |
| Compatibility | 8000 Wireless Security System |
| Anatel Homologation | Yes |
| Protection against violation | Tamper key |
| Anti-jamming | Against invasive signals |
| Color | White |
| Dimensions (W × H × D) | 122 × 122 × 47 mm |
| Weight | 200 grams |
1 Intelbras wireless systems are tested to the highest standards and bring high reliability, but due to their use/installation in various scenarios, some considerations must be taken into account:
- Transmitters/receivers may be disturbed by radio signals, natural interference, location of operation of the devices, climatic issues and other adversities affecting the transmission of data regardless of the frequency or technology used, since the means of transmission is adverse and different from place to place.
- The receivers/transmitters of the devices have an internal processing time, and only receive the data necessary for communication between them after this particular time for the system.
- Wireless devices must be tested regularly to determine if sources of interference exist and to protect against possible failures.
² The maximum range distance between the AMT 8000 alarm center and the PGM 8000 expander is up to 600 m with direct line of sight in the open field.
Features
- Low battery indication.
- Long battery life;
- Easy installation;
- Key for registration.
- Tamper protection key;
- Two Power options: AC 100/240 Vac ~ 50-60 Hz or DC: 12 Vdc to 24 Vdc;
- 1 internal 3 Vdc (CR2032) battery.
- Transmission frequency 915 MHz – 928 MHz;
- Protection against malicious signals;
- Encryption on data transmission between devices.
Registration at the center unit
To register the PGM expander with the alarm center, press the synchronization button on the center and then press the button on the expander located at the back, as shown in the image below, removing the product from the mounting bracket. Check if the LED on the front part of the amplifier will flash green, indicating the success of the registration. If the LED flashes orange, the signal is intermittent or weak and if the LED flashes red, there was some fault and the process must be repeated. The amplifier will be addressed with the center unit according to the sequence performed, respecting the maximum limit of 16 devices of this type.
To check if the PGM expander installation location is within the RF signal range, press the sync button, and if the LED flashes green the communication is correct, in orange the communication is intermittent/weak and in red there is no communication with the center unit. To register other expanders/accessories through keyboard commands and further information/ configurations, please refer to the complete manual of the AMT 8000 center. Note: when registering the PGM 8000 expander to the alarm center using the synchronization key, perform the practice safely, because the alarm center is energized, so as not to bring risks to the installer and the equipment.
Installation
The PGM 8000 expander has a specific base to be fixed on various surfaces, such as walls, among others. To remove the expander from the base when it is fixed on some surface, slide it up and to put it back on the standalone base if it is fixed or in manual use, follow the base’s indicative marking.
Fix the base with screws³ or double-sided tapes³ on the desired surface and after arranging the wires of the installation as shown in the illustration, fit it to the base. Make sure that the base is correctly fixed to the surface and the expander on the base, so that they do not come Off.
³ Screws, double-sided tape and other accessories are not included with the PGM expander and must be purchased separately.
Battery / DC Supply / AC Power / Relay Drive
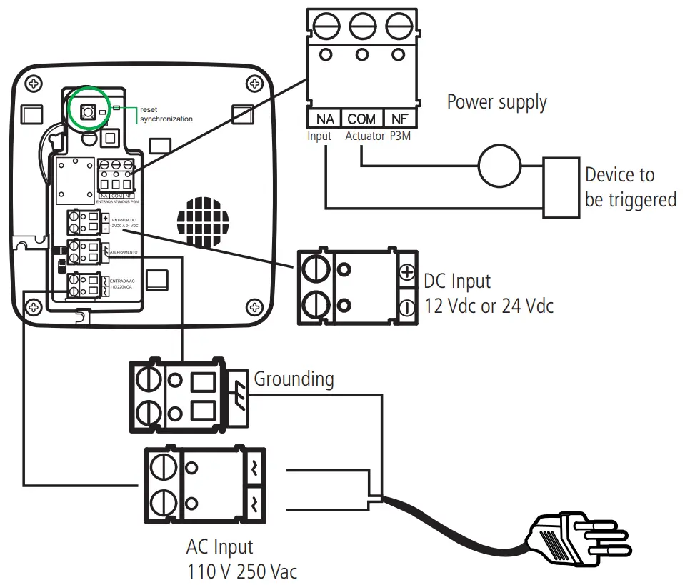
The PGM 80000 extender has an internal 3 Vdc CR2032 non-rechargeable battery, used only when there is power outage to maintain communication with the center unit, in case of power outage the PGM output is deactivated. The battery connector is located internally on its board (not accessible, to change the battery must open the product cabinet by removing the screws). The main power of the expander is provided through AC 100/240 Vac power supply or through 12 Vdc to 24 Vdc sources, which is not supplied with the product. To turn on the product, connect the power at the indicated location and the device to be operated as shown below.
PGM 8000 expander installation, external devices drive and DC power and AC power connection
Note:
- The predicted battery life is 3 to 5 years, which can be influenced by the lack of DC power and / or AC power.
- The consumption of the actuator when connected to the mains:
- Consumption with activated relay 0,013 A;
- Relay consumption deactivated 0,010 A.
Operation
The PGM extender is programmable and can be used to trigger devices such as: electric locks, spotlights, auxiliary sirens, buzzers or almost any device that uses electricity. The PGM output of the expander is activated whenever the programmed event occurs and can operate in the following modes:
- External triggering;
- Password entry;
- System activation;
- System deactivation;
- Medical emergency;
- Failure to communicate event;
- Phone line failure;
- Siren problem;
- Panic triggering;
- Panic silent triggering;
- Fire;
- Zone 1 opening;
- By remote control;
- By time.
After event restoration, the PGM output is deactivated, please refer to AMT8000 Alarm Center manual for more information/configurations
Homologation
This equipment is not entitled to protection against harmful interference and may not cause interference to duly authorized systems.
This is a product approved by Anatel, the approval number can be found on the product label, for queries visit the website: sistemas.anatel.gov.br/sch.
Warranty term
It is expressly stated that this contractual warranty is given subject to the following conditions:
- All parts and components of the product are under warranty against possible manufacturing defects, which may present, for a period of one (1) year, – comprising 90 (ninety) days of legal warranty and 9 (nine) months of contractual warranty, –, counted from the date of purchase of the product by the Consumer, as stated in the invoice of purchase of the product, which is part of this Term throughout the national territory. This contractual warranty includes the express exchange of products that are defective in manufacture. In case no manufacturing defect is found, but flaw(s) from inappropriate use, the Consumer will bear these expenses.
- Product installation must be done in accordance with the Product Manual and/or Installation Guide. If your product needs to be installed and configured by a qualified technician, look for a suitable and specialized professional, and the costs of these services are not included in the value of the product.
- If the defect is found, the Consumer should immediately communicate with the nearest Authorized Service listed by the manufacturer, – only they are authorized to examine and remedy the defect during the warranty period provided herein. If this is not respected, this guarantee will lose its validity, as the violation of the product will be characterized.
- In the event that the Customer request home care, he/she should refer to the nearest Authorized Service for the technical visit fee. If the need for withdrawal of the product is found, the expenses arising, such as transportation and safety to and from the product, are under the responsibility of the Consumer.
- The warranty will totally lose its validity in the event of any of the following: a) if the defect is not of manufacture, but caused by the Consumer or by third parties alien to the manufacturer; b) if the damage to the product comes from accidents, claims, agents of nature (lightning, floods, landslides, etc.. ), humidity, mains voltage (overvoltage caused by accidents or excessive mains fluctuations), installation/use in disagreement with the user manual or due to natural wear of parts and components; c) if the product has been influenced by chemical, electromagnetic, electrical or animal (insects, etc.); d) if the product’s serial number has been tampered with or erased; e) if the device has been tampered with.
- This warranty does not cover loss of data, so it is recommended that the Consumer make a regular backup of the data on the product.
- Intelbras is not responsible for the installation of this product and also for any attempts of fraud and/or sabotage on its products. Keep software and application updates, if any, up to date, as well as network protections necessary to pro¬tect against hackers. The equipment is guaranteed against flaws within its normal conditions of use, and it is important to be aware that, since it is an electronic equipment, it is not free from frauds and scams that may interfere with its correct functioning.
- This product has an internal battery. After their useful life, the batteries must be delivered to an authorized technical assistance office at Intelbras or directly to the environmentally appropriate final disposal, avoiding environmental impacts and health. If you prefer, the battery, as well as other unused Intelbras electronics, can be disposed of at any Green Eletron collection point (electronic waste manager to which we are associated). In case of doubt about the reverse logistics process, please contact us by phone (48) 2106-0006 or 0800 704 2767 (Monday to Friday from 8 am to 8 pm and on Saturdays from 8 am to 6 pm) or through e -mail [email protected].
Since these are the conditions of this complementary Warranty Term, Intelbras S/A reserves the right to change the general, technical and aesthetic characteristics of its products without prior notice.
The manufacturing process for this product is not covered by the requirements of ISO 14001.
All images in this manual are illustrative.

Customer Support: (48) 2106 0006
Forum: forum.intelbras.com.br
Support via chat: intelbras.com.br/suporte-tecnico
Support via e-mail: [email protected]
Customer Service: 0800 7042767
Where to buy? Who installs it? 0800 7245115
Produced by: Intelbras S/A – Indústria de Telecomunicação Eletrônica Brasileira Rodovia BR 459, km 124, nº 1325 – Distrito Industrial – Santa Rita do Sapucaí/MG – 37540-000 CNPJ 82.901.000/0016-03 – www.intelbras.com.br





















