Lightcloud LCCONTROL-480 347-480V Controller User Manual
Hello
The Light cloud Controller is a remotely controlled switch and 0-10V dimming device.
Product Features
- Wireless Control & Configuration
- Switching up to 2A
- 0-10V Dimming
- Power Monitoring
Contents
- Light cloud Controller

- Lock Nut

- O-ring

- Wire Nuts

- Instruction Manual

Specifications
PART NUMBER
LCCONTROL/480
INPUT
347-480VAC, 50/60Hz <2W(Standby) – 4W(Active)
MAXIMUM SWITCHED LOAD RATINGS
For Control of Electronic Ballast (LED) and Magnetic Ballast
347/480VAC : 2A Electronic Ballast (LED) 2A Magnetic Ballast
OPERATING TEMPERATURE
-40°C to +40°C
OVERALL DIMENSIONS
1.58″ diameter, 5.90″ length
1/2″ NPT Mount, Male
16AWG pigtails
22AWG pigtails
WIRELESS RANGE
Line-of-Sight: 1000 feet
Obstructions: 100 feet
Class 2
IP66 Rated
Indoor and Outdoor Rated
Wet and Damp Location
Plenum Rated
What You Need
Lightcloud Gateway
A Light cloud installation requires at least one Light cloud Gateway to manage your devices.
Wiring

Setup & Installation
Turn Off Power
WARNING
Find a Suitable Location
Use these guidelines when installing devices:
- If there is a clear line of sight between two Light cloud devices, they can be placed up to 1000 feet apart.
- If the two devices are separated by ordinary drywall construction, try to keep them within 100 ft. of each other.
- Brick, concrete and steel construction may require additional Light cloud devices to go around the obstruction.

Install your Light cloud Controller
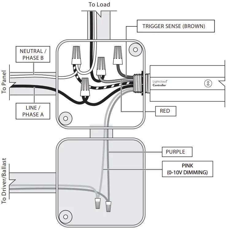
Install at a Junction Box (Indoor/Outdoor)
0 – 10V DIMMING
0-10V is a common method of low-voltage control of dimmable drivers and ballasts. Purple: 0-10V positive | Pink: 0-10V common.
NOTE: The National Electrical Code requires that low-voltage wiring used in the same enclosure as high-voltage wiring have an equal or better insulation rating. You may need to complete your low-voltage wiring in another enclosure or use a partition.
At Lighting Panel or Trough

Space and code allowing, you may install Light cloud devices directly in your breaker box or lighting panel. Alternatively, break out lighting circuits and install Light cloud devices in a separate trough.
Labeling Your Device
When installing devices, it’s important to keep track of their Device IDs, installation locations, panel/circuit #s, dimming function, and any additional notes. To organize this information, use the Light cloud Installer Application (A) or Device Table (B).
Light cloud Installer Application
stall the LC Installer Application: LC Installer is available for iOS & Android.
Scan & Install Light cloud Devices: Scan each device and assign to a room. It’s recommended that each device is scanned just before or just after being wired so no devices are missed. The more notes that are given, the easier it is to commission the system.
Device Table
For setup and maintenance, we provide two Light cloud Device Tables with the Gateway: one that you can attach to your panel and one to hand off to a building manager. Attach the Device Identification stickers included with each device to a row, then write in additional information, such as Zone
name, Panel/Circuit Number, and whether or not a zone uses dimming.
Send to RAB: Once all of the devices have been added and organized, submit the information for commissioning.
Power Up
To add new devices to your Light cloud network, call RAB at
1 (844) LIGHTCLOUD, or email us at [email protected].
Confirm Device Connectivity
Confirm Status Indicator is Solid Green (see details below).
Commission Your Devices
Log on to www.lightcloud.com or call 1 (844) LIGHTCLOUD
Functionality
Configuration
To configure Light cloud products, use the Web Application (control.lightcloud.com) or call 1(844) LIGHTCLOUD.
Operating Modes
- CONTROLLER: Provides switching and dimming for a single zone.
- REPEATER: Extends the Light cloud mesh network without controlling a load.
- TRIGGER: Detect when an attached circuit is open or closed. For example, you could attach the Controller in Trigger mode to an existing occupancy sensor to allow your Light cloud system to react to the sensor.
- OCCUPANCY LOCAL: Use an attached sensor to control the Controllers load.
- OCCUPANCY CUSTOM: Use an attached sensor to control the load of any Zone in the Light cloud site.
- ADVANCED TRIGGER: Designed to use a third-party occupancy sensor to detect occupancy without that sensor directly controlling the lights.
Controller will function as an occupancy sensor in this mode.
- POWER MEASUREMENT: The Light cloud Controller is capable of measuring the power usage of the attached circuit.
- POWER LOSS DETECTION: If mains power to the Controller is lost, the device will detect this and alert the Light cloud application.
- EMERGENCY DEFAULT: If communication is lost, the Controller may optionally fall back to a specific state, such as turning the attached circuit on.
Controller requires constant, un switched power. Any wires not in use must be capped off or otherwise insulated. This product should only be installed by a qualified electrician and in compliance with local and national electrical codes.
FCC Information
This device complies with Part 15 of the FCC Rules. Operation is subject to the following two conditions:
- This device may not cause harmful interference, and
- This device must accept any interference received, including interference that may cause undesired operation.
Note: This device has been tested and found to comply with the limits for Class A digital devices pursuant to Part 15A Subpart B, of the FCC rules. These limits are designed to provide reasonable protection against harmful interference in a residential environment. This equipment generates, uses, and can radiate radio frequency energy, and if not installed and used in accordance with the instruction manual, may cause harmful interference to radio communications. However, there is no guarantee that interference will not occur in a particular installation. If this equipment does cause harmful interference to radio or television reception, which can be determined by turning the equipment off and on, the user is encouraged to try and correct the interference by one or more of the following measures:
- Reorient or relocate the receiving antenna.
- Increase the separation between the equipment and receiver.
- Connect the equipment into an outlet on a circuit different from that to which the receiver is connected.
- Consult the dealer or an experienced radio/TV technician for help.
To comply with the FCC’s RF exposure limits for general population / uncontrolled exposure, this transmitter must be installed to provide a separation distance of at least 20 cm from all persons and must not be co-located or operating in conjunction with any other antenna or transmitter.
CAUTION: Changes or modifications to this equipment not expressly approved by RAB Lighting may void the user’s authority to operate this equipment.
Support
Light cloud is a commercial wireless lighting control system.
It’s powerful and flexible, yet easy to use and install.
Learn more at lightcloud.com
1 (844) LIGHTCLOUD
1 (844) 544-4825
[email protected]

























