LURACO L1004B-KP-V3 10-Button Keypad with Temperature Display for PSC/BSC User Manual
Product Overview

Understanding the Unit
| 1 | Display | Screen OFF: Unit is in ‘idle’ mode |
| Screen ON: Unit is displaying speed, time remaining or error information. | ||
| 2 | Temperature | When on, the screen displays the water temperature in degree F |
| 3 | Speed level | When on, the screen displays speed level from 1 to 10 of the corresponding pump. |
| 4 | Time remaining | When on, the screen displays the cycle time remaining in minutes. |
| 5 | Jet pump button | 1st press: Jet pump ON, Light ON, LED ON |
| 2nd press: Jet pump OFF, LED OFF | ||
| 6 | Speed + button | Speed goes up, screen displays speed. Max. speed level is 10. |
| 7 | Speed – button | Speed goes down, screen displays speed. Min. speed level is 1. |
| 8 | Pulse mode button | 1st press: Pulse mode ON, LED ON |
| 2nd press: Pulse mode OFF, LED OFF | ||
| 9 | Light button | 1st press: Light ON, LED ON |
| 2nd press: Light OFF, LED OFF | ||
| 10 | Air pump button | 1st press: Air pump ON, Light ON, LED ON |
| 2nd press: Air pump OFF, LED OFF | ||
| 11 | Speed + button | Speed goes up, screen displays speed. Max. speed level is 10. |
| 12 | Speed – button | Speed goes down, screen displays speed. Min. speed level is 1. |
| 13 | Pulse mode button | 1st press: Pulse mode ON, LED ON |
| 2nd press: Pulse mode OFF, LED OFF | ||
| 14 | Light pulse button | Light color changes, LED on the button blinks. |
FEATURES
- Pump pulsating mode: In this mode, the pump speed varies automatically with a cycle period of approximately 10 seconds.
- Light pulsating mode: In this mode, the light color changes each time the light pulse button is pressed.
- Speed Change: By default, the pump speed level is set to 10. When the pump is turned OFF, the speed level during the time of turning OFF is saved.
- Pump Soft Start: When the pump is turned ON, the pump speed is softly ramped up to maximum speed in about 5 seconds, and then the pump speed goes back to saved speed level/ default level. During the 5 second soft ramp up, the ‘Speed+’, ‘Speed-’ and ‘Pulse’ mode button for the corresponding pump are disabled.
- Built in shutdown timer: The unit has 20 minute built-in timer. The unit will shut down after 20 minutes of operation and save the speed level for next cycle use.
- Purge mode: The drying cycle will start automatically 15 minutes after the system stops (The system can be either stopped manually, or it stops automatically after 20 min using the built in timer, or it stops automatically if no water is detected on water level sensor). The air pump will run at maximum speed for duration of 2 minutes.
During this 2 minute drying cycle, the keypad is disabled. The display at this time counts down from 120 sec to 0 sec and after that the air pump will automatically stop. - Temperature Display: If the temperature probe is connected to keypad, the screen will display the water temperature in degree F. Disconnecting the temperature probe from keypad disables the temperature display functionality.
Note: Make sure that the water level sensor or a jumper is connected to VSC box. Otherwise, the unit will not turn on.
Error Codes
The display screen has special error codes to determine and debug possible error conditions. They are as follows:
| E-1 | There is a connection problem between PSC/BSC to keypad. Try reconnecting the cable and reset the power on PSC/BSC. |
| No H20 | The unit will not turn on because the water level sensor is detecting no water in tub. If water level sensor is not used, a jumper should be connected at water sensor port of PSC/BSC. |
| E-2 | The unit shuts down due to over-heating. Check the fan connection in the PSC unit. |
| E-3 | There is a connection problem from port 1 to PSC/BSC. Try re-connecting the cable. |
| E-4 | There is a connection problem from port 2 to PSC/BSC. Try re-connecting the cable. |

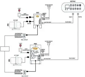
| Port 1 | Control air pump connected to the BSC. This connection is must for the keypad to operate. |
| Port 2 | Controls jet pump connected to the PSC. This connection is not required if user wants to control just air pump connected to port 1. |

Backside view of keypad (All dimensions in inch)
Understanding the Setup

STEPS TO FOLLOW
- Connect keypad to PSC/BSC using RJ25 cable.
- Connect water level sensor/ jumper on the sensor port of PSC/BSC. Note that only one water sensor probe is required for the system. That sensor can be connected on either VSC or BSC controller, while the other sensor input needs to have a jumper.
- Connect Pump to the ‘Pump outlet’ and Light to the ‘Light outlet’ of the PSC/BSC.
- Connect power cable to the power outlet and turn on the unit using power button on keypad.
REPAIR & SERVICE INSTRUCTIONS
If you need to send a unit to us for repair, please follow the steps below.
- A return must be coordinated with the store where the product was purchased for return authorization from Luraco Health & Beauty LLC.
- Carefully pack the item in its original carton, if available, or other suitable box to avoid damage in shipping.
- Before packing your unit; be sure to enclose:
- Your name with full shipping address and telephone number
- A dated receipt to show PROOF OF PURCHASE
- A note detailing the problem you are having with the unit.
WARRANTY INFORMATION
TWO (2) YEAR LIMITED WARRANTY
(1 year for Spa Chair Manufacturer and 1 year for End User).
- This Warranty applies only to the original purchaser of this product.
- This Warranty applies ONLY to repair or replacement of any supplied or manufactured parts of this product. The warranty does not cover normal wear, coating, dropped or abused units.
- Unless otherwise proscribed by law, LURACO shall not be liable for any personal injury, property or any incidental or consequential damages of any kind resulting from malfunctions, defects, misuse, improper installation or alteration of this product.
Attention: Any modification to the product will void the warranty
DISCLAIMERS
Limited warranty and liability — Information in this document is believed to be accurate and reliable. However, LURACO Health & Beauty, LLC does not give any representations or warranties, expressed or implied, as to the accuracy or completeness of such information and shall have no liability for the consequences of use of such information.
In no event shall LURACO Health & Beauty, LLC be liable for any indirect, incidental, punitive, special or consequential damages (including – without limitation – lost profits, lost savings, business interruption, costs related to the removal or replacement of any products or rework charges) whether or not such damages are based on tort (including negligence), warranty, breach of contract or any other legal theory.
Notwithstanding any damages that customer might incur for any reason whatsoever, LURACO Health & Beauty, LLC’ aggregate and cumulative liability towards customer for the products described herein shall be limited in accordance with the Terms and Conditions of commercial sale of LURACO Health & Beauty, LLC.
Right to make changes — LURACO Health & Beauty, LLC reserves the right to make changes to the product and information published in this document, including without limitation specifications and product descriptions, at any time and without notice. This document supersedes and replaces all information supplied prior to the publication hereof.
Suitability for use — LURACO Health & Beauty, LLC products are not designed, authorized or warranted to be suitable for use in life support, life-critical or safety-critical systems or equipment, nor in applications where failure or malfunction of an LURACO Health & Beauty,
LLC’ product can reasonably be expected to result in personal injury, death or severe property or environmental damages.
Customer Support
LURACO HEALTH & BEAUTY, LLC
1140 107TH STREET ARLINGTON, TX 76011
TEL: +1-817-633-1080
FAX: +1-817-633-1085
WWW.LURACO.COM
(Updated 09/2020)



















