INSTALLATION INSTRUCTIONS
CARE AND MAINTENANCE
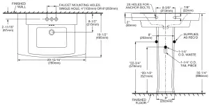
0328 TOWNSEND® PEDESTAL SINK

Thank you for selecting American Standard – the benchmark of fine quality for over 100 years. To ensure this product is installed properly, please read these instructions carefully before you begin. (Certain installations may require professional help.) Also, be sure your installation conforms to local codes.
CAUTION: THE PRODUCT IS FRAGILE. TO AVOID BREAKAGE AND POSSIBLE INJURY HANDLE WITH CARE!
NOTE: Pictures may not exactly define the contour of china and components.
OBSERVE LOCAL PLUMBING AND BUILDING CODES


SAVE FOR FUTURE USE
- Provide suitable reinforcement behind the finished wall for lavatory mounting screws.
* Determine the horizontal center line location of support from the fixture.
NOTE: If replacing an existing sink be certain to shut off the water supply before removing the old sink.
Place lavatory and pedestal into installed position. Level and square the lavatory and pedestal- Mark lavatory and pedestal screw locations through the mounting holes.
- Remove lavatory and pedestal from the installed position. Drill pilot holes for lavatory and pedestal anchor screws or lag bolts.
Note: Some models are supplied with lag bolts, anchor screws, or steel hangers for lavatory installations only. Other models and all pedestals are not provided with mounting hardware. Various pedestal screw sizes and types are available to the installer at local hardware outlets. - ANCHOR SCREW INSTALLATION
Install lavatory anchor screws leaving 1-7/8″ threaded end exposed as illustrated.
IMPORTANT: Final assembly of nut and washer or lag bolt method shown for reference only. - Following the manufacturer’s instructions, install the faucet and drain assembly (not included). Be certain to apply a bead of sealing putty on the underside of the drain (area “A”) in order to ensure a watertight seal between the lavatory and drain. Remove excess putty after installing drain on the lavatory.

- Return the fitted lavatory to the installed position. Connect trap to drain assembly hand tight to check alignment. It may be necessary to cut off part of the tailpiece (area “B”) or part of the horizontal leg of the trap (area

- Secure lavatory to the wall as shown in Step 5. Install washers and hand tighten nuts or lag bolts. Level and square the unit. Connect hot and cold supply lines to the shut-off valves. Tighten trap joints for watertight assembly.

Note: Space constraints may dictate the method of fastening the pedestal to the floor.
ALTERNATE METHOD: COMPONENTS NOT INCLUDED
LAG BOLT INSTALLATION
Use lag bolts to secure the lavatory as illustrated.


In the United States:
American Standard Brands
1 Centennial Ave.
Piscataway, New Jersey 08855
Attention: Director of Customer Care
For residents of the United States, a warranty
information may also be obtained by calling
the following toll-free number: (800) 442-1902
www.americanstandard.com
Product names listed herein are trademarks of AS America, Inc.
© AS America, Inc. 2020![]()
7302307-100 Rev.A (10/20)

Place lavatory and pedestal into installed position. Level and square the lavatory and pedestal
Note: Some models are supplied with lag bolts, anchor screws, or steel hangers for lavatory installations only. Other models and all pedestals are not provided with mounting hardware. Various pedestal screw sizes and types are available to the installer at local hardware outlets.
IMPORTANT: Final assembly of nut and washer or lag bolt method shown for reference only.


Note: Space constraints may dictate the method of fastening the pedestal to the floor.

















