STILLCLEAN Hydra 30NT Mobile Parts Washer

FEATURES AND SPECIFICATIONS
- Tank: Hydra 30 Molded HDPE Plastic Tank Capacity: 25 gallons.
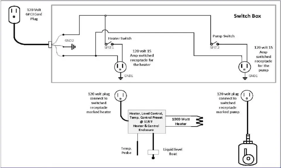
- Hydra 30 electrical requirements 120 Volts AC, 12 Amps. Operates on a standard industrial 20 amp. 120-volt circuit.
- The heater is 1000 watts and constructed of 304 stainless steel. The heater has an integrated level float and internal preset temperature and over-temperature controls with an operating range of 113 to 117 degrees F.
- The sink includes a 400-micron 4” diameter bag filter in the sink drain. Other filter ratings are available. The bag filter can be cleaned or replaced.
- The 300 gph pump includes a debris screen.
- GFCI cord plug. preset manual temperature control with overtemperature and low-level protection.
- The washer has 4 multi-directional casters for ease of movement.
- Complete system weight 75 Lbs dry weight.
- Sink dimensions: ID 36” L to R, 21” F to B, 40” high, 8” Sink Depth.
- Machine dimensions: OD 38.25” L to R, 27.5” F to B, 40” Floor to top of Sink.
Caution
- Read and understand the manual before using the washer.
- This unit is designed to be used with water-based cleaners. DO NOT use any flammable/combustible cleaning chemicals. Including but not limited to mineral spirits, petrochemical solvents or any other petroleum or alcohol-based chemicals. Doing so will create a hazardous situation, which could result in serious injury, death, and property and equipment damage.
- Heated water-based cleaners will evaporate water with use, and check the solution level regularly to insure the proper function of the parts washer. Closing the lid and not leaving the pump running when the system is not in use can minimize evaporation.
- Use care not to overfill the unit, proper solution depth is approximately 22” up from the bottom of the tank.
- Unplug or lock out the unit before performing any service.
- Do NOT place hot parts in the sink.
- Do NOT use the washer if damaged or safety mechanisms are inoperable. Have the unit serviced before continuing operation.
- If an extension cord is needed to operate the equipment, care must be taken to assure the proper rating. Do NOT use an extension cord that is underrated.
- In case of malfunction or emergency, unplug the unit and contact a service person.
- Proper solution levels must be maintained for heater and pump operation. A low solution level may cause heater or pump failure.
- Maintain cleaning chemicals and clean the system regularly to avoid the build-up of sludges and oils in the system that may interfere with the heater/pump operation.
- This unit is designed for indoor use only.
- Personal Protective Equipment must be worn including but not limited to safety glasses and gloves. See chemical SDSs for recommendations.
Replacement Parts
| Part Number | Description | Qty. |
| 2009P | Wash pump, fractional HP, 120 VAC | 1 |
| PW-A-1KW/120V | 1KW / 120 VAC Heater | 1 |
| PW-3300 | Flow Thru Wash Brush | 1 |
| H30SO | H30 Sink | 1 |
| H34.0047 | Aluminum sink mount | 1 |
| H34.0030 | Sink Latch | 1 |
| H30NT-PC | H30 Plastic Sink Cover | 1 |
| H3.0029 | H30 Tank | 1 |
| H3.0022 | Plastic wheelbase | 1 |
| H3.0023 | Plastic verticle tank supports | 4 |
| H3.0024 | Plastic sink supports | 2 |
| H3.0050 | Tank base mounting bracket | 1 |
| Filter Bag | 4” 200 Micron | 1 |
| H345.0003 | Metal drain cover/strainer | 1 |
| H34.0034 | Electrical Box, 2 switches, duplex receptacle | 1 |
| H34.0019 | Receptacle, two gangs 120 VAC / 15 amp | 1 |
| H345.0035 | Lighted ON/OFF Switch 125VAC / 20 amp | 2 |
| H345.0001 | GFCI Cord plug 120 VAC / 15 amp | 1 |
| H34.0017 | Male cord plug male, yellow | 1 |
| H34.0046 | Cord whip heater, black, male 4 ft. 14/3 | 1 |
| H34.0020 | Casters, no brakes | 4 |
| H345.0004 | LOC Line Flex ½” tubing | 12” |
| H345.0005 | LOC Line ½” valve | 1 |
| H345.0006 | LOC Line ½” nossle | 1 |
| H345.0007 | ½” poly pro T | 1 |
| H345.0010 | Stainless ½” NPT x 1/2” NPT Valve | 1 |
| H345.0015 | Cam lock fitting female to male barb | 1 |
| H345.0016 | Cam lock fitting male to female | 1 |
Warranty Statement
- The term of warranty shall be one year to the original owner from the invoice date.
- OSI shall replace for one year those parts returned to the factory, which upon inspection by the company are determined to be defective.
- All repairs must be made with authorized replacement parts to be covered by warranty. Parts must be returned freight prepaid within 15 days of receipt of R.G.A.
- R.G.A. must appear on all returned goods.
OSI Environmental, Inc.
1000 Lund Blvd, Anoka, MN 55303 Phone: 800-628-7657 / www.osienv.com / www.stillclean.com.
Wiring

OSI ENVIRONMENTAL, INC
Hydra 30, 45 NT& Hydra 50 Parts Wash Sçhematics
Heater: 120 Volt AC 8.3 Amps 1000 Watts
Pump: 120 Volts AC.5 Amps
Machine Full load Less than 10 Amps@120VAC.

















