AMPETRONIC UP27006-6 Talkperfect DX

Copyright Notice
This document, its contents and any trademarks contained herein are the subject to Copyright, it may not be copied, duplicated, reproduced, edited or otherwise distributed without the express written permission of Ampetronic Limited.
All rights reserved, any unauthorised, copying or reproduction will constitute an infringement of Copyright, Ampetronic asserts its rights as the owner and producer of this document.
This document is not be sold, hired or otherwise commercialised without the written consent of Ampetronic.
By not obtaining a license to sell or reproduce this document, use of this work (or part thereof) will be considered a breach of copyright.
Additional Documents
This Install Guide should be used in conjunction with the TalkPerfect™ DX unit handbook which is included in each system and outlines safety, warranty specifications and features of the equipment.
Pre-Requisites Checklist
The following checklist is designed to assist in pre-planning a successful installation, whist not every checklist item must be verified prior to Installing; failure to complete these checks may impede the speed and quality of the installation.
| Item | Yes | No |
| Desk Layout/CAD Drawing Cable Routes Identified on Drawing (Blind Holes etc) Counter Access Panel – Removal Counter Materials (MSDS Safety Data from Manufacturer) | * * * | * * * |
| Confirm Configuration to be Installed (Client Specification) | * | * |
| Site Conditions | * * * * * * * * * | * * * * * * * * * |
| CDM Pre-construction Health & Safety Information | ||
| Asbestos Register Review (Buildings prior to 2000) | ||
| Method Statement | ||
| Site Induction Completed (Site Dependant) | ||
| PPE Requirements Fulfilled | ||
| Risk Assessment Updated following Site Induction/Visit | ||
| Permit to Work (Site Specific) | ||
| Glazed Screen in Position | ||
| 200V AC Power Availability at each Position (1 Metre Max) |
Planning
Layout
General System Principle
The system is designed to restore speech levels reduced by use of a glass security screen or barrier. It is not designed to act as a public address system. Raising volume much higher to compensate for an already noisy environment can cause in cases, an increase in audio / intelligibility problems.
Where the acoustic conditions are such that conversations are already difficult on either side of the barrier due to excessive background noise and / or poor acoustic environment design, the system in operation will not overcome these situations. The system has been designed to be a speech enhancement product, not a Public Address system. This should be established at the earliest point in the specification of the equipment, or as soon as possible to avoid problems prior to and following the system being installed.
Safety
When looking at suitable locations for amplifier Installation, please be aware of use of the area by the user (to avoid injury) taking into account final furniture and other equipment locations.
The TalkPerfect™ DX system uses “Solder-less” connections thereby negating the need for “Hot Works” permits or other Health and Safety issues concerned with Soldering.
Other Equipment
When installing Speech transfer systems common issues are encountered with available space on desk surfaces of both the Staff and Client sides of the desk. Other equipment such as IT Screens, Keyboards, Printers, and Chip & Pin or other desk top furniture will have a significant impact on placing Speakers, Microphones and combination devices.
Do not underestimate the importance of Microphone positioning to maximise optimum system performance.
Care and attention must be taken with possible placement of drawer units, pedestals, electrical services (dado trunking/containment) and IT system equipment when installing to the underside of the desk.
Uniform Layout
When approaching a multi-position installation, pre-planning and consistency of installation positions can be challenging. This is often the root cause of both performance issues and client complaints. Check for both Right-handed and Left-handed desk configurations and how staff and systems will interact.
Layout of Speakers and Microphones
Positioning of the microphone and loudspeaker assemblies on either side of the screen is important to the optimum performance of the system. A MINIMUM distance between speaker and microphone centres of 600mm should be adhered to at all times. Spacing less than this should be agreed with Ampetronic or the distributor before installation can commence, as this will reduce the overall efficiency achievable by the system. MAXIMUM spacing should typically be no more than 1m, for the same reason. As shown in the image to the right.
- Ensure that each speaker / microphone is installed in a back-to-back manner, i.e. mirror image, on the opposite side of the screen speaker–to-speaker, microphone-to-microphone.
- Regardless of the configuration of microphone or loudspeaker assemblies supplied, they should be mounted as close to the glass screen as possible.
- Where multiple systems are installed on a continuous counter, where possible, unless otherwise instructed, the layout should follow either of the two following principles.
o Adjacent position MIC & SPEAKER combinations should be configured (Position 1, 2, 3, etc).
o Position (1) MIC – SPEAKER Position (2) SPEAKER – MIC Position (3) MIC – SPEAKER, etc. - Where it is not possible to lay out the speakers and microphones in this configuration, spacing between each adjacent position MIC & SPEAKER combination, should be as far apart from each adjacent combination as possible, to minimize the microphone picking up the next adjacent speaker.

Cable Routing & Fixing
With reference to the planning and pre-requisite stages of this document, knowing that you have routes and access for cables is imperative. Some bullet resistant screen/counter configurations contain steel plates. Drilling through these is not a “site based” task and may invalidate the ballistic integrity of the installation.
When drilling holes for cables from the client side of the desk surface, ensure that voids do not contain AC or other electrical cables and that the position for holes will permit you to retrieve the cable for connection to the amplifier.
On each microphone and speaker 2.5 metres of cable are provided to allow for optimal cable routing and fixing. Ampetronic does not recommend that cables are cut-to-length as this can introduce connection issues; all peripherals are terminated with cable ferrules to facilitate effective solder-less connections.
Recommended fixing methods for cables include, but are not limited to:-
- Adhesive Cable Tie Bases & Cable Ties
- P-Clips
- Stand-offs
From practical experience, cables should be bundled and affixed in such a manner as to facilitate changes and serviceability in the unlikely event that replacement peripherals are required. Always think about future replacement.
Be aware of the “RFI suppression” on the power adapter cable, in the event you may have to feed cables into “void” areas the size of the “RFI suppression” can be a limiting factor
Acoustic Conditions
See Layout Section with Acoustic Feedback Diagrams.
The TalkPerfect™ system is designed to ‘electronically’ remove the physical glazed barrier between client & staff, however, where the acoustic conditions are such that conversations are already difficult on either side of the barrier due to excessive background noise and / or poor acoustic environment design; the system in operation will not overcome these situations. The system has been designed to be a speech enhancement product, not a Public Address system. This should be established at the earliest point in the specification of the equipment, or as soon as possible to avoid problems prior to the system being installed.
Sound pressure level checks may be performed prior to installation or at the point of site survey. Rectification of such excessive ambient noise can be costly. 
Combination Speaker/Microphone Operation
The combination speaker/microphone or “Combi” has a 400mm Gooseneck which incorporates a directional electret microphone, which has been specifically developed for such applications.
Correct positioning and fixing of the “Combi” is paramount to the effective operation and function of the TalkPerfect™ DX System. The Combi is ‘fixed’ in place by means of the fixing clip (Provided) to ensure the system operates in a consistent manner when in daily use. Failure to fix the position will potentially result in the speaker potentially facing away from the intended user reducing the speech transfer efficiency, or misdirecting the speech to another person.
The integrated Gooseneck microphone on the “Combi” must also be correctly positioned for optimum performance. It must be fully explained to the intended users that as with the speaker, this is fundamental to the correct operation of the system. The microphone must be fully extended upwards and face the intended user for best voice pickup. Due to the ‘directivity’ function associated with its operation, if the microphone does not face directly towards the intended user a considerable drop in operational volume will occur and may lead to poor communication. As the volume is determined by proximity of the user from the microphone, this should be as close as comfort / working practices allow.
The microphone will NOT pick up effectively from distances of greater than 300mm. beyond this point; the voice will form part of the background or ambient noise. The recommendation of a distance of 200mm or less will give the best performance.

Installation
Required Tools
- Small Flat Bladed Screwdriver
- Screws, Fixings and Appropriate tools for installing & mounting the TalkPerfect™ Amplifier and associated cables/peripherals.
Combination Speaker/Microphone Installation
The combination speaker/microphone or “Combi” has a 400mm Gooseneck which incorporates a directional electret microphone, which has been specifically developed for such applications.
Wiring – Standard (Non-L.E.D.) Combi
The Combination Speaker/Microphone uses a Fig 8 cable with separate signal/shield cores, each cable serves either Speaker or Microphone respectively. Connections are made to the ‘Staff’ connection on the amplifier.
Wiring – L.E.D. Combi
The L.E.D. Combi has additional cabling to drive the L.E.D Function, using both ‘Staff’ and ‘Control’ connectors:
Staff connector
Fixing Clip
The Combined Speaker/Microphone is fixed in-place with the fixing clip as shown in the diagram below, there is a cable cut-out which enables the “Combi” to have no cables visible, thereby reducing potential damage.
The “Combi” can be removed from the fixing clip by using a small screwdriver to gently depress the front edge of the clip.
Positioning
Dimensions for Combi Speaker/Microphone (Outside Dimensions)
- Width = 96mm
- Depth = 140mm
- Height = 85mm
- Gooseneck Microphone Height = 400mm

Pod Installation
Pod Microphone
Where pods are used, the microphone earth tag should be connected to the pod bracket by means of one of the mounting screws. This reduces the potential for “static electricity” damage to the electret microphone capsule. The pod should be oriented such that the front face of the pod is pointing towards the intended user. A useful guide for this is to align the two front face mounting screws in a line leading back to where the intended user is standing.
Pod Speaker
Same manner of installation as the Pod Microphone, ensure the fixing screws to the counter surface have sufficient depth/grip to provide solid mounting of the Pod. The pod should be oriented such that the front face of the pod is pointing towards the intended user. A useful guide for this is to align the two front face mounting screws in a line leading back to where the intended user is standing.
Glass Mount Microphone
Where Glass Mount microphones are used, the key element for a successful and tidy installation is how to route the cable. This is especially true where the cable will run along rubber window gaskets. Planning and execution are critical to gaining optimum performance from the system.
Do not underestimate user-caused damage and vandalism. Environments such as train stations, bus stations etc often benefit from Glass Mount microphones which perform better due to their background noise reduction and pick up characteristics, but are less “robust” than Pods.
The glass mount microphone is a more conventional microphone with the added ability to apply background noise reduction in its operation. When installing the microphone, it is recommended to fit this format of microphone directly onto the glass screen, or glazing frame.
Mount the microphone on the glass screen or glazing frame, as close as possible at the point where the counter top meets the glass screen, or glazing frame, with the microphone element face pointing upwards towards the person required to be picked up by the microphone, ensuring the cable from the microphone exits neatly, and where it is free from potential damage. This is often routed along the frame / gasket material to one edge of the window, where it can then enter into the fabric of the counter to allow connection back to the TalkPerfect™ amplifier. Ensure the ‘Noise Reduction’ ports on either side of the microphone block are not obstructed, as this will reduce the microphone’s ability to function correctly.
Fixing the microphone block is normally carried out by the application of a film of ‘superglue’ to the circular face on the microphone block. Care should be taken to NOT apply excess glue to this face as it will be forced out onto the counter top / glass screen. Should this occur, once completely dry, the excess glue may be removed by use of a small blade, taking care not to damage the counter top, window surface, or microphone cable, then wipe clean with a cloth.
TalkPerfect Unit and Accessory Dimensions
Talk Perfect Amplifier = 200mm width x 110mm depth x 44mm height (475g)
Pod Speaker/Pod Microphone = 102mm width x 102mm depth x 35 to 80mm height (slanted)
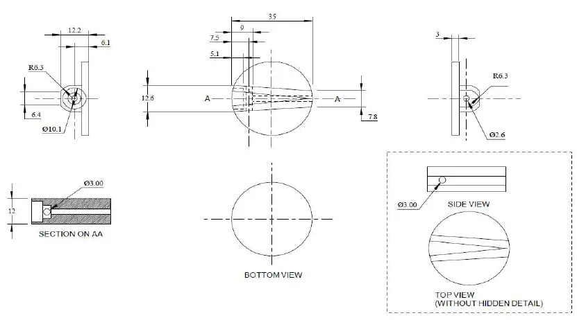
Glass Mount Microphone = 35mm width x 35mm depth x 12.2mm height Combination Unit = 96mm width x 140 mm depth x 85mm height x 400mm gooseneck 

TalkPerfect™ Amplifier Connections
- a. ON/OFF switch
- b. Staff volume control.
- c. Client volume control.
- d. Client Mic / Speaker connections.
- e. Control connections
- f. Staff Override I/O.
- g. Line Output
- h. Staff Mic / Speaker connections
- i. DC Power input

Connection to a CLD1 Induction Loop Amplifier
Use the supplied cable (Phono to 3.5mm mono Jack) to connect the line output (g) on the TalkPerfect™ to the line input of the CLD1. Set the select switch on the CLD1 to the ‘LINE’ position.

Set-up
Setting system without additional assistance
Engineer adjustments are required to give different levels of volume for the staff to public or public to staff directions. There is no such thing as a ‘factory set’ system, as each acoustic condition / installation encountered is unique. Volumes are altered independently, but the ‘total’ sound level achieved cannot exceed the ‘100% system volume availability’ before becoming ‘unstable’. When the system is ‘unstable’ a “warbling” tone from the speakers is heard. It is caused by the microphone on one side of the screen is picking up the sound from the speaker on the same side, and amplifying it back on its self (positive feedback).
For example: If everything was set to 50% – 50%, where the available Total System Volume is equally shared to both sides. To have an increase the available volume inwards from the client to the staff to an 80% level, the outgoing staff volume to client has to be reduced down to a 20% level.
- To recap:
30% in 70% out, or 70% in 30% out, etc, but it must not exceed the 100% ‘Total System Volume’.
It must be noted at this stage that there is also a counter run ‘Total System Volume’ factor, each counter position to counter position that has to be taken into consideration. This is where each counter also has a part to play in the available ‘Total System Volume’. For example if counter position (1) is set so loud it overspills into the next adjacent counter (2), then this will reduce the
‘Total System Volume’ available for counter (2), and so on down the counter run until very little
‘Total System Volume’ is available at the last counter. Try to balance the ‘Total System Volume’ distribution equally across the counter run. This is why it is imperative that ALL counter positions are powered up at the same time, and set as a whole.
Not all individual counters have to run at 100%, if the volume level is acceptable with lower settings, this will help in keeping the counter run ‘Total System Volume’ factor much more achievable without instability.
To Recap: Always approach the set up procedure taking ALL factors into consideration.
Setting the system for optimum operation can be achieved using the following procedure:
Switch on the mains, depress the RED unit power button on the TalkPerfect™ DX and verify that the Green power-on indicator is illuminated.
- Set all initial adjustments to zero.
- Setting the staff side volume. Adjust the ‘Staff’ volume on the front panel till the background noise from the “client” side can be just heard coming through the staff speaker. Using an approach of turning it up past the recommended setting, then turning it back down till it is inaudible, and repeating this process will identify a ‘window’ where this is neither too loud or too quiet, i.e. the recommended setting.
- Setting the Client side volume. Adjust the ‘Client’ volume on the front panel till the system can be just heard becoming ‘unstable’. Using an approach of turning it up past the ‘stable’ setting, then turning it back down till it is back in ‘stable’ mode, and repeating this process will identify a
‘window’ where the ‘Total System Volume’ is achieved i.e. the recommended setting. If there is a volume request to change the volume balance from one side to the other, then a similar process is required, but starting out with the requested volume as the dominant setting, then repeating the stability balance procedure. - By installing the system an ‘electronic hole’ is created in the security glass screen, by definition there is now, additional sound levels on both sides of the security glass screen that were not there before. It is not always the best solution to turn up the volume of the systems maximum, as it may generate a sound level that the staff / client will try to overcome to hear or be heard over the adjacent position(s).
‘Loud is not always best’. The systems should be set to allow effective communication at normal speech levels without the need to raise your voice or lean towards the speaker.
Setting system with assistance
As above but use the assistants voice as sound source rather than background noise. This is the recommended method of setting up the system, and will achieve the optimum performance.
Completing the Installation
“A tidy installation is a good installation.”
Before leaving the premises ensure that all excess cable runs are coiled up neatly and secured with cable ties and/or tie bases, such that no cables are left “dangling” or” hanging”, where they could present a safety hazard. Where possible, cables should be placed out of sight.
It is strongly recommended that cables are not shortened, as this makes any future modifications, adjustments or configuration changes very difficult to accomplish.
Troubleshooting
Typical Faults
The system is very reliable, and as such electronic faults are rare and are usually caused by poor installation methodology or user damage. Faults that may occur during a systems lifetime will typically be due to mechanical operations that occur in system usage. These typically would be mechanical on/off switches on items of equipment.
User Serviceable Parts
The equipment is classified as low voltage operating and therefore there are no Health & Safety implications when operating the system. However, please note that there are NO user serviceable parts inside the equipment.
Commissioning
Handover
The system should be handed over directly to the end client for user familiarisation and training, handing over to other parties may not allow the “End User” to gain the best usage from the system.
User Training
The day to day use of the equipment by the end user is paramount to efficient and effective operation of the system. Without this training the end user’s expectations of how the system should works could cause false return calls to rectify problems that do not exist. User training will consist of equipment and system component familiarisation, microphone techniques, and “best practice” when using the system.
Warranty Statement
The TalkPerfect™ DX amplifier and Power Supply are warranted for 5 years, subject to the following terms:-
- Authorised/Accredited Installers have installed and commissioned the system
- The unit has not been physically damaged or subjected to water ingress or other contamination
Limitations of Warranty
1 Year: Combined Speaker/Microphone Switch – The switch is rated to perform for 10,000 operations, which under typical operating conditions equates to approx 30 operations per day over a typical 5-7 day working week. The Combined Speaker/Microphone is considered a “Consumable” part and is 999004 (Grey) and 999007 (Black)
Warranty will only be covered on units installed or maintained by Ampetronic or an accredited partner. Any unauthorised works or installation by 3rd parties will invalidate the warranty.
Warranty returns must first be agreed with Ampetronic, and a RMA (Returns Material Authorisation) number will be generated for this and only this item.
Warranty is limited to replacement units or parts and does not cover labour, travel or other associated costs arising from unit
Damage caused by the following is not covered by this warranty:
Improper handling of the units, or failure to operate the units in compliance of the instructions of installation and correct use.
The connection of any unauthorised 3rd party peripheral equipment.
Products modified or adapted to comply with local technical or safety standards in any area for which the product has not been originally approved or developed, shall not be valid. The warranty does not cover any such modification or adaption and Ampetronic will not be held responsible for any costs resulting from such a modification or adaption.
Appendix 1
Speaker/Microphone Pod Dimension Data
Appendix 2
Glass Mount Microphone Dimensional Data
Appendix 3
Wiring diagrams for TP Kits
Doc No: UP27006-6 – Ampetronic Ltd. +44 (0)1636 610062 www.ampetronic.com





















