
DS4000S Air Cooled Gas Engine Portable Generator
User Manual
DS4000S Air Cooled Gas Engine Portable Generator
HOURS CONTINUOUS RUN TIME ON A FULL TANK OF GAS
QUIET 69db NOISE
120V AC VOLTAGE
GALLON FUEL CAPACITY
4,000 3,300
PEAK WATTS RATED WATTS
7.0 GEN Powerd
Max Tool Customer Service
customer_[email protected] or call 1-800-629-3325 (option 3) Monday -Friday 6am to 6pm PST
Product Support (Product: information, application, service info & warranty questions)
[email protected] or call 1-800-629-3325 (option 3) Monday -Friday 6am to 6pm PST
This manual provides information regarding the operation and maintenance of these products.
We have made every effort to ensure the accuracy of the information in this manual.
We reserve the right to change this product at any time without prior notice.
FEATURES
- Durable 7.0 Hp, Air Cooled Overhead Valve Engine.
- Heavy Duty Steel Frame with Four Point Fully Isolated Motor Mounts for Smooth and Quiet Operation.
- Full Power Panel with Engine Shutoff Switch, Volt Meter, Circuit Breaker and Power Outlets.
- (2) Fully Protected 120V Standard Household Outlets & (1) High Amperage 120V Twist-Lock Outlet.
- 8 Hour Run Time.
- All Steel 4.0 Gal. Fuel Tank with EZ-Read Gauge.
- Low Oil Shut-Off Protects Engine.
- Super Quiet Muffler Reduces Engine Noise.
- Meets EPA and CARB Emission Standards.
Notice Regarding Emissions
Engines that are certified to comply with California and U.S. EPA emission regulations for SORE (Small Off Road Equipment), are certified to operate on regular unleaded gasoline, and may include the following emission control systems: (EM) Engine Modifications and (TWC) Three-Way Catalyst (if so equipped).
GENERAL SAFETY PROCEDURES
Please familiarize yourself with the following safety symbols and words: The safety alert
symbol is used with one of the safety words (DANGER, CAUTION, or WARNING) to alert you to hazards. Please pay attention to these hazard notices both in this manual and on the generator.
DANGER: Indicates a hazard that will result in serious injury or death if instructions are not followed.
WARNING: Indicates a strong possibility of causing serious injury or death if instructions are not followed.
CAUTION: Indicates a possibility of personal injury or equipment damage if instructions are not followed.
DANGER: This generator produces poisonous carbon monoxide gas when running. This gas is both odorless and colorless. Even if you do not see or smell gas, carbon monoxide may still be present. Breathing this poison can lead to headaches, dizziness, drowsiness, and eventually death.
- Use outdoors ONLY in non-confined areas.
- Keep several feet of clearance on all sides to allow proper ventilation of the generator.
WARNING: The exhaust from this product contains chemicals known to the State of California to cause cancer, birth defects, or other reproductive harm.
WARNING: This generator may emit highly flammable and explosive gasoline vapors, which can cause severe burns or even death. A nearby open flame can lead to explosion even if not directly in contact with gas. - Do not operate near open flame.
- Do not smoke near generator.
- Always operate on a firm, level surface.
- Always turn generator off before refueling. Allow generator to cool for at least 2 minutes before removing fuel cap. Loosen cap slowly to relieve pressure in tank.
- Do not overfill gas tank. Gas may expand during operation. Do not fill to the top of the tank.
- Always check for spilled gas before operating.
- Empty gasoline tank before storing or transporting the generator.
- Before transporting, turn fuel valve to off and disconnect spark plug.
WARNING: This generator produces powerful voltage, which can result in electrocution.
- ALWAYS ground the generator before using it (see the “Grounding the Generator” portion of the “PREPARING THE GENERATOR FOR USE” section).
- Generator should only be plugged into electrical devices, either directly or with an extension cord. NEVER connect to a building electrical system without a qualified
electrician. Such connections must comply with local electrical laws and codes. Failure to comply can create a backflow of power, which may result in serious injury or death to utility workers. - Use a ground fault circuit interrupter (GFCI) in highly conductive areas such as metal decking or steel work. GFCIS are available in-line with some extension cords.
- Do not use in rainy or wet conditions.
- Do not touch bare wires or receptacles (outlets).
- Do not allow children or non-qualified persons to operate.
WARNING: This generator produces heat when running. Temperatures near exhaust can exceed 150°F (65°C).
- Do not touch hot surfaces. Pay attention to warning labels on the generator denoting hot parts of the machine.
- Allow generator to cool several minutes after use before touching engine or areas which heat during use.
CAUTION: Misuse of this generator can damage it or shorten its life.
- Use generator only for its intended purposes.
- Operate only on dry, level surfaces.
- Allow generator to run for several minutes before connecting electrical devices.
- Shut off and disconnect any malfunctioning devices from generator.
- Do not exceed the Wattage capacity of the generator by plugging in more electrical devices than the unit can handle (see “PRECAUTIONS-OVERLOADING THE GENERATOR”).
- Do not turn on electrical devices until after they are connected to the generator.
- Turn off all connected electrical devices before stopping the generator.
In addition to the above safety notices, please familiarize yourself with the safety and hazard markings on the generator. 
PACKAGE CONTENTS
Your generator comes with the items listed below. Please check to see that all of the following items may be included with your generator, depending on your generator model.
GENERATOR COMPONENTS
Please familiarize yourself with the locations and functions of the various components and controls of your generator. 
- Air cleaner – a removable, cleanable, sponge-like element that limits the amount of dirt pulled into the engine.
- Choke lever – Adjusts the amount of air let into the engine.
- Fuel Gauge – Indicates the amount of fuel in the tank.
- Fuel Cap – Access to the fuel tank for adding fuel.
- Circuit Breaker – Reset switch that protects the generator from electrical overload.
- 120 Volt AC Receptacle – Use to connect electrical devices that run 120 Volt, 60 Hz, single phase, AC current (NEMA L5-30).
- Ground Terminal – Connect grounding wires here to properly ground unit.
- 120 Volt AC Receptacle – Use to connect electrical devices that run 120 Volt, 60 Hz, single phase, AC current (NEMA 5-20R)
- Volt Meter – Provides reading of voltage output.
- Oil Filler Cap – Use to Add oil or checking the oil.
- Oil Drain Bolt – Location for used for draining the oil.
- Engine Switch – Used to start/stop engine.
- Recoil Starter – Pull-cord for starting engine.
- Fuel Filter Cup – Traps dirt and water from fuel before it enters the engine.
- Fuel valve – Allows fuel to enter engine.
- Spark plug – Provides proper engine ignition.
- Muffler – Reduces engine noise.
PREPARING THE GENERATOR FOR USE
Using the Generator for the First Time
If you are using the generator for the first time, there are a few steps you must take to prepare it for operation.
Step 1- Add oil
The generator requires engine oil to operate properly. The generator, when new from the package, contains no oil in the crankcase. You must add the proper amount of oil before operating the generator for the first time. This amount, which is equal to the oil capacity of the engine crankcase, can be found on the chart in figure 1. When filling the engine with oil in the future, please refer to this chart.
| Model number | DS4000S |
| Engine oil capacity | 20 fluid oz. |
Figure 1- Generator Oil Capacity
CAUTION:
- Do not apply engine oil with additives or 2-stroke gasoline engine oil, as they haven’t enough lubrication, which may shorten the engine’s service life.
- Engine oil recommended: SAE 10W-30. As viscosity varies with regions and temperatures, so the lubricant has to be selected in accordance with our recommendation.

To add oil, follow these steps:
- Make sure the generator is on a level surface.
- Unscrew the oil filler/dipstick cap from the engine as shown in figure 2.
- Using a funnel, add the appropriate amount of oil, as found in figure 1, into the crankcase. You will know the crankcase is full when the oil level has reached the lower lip of the opening you have just poured the oil into (see figure 3).
- Replace oil filler cap.
Step 2- Add Gasoline
WARNING: Gasoline and gas fumes are highly flammable.
- Do not fill tank near an open flame.
- Do not overfill. Always check for fuel spills.
To ensure that the generator runs smoothly use only FRESH, UNLEADED GAS WITH AN OCTANE RATING OF 87 OR HIGHER. To add gasoline:
- Make sure the generator is on a level surface.
- Unscrew gas cap and set aside (NOTE: the gas cap may be tight and hard to unscrew).
- Slowly add unleaded gasoline to the fuel tank. Be careful not to overfill. Please refer to the chart in figure 4 to find the gas capacity of your generator model. The fuel gauge on the top of the generator indicates how much gasoline is in the generator gas tank. NOTE: Gas can expand. Do not fill the gas tank to the very top.
- Replace fuel cap and wipe up any spilled gasoline with a dry cloth.
IMPORTANT:
- Never use an oil/gasoline mixture.
- Never use old gas.
- Avoid getting dirt or water in the fuel tank.
- Gas can age in the tank and make it hard to start up the generator in the future.
- Never store generator for extended periods of time with fuel in the tank.
| Model number | DS4000S |
| Gas tank capacity | 15L(3.96 us. gallons) |
Figure 4 – Gas Tank Capacity
Step 3- Ground the Generator
WARNING: Failure to properly ground the generator can result in electrocution. Ground the generator by tightening the grounding nut against a grounding wire (see figure 5).
A generally acceptable grounding wire is a stranded copper wire. This grounding wire should be connected at the other end to a copper or brass-grounding rod that is driven into the end. Grounding codes can vary by location. Please contact a local electrician to check the grounding regulations for your area. 
Figure 5 – Attaching the Grounding Wire to the Generator
Subsequent Use of the Generator
If this is not your first time using the generator there are still steps you should take to prepare it for operation.
IMPORTANT: At this point you should be familiar with the procedures described in the first portion of this section entitled “Using the Generator for the First Time.” If you have not yet read this section, go back and read it now.
Step 1- Check the oil
The generator is equipped with an automatic shutoff to protect it from damage due to low oil. Nonetheless, you should check the oil level of the engine before each use to ensure that the engine crankcase has a sufficient amount. To check the oil level:
- Make sure the generator is on a level surface.
- Unscrew the oil filler/dipstick cap.
- With a dry cloth, wipe the oil off of the stick on the inside of the cap.
- Insert the dipstick as if you were replacing the cap and then remove again. There should now be oil on the stick. If there is no oil on the stick, or oil only at the very end of the stick, you should add oil until the engine crankcase is filled (see “Adding Oil” portion of the “Maintenance” section).
- Be sure to replace cap when finished checking oil.
NOTE: The oil capacity for your generator can be found in the “Specifications” section of this manual.
Step 2 – Check the Gas Level
Before starting the generator, check to see that there is sufficient gasoline in the gas tank. The fuel gauge on top of the generator will indicate the gas level in the tank. Add as if necessary according to the steps in the “Adding Gasoline” portion of the “Maintenance” section.
WARNING: Gasoline and gasoline fumes arc highly flammable.
- Do not fill tank near an open flame.
- Always allow engine to cool for several minutes before refueling.
- Do not overfill (check the “Specifications” section for the tank capacity of your generator ). Always check for fuel spills.
IMPORTANT:
- Use only UNLEADED gasoline with an octane rating of 87 or higher.
- Do not use old gas.
- Never use an oil/gasoline mixture.
- Avoid getting dirt or water in the fuel tank.
- Never store generator for extended periods of time with fuel in the tank.
STARTING THE GENERATOR
CAUTION: Disconnect all electrical loads from the generator before attempting to start.
To start your generator, perform the following steps:
- Make sure no electrical devices are connected to the generator. Such devices can make it difficult for the engine to start.
- Check that the generator is properly grounded (see page 13, “Ground the Generator”).
- Turn the fuel valve to the “ON” position (see figure 6).
- Move the choke lever to the “CLOSED” position (see figure 7).
- Set the engine switch to the “ON” position.
- Pull on the recoil starter handle slowly until a slight resistance is felt (see figure 8). Then pull quickly to start the engine. Return cord gently into the machine. Never allow the cord to snap back.
- If engine fails to start, repeat step 4. NOTE: After repeated attempts to start the engine, please consult the troubleshooting guide before attempting again.
- Once the engine has started and run for about a minute, move the choke lever about half way towards the “OPEN” position. Wait another 30 seconds and then move the choke lever all the way to the “OPEN” position.
- Allow the generator to run for several minutes before attempting to connect any electrical devices.

USING THE GENERATOR
Once you have allowed the engine to run for several minutes, you may connect electrical devices to the generator.
AC Usage
You may connect electrical devices running on AC current according to their wattage requirements. The chart in figure 9 shows the rated and surge wattage of your generator according to its model number.
The rated wattage corresponds to the maximum wattage the generator can output continuously. The surge wattage corresponds to the maximum amount of power the generator can output for a short period of time. Many electrical devices such as refrigerators require short bursts of extra power, in addition the rated wattage listed by the device, to stop and start their motors. The surge wattage ability of the generator covers this extra power requirement.
| Model Number | Rated (Running) Wattage | Surge Wattage |
| DS4000S | 3300 | 4000 |
Figure 9-generator wattage by model number
The total running wattage requirement of the electrical devices connected to the generator should not exceed the rated wattage of the generator itself. To calculate the total wattage requirement of the electrical devices you wish to connect, find the rated (or running) wattage of each device. This number should be listed somewhere on the device or in its instruction manual. If you cannot find this wattage, you may calculate it by multiplying the Voltage requirement by the Amperage drawn: basis.
Watts = Volts × Amperes
If these specifications are not available you may estimate the Watts required by your device by using the chart in figure 10.
Once you have found the rated wattage requirement of each electrical device, add these numbers to find the total rated wattage you wish to draw from the generator. If this number exceeds the rated wattage of the generator, DO NOT connect all these devices, Select a combination of electrical devices, which has a total rated wattage lower than or equal to the rated wattage of the generator.
CAUTION – The generator can run at its surge wattage capacity for only a short time. Connect electrical devices requiring a rated (running) wattage equal to or less than the rated wattage of the generator. Never connect devices requiring a rated wattage equal to the surge wattage of the generator.
NOTE: The above wattage figures are estimates. Try to check the wattage listed on your electrical device before consulting this chart.
| Tool or Appliance | Rated (Running) Watts | Additional Surge Watts |
| Electric water heater (40 gal) | 4000 | 0 |
| Hot plate | 2500 | 0 |
| Saw-radial arm | 2000 | 2000 |
| Electric stove | 1500 | 0 |
| Saw-circular | 1500 | 1500 |
| Air compressor (1HP) | 1500 | 3000 |
| Window air conditioner | 1200 | 1800 |
| Saw-miter | 1200 | 1200 |
| Microwave | 1000 | 0 |
| Well water pump | 1000 | 1000 |
| Reciprocating saw | 960 | 1040 |
| Sump pump | 800 | 1200 |
| Refrigerator freezer | 800 | 1200 |
| Furnace blower | 800 | 1300 |
| Computer | 800 | 0 |
| Electric drill | 600 | 900 |
| Televis ion | 500 | 0 |
| Deep freezer | 500 | 500 |
| Garage door opener | 480 | 0 |
| Stereo | 400 | 0 |
| Box fan | 300 | 600 |
| Clock radio | 300 | 0 |
| Security system | 180 | 0 |
| DVD player/VCD | 100 | 0 |
| Common light bulb | 75 | 0 |
Figure 10- Estimated wattage requirements of common electrical devices.
Once you have determined what electrical devices you will be powering with the generator, connect these devices according to the following procedure:
- Plug in each electrical device with the device turned off.
a. NOTE: Be sure to attach appliances to the correct receptacle (outlet). Connect standard 120 Volt, single phase, 60 Hz loads only to the 120 Volt receptacle. - Switch the circuit breaker to the “ON” position.
- Turn on the connected electrical devices in the order of the amount of power they require beginning with the device with the highest rated Wattage requirement.
CAUTION: Do not connect 50Hz or 3-phase loads to the generator.
Warning
Change the Voltage Selector Switch only after turning the AC circuit breaker to OFF. The generator may be damaged if you attempt to switch modes while drawing power.
SOME NOTES ABOUT POWER CORDS
Long or thin cords can drain the power provided to an electrical device by the generator. When using such cords, allow for a slightly higher rated wattage requirement by the electrical device. See Figure 12 for recommended cords based on the power requirement of the electrical device.
*NR= not recommended
| Device Requirements | Max. Cord Length (ft) by Wire Gauge | ||||||
| Amps | Watts (120V) | Watts (240V) | #8 wire | #10 wire | #12 wire | #14 wire | #16 wire |
| 3. | 300 | 600 | NR | 1000 | 600 | 375 | 250 |
| 5 | 600 | 1200 | NR | 500 | 300 | 200 | 125 |
| 8. | 900 | 1800 | NR | 350 | 200 | 125 | 100 |
| 10 | 1200 | 2400 | NR | 250 | 150 | 100 | 50 |
| 15 | 1800 | 3600 | NR | 150 | 100 | 65 | NR |
| 20 | 2400 | 4800 | 175 | 125 | 75 | 50 | NR |
| 25 | 3000 | 6000150100 | 150 | 100 | 60 | NR | NR |
| 30 | 3600 | 720012565 | 125 | 65 | NR | NR | NR |
| 40 | 4800 | 9600 90 NR | 90 | NR | NR | NR | NR |
Figure 12-Maximum Extension Cord Lengths by Lengths by Poweer Requirement
STOPPING THE GENERATOR
To stop the generator:
- Turn off, then unplug all connected electrical devices.
- Switch the circuit breaker to the “OFF” position.
- Allow the generator to run for several more minutes with no electrical devices connected. This helps stabilize the temperature of the generator.
- Set the engine switch to the “OFF” position.
- Turn the fuel valve to the “OFF” position.
WARNING: Allow the generator to cool for several minutes before touching areas that become hot during use.
CAUTION: Allowing gas to sit in the generator tank for long periods of time without use can make it difficult to start the generator in the future. Never store generator for
extended periods of time with fuel in the tank.
MAINTENANCE /CARE
Proper routine maintenance of your generator will help prolong the life of your machine. Please perform maintenance checks and operations according the schedule in figure 13.
CAUTION: Never perform maintenance operations while the generator is running. Recommended Maintenance schedule
| Each use | Every month or 20 hrs | Every 3 months or 50 hrs | Every 6 months or 100 hrs | Every year or 300 hrs | ||
| Engine oil | Check level | x | ||||
| Replace | x | |||||
| Air cleaner | Check | x | ||||
| Clean | x | |||||
| Fuel filter cup | Clean | x | ||||
| Spark plug | Check/clean | x | ||||
| Gas tank | Check gas level | x | ||||
| Clean | x | x |
Figure 13- Recommended maintenance schedule
Cleaning the Generator
Always try to use your generator in a cool dry place. However, in the event your generator becomes dirty you may clean the exterior with one or more of the following:
- A damp cloth
- A soft brush
- A vacuum
- Pressurized air
Never clean your generator with a bucket of water or a hose. Water can get inside the working pats of the generator and cause a short circuit or corrosion.
Checking the Oil
The generator is equipped with an automatic shutoff to protect it from running on low oil. Nonetheless, you should check the oil level of the generator before each use to ensure that the generator crankcase has a sufficient amount. To check the oil level:
- Make sure the generator is on a level surface.
- Unscrew the oil filler/dipstick cap (see figure 14).
- With a dry cloth, wipe the oil off of the stick on the inside of the cap.
- Insert the dipstick as if you were replacing the cap and then remove again. There should now be oil on the stick. If there is no oil on the stick, or oil only at the very end of the stick, you should add oil until the engine crankcase is filled. See “Changing/ Adding Oil” in this section.
- Be sure to replace cap when finished checking oil.
Changing/ Adding Oil
You should check the oil level of your generator according to the maintenance schedule in figure 13. When the oil level is low you will need to add oil until the level is sufficient to run the generator.
The oil capacity of your generator engine is listed in figure 15
| Model number | DS4000S |
| Engine oil capacity | 20 fluid oz. |
Figure 15- Engine Oil Capacity.
It is only necessary to drain the oil from the crankcase if it has become contaminated with water or dirt. In this case, you can drain the oil from the generator according to the following steps:
- Place a bucket underneath the generator to catch oil as it drains.
- Using a 10 mm hex wrench, unscrew the oil drain plug, which is located on the crankcase underneath the oil filler/dipstick cap (see figure 16). Allow all the oil to drain
from the generator. - Replace the oil drain plug and tighten with a 10 mm hex wrench.
To add oil to the crankcase, follow these steps:
- Make sure the generator is on a level surface.
- Unscrew the oil filler/dipstick cap from the engine as shown in figure 14 above.
- Using a funnel, add high detergent motor oil to the crankcase. We recommend SAE 10W-30 motor oil for general use. When full, the oil level should come close in the top of the oil fill opening (see figure 17).
NOTE: Never dispose of used motor oil in the trash or down a drain. Please call your local recycling center or auto garage to arrange oil disposal. Air Cleaner Maintenance
Routine maintenance of the air cleaner helps maintain proper airflow to the carburetor. Occasionally check that the air cleaner is free of excessive dirt.
- Unhinge the clasps at the top and bottom of the air cleaner cover (see figure 18).
- Remove the sponge-like elements from the casing.
- Wipe the dirt from inside the empty air cleaner casing
- Wash the sponge-like elements in household detergent and warm water. Allow to dry.
- Soak the dry elements in engine oil. Squeeze out any excess oil.
- Replace the sponge-like elements in the air cleaner casing and replace the cover.
Fuel Filter Cup Cleaning
The fuel filter cup is a small well underneath the fuel valve. It helps to trap dirt and water that may be in your fuel tank before it can enter the engine. To clean the fuel filter cup:
- Turn the fuel valve to the “OFF” position.
- Unscrew the fuel filter cup from the fuel valve using a wrench. Turn the valve toward you to unscrew (see figure 19).
- Clean the cup of all sediment. Using a rag or brush.
- Reinstall the fuel filter cup.
Spark Plug Maintenance
The spark plug is important for proper engine operation. A good spark plug should be intact, free of deposits, and properly gapped. To inspect you spark plug:
- Pull on the spark plug cap to remove it.
- Unscrew the spark plug from the generator using the spark plug wrench included with this product (see figure 20).
- Visually inspect the spark plug. If it is cracked or chipped, discard and replace with a new spark plug. We recommend using a F7RTC spark plug。
- Measure the plug gap with a gauge (see figure 21). The gap should be 0.7-0.8 nun (0.028-0.031 in).
- If you are re-using the spark plug, use a wire brush to clean any dirt from around the spark plug base and then re-gap the spark plug.
- Screw the spark plug back into its place on the generator using the spark plug wrench. Replace the spark plug cap.
Emptying the Gas Tank
Before storing your generator for extended periods of time, you should drain your generator of gasoline. To drain the generator of gas:
- Turn the fuel valve to the “OFF” position.
- Remove the fuel filter cup (see “Removing the Fuel Filter Cup” earlier in this section.
- Empty the fuel filter cup of any fuel.
- With a receptacle underneath the generator to catch the gas, turn the fuel valve to the “ON” position. Drain all the gas from the generator.
- Turn the fuel valve to the “OFF” position.
- Replace the fuel filter cup.
- Store the emptied gasoline in a suitable place.
CAUTION: Do not store fuel from one season to another. STORAGE/TRANSPORT PROCEDURES
CAUTION: Never place any type of storage cover on the generator while it is still hot.
When transporting or storing your generator for extended periods of time:
- Empty the gas tank (see “Emptying the Gas Tank” in the “Maintenance” section).
- Disconnect the spark plug.
- Do not obstruct any ventilation openings.
- Keep the generator in a cool dry area.
GENERATOR SPECIFICATIONS
AC Output
| Rated Wattage | 3300W |
| Surge Wattage | 4000W |
| Rated Voltage | 120V |
| Rated Frequency | 60Hz |
| Phase | Single |
Engine
| DS4000S | |
| Engine type | 4-stroke OHV single cylinder with forced air cooling |
| Ignition system | Non-contact transistor |
| Displacement | 208cc |
| Starting type | Recoil |
| Fuel tank capacity: | 15L(3.96US gal.) |
| Oil capacity | 0.6L(20fl oz.) |
| Run time on 50% load | 12hrs |
| Noise Level | 69 dB |
TROUBLESHOOTING
| Problem | Cause | Solution |
| Engine will not start Engine will not start (c ontinued from page 19) | Engine switch is set to “OFF”. | Set engine switch to “ON”. |
| Fuel valve is turned to “CLOSED”. | Turn fuel valve to “OPEN” position. | |
| Choke is open. | Close the choke | |
| Engine is out of gas. | Add gas. | |
| Engine is filled with contaminated or old gas | Change the gas on the engine. | |
| Spark plug is dirty. | Clean spark plug. | |
| Spark plug is broken. | Replace spark plug. | |
| Generator is not on level surface. | Move generator to a level surface to prevent low oil shutdown from triggering. | |
| Oil is low | Add or replace oil. | |
| Engine runs but there is no electrical output | Circuit breaker is off. | Set the circuit breaker to the “ON” position. |
| Bad connecting wires/cables. | If you are using an extension cord, try a different one. | |
| Bad electrical device connected to generator. | Try connecting a different device. | |
| Generator runs but does not support all electrical devices connected. | Generator is overloaded | Try connecting fewer electrical loads to the generator. |
| Shorten one of the connected devices. | Try disconnecting any faulty or short-circuited electrical loads. | |
| Air cleaner is dirty. | Clean or replace air cleaner. |
INSTALLING THE OPTIONAL WHEEL AND HANDLE KIT
If you have purchased the optional wheel and handle kit for your unit, please follow the instructions below. If you have not purchased the optional wheel and handle kit, skip this section.
- Place the bottom of the generator cradle on a flat, even surface. Temporarily place unit on blocks to ease assembly.
- Secure the support leg to the cradle with cap screws (M8 x 16) and lock nuts (M8) (see figure 22 ).
- Secure the axle to the cradle with cap screws (M8 x 16) and lock nuts (M8) (see fig ure 23 ).
- Slide a wheel and a flat washer over the axle, then secure the wheel with a retaining pin (see Figure 24 , Figure 25 ).
- Position the lower handle lock on the frame and secure with bolt. Insert upper handle bracket and secure with provided bolts. Insert the handle into the upper bracket secure with pin. Insert and secure the retaining pin. ( Figure 26 – Figure 30 ).
- The unit comes with solid rubber tires which require no additional care.
CHANGE THE CARBON-BRUSH
![]() | ||
| Dismantle the 2 bolts (M5X12)of electric machine back-cover. | Take down the installed bolts (M5X18) of carbon-brush. | Take down the carbon-brush from DC wire of excitation. |
![]() | ||
| Install the new carbon-brush with bolts (M5X1 6). | Insert and connect the DC wire of excitation according to anode-catnode. | Install the electric machine back -covor with 2 bolts (M5X12). |
CHANGE THE AVR
![]() | ||
| Dismantle the 2 bolts (M5X12) of electric machine back-cover. | Take down the 2 installed bolts (M5X16) of AVR. | Disconnect the sample wire hindered. |
![]() | ||
| Take down the AVR from carbon-brush | Install the new AVR with 2 bolts (M5X16) | Connect the sample wire hindered. |
![]() | |
| Insert and connect the DC wire of excitation acco•cling to anode-cathode. | Install the electric machine back-cover with 2 bolts (M5 X12) |
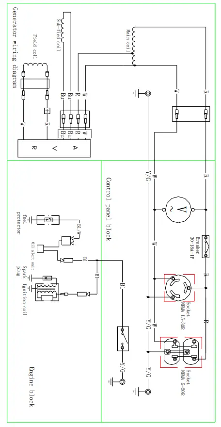
WIRING DIAGRAM (DS4000S)

EXPLODED VIEW AND PARTS LIST (DS4000S)

| Item | Part | Oty | Description | Itom | Part | aty | Description |
| 1 | DJ168F-16121-K | 1 | Recoil Starter | 43 | DJ168F-11009-A | 2 | Set Pin. 10,04 |
| 2 | GB75787-86-8 | 4 | Bolt Flange M6•8 | 44 | GB276-89-6205 | 2 | Radial ball bearing (6025) |
| 3 | DJ168F-16118 | 1 | Grommet drain hole | 45 | DJ168F-18500-A | 1 | Spark Plug F7TC |
| 4 | DJ168F-16100-F. 052 | 1 | Fan case | 46 | DJ170E-13009-A | 2 | Tappet Litter Valve |
| 5 | GeT6177/1041-14 | 1 | Flange nut M14 | 47 | DJ170E-13008-8 | 2 | Rod, push |
| 6 | DJ168F-16000-A | 1 | Starting Cup | 48 | DJ 168F-13300-A | 1 | Plate. push rod guide |
| 7 | DJ168F-16002-A | 1 | Flywheel Fan | 49 | DJ168F-13202-A | 2 | Fastening Bolt |
| 8 | DJ168F-16200-C | 1 | Flywheel | 50 | DJ168F-13203-A | 2 | Adjusting Nut |
| 9 | DJ168F-18300-A | 1 | Amplifier | 51 | DJ168F-13204-A | 2 | Lock Nut |
| 10 | DJ168F-11400-A | 1 | Wind Shield Assembly | 52 | DJ168F-13201-A | 2 | Arm. valve rocker |
| 11 | DJ168F-18100-C | 1 | Ignition Coil | 53 | DJ170E-12002-A | 1 | Pin, piston |
| 12 | GBT5787-136-25 | 2 | Flange bolt M6x25 | 54 | DJ168F-12003-A | 2 | Gip, piston pin |
| 13 | DJ168F-11004-A | 2 | Drain Plug | 55 | DJ170E-12200-B | 1 | Tie-rod Assembly |
| 14 | DJ168F-11005-A | 2 | Washer, drain plug | 56 | DJ168F-13006-A | 1 | Rotator, valve |
| 15 | DJ168F-11014-A | 2 | Oil seal, 25.41.6 | 57 | DJ168F-13004-A | 1 | Retainer. IN. Valve spring |
| 16 | DJ170E-11100-C | 1 | Crank case assy. | 58 | DJ168F-13005-A | 1 | letainer. EX. Valve spring |
| 17 | DJ170FD-14100’13 | 1 | Carburetor Assembly | 59 | DJ168F-13003-A | 2 | Spring. valve |
| 18 | DJ168F-14119 | 1 | Lever comp, choke | 60 | DJ168F-13010-A | t | Returner. Exhaust Valve |
| 19 | GBT5787-136-16 | 15 | Bott Flange M6x16 | 61 | DJ168F-13002-A | 1 | Intake Valve |
| 20 | DJI68F-11012-A | 1 | Air-leading Cover | 62 | DJ168F-13001-A | 1 | Exhaust Valve |
| 21 | DJ168F-14027-A | 1 | Air Cleaner Gasket | 63 | DJ168F-13100-B | 1 | Camshaft assy. |
| 22 | DF2500H-14205-A | 1 | Stay. air cleaner | 64 | DJ168F-12104 | 1 | Woodruff Key |
| 23 | GBT5787-136-12 | 7 | Flange bolt M6x12 | 65 | DJ168F-12100-BB | 1 | Crankshaft Assembly |
| 24 | GB75787435-14 | 4 | Flange bolt M5x14 | 66 | DJ168F-18200-A | 1 | Oil Sensor Assembly |
| 25 | DJ168F-14204 | 1 | .eur Cleaner Cover | 67 | DJ168F-15001-A | 1 | Shaft, governor assy. |
| 26 | DJ170E-14201 | 1 | Element, air cleaner | 68 | DJ168F-15006-A | 1 | Pulling Rod |
| 27 | DJ168F-14202 | 1 | fur Cleaner Housing | 69 | DJ170E-15038-A | 1 | Fine Regulating Scone C |
| 28 | DJ168F-14206 | 1 | Packing Slip | 70 | DJ168F-15004-A | 1 | Speed Regulating Arm |
| 29 | GeT61n-N4 | 2 | Flange nut M6 | 71 | DJ168F-15005-A | 1 | Lock Bolt |
| 30 | DJ168F-14205-A | 1 | Air Cleaner Base | 72 | DJ170E-15007-A | 1 | Back Spring B |
| 31 | DJ168F-14014-A | 1 | Grommet | 73 | DJ168F-15100-A | 1 | centrifugal assy. |
| 32 | DJ168FD-14001-A | 2 | Bolt Stud. 6×90 | 74 | DJ168FD-15200-A | 1 | speed adjuster |
| 33 | DJ168F-14005-A | 1 | Carburetor Gasket | 75 | DJ170E-11033-B | 1 | Crankcase Gasket |
| 34 | DJ168F-14004-A | 1 | Connecting Block.Carbretor | 76 | DJ168F-11002-C | 1 | Pin. dowel, 9.12 |
| 35 | DJ168F-14003-B | 1 | Inlet Gasket | 77 | DJ168F-11007-A | 1 | Oil Filler Assembly |
| 36 | DJ170E-11200-B | 1 | Head comp, cylinder | 78 | DF1800H-33016-A | 1 | Plat |
| 37 | DJ1e8FD-11013-A | 1 | Tube, Breather | 79 | GBT5787-38-35 | 6 | bolt M8x35 |
| 38 | DJ168F-11300-B | 1 | Cy1WKIef Head Cover Assembly | 80 | DJ168FD-11001-C | 1 | Crankcase cover |
| 39 | DJ168F-11011-A | 1 | Cylinder Hew Cover Casket | 81 | DJ170E-12001-B | 1 | Piston |
| 40 | GBT5787-B8-60 | 4 | Flange bolt M8 x60 | 82 | DJ 170E-12300-A | 1 | Scraper Ring Set, Piston |
| 41 | DJ168F-14002-A | 2 | Bolt head. M8x35 | 83 | DJ168F-11039-A | 1 | 0-Clip |
| 42 | DJ170E-11010-C | 1 | Casket. cylinder nem | 84 | DJ168F-11002-B | 1 | Pin, dowel, 7×12 |

| Item | Part | QTY | Description | Item | Part | QTY | Description |
| 85 | DF2500H-31201-A | 2 | Bottom rubber A | 127 | 14306 | 1 | Fuel filler cap comp |
| 86 | DF2500H-31202-A | 2 | Bottom rubber B | 128 | 14303 | 1 | Fuel sensor |
| 87 | GBT6177-N-8 | 4 | Flange nut M8 | 129 | GBT819-B-5 | 2 | Screw M5x10 |
| 88 | GBT889-N-8 | 10 | Flange nut MB | 130 | 14313 | 1 | GASKETPUEL SENSOR |
| 89 | DF2500H-14304-A | 1 | Rubber Screws, Fuel Tank | 131 | 14311 | 4 | Washer |
| 90 | 34107 | 1 | Earth terminal set | 132 | 14305 | 4 | Collar |
| 91 | 34206-008 | 1 | Circuit breaker | 133 | 14304 | 4 | Zushion |
| 92 | 34204-001 | 1 | 4-holes Socket | 134 | D..1168FD-14007-C | 1 | Outlet pipeo4.5×165 |
| 93 | 34204-005 | 1 | 3-holes Socket | 135 | DJ168F-14008-A | 2 | Tube clip |
| 94 | 20140 | 4 | Plain Washer | 136 | DF2500H-14302-A | 1 | Fuel cock |
| 95 | DF30001-1-31058-A | 1 | Single curved handle | 137 | DF250011-14400-E | 1 | Muller |
| 96 | DF6500H-31016-A | 1 | Rubber Coat, Handle | 138 | DJ188F-14010-A | 1 | Gasket. Exhaust Pipe |
| 97 | DF3000H-31014-A | 1 | Handle Bracket | 139 | DF2500H-14009 | 1 | Exhaust Pipe |
| 98 | 34203-004 | 1 | Engine switch | 140 | GB5787-8-8 | 2 | Flange bolt M8x25 |
| DS4000S-34100-MLO 1 | 1 | Control panel | 141 | DJ168F-14006-A | Muffler Gasket | ||
| 100 | 34213-001 | 1 | Sub Wire Harness Assay | 142 | DF2500H-14018-13 | 1 | Jute( Hood |
| 101 | 34205-001 | 1 | Voltmeter | 143 | DF2500H-31019-B | 2 | d) 3 Clip |
| 102 | DF6500H-31072-A | 1 | Rubber Clamp. Handle | 144 | 31,017- F | 2 | Wheel comp |
| 103 | 34102-A | 1 | Control panel case | 145 | DF3000H-31018-F | 1 | Wed shaft |
| 104 | 34109 | 1 | Boot, main wire harness | 146 | DF3000H-31070-E | 2 | Support |
| 105 | 34117 | 1 | Beet AC output wire | 147 | GBT889-N-6 | 2 | Flange nut M6 |
| 106 | 34212-001 | 1 | Boot. main wire harness | 148 | DF9000H-31204-A | 2 | Rubber feet |
| 107 | GBT6170-N-8 | 6 | Flange nut M8 | 149 | DJ179N-B | 1 | Gasoline engine |
| 108 | GBT5789-B5-16 | 8 | Flange bolt M5x 16 | 150 | GBT889-N-6×35 | 2 | Flange bolt M6x35 |
| 109 | DF1800H-33006-B | 1 | Generator end cover | 151 | GBT889-N-8×20 | 4 | Flange bolt M8x20 |
| 110 | DF2500H-33015-A | 4 | Flange bolt M6x120 | 152 | DFD3000H-31021-B | 1 | Axle |
| 111 | DF1800H-33005-A | 1 | GENERATOR STAY | 153 | GBT889N.6×55 | 2 | Flange bolt M6x55 |
| 112 | DF3500H-33001 | 1 | BRUSH ASSEMBLY | 154 | DF3003H-31014-B | 1 | Flange bolt M8x6x40 |
| 113 | DF3500H-33002 | 1 | Connecting Plate | 2 | 0DS4000S-31100-A. 10 | I | Frame comp |
| 114 | DF2500H-33011-A | 1 | Voltage regulator | ||||
| 115 | DF2500H-33003-A | 1 | Bolt M8x195 | ||||
| 116 | GBT93-LW-8 | 1 | Plain washer 98 | ||||
| 117 | GBT97-W-8 | 2 | Plain Washer | ||||
| 118 | GB276-89-6204 | 1 | Bearing 6204-2R5 | ||||
| 119 | DF2500H-33110-B | 1 | ROTOR ASSEMBLY | ||||
| 120 | /P250011-331008-10302 | 1 | Stator 8 Rotor Assy. | ||||
| 121 | DF2500H-33023 | 1 | Generator fan | ||||
| 122 | DF2500H-33129 | 1 | Stator cover | ||||
| 123 | DF2500H-33120 | 1 | Stator Assy. | ||||
| 124 | DF2500H-14322-D | 1 | rubber belt | ||||
| 125 | DF2500H-14300-13001 | 1 | Fuel tank | ||||
| 126 | 14307 | 1 | Fuel fitter | ||||























