BRYSTON 35623 1B Stereo Preamplifier

RESPONSE PLOT

BRYSTON 1B PRE-AMPLIFIER CHECK-OUT PROCEDURE
Visual Examination of
- all component value and placement (orientation) including daughter board modules, fuse type and transformer type
- soldering
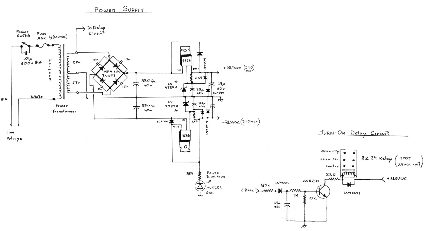
- Turn-on Delay Circuit: delays should be approximately 1 second before output signal is connected, via relay, to output jacks, and no more than approximately .1 second during turn-off before output signal is disconnected from output jacks.
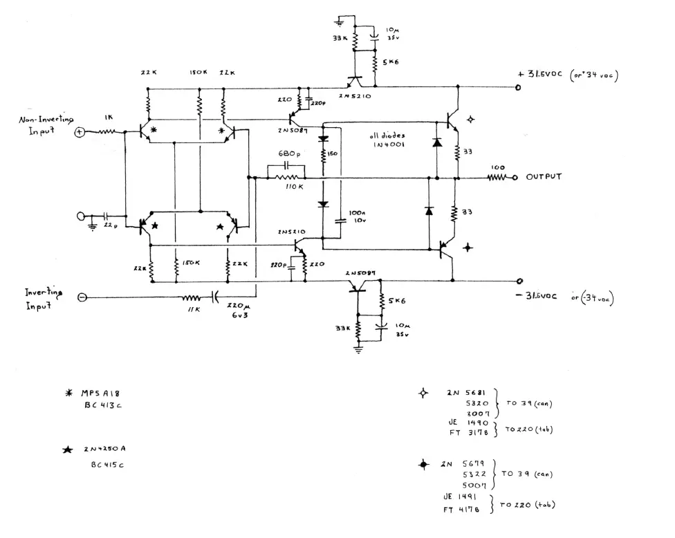
- P.S.U. regulated voltages: shall be within 1 volt of 31.5v, and either supply rail (+and-) should be within 1 volt of the other. Also de input to regulator MUST be at least 2v (minimum) greater than regulated ouput voltage.
- T.H.D.: measured at 5 v output with balance pot centred approx. input voltage levels at Phono inputs are as follows:
- 1Omv @ 20hz )
- 40mv @ 200 hz )
- 14Omv @ 2Khz ) adjust volume pot. for
- 1 .o V @ 20Khz ) 5v output
- -Noise: measured using ‘A’ weighting network, referred to 1Khz at 5mv input with balance pot. centered and vol. f ot. at maximum. Typical noise figures> – 80db A
- “R.I.A.A. 11 Frequency response: measured, using a high accuracy inverse 11 R.I.A.A. 11 network, at the following frequencies
- High Pass Filter: when in circuit, should attenuate at 31.7hz. by approx. 3bd
- Maximum Output: be 19. Sv (rms) before clipping, measured at 1Khz., should (from main outputs only)
- Volume Pot Tracking: should be within 1db. This measurement can be acc omplished rather simply by feeding a 1Khz signal at approx. 30mv into both L & R phono inputs and, using a properly calibrated, dual trace scope, observing both outputs simultaneously by overlapping the two traces and noting the difference between the two against screen graticule.
- Balance control: rotate control clockwise and counter clockwise from centre position, while observing scope traces, to ensure that attenuation is smooth and gradual with no sharp or sudden drops or induced noise.
- Signal Continuity, Channel Isolation and Mono/Stereo Switch: All four output pairs – tape one out, tape two out, main out one, and main out two – must be checked to ensure that they pass a signal properly through every possible input without excessive crosstalk between different input source channels, or between left and right channels of each source channel. Test Procedure
- Set dual channel oscilliscope amplitude levels to 2v/div., and set time/div. to 20u sec. to S0u sec.
- Connect scope inputs to pre-amp. main output pair #1, left and right jacks.
- Connect a test signal of 10K Hz (sine wave) at 150mv to phono input #1, left and right jacks simultaneously. (Adjust bal. and vol. controls to display two traces of equivalent and adequate amplitude. Adjust vertical position of both traces so that they are clearly separated from one another.) Move source selector through all positions to ensure that signal appears at output jacks ONLY in phone #1 position.
- Remove test signal and reapply to only left input – only one trace should appear on screen.
- Activate mono/stereo switch – two equivalent traces should appear on screen. De-activate mono/stereo switch.
- Apply test sign to phone #1, right input only – only one trace should appear in opposite half of screen.
- Re-activate mono/stereo switch – two equivalent traces should appear on screen. De-activate mono/stereo switch. (No further testing of mono/stereo switch will be required.)
- Repeat steps c, d, and f for phono inputs #2.
- Increase test signal amplitude to 1.5v and repeat steps c, d, and f for tuner, aux., tape #1 and tape #2 inputs.
- Disconnect scope input cables from main outputs #1 and reconnect to tape outputs #2. Repeat steps c,
d, f, h, and i, using tape select instead of source select switch. - In step “c”, rotate tape selector switch as well as source selector~to switch between phono 1 & 2.
- In step “i”, omit tape #2 inputs. Disconnect scope input cables from tape out #2 and reconnect to tape out #1. Repeat steps c, d, f, h, and i, using tape select instead of source select switch.
- In step “c”, rotate tape selector as well assource selector~to switch between phono 1 & 2.
- Crosstalk: On 1B models equipped with dual ganged (100K log/ 100K anti-log) balance pots, measured crosstalk between left and right phono inputs should be greater than or equal to -60db@ 1K Hz, or -40 db@ 20 K Hz, referenced to 150mv input/10v. output.
BRYSTON 1B PRE AMP



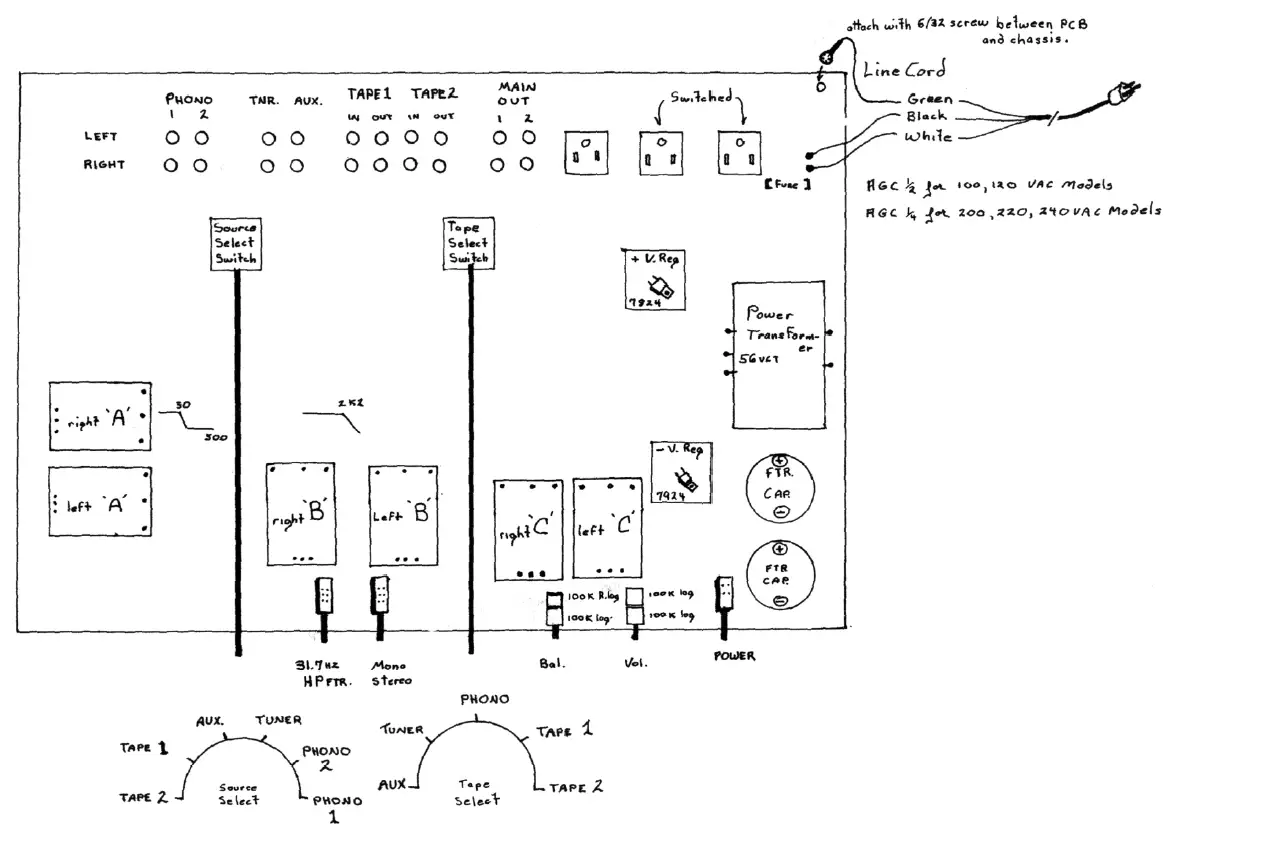
1B-A Board

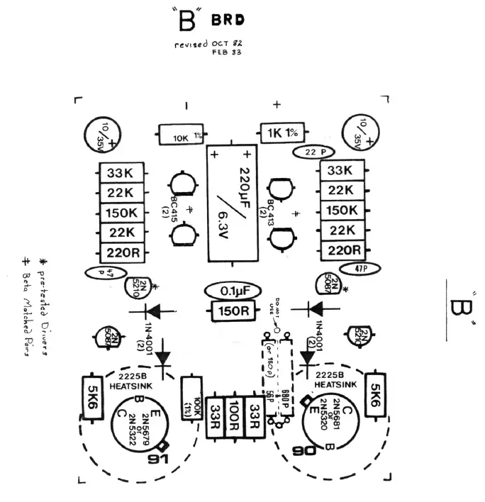
1B-B Board

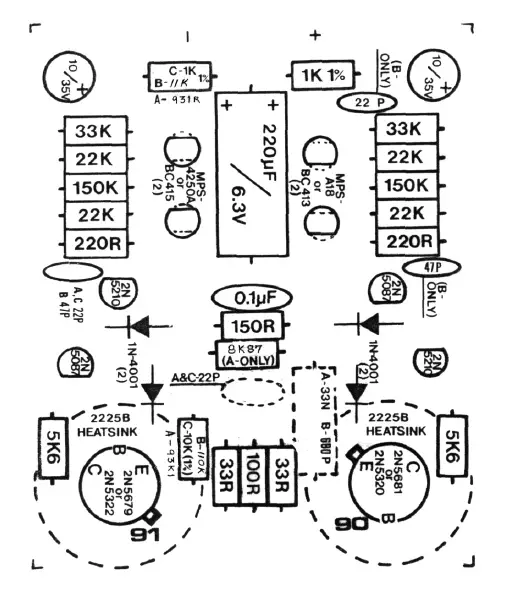
1B-C Board





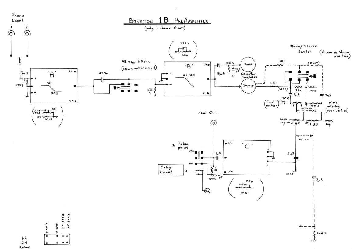
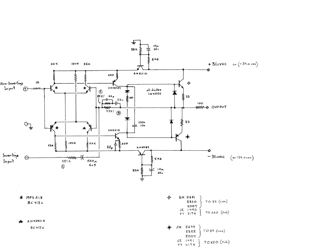
1B Discrete OpAmp Board

1B-TF TRANSFORMER HOOK-UP

lB-TF TRANSFORMER INSTALLATION


1B Pre-Amp Turn-On-Delay Circuit Change


DESCRIPTION
Both pairs of phono inputs will have 220pf (polystyrene) connected from the input to the ground.
are These mounted load caps in will terminal be housing installed #22on -01-2065. ‘Molex’ female terminals(#OS-56-0110) which
Two will be caps cut will down be to mounted approx. on each 2/Jrds its connector. normal The height terminal to expose housing the of the terminals connector into the allow the housing. caps to be soldered directly to the tcrmi11.1ls which have been inserted
The connectors with load caps installed are to be plugged onto the .025″ square pin headers installed on the 1B mainboard.




















