
LED Emergency Battery Backup
Installation Instructions
Ordering Code: EB20
WHAT COMES IN THE BOX
(1) EB20 unit
(1) Installation instructions
(1) PG 13.5 Cable gland
(1) Plug cable
(1) Wire nut
TOOLS NEEDED
Wire Stripper
Wire Cutter
Phillips Screwdriver
Step Ladder
OVERVIEW
Litetronics Emergency Battery Backup unit (EB20) delivers 90-minutes of power to fixtures in the event of a power outage. When the normal power supply is present, the unit will fully charge and remain in standby mode. When a power outage occurs, the unit will switch to emergency mode and deliver 20W power for a minimum of 90-minutes. When power is restored, the unit will switch back to standby mode and begin recharging.
The EB20 is the main component to the backup system but must be accompanied by one of two indicator modules, which provide a set of visible indicator lights that signify the status of an operation for the EB20. Each option offers a different approach to mounting/installation based on the application.
- EBCM (Emergency Backup Ceiling-mounted Indicator Module) – This option connects to the EB20 and can be mounted in a grid panel adjacent to the fixture.
- EBAM (Emergency Backup Adhesive-mounted Indicator Module) – This option applies to any non-grid ceiling application. It includes an adhesive strip that will affix to the surface of a fixture or nearby structural element.
SAFETY WARNING AND INSTRUCTIONS
AC Operation: AC power is present, exceeding 0.2A.The emergency backup light on indicates that it is fully charged When using electrical equipment, basic safety precautions should always be observed. Read and follow all safety instructions.
- Risk of fire or electric shock. Luminaire wiring and electrical parts may be damaged when drilling for the installation of LED Emergency Backup. Check for enclosed wiring and components.
- Risk of fire or electric shock. This LED Emergency Backup installation requires knowledge of luminaire and electrical systems. If not qualified, do not attempt to install. Contact a qualified electrician. Emergency Operation: When the AC emergency mode. The charging in dicarestored, The emergency pack switch
- Before installation, make certain the AC power to the fixture is off.
- The electrical rating of this product is 100-277 Vac. The installer must confirm that there is 100-277 Vac to the fixture before installation.
- To prevent electrical shock, only mate unit connector after installation is complete and before the AC power to the fixture is back on.
- Do not use outdoors.
- This LED Emergency Backup unit requires an un-switched AC power source of 100-277 Vac, 50/60Hz.
- Do not let power supply cords touch hot surfaces.
- Do not mount near gas or electric heaters.
- Equipment should be mounted in locations and at heights where it is not subjected to tampering by unauthorized personnel. The use of accessory equipment is not recommended by the manufacturer and may cause an unsafe conditions.
- Do not use this equipment for other than its intended use.
- Use with grounded, UL/ETL listed dry or damp location-rated fixtures.
COMPATIBILITY
The EB20 is compatible with all Litetronics products, as well as any other manufacturer fixtures if power is less than 200W and 0-10V dimming is included.
PLEASE NOTE: When used with a sensor-equipped fixture, the sensor settings will remain active, overriding the EB20, and causing the fixture to dim or turn off based on it’s occupancy settings. This is not ideal for an emergency situation and may not meet code requirements. We recommend that the EB20 is used on a fixture that does not include occupancy sensing or daylight harvesting.
EB20 OPERATING INSTRUCTIONS
- Make sure that the installation of the EB20 includes one of the two indicator modules.
- Once installed and powered on, the battery will begin to charge. The green, flashing indicator light will remain on until fully charged, which takes approximately 24 hours.
- Once fully charged, the green indicator light will illuminate and remain on as long as the battery remains full.
- If the yellow light is on, a problem has been detected. Contact Litetronics for troubleshooting.
- In the event of a power failure, the fixture delivers 90 minutes of emergency light, during which the red light will remain on, then flash on/off when the battery is low.
INDICATOR MODULE LIGHT REFERENCE GUIDE
- Green/flashing = Charging
- Green/solid on = Fully charged
- Red/solid on = Discharging/emergency mode
- Red/flashing = Discharging with limited battery life remaining
- Yellow/solid on = Error. Contact Litetronics for troubleshooting
TESTING
- The fixture includes an automatic monthly self-testing function, which operates at 30-day intervals for 5 minutes and 360-day intervals for 90 minutes. During testing, the red indicator light will remain on.
- Additional testing and demo mode is available via remote control, part # TR01 (sold separately).
MAINTENANCE
Although no routine maintenance is required to keep the emergency battery backup functional, it should be checked periodically to ensure that it is working. The following schedule is recommended:
- Visually inspect the charge indicator light monthly. It should be illuminated.
- Test the emergency operation of the fixture at 30-day intervals for a minimum of 30 seconds.
- Conduct a 90-minute discharge test once a year. LED fixture should operate at up to 20W for at least 90 minutes.
SERVICE
Should be performed as indicated above by qualified personnel.
INSTALLATION – CEILING MOUNTED
BEFORE BEGINNING INSTALLATION, TURN OFF THE POWER AT THE CIRCUIT BREAKER.
- Choose a location for the Emergency Battery Backup unit and indicator module. We recommend placing the unit close to the luminaire input power wires while also making sure the indicator module will reach it’s desired location. See figure A for reference.
- Once the EBB unit is secured in place, make wiring connections based on the wiring diagrams found on pages 6-7. Choose any knockout best suited for installation.
- Use the PG13.5 cable gland to fix the cable of the indicator module in the knockout.
- Mark the desired location for the indicator module on the adjacent ceiling panel. Drill a hole for the indicator to pass through that as is 1.75” in diameter.
- Compress the spring clamps and pass the indicator module, wiring first, up through the panel until it sits flush with the bottom side. Release the spring clamps and they will hold the module in place. See figure B.
- Connect the indicator module and unit via the quick connector.
- Restore power to the fixture. When power is received, the green flashing light should appear, indicating that the unit is charging. An initial full charge could take up to 24 hours.
INSTALLATION – ADHESIVE MOUNTED
BEFORE BEGINNING INSTALLATION, TURN OFF THE POWER AT THE CIRCUIT BREAKER.
- Choose a location for the Emergency Battery Backup unit and indicator module. We recommend placing the unit close to the luminaire input power wires while also making sure the indicator module will reach it’s desired location. See figure C for reference.
- Once the EBB unit is secured in place, make wiring connections based on the wiring diagrams found on pages 6-7. Choose any knockout best suited for installation.
- Use the PG13.5 cable gland to fix the cable of the indicator module in the knockout.
- Find the desired location for the indicator module on the side of the fixture or a nearby structural element, making sure that the indicator lights will be visible from below. Peel off the outside strip from the tape and apply the module to the desired location. Hold for 30 seconds.
- Connect the indicator module and unit via the quick connector.
- Restore power to the fixture. When power is received, the green flashing light should appear, indicating that the unit is charging. An initial full charge could take up to 24 hours.

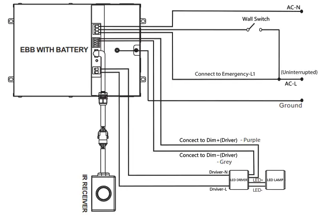
WIRING DIAGRAMS
A WHEN THE LED DRIVER POWER IS LESS THAN 20W
B WHEN THE LED DRIVER POWER IS GREATER THAN 20W AND USED WITH A DIMMER
C WHEN USED WITHOUT SWITCH AND WITHOUT
D WHEN USED WITHOUT DIMMER 
The information and product specifications contained in these instructions are based upon data believed to be accurate at the time of printing. This information is subject to change without notice and without incurring liability. If you have questions regarding specific product details, please contact us at 800-860-3392 or via email at [email protected].
To check for an updated version of these instructions, please visit www.litetronics.com.

Thank you for choosing
6969 W. 73rd Street
Bedford Park, IL 60638
www.Litetronics.com
[email protected] or 1-800-860-3392















