PERFORMANCE 2007½-2013 Ram 6.7L
Cummins Fuel Pressure Plug
Installation Guide
2007½-2013 Ram 6.7L Cummins Fuel Pressure Plug
CAUTION:
Cleanliness cannot be overemphasized when handling or replacing diesel fuel system components. This especially includes the fuel injectors, high-pressure fuel lines, and fuel injection pump. Very tight tolerances are used with these parts. Dirt contamination could cause rapid part wearand possible plugging of the fuel injector nozzle tip holes. This in turn could lead to possible engine misfire.
Always wash/clean any fuel system component thoroughly before disassembly and the air Always wash/clean any fuel system component thoroughly before disassembly and the air dry. Cap or cover any open part after disassembly. Before assembly, examine each part for dirt, grease, or other contaminants and clean if necessary. When installing new parts, lubricate them with clean engine or clean diesel fuel only.
NOTE:
There are two ways to access the limiting valve. You can either remove the fuel rail by removing the injector lines, supply line and return line and completely removing the rail. This installation method can be difficult as accessing the fittings on #5 and #6 can be difficult. The other option is to disconnect the EGR and remove the intake manifold. We suggest these instructions as they reduce the chance of damaging fuel system components and take less time.
For these instructions, we suggest purchasing a new intake gasket (Chrysler P/N 68024672AB), two EGR crossover tube gaskets (Chrysler P/N 68005465AA) and a quart of 15W40 engine oil. The gaskets can be purchased online or from your local dealer for less than $20. You will also need a quality torque wrench rated to at least 70 ft-lbs.
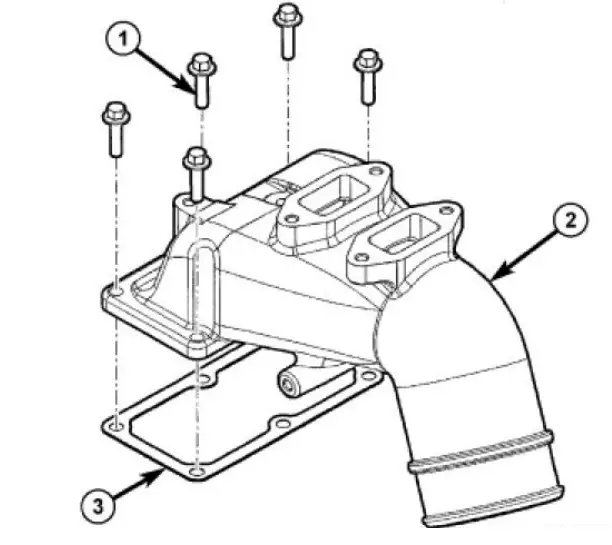
- Locate the fuel pressure limiting valve. It is screwed into the front of the fuel rail located on the driver’s side of the engine on the intake plenum behind the intake manifold (see figure, (1)).
- Thoroughly clean the area around the fuel rail and limiting valve to ensure cleanliness during installation.

- To gain access to the limiting valve, the intake connection/EGR valve assembly must be removed. Loosen the clamp (5) securing the EGR crossover tube (6) to the EGR valve. Also loosen the opposite end of the EGR crossover tube. Remove the clamp from the intake connection.
- Remove the six bolts securing the intake connection. Lift the entire EGR valve/intake connection up and to the side to gain access to the fuel pressure limiting valve.

- Discard the old intake gasket (3).
- Remove the pressure limiting valve using an 18mm wrench or socket.
- Double check cleanliness of manifold and limiting valve area.
- Lubricate the o-ring on the new plug with clean engine oil. Also lubricate threads and sealing surface with clean engine oil.
- Install the new plug and torque to 70 ft-lbs (95 Nm).
- Reinstall the intake using a new gasket. Tighten the 6 bolts to 18 ft-lbs (24 Nm).
- Install new EGR crossover tube gaskets. Tighten the crossover tube clamps to 88 in-lbs (10Nm).
- Start the engine and check for leaks.
- If no leaks are present, the vehicle is ready to drive.
Have Any Questions?
Thank you for purchasing the Fuel Rail Pressure Plug. Please check our website at http://www.atsdiesel.com for technical support and other performance products such as he 5-Star™ torque converter, ATS High Performance Valve Body and ATS High Performance Transmission along with our full line of power enhancers. Please call or email our Technical Service Department, 8:00am to 5:30pm Mountain Standard Time, Monday through Friday.
Contact Information
Toll Free: 800-949-6002
Local: 303-431-7973
Fax: 303-431-0135
Website: www.ATSDiesel.com
Email: [email protected]
We strive to make our instructions as clear and complete as possible. To achieve this, our instructions are under constant construction. We encourage you to visit our website to check for the most up-to-date manuals and diagrams as well as other information. If you have any suggestions as to how we can improve this installation manual, let us know at mailto:[email protected].
Bill of Materials
- Pressure Relief Blockoff Fitting…………………………………………………………705-050-6000
- O-Ring, 18mm ID x 2mm CS (installed)

















