Rx only
Instructions for Use
TheraSphere™ Yttrium-90 Glass Microspheres
DEVICE DESCRIPTION
- The TheraSphere Yttrium-90 (Y-90) Glass Microsphere System consists of:
- a sterile, single-use, dose vial of TheraSphere, Y-90 Glass Microspheres, available in 3 GBq – 20 GBq dose sizes in 0.5 GBq increments (81 mCi – 540 mCi dose sizes in 13.5 mCi increments);
- a sterile, single-use TheraSphere Administration Set; and
- a non-sterile, re-usable TheraSphere Administration Accessory Kit.
The Y-90 glass microspheres are delivered into the liver tumor through a microcatheter placed into the hepatic artery that supplies blood to the tumor. The Y-90 glass microspheres, being unable to pass through the vasculature of the liver due to arteriolar capillary blockade, are trapped in the tumor and the beta radiation emitted by Y-90 exerts a local radiotherapeutic effect to the tumor with some concurrent Y-90 radiation to surrounding normal liver tissue within the perfused liver volume. The radiation emitted by the glass microspheres diminishes significantly over approximately 2 weeks post-treatment; however, the glass microspheres remain permanently implanted in the liver tissue. The radioactive properties of Y-90 are shown in Table 1-1.
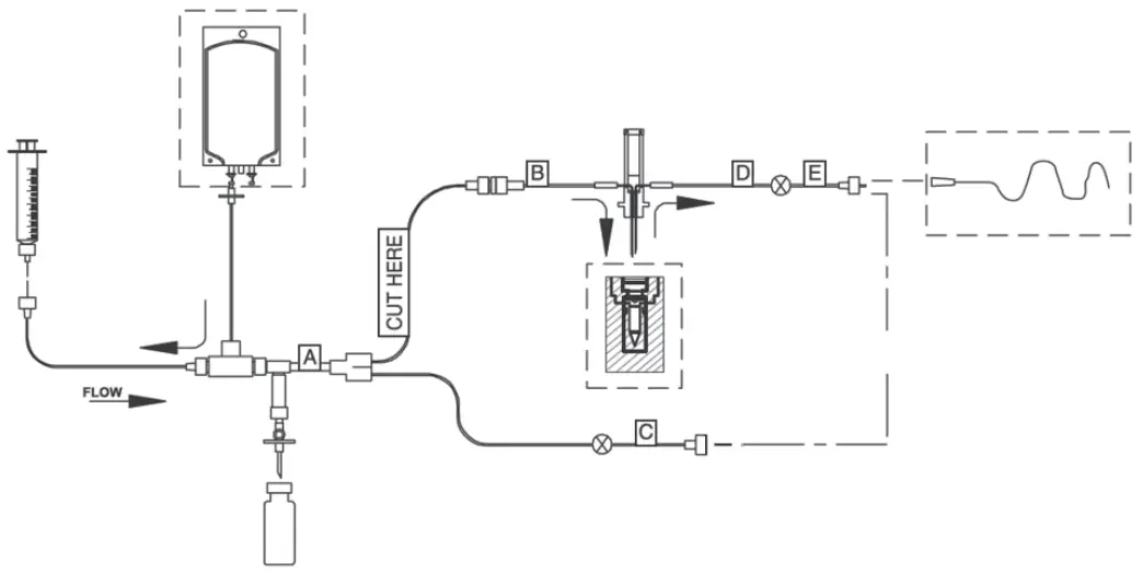
The TheraSphere Administration Set enables delivery of the Y-90 glass microspheres from the dose vial to the microcatheter and into the hepatic artery. Diagram 1 outlines the various components of the Administration Set and their function.
The TheraSphere Administration Accessory Kit ensures optimal layout of the Administration Set and dose vial. Diagram 2 outlines the various components of the Administration Accessory Kit and their function.
Table 1-1: Yttrium-90 Radioactive Properties
| Decay Product | Zirconium-90 |
| Half-Life, t ½ | 64.1 hours (2.67 days) |
| Average range of beta radiation in tissue | 0.1 in (2.5 mm) |
| Initial radiation dose for 27 mCi (1 GBq) of Y-90 administered to 2.2 lb (1 kg) of liver tissue | 13 Gy / day (1,297 rad / day) |
| Mean Life, t | 3.85 days |
| Radiation dose delivered to 2.2 lb (1 kg) of tissue from complete radioactive decay of 1 GBq (27 mCi) of Y-90 | 13 Gy x 3.85 days = 50 Gy (5,000 rad) |
INDICATION FOR USE
TheraSphere is indicated for use as selective internal radiation therapy (SIRT) for local tumor control of solitary tumors (1-8 cm in diameter), in patients with unresectable hepatocellular carcinoma (HCC), Child-Pugh Score A cirrhosis, well-compensated liver function, no macrovascular invasion, and good performance status.
CONTRAINDICATIONS
TheraSphere is contraindicated in patients:
- whose Tc-99m macro aggregated albumin (MAA) hepatic arterial perfusion scintigraphy shows any
deposition to the gastrointestinal tract that may not be corrected by angiographic techniques - who show shunting of blood to the lungs that could result in delivery of greater than 16.5 mCi (0.61 GBq)
of Y-90 to the lungs. Radiation pneumonitis has been seen rarely in patients receiving doses to the lungs
greater than 30 Gy in a single treatment. - in whom hepatic artery catheterization is contraindicated, such as patients with vascular abnormalities
or bleeding diathesis - who have pulmonary insufficiency (conventionally defined by an arterial oxygen pressure (Pa, O₂) of< 60 mmHg, or oxygen saturation (Sa, O₂ ) of < 90% (1)) or severe liver dysfunction, including hepatic encephalopathy, clinically evident ascites or treatment with diuretics for ascites
- with portal vein thrombosis (PVT) Type 4 involvement and lack of Tc-99m MAA deposition on the PVT seen on the Tc-99m MAA imaging
- with >70% tumor replacement in the liver
- with comorbidities or poor overall health (e.g., ECOG performance status rating > 2) which may make the patient is a poor candidate for locoregional radiation treatment
- who are pregnant
There are no data from the LEGACY study supporting the safety of TheraSphere use in patients with contraindicated conditions.
WARNINGS
The following pre-treatment, high-risk factors (disease characteristics) have been associated with serious adverse events deemed possibly related to use of the device:
- infiltrative tumor type
- tumor nodules too numerous to count
- AST or ALT > 5 times ULN
- bilirubin > 2 mg/dL
- tumor volume > 50% combined with albumin < 3 g/dL
Keep the TheraSphere dose vial upright and stored in its lead pot before and during patient treatment, except as required for radiation measurement. Do not open the dose vial acrylic shield prior to patient treatment. Posttreatment, waste materials require caution to prevent contamination and beta shielding due to residual glass microspheres.
PRECAUTIONS
5.1 GENERAL PRECAUTIONS
- As in any intra-arterial procedure, an aseptic technique should be practiced, and care should be taken to ensure minimum patient anesthesia exposure extraneous to the therapeutic objective.
- Consideration of patient comorbidities should be used when determining the type and volume of fluid to infuse via catheter to avoid electrolyte imbalance, fluid shift, and hyperglycemia.
- It is important to avoid any aggressive arterial procedure that may lead to arterial spasm that impairs TheraSphere distribution into the perfused liver target volume which may lead to underdosing or nontarget deposition of TheraSphere.
5.2 PRECAUTION IN PATIENTS WITH IMPAIRED LIVER FUNCTION
- No efficacy or safety data from the LEGACY study are available to support the use of the device in patients with Child-Pugh score B or C cirrhosis.
5.3 PRECAUTION IN VULNERABLE PATIENTS
- No effectiveness or safety data are available to support the use of the device in children or breastfeeding women.
5.4 ENDOCRINE DISRUPTION, CARCINOGENICITY, MUTAGENICITY, TOXICITY TO REPRODUCTION
- Ideally the use of this radioactive device in women of childbearing capability should be performed during the first few (approximately 10) days following the onset of menses.
5.5 RADIATION SAFETY
- Radioactive products should be used only by healthcare professionals who are qualified by specific training in the safe use and handling of radionuclides and whose experience and training have been approved by the appropriate government agency authorized to license the use of radionuclides. See Training Prior to TheraSphere Use (Section 9) for more information.
- As in the use of any radioactive material, ensure minimum radiation exposure to the patient extraneous to the therapeutic objective, and minimize radiation exposure to workers and others in contact with the patient. See Handling and Storage (Section 8.1) for more information.
5.6 RELEASE AND POST-TREATMENT PRECAUTIONS
- Post-treatment patient care: use universal precautions for body fluid contact. Trace Y-90 may be detectible in blood and urine; handle with gloves and dispose of as normal body fluids. The radiation field is expected to be less than 1 mrem/h (10 µSv/h) at 3 ft (1 m) from the patient’s abdomen. Supplemental shielding and segregation of the patient are not required to maintain exposure to others below regulated limits.
- Release instructions: The patient should follow good hygiene (e.g., proper handwashing). Caregivers, family, and others do not require restrictions on patient contact; however, they can minimize their radiation exposure by avoiding prolonged time (>12 hours per day) within 1 ft (0.3 m) of the patient’s abdomen for the first-week post-therapy. Patients should be advised that radiation emitted from the patient may be detectible at security screening (e.g., international travel).
- Special precautions post-administration: If the patient requires hospitalization, surgery, medical assessment, or treatment regarding any part of their thorax or abdomen within the first 2 weeks of treatment, the patient should advise the hospital and treating physician of the Y-90 TheraSphere implant. The physician should consult their radiation safety staff for handling and disposal of liver tissue.
- Special liver tissue handling: Special liver tissue handling may be required for post-treatment surgery, explant, or transplant since the glass microspheres remain permanently implanted in the liver tissue. Disclosure of the treatment will be required if cremation is considered.
POTENTIAL ADVERSE EVENTS
6.1 ADVERSE EVENTS RELATED TO THERASPHERE USE
The use of this product leads to irradiation of both tumorous and normal liver tissue. As a result, patients with compromised liver function may be at greater risk of liver function impairment and hence could experience complications. See Warnings (Section 4) for more information. Any serious incident that occurs in relation to this device should be reported to the manufacturer by contacting Customer Support at bostonscientific.com and the relevant local regulatory authority. Clinical side effects usually occur within the first 4 to 6 weeks after treatment.
Based on clinical trial data, literature reviews, and post-market surveillance, adverse events potentially associated with treatment using Y-90 microspheres, including TheraSphere, may include the following:
- Allergic reaction
- Altered liver function, acute or chronic
- Anorexia
- Anxiety
- Ascites
- Bile Duct injury
- Bleeding/hemorrhage
- Chills/rigors
- Cholecystitis (inflammatory or infectious)
- Colitis
- Death
- Dehydration
- Diarrhea
- Dizziness
- Dyspnea
- Edema (any location)
- Electrolyte abnormalities
- Elevated BUN/creatinine
- Fall
- Fatigue
- Fever
- Gastrointestinal bleeding/hemorrhage
- Gastrointestinal ulcer or ulceration
- Hepatic encephalopathy
- Hepatorenal failure
- Hiccups
- Hypertension
- Hypotension
- Infection (any location)
- Liver failure, acute or chronic
- Lymphopenia
- Malaise
- Mood alteration
- Muscle weakness
- Nausea
- Neutropenia
- Pain (any location)
- Pancreatitis
- Platelet count abnormalities
- Pleural effusion
- Portal hypertension
- Pre-existing chronic liver disease decompensation
- Pulmonary edema
- Pulmonary fibrosis
- Radiation hepatitis
- Radiation-induced disease, acute
- Radio Embolization Induced Liver Disease (REILD)
- Sepsis
- Supraventricular arrhythmia
- Thrombosis (arterial or venous)
- Tumor inflammation (including tumor edema)
- Tumor-lysis syndrome
- Vomiting
- Weight loss
Complications related to the administration procedure itself may include:
- Allergic reaction
- Arterial injury including vessel dissection
- Aspiration pneumonia
- Bruising/bleeding/hematoma at the site
- Constipation/abdominal distension
6.2 EVALUATION OF SAFETY IN THE LEGACY STUDY
The safety of TheraSphere was evaluated in the LEGACY study, a retrospective, single-arm, multi-center study in 162 patients with a single, unresectable HCC tumor measuring 1 – 8 cm at the greatest diameter. Of the 162 patients, 32 patients (19.8%) received two or more TheraSphere treatments. Safety data were collected via a retrospective review of data in the patients’ medical records. For every patient file, one site’s investigator reviewed the files and retrospectively documented adverse events (AEs) and serious adverse events (SAEs) that occurred during the follow-up period and determined the severity and the causality. Serious adverse events occurred in 16 patients (10%). Serious adverse events that occurred in more than one patient were vomiting and pneumonia (n=3 in each, 1.9% each), and abdominal pain, ascites, and nausea, (n=2 in each; 1.2% each). One (0.6%) fatal adverse event occurred in patients who received TheraSphere: cerebral vascular accident; the death occurred 173 days after initiation of TheraSphere and 66 days after the last dose of TheraSphere. BSC assesses this event as not related to the TheraSphere treatment and pre-treatment imaging procedures. Table 6-1 summarizes the adverse events in patients in the LEGACY study.
Table 6-1: Adverse Events Occurring in ≥5% of patients with HCC in LEGACY
| Adverse Event | All Grades N=162 n (%) | Grades 3-4 N=162 n (%) |
| General Disorders | ||
| Fatigue | 56 (34.6) | 1 (0.6) |
| Blood and Lymphatic System Disorders | ||
| Lymphocyte count decreased | 46 (28.4) | 12 (7.4) |
| White blood cell count decreased | 21 (13.0) | 1 (0.6) |
| Platelet count decreased | 19 (11.7) | 2 (1.2) |
| Hepatobiliary and Gastrointestinal Disorders | ||
| Blood bilirubin increased | 29 (17.9) | 3 (1.9) |
| Blood alkaline phosphatase increased | 14 (8.6) | 0 |
| AST increased | 11 (6.8) | 0 |
| Abdominal painc | 34 (21.0) | 2 (1.2) |
| Nausea | 28 (17.3) | 2 (1.2) |
| Ascites | 13 (8.0) | 3 (1.9) |
| Vomiting | 13 (8.0) | 3 (1.9) |
| Decreased appetite | 13 (8.0) | 0 |
| Constipation | 9 (5.6) | 0 |
| Metabolism and nutrition disorders | ||
| Hypoalbuminemia | 14 (8.6) | 1 (0.6) |
| Hyperglycemia | 11 (6.8) | 0 |
| Musculoskeletal and connective tissue disorders | ||
| Musculoskeletal paid | 9 (5.6) | 2 (1.2) |
aIncludes asthenia
bIncludes hyperbilirubinemia
cIncludes abdominal discomfort, abdominal pain lower, abdominal pain upper, and epigastric discomfort
dIncludes back pain, myalgia, neck pain, and pain in the extremity
Related AEs
Eighty percent (129/162) of patients had one or more AE assessed as at least possibly related to TheraSphere or the treatment procedure, including 62% of patients in the Treated Population with AEs assessed as at least possibly related to TheraSphere, and 45% of patients with AEs assessed as at least possibly related to the treatment procedure. The AEs related to TheraSphere or the treatment procedure that occurred in ≥5% of patients were similar to the most common AEs overall as described in Table 6-2.
Table 6-2: Related Adverse Events Occurring in ≥5% of Patients with HCC in LEGACY
| Adverse Event | All Grades N=162 n (%) | Grades 3-4 N=162 n (%) |
| General Disorders | ||
| Fatigue | 54 (33.3) | 1 (0.6) |
| Blood and Lymphatic System Disorders | ||
| Lymphocyte count decreased | 46 (28.4) | 12 (7.4) |
| White blood cell count decreased | 16 (9.9) | 1 (0.6) |
| Platelet count decreased | 14 (8.6) | 2 (1.2) |
| Hepatobiliary and Gastrointestinal Disorders | ||
| Blood bilirubin increasedb | 24 (14.8) | 2 (1.2) |
| Blood alkaline phosphatase increased | 14 (8.6) | 0 |
| AST increased | 10 (6.2) | 0 |
| Abdominal painc | 29 (17.9) | 2 (1.2) |
| Nausea | 24 (14.8) | 2 (1.2) |
| Ascites | 10 (6.2) | 2 (1.2) |
| Vomiting | 11 (6.8) | 3 (1.9) |
| Decreased appetite | 11 (6.8) | 0 |
| Metabolism and nutrition disorders | ||
| Hypoalbuminemia | 9 (5.6) | 0 |
aIncludes asthenia
bIncludes hyperbilirubinemia
cIncludes abdominal discomfort, abdominal pain lower, abdominal pain upper, and epigastric discomfort
AEs related to dose
A dosimetry analysis showed no statistically significant impact of any covariate on the occurrence of SAEs or
Grade ≥3 AEs assessed as at least possibly related to TheraSphere or the treatment procedure.
AEs in specific populations
In the 109 patients with low baseline platelet counts and/or high baseline INR values, 9 patients had a bleeding event; these included 1 SAE (gastrointestinal hemorrhage) and 8 non-serious events.
In 38 patients with low baseline white blood cell count values, 3 patients had an infection event; these included 1 SAE (lung infection) and 2 non-serious events.
EFFECTIVENESS OF THERASPHERE IN THE LEGACY STUDY
7.1 LEGACY STUDY: DESIGN, ENDPOINTS AND PATIENT CHARACTERISTICS LEGACY
was a retrospective, single-arm, multi-center study in adult patients with a single, unresectable HCC tumor measuring 1 – 8 cm at the greatest diameter. Patients were required to have a confirmed (by histology or imaging) solitary, unresectable HCC of any etiology, tumor measurable by mRECIST, Child-Pugh A cirrhosis, and Barcelona Clinic Liver Cancer (BCLC) A disease with an Eastern Cooperative Oncology Group Performance Status (ECOG PS) of 0 or BCLC C disease with ECOG PS of 1. The patients must have received lobar or selective (no more than 2 segments) TheraSphere administration with a lobar absorbed dose of up to 180 Gy, had contrast-enhanced diagnostic imaging within 60 days prior to TheraSphere administration (or, if >60 days before TheraSphere, confirmatory imaging at the time of angiography), and had follow-up contrast-enhanced imaging. The study excluded patients who had prior therapy for HCC, any vascular invasion, clinically evident ascites or on diuretics for ascites, hepatic encephalopathy, extrahepatic metastases, and asynchronous diagnosis of additional malignancy besides HCC.
Patients were identified through retrospective chart review at three sites in the U.S. and all consecutively treated patients (from 01/01/2014 through 12/31/2017 inclusive) who met all study eligibility criteria were included in the study. The study data were collected as part of usual patient care at each participating institution. Patients were expected to have imaging for tumor assessment available for the Month 3 or Month 4-time point (depending on institutional clinical practice) after the initial post-TheraSphere treatment visit, and thereafter at three-month intervals through 12 months, at six-month intervals at 18 months and 24 months, and at 12-month intervals thereafter. Patients were followed until they met protocol-specified criteria for the end of clinical data collection (i.e., receipt of a non-TheraSphere treatment for HCC in the initial TheraSphere treatment area, death, loss to follow-up) or reached the end of the study on 12/31/2018.
A total of 343 patients were screened, and 162 patients were enrolled and included in the analysis of the safety and effectiveness of TheraSphere in this study. The median age was 66 years (range: 21 – 90), 43% were <65 years, 57% were ≥65 years, 76% were male, 49% were White, 10% were Black, and 8% were Asian. The etiology for HCC was hepatitis C in 69%, alcoholic liver disease in 30%, non-alcoholic steatohepatitis in 14%, and hepatitis B in 9%. Child-Pugh score A5 was 67% and A6 was 33%. BCLC A (ECOG PS 0) was 60% and BCLC C (ECOG PS 1) was 40%. The LEGACY study did not evaluate safety and effectiveness in patients with the following characteristics: any vascular invasion or Child-Pugh score B or C or prior systemic therapy.
The primary and secondary effectiveness endpoints were evaluated based on a single TheraSphere administration. Of the 162 patients in the Treated Population, 32 patients (19.8%) received two or more TheraSphere treatments and 14 of these patients received a second TheraSphere treatment to complete the treatment of baseline disease within 6 months from the first treatment.
7.2 PRIMARY EFFECTIVENESS ENDPOINT RESULTS
Effectiveness results are based on a median duration of follow-up from the first TheraSphere treatment of 29.9 months. Local tumor control was demonstrated by the results below:
- ORR by localized mRECIST was 72.2% (95% CI: 64.9, 78.5);
- DOR by localized mRECIST was ≥6 months in 76.1% of responders;
- ORR was 68.5% and the DOR was ≥6 months in 74.8% of responders by mRECIST;
- ORR was 46.3% and the DOR was ≥6 months in 72.0% of responders by RECIST 1.1.
Effectiveness results are summarized in Table 7-1.
Table 7-1: Objective Response Rate (ORR) and Duration of Response (DOR), LEGACY Study
| Treated Population N=162 | |||
| Localized mRECIST | mRECIST | RECIST 1.1 | |
| ORR per BICR, n (%) | 117 (72.2%) | 111 (68.5%) | 75 (46.3%) |
| (95% CI)a | (64.9, 78.5) | (61.0, 75.2) | (38.8, 54.0) |
| Complete Response (CR) | 115 (71.0%) | 109 (67.3%) | 11 (6.8%) |
| Partial Response (PR) | 2 (1.2%) | 2 (1.2%) | 64 (39.5%) |
| DOR per BICR | |||
| Range (months)b,c | 1.5+, 48.1+ | 1.5+, 48.1+ | 1.5+, 45.1+ |
| Percent with duration ≥6 months | 76.1% | 74.8% | 72.0% |
+ Indicates response was ongoing at the time stated
a 95% CI for a percentage of patients with ORR per BICR, based on the methodology of Wilson (1927)
b Months = (Date of the first PD – Date of first CR or PR + 1)/30.4375. If no PD occurred, the date of the last imaging assessment within the treatment area, before any further HCC treatment was administered, was used.
c Median duration of response by Kaplan Meier analysis not reached with a median follow-up duration of approximately 30 months.
d Percents are based on the number of patients with confirmed CR or PR.
Note: Localized mRECIST is defined as mRECIST assessment within the treatment area, including the entirety of any tumor that is either partially or completely within the treatment area; the treatment area is the perfused volume infused with TheraSphere. Responses are defined as a patient with CR or PR that is confirmed at a subsequent visit >4 weeks (30 days) after the date of the first occurrence of CR or PR. Any assessments performed subsequent to the administration of any further HCC treatment within the initial TheraSphere treatment area are excluded. Patients who received non-TheraSphere treatment outside of the initial treatment areas before the confirmatory scan for response assessment was performed are not excluded from the mRECIST (N=2) and RECIST 1.1 (N=4) analysis. Abbreviations: BICR: blinded independent central review; CI: confidence interval; mRECIST: modified Response Evaluation Criteria in Solid Tumors; PD: progressive disease TheraSphere has not been shown to prolong survival in adequate and well-controlled trials. There is no evidence supporting the use of systemic therapy in combination with TheraSphere. There were insufficient data for patients with tumors 5 – 8 cm in diameter (N=9; ORR by localized mRECIST of 66.7%; 95% confidence interval: 35.4%, 87.9%) to draw a conclusion regarding effectiveness or safety, even though tumors of this size are being included in the indication for use.
7.3 USE IN THE GERIATRIC POPULATION
The LEGACY study included 64 (40%) patients 65 to <75 years of age and 29 (18%) patients ≥75 years of age. No overall differences in safety or effectiveness were reported between elderly patients and younger patients.
7.4 DOSIMETRY
Perfused liver volume was determined by post-Y-90 SPECT/CT bremsstrahlung (N=51) and/or CBCT diagnostic (N=104) imaging and was unique for each patient within the LEGACY study. In seven patients, the perfused liver volume was not evaluable.
Table 7-2 provides the median perfused liver volume and median absorbed dose to perfused liver volume (Gy) by perfused liver volume quartiles. Patients with a subsegmental or segmental perfused liver volume (up to two segments) were within the 1 st rd to 3 quartiles, while the 4 th quartile contained both segmental (N=27) and lobar perfused volumes (N=11). The median perfused liver volume and absorbed dose to perfused liver volume for the full cohort are also listed in Table 7-2.
Table 7-2: Perfused Liver Volume (cm³) and Absorbed Dose to Perfused Liver Volume (Gy) by Quartile and Full Cohort
| 1st Quartile (N=39) | 2nd Quartile (N=39) | 3rd Quartile (N=39) | 4th Quartile (N=38) | Full Cohort (N=155) | |
| Perfused liver volume (cm3) Median (Range) | 62 (19 – 91) | 121 (92 – 155) | 200 (158 – 262) | 459.5 (271 – 1363) | 155.0 (19 – 1363) |
| Absorbed dose to perfused liver volume (Gy) Median (Range) | 927 (188 – 2980) | 518 (147 – 1313) | 410 (122 – 1025) | 146 (70 – 396) | 410.1 (70 – 2980) |
Note: Seven patients did not have an absorbed dose to perfused volume.
7.5 HISTOPATHOLOGIC ANALYSIS
Histopathologic analysis to determine the degree of necrosis was evaluated by individual institutions for patients who underwent transplant or resection (N=45) following TheraSphere treatment. A total of 20 patients underwent transplant or resection prior to objective response assessment (N=11) or prior to confirmation of objective response (N=9). Table 7-3 summarizes the histopathologic response for patients who achieved a complete response by objective response assessment in those patients that underwent a transplant or resection.
Table 7-3: Histopathology Response
| Imaging Response | Histopathology Response |
| CR (N=25) | Complete (N=16) |
| Extensive (N=6) | |
| Partial (N=3) |
Abbreviation: CR: Complete Response
Note: Degree of Necrosis, as determined by site investigators: Complete = 100% necrosis (no viable tumor); Extensive = 50-99% necrosis (significant necrosis with presence of minimal viable tissue); Partial = minimal necrosis (encompassing <50% of the treated tumor)
HOW SUPPLIED
The TheraSphere Y-90 Glass Microspheres (dose vials) are steam sterilized and are available in 0.5 GBq increments between 3 GBq – 20 GBq (13.5 mCi increments between 81 mCi – 540 mCi). All dose sizes have a manufacturing tolerance of ±10% of nominal activity and expire 12 days post-calibration (expiry date is included on the device label). The glass microspheres are 15 µm – 35 µm in size, with each milligram dose containing between 22 000 and 73 000 microspheres, supplied in 0.6 mL pyrogen-free water in a V-bottom vial enclosed in an acrylic shield.
The other components of the TheraSphere Y-90 Glass Microsphere System required for administration include:
- a sterile, single-use Administration Set (gamma irradiated: 1-year shelf-life; ethylene oxide sterilized: 3-year shelf-life); and
- a non-sterile, re-usable Administration Accessory Kit.
8.1 HANDLING AND STORAGE
Radiation handling: Consult and follow all applicable regulatory agency requirements for safe handling and storage of radioactive materials. TheraSphere glass microspheres contain Y-90, a high-energy beta emitter.
Keep the TheraSphere dose vial upright and stored in its lead pot before and during patient treatment, except as required for radiation measurement. Do not open the dose vial acrylic shield prior to patient treatment. Post-treatment, waste materials require caution to prevent contamination and beta shielding due to residual glass microspheres.
- The TheraSphere dose vial is supplied in an acrylic shield to fully attenuate beta particles and within a lead, pot to further limit radiation exposure to secondary bremsstrahlung (x-ray) radiation. The TheraSphere dose vial should always be stored in a shielded location away from personnel.
- Always wear disposable gloves when handling the dose vial. Routinely check for radioactive contamination after handling.
- The procedure is normally performed in an angiography suite where personnel wears shielding aprons with thyroid protection. No additional personal safety equipment is needed for use of TheraSphere. The primary risk of radiation exposure for this procedure is from fluoroscopy during catheter placement. Dose rate to personnel should be monitored according to the local procedure.
- After the treatment, any spills or leaks must be cleaned up immediately. The treatment area and all personnel handling radioactive materials should be monitored for contamination.
- Radioactive waste must be contained and stored for waste disposal according to hospital procedures for radioactive materials.
Lead handling: The TheraSphere dose vial is supplied in a lead pot. Safe handling and disposal of this material should be used to avoid lead contact.
Storage: Store the TheraSphere dose vial, TheraSphere Administration Set, and TheraSphere Administration Accessory Kit at ambient temperature.
Cleaning re-usable components: As required, the TheraSphere Administration Accessory Kit may be cleaned with a clean, soft cloth, using alcohol, chlorine, or hydrogen peroxide cleaning agents. The use of solvents, abrasive cleaners, ammonia, or heat/steam may damage the acrylic parts and should be avoided. Removable stainless steel parts are compatible with cleaning by chemical/heat/steam process.
TRAINING PRIOR TO THERASPHERE USE
Administration of radioactive Y-90 microspheres requires expertise in hepatic vascular anatomy as well as angiographic, nuclear medicine, and radiographic procedures. Due to the technical expertise required for these various complex procedures, a multi-disciplinary approach including Radiology, Nuclear Medicine, Radiation Oncology, Medical Oncology, and Interventional Radiology is recommended. The institution must have the appropriate facilities, equipment, licenses, and approvals to administer TheraSphere according to local regulations and authorities.
All users must be appropriately trained and be experienced with the administration of Y-90 microspheres prior to the unsupervised use of TheraSphere. New site training is provided by the manufacturer of the device. All personnel participating in the use of the device must be trained, all required safety precautions must be taken, and all approvals must be in place prior to using TheraSphere for the first time. The site is responsible for all ongoing licensing and any additional training that may be needed.
Initial patient cases may be supervised by a representative of the manufacturer for sites/users new to the administration of Y-90 microspheres. Additional onsite support is available, upon request.
TREATMENT PLANNING
10.1 PRE-TREATMENT Y-90 MAPPING
Prior to the administration of TheraSphere, Y-90 mapping is performed. The mapping includes pre-treatment angiography with tumor hepatic artery mapping followed by Tc-99m MAA administration and imaging.
- Pre-treatment angiography aims to obtain precise documentation of tumor(s) location and identification of all the tumor-feeding arteries. Use of a 3D imaging tool is recommended, including cone-beam CT (CBCT) or CT to visualize the perfused volume of the liver.
- Tc-99m MAA is a TheraSphere surrogate and an activity of 75 MBq to 150 MBq (2 mCi to 4 mCi) should be infused during the pre-treatment angiography.
• The catheter tip position for Tc-99m MAA and planned TheraSphere infusion should be the same (i.e., within 5 mm) for a lobar infusion. For selective infusions, the catheter tip position should be determined by tumor location and patient arterial anatomy. In either case, the flow rate should be the same for the Tc-99m MAA and TheraSphere infusions. - Tc-99m MAA imaging with Single Photon Emission Computed Tomography (SPECT) or coupled with Computed Tomography (SPECT-CT) aims to document:
• Extrahepatic distribution of Tc-99m MAA in the gallbladder or the gastroduodenal area due to an inadvertent deposition in the terminal cystic or gastric vascular bed during administration caused either by incorrect catheter placement or catheter movement during the administration, or vasospasm leading to a redistribution of Y-90 microspheres into unexpected areas or shunting through aberrant vessels.
Note that a non-invasive solution (e.g. modification of catheter position) is preferable to coil placement. If the extrahepatic deposition cannot be corrected using established angiographic techniques, the patient is disqualified from treatment.
• Lung shunt. A fraction (F) of Tc-99m MAA microspheres injected into the hepatic artery could shunt the liver through small vessels within the cirrhotic liver or tumor and flow to the heart and subsequently be deposited into the lungs. It is mandatory that F be measured before use of post Tc-99m MAA administration imaging with an Anger camera. The observed radiation from the lung field, divided by the total radiation observed by the camera is a measure of F. If an activity of A* GBq is administered in the liver, (F x A) is a measure of the activity that will be deposited into the lungs. Based on clinical study experience with radioactive microspheres and TheraSphere in HCC treatment, the upper dose (Gy) to the lungs from a single TheraSphere treatment is 30 Gy, and 50 Gy for all treatments combined, with DOSE= [A (GBq) x F x 50]/M, and assuming the total mass of both lungs to be 1 kg.
• Tc-99m MAA deposition on PVT. In the case of PVT the intensity of Tc-99m MAA deposition on the thrombosis, especially in the case of PVT Type 3 or 4, is a predictive factor of a response. Where there is a lack of Tc-99m MAA deposition on the PVT Type 4, the use of TheraSphere is contraindicated. *activity administered = Activity measured before administration – R (residual activity in vial and administration set)
10.2 TREATMENT ADMINISTRATION
Mode of administration To reach the treatment goal, TheraSphere treatments may include a single lobar infusion, a selective infusion (no more than 2 segments), multiple selective infusions, or a combination of lobar and selective infusions within the target liver volume. One or more vials may be used according to the mode of administration (lobar or selective).
Dosing, Single Compartment Dosimetry
The recommended absorbed dose to the liver is between 80 and 150 Gy (8,000 rad to 15,000 rad).
In the LEGACY study, the absorbed dose, based on a lobar volume, was up to 180 Gy (up to 18,000 rad). For selective treatment in the LEGACY study, TheraSphere was delivered to a lower liver volume based on activity determined using a lobar volume. Based on the volume ratio of 2/3 to 1/3 (right to left lobes), the dose to the liver did not exceed 150 Gy in the LEGACY study.
A future liver remnant (FLR) of ≥30% is recommended (3).
10.3 CALCULATION OF PERFUSED LIVER VOLUME
Pretreatment angiography allows for the calculation of the perfused liver volume and is based on the artery to be catheterized. The lobe, segment, or subsegmental target volume noted in the angiogram should be evaluated in conjunction with CT, MR, or CBCT imaging to define the perfused liver volume.
10.4 CALCULATION OF ACTIVITY TO ADMINISTER
The amount of activity required to deliver the desired dose to the perfused liver volume containing the tumor(s) is calculated using the following formula:
where lung shunt fraction (F) is the fraction of injected radioactivity that is expected to localize in the lungs (as measured by Tc-99m MAA imaging; median 4%, range: 0.2% – 33.1%, based on LEGACY data), and residual (R) is the fraction of microspheres anticipated to remain residual in the vial and tubing at the completion of the administration (typically assumed to be 1-2%). Administered activity and absorbed dose should be reduced, if necessary, to not exceed the specified 30 Gy lung dose for a single treatment and 50 Gy for all treatments combined.
The liver volume and corresponding mass are determined using imaging, assuming a liver density of 1.03 g/mL.
The upper limit of injected activity to the lungs for safety is 30 Gy for a single treatment and 50 Gy for all treatments combined. See Pre-Treatment Y-90 Mapping (Section 10.1).
10.5 SELECTION OF DOSE VIAL TO ORDER
Use the following formula to determine the appropriate dose vial size to order, that will yield the Activity Required on the date and time of treatment:
where Activity Required comes from the calculation above, and decay time (h) is the number of hours from the date and time of calibration (from the manufacturer) to the date and time of treatment in the local time zone. The calibration date and time is always Sunday at noon Eastern Time. The dose vial expiry date is printed on the dose vial label. The dose vial size to order should be rounded to the nearest 0.5 GBq increment between 3 GBq and 20 GBq (13.5 mCi increment between 81 mCi – 540 mCi); alternatively, a combination of dose vial sizes may be ordered.
The dose vial size may be calculated manually based on the formula above or using one of the following three tools. TheraSphere Treatment Window Illustrator (TWI) and TheraSphere iDOC™ (interactive Dose Ordering Calculator) are tools that assist the user with dose vial selection. Simplicity 90 Y™ software also includes an integrated dose vial selector feature that can be used to assist the user with dose vial selection. These tools calculate the TheraSphere dose vial size options, based on user-specified information on the desired tissue absorbed dose (Gy), treatment date and time, lung shunt fraction, and anticipated residual waste. The TWI output is used to place the dose vial order manually.
Both TheraSphere iDOC™ and Simplicity 90 Y™ software facilitate electronic ordering of the chosen dose vial size by linking to, and pre-populating, the TheraSphere Online Ordering form. These tools are available by contacting your local Sales Representative, or Customer Service.
Use of Dosimetry Software
Although dosimetry planning may be performed manually (see Calculation of Perfused Liver Volume, Section 10.3) the use of dosimetry software is recommended. Dose calculations rely on the determination of volumes of interest (VOIs): whole liver and perfused liver based on CT, MR, or CBCT imaging. Dosimetry software provides tools to create, transform and modify contours/VOIs for the user to define objects in medical image volumes to support TheraSphere treatment calculation and evaluation.
Simplicity 90 Y™ dosimetry software (or equivalent) can be used to perform pre-treatment dosimetry planning and post-treatment dosimetry and evaluation, as well as to aid in the evaluation and information management of digital medical images. Refer to the dosimetry software manufacturer’s Instructions for Use for additional information.
10.6 DOSE VIAL ACTIVITY CONFIRMATION
After receipt of the TheraSphere dose vial, confirm it is the correct activity for the patient treatment. Dose calibrator settings for the TheraSphere dose vial geometry are determined by cross-reference to a NIST-traceable measurement, based on the as-manufactured activity provided by the manufacturer. In addition, measure and record the radiation field from the TheraSphere dose vial (in acrylic shield, removed from a lead pot) at a fixed distance (template provided) prior to administration.
OPERATIONAL INSTRUCTIONS FOR THERASPHERE ADMINISTRATION
The entire contents of the TheraSphere dose vial are administered to the patient. Administration instructions must be followed to optimize the delivery of the intended dose. 11.1 PATIENT CATHETERIZATION
Apply the following when selecting a microcatheter for the administration of TheraSphere:
- A microcatheter with an internal diameter of ≥ 0.020 inches (0.5 mm) should be used to deliver TheraSphere. Using a smaller microcatheter diameter will cause restricted flow in the administration system, which may cause microspheres to be retained in the TheraSphere Administration Set and in the microcatheter. This could result in an under-dose.
- The microcatheter must not occlude the vessel in which it is placed to deliver TheraSphere. The administration of TheraSphere is dependent on blood flow through the hepatic vasculature distal to the microcatheter tip to carry the microspheres into the perfused tissue.
- Microcatheter lengths of 120 cm – 155 cm (typically for femoral artery access) and > 130 cm (typically for radial artery or arm access) may be suitable. A microcatheter that is too short may be difficult to connect to the Administration Set outlet.
- Do not use extension tubing between the TheraSphere Administration Set and the microcatheter.
The use of extension tubing will cause significant residual microspheres that could result in an under-dose. The use of fittings (e.g., stopcocks) between the TheraSphere Administration Set and the microcatheter is expected to cause residual microspheres that could result in an under-dose. Added fittings may also introduce a risk of misdirected microspheres.
11.2 PREPARATION FOR THERASPHERE ADMINISTRATION
- Confirm patient identity and prescription for TheraSphere against measured dose and treatment location (e.g., signed Written Directive)
- Prepare the treatment room with appropriate equipment (e.g., radiation meter, spill kit) and signage
- Prepare a moveable cart with the following items:
• Small sterile towels/drapes
• Saline bag or bottle – one per dose vial, minimum 200 mL size
• Hemostat/Kelly forceps or similar
• Adhesive strips
• Alcohol disinfectant
• Scissors
• TheraSphere Administration Set(s) – one tubing set per dose vial
• TheraSphere Administration Accessory Kit, including electronic dosimeter (RADOS RAD 60 or equivalent) clipped onto Administration Accessory Kit and set to dose rate (mR/h)
• Waste container with beta shield (e.g., 2 L wide-mouth plastic jar with screw lid, with acrylic beta shield)
• TheraSphere dose vial(s), in lead pot m Ensure the packaging for the TheraSphere Administration Set is intact before use. If package integrity has been breached prior to use, discard the item and obtain a new one. Do not use expired TheraSphere Administration Sets.
11.3 ADMINISTRATION SET PRIMING
- Open the Administration Set packaging m Connect the fluid spike into the saline, and hang saline on the bag hook
- Connect the vented spike to the empty overflow vial
- Remove the cap from the needle injector assembly. Follow standard sharps precautions – two needles are located inside the injector assembly. The yellow tabs should be fully retracted to lock needles in an enclosed position. Place the needle injector assembly on a sterile surface.
- Prime the Administration Set with saline until bubbles are removed and saline flows continuously out of both needle injector assembly holes
- Fill the syringe when priming is complete
11.4 DOSE VIAL PREPARATION AND ASSEMBLY WITH ADMINISTRATION SET
- Tilt the TheraSphere dose vial (in its lead pot) back and forth to 90° and tap it sharply on a hard surface
- Put the dose vial (in its lead pot) into the acrylic box and remove the lead pot lid
- Remove the dose vial security seal and dose vial access plug from the acrylic shield and put it into a waste container. The dose vial access plug can be removed using an adhesive strip as required.
- Disinfect the dose vial septum with alcohol
- Place the overflow vial and tubing ‘A’ into the overflow vial holder and gripper clip on the acrylic box
- Connect the Administration Set needle injector assembly to the dose vial
- Place tubing through slots ‘B’ and ‘D’, and slide fitting into the holder at ‘C’ m Pinch or clamp to close the tubing at label ‘C’
11.5 FINAL ASSEMBLY (IMMEDIATELY BEFORE ADMINISTRATION)
- Close the white pinch clamp on tubing near label ‘E’
- Push down on both yellow tabs to fully insert needles into the dose vial
- Put the lid on the acrylic box
- Interventional Radiologist (IR) to verify microcatheter position and flush it with saline to ensure the flow
- Disconnect the outlet luer ‘E’ from the holder at ‘C’ and firmly connect to the microcatheter
- Place the microcatheter connection in the holder on the extension arm (fully extended) with the microcatheter hanging vertically below
- Ensure the tubing and microcatheter are free of kinks
11.6 THERASPHERE ADMINISTRATION
ATTENTION: Beta radiation from the tubing and exposed microcatheter is very high during microsphere transfer. Stand behind shielding and/or maintain distance.
- Open the white pinch clamp from tubing at ‘E’ and relieve the indent
- Record the electronic dosimeter initial reading and starting time of the administration
- Using steady pressure, flush the syringe at ≥ 20 mL/min to administer TheraSphere microspheres NOTE: If the syringe flow is < 20 mL per minute this may cause increased residual microspheres; NOTE: Dripping into the overflow vial is normal operation; most or all flow going into overflow vial indicates an obstruction in the flow path or microcatheter
- Re-fill the syringe and repeat flushing; a minimum of 3 flushes (60 mL total) is recommended
- Record the electronic dosimeter final reading (value indicating contents of dose vial)
11.7 DISASSEMBLY AND POST-ADMINISTRATION
- At the completion of treatment cut the tubing at the indicated position and open the acrylic box
- Close the pinch clamp on the outlet tube at ‘E’
- IR to remove the microcatheter from the patient, using care to control the tip. Do not disconnect the microcatheter from the outlet tubing.
- Place all contaminated waste into the waste container (in its beta shield) and close the waste container
- Check the IR’s hands for microsphere contamination, as well as equipment and the treatment area. Decontaminate and/or dispose of items as appropriate.
- Measure radiation from the patient after treatment
11.8 ADMINISTRATION OF MULTIPLE THERMOSPHERE DOSE VIALS
- When prescribed in the treatment plan, more than one dose vial may be administered to the same patient during the same treatment session.
- After removing the contaminated items and waste container, and after confirming there is no radioactive contamination on the IR’s hands or on equipment, the IR may put on new sterile gloves to place the next microcatheter.
- Proceed to administer the next dose vial following these operational instructions.
CALCULATION OF DOSE DELIVERED
12.1 PERCENTAGE OF THE Y-90 DOSE DELIVERED TO THE PATIENT
This percentage is calculated using the following equation based on radiation measurements of the dose vial (in acrylic shield, removed from a lead pot) at a fixed distance (template provided) prior to administration, compared to measurements of the waste materials after the treatment.
After treatment, the 4 sides of the waste container inside a beta shield are measured at the same fixed distance using the same radiation meter, and the four measurements are averaged.
where the Dose Vial Measurement is adjusted for the radioactive decay of Y-90 until the time that the Waste Measurement is made (i.e., 1% decay per hour).
12.2 RADIATION DOSE DELIVERED
The formula to determine the actual radiation dose (Gy) delivered to the perfused liver tissue is:
where F is the fraction of injected radioactivity expected to localize in the lungs (as measured by Tc-99m MAA scintigraphy). The liver volume and corresponding liver mass (in kilograms) are determined from imaging and assuming a liver tissue density of 1.03 g/mL. The Injected Activity is calculated from the initial Y-90 activity in the dose vial(s) at the time of the administration (decayed to the actual time of treatment), multiplied by the Percentage of Dose Delivered (%) as determined above.
The TheraSphere Written Directive tool may be used to aid in calculating the percentage of dose delivered and actual radiation dose delivered, documenting the administration as required by regulation. This tool is available by contacting your local Sales Representative, or Customer Service.
POST-TREATMENT IMAGING
Post-treatment imaging may be performed to evaluate Y-90 glass microsphere distribution and resulting absorbed dose in the tumor and non-tumor tissue as a quality control measure and to guide subsequent patient care. It also may be used to confirm the absence of non-target microspheres. Post-treatment images may be analyzed in comparison to pre-treatment images from patient Y-90 mapping. Post-treatment imaging of Y-90 may be performed using gamma cameras or SPECT/CT to detect Bremsstrahlung radiation, or by PET/CT to detect photon pairs from Y-90 positron emissions.
SYMBOLS GLOSSARY
The symbols in the following table are used on TheraSphere labels and are referenced from Medical devices – Symbols to be used with medical device labels, labeling, and information to be supplied – Part 1: General requirements (ISO 15223-1:2016).
| Symbol | Title of Symbol (Reference Number) | Explanation of the Symbol |
| Manufacturer (5.1.1) | Indicates the medical device manufacturer | |
| Date of Manufacture (5.1.3) | Indicates the date when the medical device was manufactured | |
| Use-by Date (5.1.4) | Indicates the date after which the medical device is not to be used | |
| Batch Codes or Lot Number (5.1.5) | Indicates the manufacturer’s batch code so that the batch or lot can be identified | |
| Catalogue Number (5.1.6) | Indicates the manufacturer’s catalog number so that the medical device can be identified | |
| Serial Number (5.1.7) | Indicates the manufacturer’s serial number so that a specific medical device can be identified |
| Symbol | Title of Symbol (Reference Number) | Explanation of the Symbol |
| Sterilized Using Ethylene Oxide (5.2.3) | Indicates a medical device that has been sterilized using ethylene oxide | |
| Sterilized Using Irradiation (5.2.4) | Indicates a medical device that has been sterilized using irradiation | |
| Sterilized Using Steam or Dry Heat (5.2.5) | Indicates a medical device that has been sterilized using steam or dry heat | |
| Do Not Use if Package is Damaged (5.2.8) | Indicates a medical device that should not be used if the package has been damaged or opened | |
| Do not re-use (5.4.2) | Indicates a medical device that is intended for one use, or for use on a single patient during a single procedure | |
| Consult Instructions for Use (5.4.3) | Indicates the need for the user to consult the instructions for use | |
| Caution (5.4.4) | Indicates the need for the user to consult the instructions for use for important cautionary information such as warnings and precautions that cannot, for a variety of reasons, be presented on the medical device itself |
Explanation of Additional Information on TheraSphere Labels
| Additional Information | Explanation of the Additional Information |
| Cal. Date | Calibration date |
| Caution Radioactive Material – the U.S. NRC has approved the distribution of TheraSphere to persons licensed to use byproduct material under 10 CFR 35, as appropriate, and to persons who hold an equivalent license issued by an Agreement State. | |
| Package Contains: 1 Item |
REFERENCES
Healthcare professionals should consult recent literature on current medical practice on Y-90 administration.
- Roussos C, Koutsoukou A. Respiratory failure. Eur Respir J. 2003; 22(Suppl. 47): p. 3s-14s.
- Gabr A, Riaz A, Johnson G, et al. Correlation of Y90-absorbed radiation dose to pathological necrosis in hepatocellular carcinoma: confirmatory multicenter analysis in 45 explants. EJNMMI. 2020.
- Garin E, Rolland Y, Pracht M, et al. High impact of macroaggregated albumin-based tumor dose on response and overall survival in hepatocellular carcinoma patients treated with 90Y-loaded glass microsphere radioembolization. Liver Int. 2017; 37: p. 101-110.
Diagram 1
TheraSphere Administration Set Configuration
(Items in dashed boxes are not supplied with the Administration Set)
Diagram 2
TheraSphere Administration Accessory Kit
(Shown assembled with TheraSphere Administration Set)
TheraSphere is manufactured for Boston Scientific Corporation by:
Biocompatibles UK Ltd
Chapman House
Farnham Business Park, Weydon Lane
Farnham, Surrey GU9 8QL UK
TheraSphere and TheraSphere IDOC have registered trademarks of Theragenics Corporation, used under license by Biocompatibles UK Ltd. Simplicity 90Y™ is developed by Mirada Medical Ltd. and used under license by Biocompatibles UK Ltd. All rights reserved.
Prepared for Boston Scientific Corporation.
K120615-081
Rev. 1 (03/2021)

















