ConServ FR1700SS-N Refrigerator Owner’s Manual

Safety
Please always follow the safety precautions listed below:
- Do not put acid or flammable or volatile materials inside the appliance.
- Do not puncture or damage refrigerant tubing.
- Unplug the unit immediately if you find any abnormal smell or smoke, and contact
- This appliance is not intended for use by children or persons with reduced physical, ensory or mental capabilities, or lack of experience and knowledge, unless they have been given supervision or instruction concerning use of the appliance by a person responsible for their safety. Children should be supervised to ensure that they do not play with the appliance.
- Use a dedicated power outlet and a three prong power socket, that is properly grounded.
- Do not use extension cords or ungrounded two prong adapters.
- Do not use the power cord or plug if it is damaged.
- When removing the power plug, do not pull on the cord. Grasp the plug firmly and pull it out from the socket.]
- Unplug the unit first when doing maintenance or repair and when replacing the light bulb.
- Keep ventilation openings free of obstructions.
Safe Disposal
- Before discarding the refrigerator, remove doors and shelves in order to prevent risk of child entrapment.
- Dispose off this appliance in accordance with local regulations.
State of California Proposition 65 Warnings:
WARNING:This product contains one or more chemicals known to the State of California to cause cancer.
WARNING:This product contains one or more chemicals known to the State of California to cause birth defects or other reproductive harm.
Placement
- This unit is designed to be free standing and not built-in.
- The unit should be placed in a ventilated and dry environment.
- Do not put the unit in direct sunlight, and keep it as far as possible from heat sources.
- Don’t put the unit in a cold area.
- There should be 5″ (12.7cm) space around the top, sides and back of the unit as shown, to allow proper ventilation.
- The unit should be placed on flat and stable ground. Keep the unit level by adjusting the 2 front leg levelers.

- Turn the leveling leg counter-clockwise as far as it will go, until
- Slowly turn the leveling leg clockwise until the appliance is level. the top of the foot is touching the bottom of the chassis.
Before Use
- Before initially plugging in the refrigerator, keep the unit standing upright and stable for 6 hours. The refrigerator should be on for up to 4 hours and adequately cold, before putting food in it.
- It is recommended that you clean the interior of the unit before placing food inside.
Handle Installation
The appliance ships with the handle inside the cabinet to protect it from damage.
The appliance should be unplugged before installing the handle.
- Position the handle over the exposed door handle posts.
- Remove the two screws from the side of door with a screwdriver, insert screws into the handle bracket and fix it to the side of door and tighten it until firmly attached.
Operating Instructions
Operation
This appliance is intended for household use.
Control Panel

- Up and Down arrows to select temperature
- Temperature display
- Selection button for °F or °C
- Fast Freeze button
Setting the Temperature
This appliance can be used as either a refrigerator or a freezer. The table below shows the temperature ranges. You can set the desired temperature by pressing the Up and Down
arrows on the control panel. The display window will show the selection.
| Temperature Range | ||
| Refrigerator | 0°C to 8°C | 32°F to 46°F |
| Freezer | -24°C to -14°C | -11.2°F to 6.8°F |
To switch between °C and °F, press the °F/°C button and the corresponding indicator light will illuminate.
Fast Freeze Function
This function should be used when the appliance is first turned on or when you want to reach the coldest temperature as quickly as possible. Press and hold the fast freeze button for three seconds until the LED indicator illuminates. To cancel the fast freeze function press and hold the fast freeze button until the LED indicator turns off. When the fast freeze cycle is completed or is canceled, the appliance reverts back to the last set temperature.
Open Door Alarm
This appliance is equipped with a door alarm that will sound if the door is left open for more than 3 minutes. The alarm will beep and the display will flash continuously until the door is closed.
Door Reversal Instructions
If the appliance is placed on its back or side for any length of time during this process, it must be allowed to remain upright for 6 hours before plugging it in to avoid damage to the internal components.
- Remove one screw from top hinge cover (A) and then remove top hinge cover.

- Remove four screws from top hinge (B) and then remove top hinge, top door spindle (C) and top hinge spacer (D).

- Remove door from unit and set aside. Ensure that you do not damage the bottom door spindles (F).

- Remove roller caps at bottom of unit (E).

- Remove four screws each from both bottom hinges and then swap the bottom hinges (J). Ensure that the C-shaped hinge is on the side of the unit opposite the handle.

- Reinstall four screws each in both bottom hinges (F).
- Reinstall the bottom door spindles (F and G).
- Reinstall the roller caps (E) at the bottom of the unit.
- Reinstall the door and ensure that the bottom door spindle (F) is placed in the hole in bottom hinge that is closest to the outside of the unit.
Cleaning
- Always unplug the unit before cleaning.
- Clean inside, behind and around the refrigerator regularly, using water and mild detergent, and a damp cloth (not wet). • Never use boiling water, harsh cleaning chemicals or abrasive materials.
- Check and clean the door gasket regularly to ensure that the door closes and seals properly.
Defrost
This unit is equipped with an automatic defrost function and does not require manual defrosting. Do not use mechanical devices to defrost the appliance. Defrost water from the appliance is channeled into a drip tray located above the compressor. Heat transfer from the compressor causes the defrost water to evaporate.
Extended Absence or Vacation
- The door must be left open and the unit must be placed in a well ventilated area to avoid build up of odor.
- If the unit will be switched off for a long time, the plug should be pulled out, and the unit cleaned throughly.
The following phenomenon is normal
- The sound like a rivulet is caused by the refrigerant flowing inside of the system pipe.
- While the unit runs, heat is emitted from both sides of the cabinet.
- When the environment is too humid, the edges around door may have a little moisture. wipe it with a dry cloth.
Troubleshooting
Before calling for service, please check the following issues first
| PROBLEM | POSSIBLE CAUSE |
| The unit does not work | • Power is not on or the unit is not connected to power • Low voltage • A fuse may be blown or the circuit breaker tripped • Plug not fully inserted into the wall outlet |
| Internal temperature not cold enough | • Temperature setting is too warm • Door is not shut properly or opened frequently • Exhaust vent is obstructed • A large quantity of warm food has been placed in the unit • Close proximity to heat source or direct sunlight • Ambient temperature or humidity is very high |
| Appliance runs continuously | • Temperature setting is too cold • Door not shut properly or opened frequently • Exhaust vent is obstructed • A large quantity of warm food has been placed in the unit • Close proximity to heat source or direct sunlight • Ambient temperature or humidity is very high |
| Internal temperature is too cold | • Temperature setting is too cold |
| Noises | • Parts are expanding and / or the refrigerant is circulating; this is normal • Floor is not flat, and the unit is not placed in a stable position. |
| Doors cannot be closed properly | • The door is obstructed by items inside the unit. • The door gasket is not providing a good seal. Heat the gasket with a hair dryer. |
ERROR CODES – Shown on control panel display
E1: Sensor failure
E2: Defrosting sensor failure
E3: Sensor failure and defrosting sensor failure
H: High temperature
Technical arameters
| Model No. | FR 1700SS-N |
| Category | Upright – Freezer |
| Refrigerating Mode | No Frost |
| Rated Voltage/Frequency | 110V~60Hz |
| Rated Power | 180 W |
| Rated Current | 3.5 A |
| Refrigerant, Amount | R600a (72g / 2.57oz) |
| Foaming Agent | Cyclopentane |
| Energy Class | DOE |
| Weight | 189 lbs / 85.7 kg |
| Dimensions (H*W*D) inches | 67.3x30x28.5 / 171x76x72.4 cm |
| Overall Space Required In Use (H*W*D) inches | 72.3x35x33.5 / 183.6×88.8×85 cm |
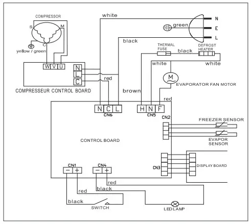
Electrical Diagram


























